Комутаційні системи: принцип роботи, види та їх розрахунок
1. ЗМІСТ КУРСОВОЇ РОБОТИ
ЗМІСТ КУРСОВОЇ РОБОТИ
ВИХІДНІ ДАНІ КУРСОВОЇ РОБОТИ
РОЗРАХУНОК ОДНОЛАНКОВОЇ ПОВНОДОСТУПНОЇ КОМУТАЦІЙНОЇ СИСТЕМИ
3.1 ОБСЛУГОВУВАННЯ ВИКЛИКІВ НАЙПРОСТІШОГО ПОТОКУ КОМУТАЦІЙНОЮ СИСТЕМОБ З БЛОКУВАННЯМ
3.2 РОЗРАХУНОК ТОЧОК КОМУТАЦІЇ
3.3 ОБСЛУГОВУВАННЯ ВИКЛИКІВ НАЙПРОСТІШОГО ПОТОКУ КОМУТАЦІЙНОЮ СИСТЕМОЮ З ОЧІКУВАННЯМ
3.4 РОЗРАХУНОК ІМОВІРНОСТІ ОЧІКУВАННЯ
3.5 РОЗРАХУНОК КІЛЬКОСТІ ЛІНІЙ В НАПРЯМКУ
3.6 РОЗРАХУНОК СЕРЕДНЬОЇ ДОВЖИНИ ЧЕРГИ
3.7 РОЗРАХУНОК СЕРЕДНЬОГО ЧАСУ ОЧІКУВАННЯ ДЛЯ КОЖНОГО ОЧІКУЮЧОГО ВИКЛИКУ
3.8 РОЗРАХУНОК СЕРЕДНЬОГО ЧАСУ ОЧІКУВАННЯ ДЛЯ КОЖНОГО ПОСТУПИВШОГО ВИКЛИКУ
3.9 РОЗРАХУНОК УМОВНИХ ВТРАТ ПРИ ОБСЛУГОВУВАННІ НАЙПРОСТІШОГО ПОТОКУ
3.10 РОЗРАХУНОК КІЛЬКОСТІ ТОЧОК КОМУТАЦІЇ
РОЗРАХУНОК ОДНОЛАНКОВОЇ НЕПОВНОДОСТУПНОЇ КОМУТАЦІЙНОЇ СИСТЕМИ
4.1 РОЗРАХУНОК ЗА ДОПОМОГОЮ ЧЕТВЕРТОЇ ФОРМУЛИ ЕРЛАНГА
4.2 РОЗРАХУНОК ЗА ДОПОМОГОЮ ФОРМУЛИ О’ДЕЛЛА
4.3 РОЗРАХУНОК ЗА ДОПОМОГОЮ ФОРМУЛИ ПАЛЬМА-ЯКУБЕУСА
4.4 РОЗРАХУНОК КІЛЬКОСТІ ТОЧОК КОМУТАЦІЇ
РОЗРАХУНОК ДВОЛАНКОВИХ КОМУТАЦІЙНИХ СИСТЕМ
5.1 РОЗРАХУНОК ЗА ДОПОМОГОЮ МЕТОДУ ЕФЕКТИВНОЇ ДОСТУПНОСТІ
5.2 РОЗРАХУНОК ЗА ДОПОМОГОЮ ЕТОДУ ЯКУБЕУСА
5.3 РОЗРАХУНОК ЗА ДОПОМОГОЮ ІМОВІРНІСНИХ ГРАФІВ
5.4 РОЗРАХУНОК КІЛЬКОСТІ ТОЧОК КОМУТАЦІЇ
РОЗРАХУНОК БАГАТОЛАНКОВИХ КОМУТАЦІЙНИХ СИСТЕМ
6.1 РОЗРАХУНОК КІЛЬКОСТІ ЛІНІЙ В НАПРЯМКУ МЕТОДОМ КОБІНОВАНОГО БЛОКУВАННЯ
6.2 РОЗРАХУНОК КІЛЬКОСТІ ТОЧОК КОМУТАЦІЇ
СПИСОК ВИКОРИСТАНОЇ ЛІТЕРАТУРИ
2. ВИХІДНІ ДАНІ КУРСОВОЇ РОБОТИ
ВАРІАНТ №9
|
Навантаження в напрямку, Ерл |
116 |
|
Втрати в заданому напрямку, % |
1 |
|
Кількість точок комутації на один вхід, точок |
109 |
|
Середній час зайняття КС одним викликом, с |
180 |
|
Навантаження на одну з’єднювальну лінію, Ерл |
0.6 |
|
Загальна кількість входів комутаційної системи (Y/0.05) |
2320 |
3. РОЗРАХУНОК ОДНОЛАНКОВОЇ ПОВНОДОСТУПНОЇ КОМУТАЦІЙНОЇ СИСТЕМИ
Обслуговування викликів найпростішого потоку комутаційною системою з блокуванням
Комутаційна система з блокуванням – це така система, для якої виклик, що поступив під час зайняття всіх з’єднувальних шляхів, отримує відмову і більше на обслуговування не поступає.
При обслуговуванні з втратами викликів найпростішого потоку лініями повнодоступного пучка, які включені в виходи комутаційної системи без блокувань, ймовірності втрат по часу, викликах і навантаженню рівні мііж собою і рівні ймовірносі того, що пучок перебуває в стані V. Ця ймовірність визначається за першою формулою Ерланга:
(1)
де Ev(Y) – втрати повнодоступного пучка із V ліній, на який поступає навантаження Y від абонентів (найпростіший потік викликів).
При повнодоступному включенні будь-який вхід можна з’єднати з будь-яким виходом.
Найпростіший потік – це потік викликів, який одночасно володіє трьома властивостями:
- стаціонарність – незмінність процесу поступлення викликів в часі.
- Ординарність – практична неможливість групового поступлення викликів.
- Відсутність післядії - незалежність процесу поступлення викликів від попередніх подій.
Функція Ev(Y) табульована. Таблиці першої формули Ерланга побудовані так, що за числом ліній v і інтенсивністю навантаження Y, що поступає, можна знайти втрати Ev(Y). Ці таблиці дозволяють по двох будь-яких величинах v, Y чи Ev(Y) знайти третю.
Для заданого варіанту обчислюємо:
При v=134

,
де p=0.01
3.2 Розрахунок кількості точок комутації
Кількість точок комутації в напрямку в одноланковій повнодоступній схемі при обслуговуванні викликів найпростішого потоку комутаційною системою з втратами знаходимо за формулою:
Т1н = N * v. (2)
Кількість точок комутації в одноланковій повнодоступній схемі при обслуговуванні викликів найпростішого потоку комутаційною системою з втратами:
Т1 = N * M. (3)
З формули 2 визначаємо Т1н:
Т1н
= N * v=2320*134=3.109*10
З формули 3 визначаємо Т1:
Т1
= N * M=2320*2320=5.382*10
3.3 Розрахунок імовірності очікування
Комутаційна система з очікуванням – це система, для якої виклик, що надійшов на вхід комутаційної системи під час зайняття всіх з’єднувальних шляхів, ставиться на очікування і обслуговується по мірі звільнення з’єднувальних шляхів. Комутаційна система з очікуванням характеризується рядом параметрів, основна серед яких є імовірність очікування обслуговування і умовна імовірність. Імовірність очікування обслуговування – це імовірність того, що виклик, який поступив, не буде обслужений негайно, а буде очікувати початку обслуговування протягом часу γ більше
нуля. Ця імовірність визначається за другою формулою Ерланга, яка визначає імовірність очікування при обслуговуванні виклику пучком із v ліній, на який поступає найпростіший потік викликів з навантаженням Y Ерл:
(4)
де Ev(Y) – втрати повнодоступного пучка із v ліній, на який поступає навантаження Y від найпростішого потоку викликів (Визначається за першою формулою Ерланга).
Використовуючи формули 1 і 4 розраховуємо імовірність очікування:

3.4 Розрахунок кількості ліній в напрямку
Для розрахунку кількості ліній в напрямку використовується метод підбору. Шукаємо таку кількість ліній v, при якій для обслуговування навантаження Y (найпростіший потік викликів), що поступає на вхід КС, імовірність очікування буде рівна заданій якості обслуговування р. Таким чином можна буде порівняти економічність КС з втратами і КС з очікуванням при однаковій якості обслуговування. Для розрахунків використовується перша і друга формули Ерланга.
При v=143

,
де p=0,01
3.5 Розрахунок середньої довжини черги
Середня довжина черги вимірюється кількістю викликів за одиницю часу і може розглядатися як по відношенню до всіх викликів, що поступили, так і до викликів, що перебувають в черзі на очікування обслуговування. На практиці часто користуються відносною умовною одиницею часу:
(5)
де h – середній час обслуговування, с.
В загальному випадку середня довжина черги по відношенню до всіх викликів, що поступили, визначається як середній час очікування початку обслуговування виклику, віднесений до всіх викликів, що поступили, помножений на питоме навантаження, що поступає:
(6)
Залежно від того, по відношенню до яких викликів (тих, що перебувають в черзі, чи тих, що поступили) розглядається довжина черги і залежно від одиниці часу можливі різні модифікації даної формули. Довжина черги за одиницю часу по відношенню до всіх викликів, що поступили:
(7)
Довжина черги за одиницю часу по відношенню до всіх викликів, що перебувають в черзі:
(8)

0.432

3.6 Розрахунок середнього часу очікування для кожного очікуючого виклику
Середній час очікування є одним з основних параметрів, які характеризують КС з очікуванням і визначається за формулою:
(9)

3.7 Розрахунок середнього часу очікування для кожного поступившого виклику
Середній час очікування для кожного виклику, що поступає, відрізняється від середнього часу очікування для кожного виклику, що очікує, коефіцієнтом, який рівний імовірності очікування:
(10)


3.8 Розрахунок умовних втрат при обслуговуванні найпростішого потоку
Умовні втрати – це імовірність того, що час очікування γ буде більше допустимого часу очікування. При розрахунку умовних втрат приймається, що тривалість обслуговування викликів розподілена по експоненційному закону, а допустимий час очікування заданий в умовних одиницях і рівний 0.1.
В загальному випадку вираз для розрахунку умовних втрат при вищевказаних умовах має вигляд:
(11)
де β - інтенсивність обслуговування;
t*- допустимий час обслуговування, заданий в умовних одиницях часу.
Якщо за одиницю часу прийняти середня тривалість одного
зайняття, то β=1.
Тоді, умовні втрати для всіх викликів, що поступили:
(12)
Умовні втрати для всіх викликів, що очікують:
(13)
Знайти умовні втрати
для всіх поступивших і всіх очікуючих
викликів для допустимого відносного
часу очікування
та

Умовні втрати для всіх викликів, що поступили:
при


при


Умовні втрати для всіх викликів, що очікують:
при


при


3.9 Розрахунок кількості точок комутації
Кількість точок комутації в напрямку в одноланковій повнодоступній схемі при обслуговуванні викликів найпростішого потоку комутаційною системою з очікуванням знаходимо за формулою:
Т1н = N * v. (14)
Кількість точок комутації в одноланковій повнодоступній схемі при обслуговуванні викликів найпростішого потоку комутаційною системою з очікуванням:
Т1 = N * M. (15)
Т1н
= N * v=2320*143=3,318*10
4. РОЗРАХУНОК ОДНОЛАНКОВОЇ НЕПОВНОДОСТУПНОЇ КОМУТАЦІЙНОЇ СИСТЕМИ
4.1 Розрахунок за допомогою четвертої формули Ерланга
Неповнодоступна
комутаційна схема – це схема з таким
включенням виходів, при якому кожному
входу доступні не всі, а лише частина
виходів, хоча в сукупності всі входи
можуть використовувати всі виходи. Для
розрахунку одноланкової неповнодоступної
схеми можна використати спрощений метод
Ерланга. Якщо Y – питоме навантаження,
яке поступає на повнодоступний пучок
з’єднувальних ліній, v – число
з’єднувальних ліній, які обслуговують
це навантаження, D – доступність, р –
імовірність втрат, то при малій імовірності
втрат середня величина питомого
навантаження, обслужного однією
з’єднувальною лінією, буде приблизно
рівна Y/v. Імовірність зайняття конкретної
з’єднувальної лінії можна прийняти
рівною середній величині питомого
навантаження, обслуженого цією лінією.
Імовірність зайняття D ліній рівна p=
З цього співвідношення можна отримати
v :
(16)
z=1, бо система одноланкова
D=C1/z=C1=109

4.2 Розрахунок за допомогою формули О’Делла
Згідно цього методу навантаження, обслужене повнодоступним пучком з v з’єднувальних ліній при імовірності втрат р, визначається як сума навантажень, обслужених повнодоступним пучком, який складається з D ліній, і неповнодоступним пучком, який містить v-D з’єднувальних ліній. Максимальне навантаження на одну з’єднувальну лінію визначається виразом:
(17)
де
- навантаження, обслужене всіма D лініями
повнодоступного пучка при заданих
втратах р, Ерл.
Величина
визначається за першою формулою Ерланга
при заданих втратах р і кількості ліній
D=С1. При вищевказаних вихідних даних
навантаження YD можемо знайти за таблицями
першої формули Ерланга.
-навантаження,
обслужене всіма D=109 лініями повнодоступного
пучка при заданих втратах р.

4.3 Розрахунок за допомогою формули Пальма-Якобеуса
В даному методі припускається, що процес зайняття з’єднувальних ліній в неповнодоступному пучку можна описати за допомогою розподілу Ерланга, отриманого ним для зайняття будь-яких D ліній в повнодоступному пучку. Вважаючи, що імовірність втрат в неповнодоступному пучку рівна імовірності зайняття D ліній, отримуємо наступний вираз для імовірності зайняття D ліній:
(18)
Для розрахунку використовується метод підбору і перша формула Ерланга.
При v=136

4.4 Розрахунок кількості точок комутації
Кількість точок комутації в напрямку в одноланковій неповнодоступній схемі:
Т1н=Nv/D, (19)
Кількість точок комутації в одноланковій неповнодоступній схемі:
Т1=ND. (20)
Т1н=
Nv/D=2.575*10
(v
обчислине за четвертою формулою Ерланга)
Т1н=
Nv/D=2.852*10
(v обчислине за формулою О’Делла)
Т1н=
Nv/D=2.895*10
(v
обчислине за формулою Пальма-Якубеуса)
Т1=ND=2.529*10
5. РОЗРАХУНОК ДВОЛАНКОВИХ КОМУТАЦІЙНИХ СИСТЕМ
5.1 Розрахунок за допомогою методу ефективної доступності
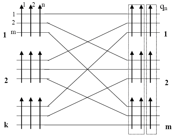
Особливістю дволанкових комутаційних систем є те, що в з’єднанні між одним входом і одним виходом схеми крім точок комутації беруть участь також з’єднувальні лінії.

Рис. 1. Дволанкова комутаційна схема.
Для даного комутаційного блоку k =m=n , де n - кількість входів, m - кількість виходів комутатора, k - кількість комутаторів в блоці. Кількість входів в блоці
.
Якщо
, то кількість блоків становить
,
де [] означає заокруглення до найближчого більшого цілого числа.
Метод ефективної доступності придатний як для повнодоступних, так і для неповнодоступних дволанкових схем. Він базується на понятті змінної доступності, яке можна зрозуміти з рис. 1. В режимі групового пошуку в виходи цієї схеми включаються з’єднувальні лінії декількоїх напрямків. Для підключення з’єднувальних ліній наступної ступені , які належать одному напрямку, в кожному комутаторі другої ланки в загальному випадку може відводитись q виходів. В даній схемі кожному входу доступний будь-який вихід потрібного напрямку тільки тоді, коли немає зайнятих з’єднувальних шляхів. В цьому випадку доступність буде максимальною (всі виходи доступні) і при q=1 буде рівна m. В загальному випадку максимальна доступність Dmax=mq.
Якщо зайнята одна проміжна лінія, то для всіх виходів в комутаторі, з якого вона виходить, вона буде втраченою, тому доступність виходів у вказаному напрямку зменшується на одиницю для випадку q=1 і на q в загальному випадку. Таким чином, мінімальна доступність визначається за формулою:
Dmin=[m-(n-1)]qн. (21)
Ефективна доступність визначається із співвідношення:
Dеф= Dmin + Θ (D - Dmin), (22)
де Θ - коефіцієнт, який залежить від режиму пошуку. Для режиму групового пошуку Θ=0.75;
D - середня доступність.
,
(23)
де Ym – питоме навантаження, обслужене m проміжними лініями, Ерл.
qн – коефіцієнт, який рівний кількості ліній одного комутатора останньої ланки, яка виділяється в напрямку.
Кількість входів(виходів) комутатора дорівнює:
n=m=C1/z, (24)
де z- кількість ланок.
Питоме навантаження , обслужене m проміжними лініями
Ym=bm=am Ерл
де а – навантаження на одну вхідну лінію;
b – навантаження на одну проміжну лінію;
при m=n втрати малі і можна прийняти, що a≈b.
Кількість ліній в напрямку знаходимо за формулою О’Делла:
(25)
Потрібно перевірити, чи достатньо вибраного qн. Кількість вихідних ліній в напрямку g*q*m . Якщо умова v≤g *q*m виконується, то qн достатньо. Якщо умова не виконується, потрібно збільшити qн.
(
,
бо система дволанкова)


g=


-
навантаження, обслужене всіма D
=51
лініями повнодоступного пучка при
заданих втратах р(з першої формули
Ерланга).

Умова
v≤g *q*m виконується, бо 136
1*3*55
5.2 Розрахунок за допомогою методу Якобеуса
Даний метод розрахунку двохланкових схем полягає в розв’язку системи рівнянь, запропонованої шведським вченим Якобеусом:

(26)
де Cmax – максимальне навантаження на одну лінію;
Ymqн – навантаження, яке обслуговується повнодоступним пучком з mqн ліній.
Навантаження Ymqн визначається за першою формулою Ерланга при заданих втратах р і кількості ліній mqн .
–
навантаження, яке
обслуговується повнодоступним пучком
з mqн=165 ліній(за першою формулою Ерланга).





5.3 Розрахунок методом імовірнісних графів
Даний метод базується на представленні комутаційної системи у вигляді графа, конфігурація якого в загальному випадку залежить не тільки від структури схеми, але й від режиму пошуку, в якому використовується схема. Перехід від комутаційної системи практично будь-якої складності до графу не представляє особливих складностей. Граф являє собою картину всіх можливих шляхів між заданим входом системи і заданим виходом.
Процедура методу імовірнісних графів полягає в тому, щоб записати функцію для імовірності втрат при встановленні з’єднань в графі, що розглядається, між його вхідними і вихідними полюсами, аргументами якої є імовірності зайняття окремих дуг графа.
Нехай р1 – втрати проміжної лінії,
р1≈b≈a;ї
р2=Y/v
– втрати на вихідну лінію.
Тоді:
(1-р1) – імовірність того, що проміжна лінія вільна;
– втрати пучка ліній;
(1-
– імовірність того, що пучок ліній
вільний;
1-(1-р1)(1-р2
)
– імовірність зайнятості шляху.

Рис. 2. Імовірнісний граф.
Використовуючи отримане співвідношення, можна визначити втрати комутаційної системи:
р=[1-(1-р1)(1-р2
(27)
p1=a=0.6
p2=0.87
р=[1-(1-р1)(1-р2
=3.046*10
5.4 Розрахунок кількості точок комутації
Кількість точок комутації в напрямку в двохланковій схемі:
Т2н=Nv/Dеф, (28)
Кількість точок комутації в двохланковій схемі:
Т2=gnmkz. (29)
Т2н=Nv/Dеф=2320*136/51=6.279*10
n=m=k=55
z=2
g=1
Т2=gnmkz=3.328*10
6. РОЗРАХУНОК БАГАТОЛАНКОВИХ КОМУТАЦІЙНИХ СИСТЕМ
Крім двохланкових комутаційних систем в комутаційній техніці широко використовуються багатоланкові схеми. Збільшення кількості ланок дозволяє зменшити імовірність внутрішнього блокування, оскільки збільшується кількість шляхів між заданими входом і потрібним виходом. При розробці багатоланкових схем з блокуванням нові схеми отримують по аналогії з вже відомими, використовуючи досвід і інтуїцію проектувальника. В цьому випадку проводиться оптимізація в межах певних методів з наступним вибором потрібної схеми. В якості критеріїв при виборі структури комутаційної системи виступають кількість точок комутації і якість обслуговування. В одному з таких методів використовується поняття максимальної середньої доступності, яка визначає якість обслуговування.
Враховуючи, що кількість точок комутації, які припадають на один вхід C1=mz, де z – кількість ланок, отримуємо вираз для визначення оптимальної кількості ланок для максимальної середньої доступності:
(30)
В такому випадку кількість входів (виходів) одного комутаційного пристрою буде:
(31)
Тоді кількість ланок, яка забезпечить потрібну кількість виходів z=logmN.
При
< z кількість ланок рівна z.

m=
З
формули 31 обчислюємо С1=
6.1 Розрахунок кількості ліній в напрямку методом комбінованого блокування
Через складність розрахунку схем з великою кількістю ланок, пов’язаною, в основному з складністю їх структури, до останнього часу, за виключенням методу імовірнісних графів не було навіть наближених інженерних методів аналізу багатоланкових схем. Використання поняття ефективної доступності і методів статистичного моделювання дозволило А. Лотце розробити наближені методи розрахунку багатоланкових схем в режимі групового пошуку (метод КЛІГС). Метод КЛІГС отримав скорочену назву від англійських слів, які означають “розрахунок багатоланкових схем групового пошуку”. Використовуючи поняття середньої доступності, даний метод дозволяє використати модифіковану формулу Пальма-Якобеуса для розрахунку втрат.
Модифікована формула для визначення середньої доступності має вигляд:
(32)
де
(33)
Для розрахунку кількості ліній в напрямку використовується метод підбору. Для обслуговування навантаження Yекв=Yн потрібно підібрати таку кількість ліній, щоб втрати становили не більше заданих р. Втрати розраховуються за модифікованою формулою Пальма-Якобеуса:
(34)
За
формулою 33 визначаємо k, де
,
N=M=2320

При
v
=135


6.2 Розрахунок кількості точок комутації
Кількість точок комутації в напрямку в багатоланковій схемі:
Tzн=Nv/
.
(35)
Кількість точок комутації в багатоланковій схемі:
Tz=
(36)
Tzн=Nv/
=2.632*10
Tz=
=4.575*10
7. СПИСОК ВИКОРИСТАНОЇ ЛІТЕРАТУРИ
Чернихівський Є.М. “Розрахунок комутаційних систем" Методичні вказівки до виконання курсової роботи з курсу “Основи комутації” для студентів базового напрямку“Телекомунікації” – Львів. –2005.
Лившиц Б.С. и др. Теория телетрафика. М. Связь. 1979.
Баркун М.А. Цифровые автоматические телефонные станции. Уч. пособие для ВУЗов. Мн. Высш. Шк. 1990.
Конспект лекції