Проектирование двухканального микропроцессорного таймера УТ 1–М
Введение
Системы автоматизации постепенно находятся в развитии и с каждым новым днем появляется, что более модернизированное и удобное в использовании для любого человека. При высоком уровне развития автоматизированных систем можно сделать любой процесс автоматизированным, то есть облегчить труд человека и в ходе этого стоит довериться современному оборудованию, которое может полностью контролировать и производить настройку без вмешательства человеческой руки. Но все устройства разработаны и основаны на микропроцессорной технике.
Микропроцессорная техника (МПТ) включает технические и программные средства, используемые для построения различных микропроцессорных систем, устройств и персональных микроЭВМ.
Микропроцессорная система (МПС) представляет собой функционально законченное изделие, состоящее из одного или нескольких устройств, главным образом микропроцессорных: микропроцессора и / или микроконтроллера.
Микропроцессорное устройство (МПУ) представляет собой функционально и конструктивно законченное изделие, состоящее из нескольких микросхем, в состав которых входит микропроцессор; оно предназначено для выполнения определенного набора функций: получение, обработка, передача, преобразование информации и управление.
Под микропроцессором (МП) будем понимать в дальнейшем программно-управляемое устройство, осуществляющее процесс цифровой обработки информации и управления им и построенное, как правило, на одной БИС.
Однако впоследствии расширение сферы использования МК повлекло за собой развитие их архитектуры за счет размещения на кристалле устройств (модулей), отражающих своими функциональными возможностями специфику решаемых задач.
1. Выбор оборудования автоматизации
Процесс подачи звонков в техникуме заключается в постоянном контроле работником учебной части за текущим временем и периодическом нажатии кнопки. При этом возможны значительные отклонения в формировании временных интервалов из-за различных факторов.
Данный процесс формирования временных интервалов хорошо поддается автоматизации стандартными средствами промышленной автоматики. Из возможных вариантов решения, можно рассматривать готовые решения для учебных заведений, программируемые логические контроллеры, таймеры реального времени.
Предпочтение необходимо отдать устройству с минимальной стоимостью, но отвечающее всем предъявляемым требованиям:
– формирование 20 временных интервалов;
– высокая точность хода часов реального времени;
– автоматическое отключение в выходные и праздничные дни;
– управление высоковольтной нагрузкой;
– простота управления устройством;
– энергонезависимая память программы формирования временных интервалов;
– индикация текущего состояния устройства.
От готового решения автоматизации процесса подачи звонков в учебном заведении пришлось отказаться из-за высокой стоимости, порядка 11500 рублей.
Интересные возможности имеют программируемые логические контроллеры:
– надежная среда программирования;
– большое количество встроенных интерфейсов;
– до 60 дискретных точек ввода;
– встроенные часы реального времени;
– встроенный аккумуляторный источник резервного питания.
Стоимость таких устройств колеблется от 6000 до 20000 рублей, но их функциональные возможности избыточны. Поэтому решено было выбрать программируемый таймер реального времени. Из предлагаемых решений было выбрано оборудование российской фирмы ОВЕН, как отвечающее всем требованиям решаемой задачи при самой низкой стоимости. Из линейки оборудования этого производителя был выбран прибор УТ1-М стоимостью порядка 2800 руб.
2 Описание таймера УТ1–М
2.1 Назначение таймера УТ1–М
Двухканальный микропроцессорный таймер УТ 1–М предназначен для автоматического включения для различных исполнительных устройств в запрограммированное календарное время суток. Для этого в состав таймера входят часы реального времени с резервным батарейным питанием.
Заложенная функция автоматической коррекции времени включения и выключения реле таймера по времени восхода или захода солнца позволяет также использовать таймер УТ 1–М для управления освещением, световой рекламой и для решения других задач, связанных с продолжительностью светового дня.
Программа составленная пользователем, хранится в энергонезависимой памяти, вмещающей до 70 команд включения – выключения для каждого канала. Конструктивно прибор выполнен в пластмассовом корпусе.
2.2 Технические характеристики и условия эксплуатации
Прибор потребляет напряжение 220 В 50 Гц. Потребляемая мощность не более 6 ВА.
Максимально допустимый ток нагрузки электромагнитных реле 8 А при 220 В.
Погрешность хода часов не более 5 мин/месяц.
Срок службы встроенной литиевой батареи (тип CR2032; 3 В; 220 мА).
Прибор предназначен для использования в следующих условиях:
– температура окружающего воздуха от +1 до +50 С;
– атмосферное давление от 86 до 106,7 кПа;
– относительная влажность от 30 до 80%.
2.3 Устройство и принцип работы
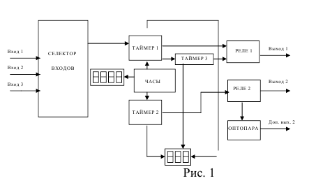
Функциональная электрическая схема таймера представлена на рисунке 1.

Рисунок 1 – Функциональная электрическая схема таймера УТ 1–М
Основу прибора составляют часы реального времени и два логических устройства (ЛУ), которые формируют заданные временные интервалы. Информация о совпадении заданного интервала с текущим временем поступает на силовое реле один или два, в зависимости от номера канала. Существует возможность управлять режимами работы ЛУ внешними сигналами подаваемыми на блок коммутатора на вход 1 или вход 2. Контролировать текущее состояние прибора и осуществлять его настройку можно через Четырехразрядный семисигментный индикатор.
УТ1-М представляет собой суточный циклический автомат, работающий по составленной пользователем программе. Каждая команда программы определяет временной интервал включенного состояния реле.
Общая программа может состоять из нескольких суточных программ, порядок выполнения которой задается функцией приоритета.
Низшим приоритетом обладает программа, составленная для ежедневного исполнения.
Следующий приоритет имеют программы, составленные для дня недели. Это означает что в конкретный день недели, указанный в командах этой программы, будет выполнена эта программа в место ежесуточной. В общей программе может быть не более 7 таких программ по числу дней недели.
Высшим приоритетом обладают программы, составленные для конкретной даты.
Это означает, что в заданный день года указанный в командах этой программы, будет выполнена эта программа в место ежесуточной или еженедельной.
Система приоритетов позволяет создавать компактные программы для всего года, используя ограниченную емкость памяти (70 команд для каждого канала).
В таймере имеется два логических входа, используемые совместно обоими каналами таймера, что позволяет поставить условие выполнения команды в зависимость от внешних событий.
К логическим входам в качестве датчиков могут быть подключены: механические контакты, кнопки, герконы, а также оптические, индуктивные или емкостные датчики, имеющие на выходе транзисторные ключи n-p-n – типа.
3. Описание электрических схем автоматики подачи звонков
3.1 Электрическая схема автоматики подачи звонков и отключения освещения главного корпуса
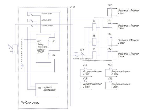
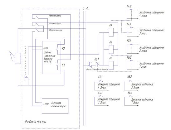
Электрическая схема автоматики представлена на рисунке 2
Рисунок 2 – Электрическая схема автоматики
Таймер расположен в учебной части, непосредственно около кнопки звонка. Питание на таймер заводится с блока охранной сигнализации. Все высоковольтные цепи автоматики защищены автоматами защиты от перегрузки, рассчитанными на ток до 3А: цепь питания таймера, цепь звонка, цепь управления освещением.
При включении таймера, он отсчитывает заданные временные интервалы и в заданное время включает внутреннее реле К1 на одну минуту, которое управляет формирователем длительности подачи звонка на реле К3. Контакты реле К3 подключены параллельно кнопке звонка. При этом остается возможность ручного управления звонком техникума, например на случай пожарной тревоги.
Второй канал таймера управляет освещением в коридорах техникума с помощью реле К2.
Контакты реле К2 управляют группой малогабаритных контакторов ККМ11–018–230–01. Схема построена так, что освещение в коридорах выключается, когда контакторы включаются. Это необходимо для того, что в случае сбоя в работе таймера или выхода из строя схемы управления, освещение в коридорах продолжало гореть.
При срабатывании реле К2 по программе его контакты замыкают цепь питания контакторов на 1 минуту. С помощью контакта К6.1 происходит блокировка цепи питания и после выключения реле таймера К2 цепь будет оставаться включенной, а основное освещение в коридорах окажется выключено группой контактов К4.1, К4.2, К5.1, К6.2. Группа контактов К4.3, К4.4, К5.2, К6.3 включает дежурное освещение в коридорах.
Включить освещение можно нажав кнопку включения освещения расположенную на первом этаже техникума у центрального входа или обесточив цепь питания контакторов автоматом защиты в учебной части.
Пользователь таймера имеет доступ к следующим процедурам, вызываемым из рабочего режима через код доступа:
Коды доступа к процедурам программирования
|
Процедура |
код |
|
1. Программирование канала 1 2. Программирование канала 2 3. Установка часов 4. Внесение широты местности 5. Внесение опорной даты |
0007 0008 1113 1111 1112 |
Рисунок 2 – Электрическая схема автоматики
Кнопка
циклически слева – направо перемещает
изменяемое знакоместо (разряд). Изменяемое
знакоместо выделяется миганием (курсор).
Кнопка
циклически меняет содержимое выделенного
знакоместа.
Кнопка «ПРОГ» – вход-выход в процедуру программирования и перемещение строк программы. Светодиоды индицируют вид вводимых величин и определяют программируемый канал.
Для
входа в выбранную программу нажмите и
удерживайте кнопку «ПРОГ» до появления
на табло
.
Затем кнопками
и
введите соответствующий код доступа.

Рисунок 3 – Назначение разрядов первого слова команды

Рисунок 4 – Назначение разрядов второго слова команды
Программа для канала К1 «Управление звонком» код доступа 0007
|
Текущая пара |
Время включения |
Время выключения |
Номер записи команды |
|
1 |
8.00 |
8.01 |
U.00.1 |
|
8.45 |
8.46 |
U.01.1 |
|
|
8.50 |
8.51 |
U.02.1 |
|
|
9.30 |
9.31 |
U.03.1 |
|
|
2 |
9.40 |
9.41 |
U.04.1 |
|
10.25 |
10.26 |
U.05.1 |
|
|
10.30 |
10.31 |
U.06.1 |
|
|
11.10 |
11.11 |
U.07.1 |
|
|
3 |
11.50 |
11.51 |
U.08.1 |
|
12.35 |
12.36 |
U.09.1 |
|
|
12.40 |
12.41 |
U.10.1 |
|
|
13.20 |
13.21 |
U.11.1 |
|
|
4 |
13.30 |
13.31 |
U.12.1 |
|
14.15 |
14.16 |
U.13.1 |
|
|
14.20 |
14.21 |
U.14.1 |
|
|
15.00 |
15.01 |
U.15.1 |
|
|
5 |
15.10 |
15.11 |
U.16.1 |
|
15.55 |
15.56 |
U.17.1 |
|
|
16.00 |
16.01 |
U.18.1 |
|
|
16.30 |
16.31 |
U.19.1 |
|
|
Суббота |
16.32 |
16.32 |
U.20.2 |
|
Воскресенье |
16.32 |
16.32 |
U.21.2 |
4. Программирование таймера УТ1-М
4.1 Процедура программирования
Для входа в режим «ПРОГРАММИРОВАНИЕ» необходимо нажать и удерживать кнопку «ПРОГ» до появления на цифровом индикаторе надписи SEt. В результате прибор будет находиться в режиме программирования. Переход к следующей группе параметров происходит при нажатии на кнопку «Вверх». Для выхода из режима программирования в меню групп параметров нужно выбрать параметр Out и нажать на кнопку «ПРОГ». Быстрый переход к параметру Out в режиме программирования выполняется при нажатии на кнопку «Т».
Установка даты и времени. Перевести прибор в режим программирования, при этом на цифровом индикаторе отображается название группы параметров SЕt, нажать на кнопку «ПРОГ». На цифровом индикаторе отобразится предложение набрать код доступа к параметрам группы «___0». Нажать на кнопку «ПРОГ». На цифровом индикаторе отобразится название параметра dAt. Для просмотра или изменения его значения нажмите на кнопку «ПРОГ». На цифровом индикаторе отобразится дата в формате «число, месяц». Два левых разряда индикатора будут мигать, предлагая установить текущее число, от 01 до 31. Используя кнопки «Вверх» и «Вниз» установите текущее число. Нажмите на кнопку «Т», после чего замигают два правых разряда индикатора.
Используя кнопки «Вверх» и «Вниз» установите текущий месяц, от 01 до 12. Для возврата в меню параметров группы SЕt нажмите на кнопку «ПРОГ». На цифровом индикаторе вновь высветится dAt.
Следующим устанавливается параметр – день недели и год. Для этого нажмите на кнопку «Вверх». На цифровом индикаторе высветится YEA. Нажмите на кнопку «ПРОГ». Левый разряд индикатора будет мигать, предлагая установить порядковый номер дня недели. Используя кнопки «Вверх» и «Вниз» установите его значение от 01 до 07. Нажмите на кнопку «Т», после чего замигают два правых разряда индикатора, предлагая установить значение текущего года. Используя кнопки «Вверх» и «Вниз» установите две последние цифры года (от 01 до 99). Закончив операции, нажмите на кнопку «ПРОГ», в результате чего на цифровом индикаторе высветится имя задаваемого параметра YEA.
Затем устанавливается реальное время. Для этого нажмите на кнопку «Вверх», что бы выбрать следующий параметр. На цифровом индикаторе высветится CLc. Нажмите на кнопку «ПРОГ», что бы перейти к установке значения текущего времени. Два левых разряда индикатора будут мигать, предлагая установить часы. Используя кнопки «Вверх» и «Вниз» установите значение часов, после чего нажмите на кнопку «Т». На цифровом индикаторе замигают два правых разряда, предлагая установить минуты. Используя кнопки «Вверх» и «Вниз» установите значение минут и нажмите на кнопку «ПРОГ». На цифровом индикаторе высветится имя задаваемого параметра CLc.
Следующим в этой группе устанавливается значение параметра Corr. Выбирается имя параметра кнопкой «Вверх», а переход к установке его значения кнопкой «ПРОГ». Значение on – разрешает автоматический переход на зимнее время и обратно. А значение OFF – его запрещает. Установка значений выполняется кнопками «Вверх» и «Вниз».
Для возврата в меню групп параметров кнопкой «Вверх» или «Т» выберите параметр out и нажмите на кнопку «ПРОГ». На цифровом индикаторе Высветится название группы параметров Set.
В результате выполненных действий в приборе будут заданы: дата, день недели и год, а так же время. Выполните конфигурацию прибора. Она задается в группе параметров OPEr.
Для этого в меню групп параметров кнопкой «Вверх» выберите этот параметр, после чего нажмите на кнопку «ПРОГ». На цифровом индикаторе появится InP – название первого параметра в группе. Нажмите на кнопку «ПРОГ», после чего установите кнопками «Вверх» и «Вниз» его значение. По окончании установки нажмите на кнопку «ПРОГ» для возврата в меню группы параметров.
Выполните те же действия для установки параметров dAY, Out1, Out2, For1…For3, Strt, StP1, StP2, CYCL и Ind. После установки последнего параметра и возврата в меню группы нажмите на кнопку «Т», после чего на цифровом индикаторе высветится out.
Нажмите на кнопку «ПРОГ» для возврата в меню групп параметров.
В результате этих действий будет выполнена конфигурация прибора.
Задание суточной программы работы прибора выполняется в группе параметров t1.t2. Для этого в меню групп параметров кнопкой «Вверх» выберите эту группу и нажмите на кнопку «ПРОГ». Задаваемые параметры зависят от выбранного режима логики работы выходных устройств К1 и К2 определенными в параметрах Out1 и Out2 соответственно.
На цифровом индикаторе отобразится название первой установки On.01 или t1.on (в зависимости от значения установленного в параметре Out1 и Out2). Для установки значения параметра нажмите на кнопку «ПРОГ», после чего на цифровом индикаторе высветится значение установки, либо «OFF», что значит – уставка не используется. Если необходимо задать значение установки, то при индикации «OFF» нужно нажать на кнопку «Т», чтобы перейти к установке ее значения. На цифровом индикаторе отобразится ранее заданное значение или «00.00», два левых разряда будут мигать. Кнопками «Вверх» и «Вниз» установите часы, а затем нажав на кнопку «Т», после чего замигают два правых разряда кнопками «Вверх» и «Вниз» установить минуты. Вернуться в меню группы, нажав кнопку «ПРОГ».
В результате этих действий будут заданы временные метки, по которым должно работать выходные устройства К1 и К2.
Задание значений времени для таймеров Т1, Т2 и Т3 выполняется в группе параметров Int. Для этого в меню групп параметров кнопкой «Вверх» выберите эту группу и нажмите на кнопку «ПРОГ». На цифровом индикаторе отобразится Int1 – название параметра, в котором задается время работы первого таймера. Нажмите на кнопку «ПРОГ» для установки значения. Кнопками «Вверх» и «Вниз» установите его значение. Нажмите на кнопку «ПРОГ» для возврата прибора в меню группы. Кнопкой «Вверх» выберите параметр Int2 и выполните для установки действия, подобно тем, что были выполнены для параметра Int1. Для задания значения параметра Int3 нужно выполнить те же действия, что и для предыдущих параметров. Вернувшись в меню группы, выберите параметр out и нажмите на кнопку «ПРОГ».
В результате этих действий будет выполнено программирование работы таймеров.
При некоторых конфигурациях работы прибора параметры Int2 и Int3 могут быть недоступны, т.к. они не используются.
Задание дат, в которые выполнение суточной программы должно быть заблокировано (например, праздничные дни) осуществляется в группе параметров dt.nn.
Для ввода таких дат кнопкой «Верх» в меню групп выберите эту группу и нажмите на кнопку «ПРОГ». На цифровом индикаторе отобразится название первой установки dt.01.
Нажмите на кнопку «ПРОГ», после чего на цифровом индикаторе высветится значение установки, либо «OFF», что значит – установка не используется. Если необходимо задать значение установки, то при индикации «OFF» нужно нажать на кнопку «Т», чтобы перейти к установке ее значения. На цифровом индикаторе отобразится «00.00» или ранее установленное значение. Два левых разряда будут мигать. Кнопками «Вверх» и «Вниз» установите число, а затем нажав на кнопку «Т», после чего замигают два правых разряда кнопками «Вверх» и «Вниз» установите месяц. Вернуться в меню группы, нажав кнопку «ПРОГ». При необходимости задать еще одну дату выбрать следующий по порядку параметр и установить его значение. Таких дат может быть задано до 99. По окончании их ввода вернуться в меню групп, для чего выбрать кнопкой «Т» параметр out и нажать на кнопку «ПРОГ».
В результате этих действий даты блокировки выполнения суточной программы на установленные даты будут сохранены в энергонезависимой памяти прибора. 6.1.6 При наличии в приборе интерфейса связи RS485 необходимо задать адрес прибора в сети и скорость обмена. Для этого в меню групп кнопкой «Вверх» выбрать группу rS и нажать на кнопку «ПРОГ». На цифровом индикаторе отобразится параметр ALEn – размерность адреса 8 или 11 бит. Нажать на кнопку «ПРОГ» и кнопками «Вверх» и «Вниз» установить его значение. Вернуться в группу параметров, нажав на кнопку «ПРОГ». Установить скорость обмена, для чего кнопкой «Вверх» в меню группы выбрать параметр SPD и нажать на кнопку «ПРОГ». Кнопками «Вверх» и «Вниз» выбрать нужную скорость обмена, после чего нажать на кнопку «ПРОГ», для возврата в меню групп. Следующий параметр в группе отвечает за формат передачи данных For.
Нажав на кнопку «Вверх» выбрать название этого параметра и нажать на кнопку «ПРОГ». Используя кнопки «Вверх» и «Вниз» установить формат обмена данными, после чего вернуться в меню названий параметров, нажав на кнопку «ПРОГ». В результате этих действий интерфейс связи будет настроен для работы в сети. Для возврата в рабочий режим из режима программирования, в меню групп параметров кнопкой «Вверх» нужно выбрать параметр out и нажать на кнопку «ПРОГ». В результате на четырехразрядном цифровом индикаторе отобразиться текущее время.
4.2 Программа управления звонком корпуса №2
Таблица 5.2 – Программа для канала К2 «Управление звонком» меню «t1t2»
|
Текущая пара |
Время включения |
Номер записи команды |
|
1 |
8.00 |
On.01 |
|
8.45 |
On.2 |
|
|
8.50 |
On.3 |
|
|
9.30 |
On.4 |
|
|
2 |
9.40 |
On.5 |
|
10.25 |
On.6 |
|
|
10.30 |
On.7 |
|
|
11.10 |
On.8 |
|
|
3 |
11.50 |
On.9 |
|
12.35 |
On.10 |
|
|
12.40 |
On.11 |
|
|
13.20 |
On.12 |
|
|
4 |
13.30 |
On.13 |
|
14.15 |
On.14 |
|
|
14.20 |
On.15 |
|
|
15.00 |
On.16 |
|
|
5 |
15.10 |
On.17 |
|
15.55 |
On.18 |
|
|
16.00 |
On.19 |
|
|
16.30 |
On.20 |
|
|
Суббота |
16.32 |
On.21 |
|
Воскресенье |
16.32 |
On.22 |
Время срабатывания реле К2 выставлено в меню «int2» равным 2 с.
5. Экономика и организация производства
5.1 Расчет себестоимости модернизации разработанной системы
Расчет материальных затрат
Для модернизации и установки разработанной системы необходимы материальные затраты, которые должны быть: экологически безопасны, изготовлены с применением современных технологий, качество должно удовлетворять мировым стандартам.
Расшифровка материальных затрат
|
Наименование материала |
Количество, м. |
Количество, шт. |
Цена, руб. |
Сумма, руб. |
|
Таймер реального времени УТ1-V |
1 |
1800 |
2850 |
|
|
Кабель канал |
12 |
15 |
180 |
|
|
Дюбель гвоздь |
40 |
0,80 |
32 |
|
|
Гофра труба |
6 |
5 |
30 |
|
|
ИТОГО: |
3092 |
Расшифровка энергетических затрат
|
Наименование работ |
Применяемое оборудование |
Продолжительность работы оборудования |
Потребляемая мощность, кВт/час |
Цена электричества, кВт/час |
Энергетические затраты, руб. |
|
Сверлильные работы |
Электродрель |
8 часов |
0,3 |
2,20 |
5,28 |
|
ИТОГО: |
5,28 |
Расшифровка расчета трудовых затрат
|
Наименование трудозатрат |
Время на операцию, час |
Тарифная ставка, руб. |
Сумма зарплаты, руб. |
|
Сверление отверстий |
8 |
50,00 |
400,00 |
|
Расчет параметров |
1 |
50,00 |
50,00 |
|
Монтаж радиокомпонентов |
8 |
30,00 |
240,00 |
|
Итого: |
690,00 |
Смета затрат на модернизацию данной системы
|
Наименование |
Сумма, руб. |
|
Материальные затраты |
3092 |
|
Энергетические затраты |
5,28 |
|
Трудовые затраты |
690 |
|
ИТОГО: |
3787,28 |
Вывод: Данная система, по времени автоматически подает звонки в техникуме и почти не требует человеческого внимания, способствуя облегчению трудовой деятельности сотрудника техникума.
Кроме того внедрение данной системы позволяет сэкономить средства техникума по совершенствованию технического оснащения в сумме: 3787,28 рублей.
6. Техника безопасности при электромонтажных и пусконаладочных работах
Несоблюдение техники безопасности при выполнении электромонтажных работ зачастую приводит к печальным последствиям. Незнание правил техники безопасности молниеносно сказывается на здоровье электромонтажника.
Прежде всего, перед выполнением электромонтажа, электрик обязан осмотреть инструмент, с помощью которого он будет проводить электромонтажные работы, проверить электрические удлинители, которые будут использоваться в работе. Электрик обязан убедиться, что розетки, в которые будет включаться электроинструмент, исправны, не имеют видимых повреждений, электрическое питание на розетки подаётся через аппараты защиты. Перед выполнением электромонтажных работ, электромонтажник обязан осмотреть своё рабочее место, на полу не должно валятся посторонних предметов, которые могут привести к падению. Во время работы с электрическим инструментом, перед включением в электросеть, электрик обязан ознакомиться с инструкцией пользования этим электрическим оборудованием.
При выполнении электромонтажных работ в электрощитовых, электрик обязан использовать в работе защитные диэлектрические перчатки, резиновые коврики, исправный протестированный инструмент. До начала всех работ требуется снять напряжение с электропотребителей, качественно заземлить электрооборудование, чтобы избежать прикосновения к токоведущим частям электрооборудования. Все электромонтажные работы должны осуществляться квалифицированным персоналом, прошедшим инструктаж по технике безопасности.
Настоящая отраслевая типовая инструкция разработана с учетом требований законодательных и иных нормативных правовых актов, содержащих государственные требования охраны труда, указанных в разделе 2 настоящего документа, межотраслевых правил по охране труда (правила безопасности) при эксплуатации электроустановок, и предназначена для электомонтажников при выполнении ими работ согласно их профессии и квалификации.
Общие требования безопасности
Электромонтажники, прошедшие соответствующую подготовку, имеющие профессиональные навыки и не имеющие противопоказаний по возрасту по выполняемой работе, перед допуском к самостоятельной работе должны пройти:
– обязательные предварительные (при поступлении на работу) и периодические (в течении трудовой деятельности) медицинские осмотры (обследования) для признания годными к выполнению работ в порядке, установленном Минздравом России;
– обучение безопасным методам и приемам выполнения работ, инструктаж по охране труда, стажировку на рабочем месте и проверку знаний требований охраны труда.
Электромонтажники обязаны соблюдать требования безопасности труда для обеспечения защиты от воздействия опасных и вредных производственных факторов, связанных с характером работы:
– повышенное напряжение в электрической цепи, замыкание которой может пройти через тело человека;
– расположение рабочего места вблизи перепада по высоте 1,3 м и более;
– острые кромки, заусенцы и шероховатости на поверхности заготовок;
– повышенное содержание в воздухе рабочей зоны пыли, а также вредных и пожароопасных веществ;
– движущиеся машины, механизмы и их части.
Для защиты от общих производственных загрязнений и механических воздействий электромонтажники обязаны использовать предоставляемыми работодателями бесплатно комбинезон хлопчатобумажный, рукавицы комбинированные, костюмы на утепляющей прокладке и валенки для зимнего периода.
При нахождении на территории стройплощадки электромонтажники должны носить защитные каски. Кроме того, при работе на высоте или в колодцах использовать предохранительный пояс, а при сверлении или пробивке отверстий использовать защитные очки.
Находясь на территории строительной (производственной) площадки, в производственных и бытовых помещениях, участках работ и рабочих местах электромонтажники обязаны выполнять правила внутреннего распорядка, принятые в данной организации.
Допуск посторонних лиц, а также работников в нетрезвом состоянии на указанные места запрещается.
В процессе повседневной деятельности электромонтажники должны:
– применять в процессе работы инструмент и оснастку по назначению, в соответствии с инструкциями заводов-изготовителей;
– поддерживать инструмент и оснастку в технически исправном состоянии, не допуская работу с неисправностями, при которых эксплуатации запрещена;
– быть внимательными во время работы и не допускать нарушений требований безопасности труда.
Электромонтажники обязаны немедленно извещать своего непосредственного или вышестоящего руководителя работ о любой ситуации, угрожающей жизни и здоровью людей, о каждом несчастном случае, происшедшем на производстве, или об ухудшении состояния своего здоровья, в том числе о появлении острого профессионального заболевания (отравления).
Требования безопасности перед началом работы
Перед началом работы электромонтажник обязан:
– предъявить руководителю работ удостоверение о проверке знаний безопасных методов работ, получить задание и пройти инструктаж на рабочем месте по специфике выполняемых работ;
– надеть спецодежду и спецобувь установленного образца;
– при выполнении работ повышенной опасности ознакомиться с мероприятиями, обеспечивающими безопасное производство работ, и расписаться в наряде-допуске, выданном на поручаемую работу.
После получения задания электромонтажники обязаны:
– проверить рабочее место, проходы к нему и ограждения на соответствие требованиям безопасности, при необходимости выполнить мероприятия, указанные в наряде-допуске. Удалить посторонние предметы и материалы;
– проверить исправность оборудования, приспособлений и инструмента, а также достаточность освещенности рабочих мест;
– подобрать, предварительно проверив исправность и сроки последних испытаний, средства защиты и приспособления, применяемые для работы: диэлектрические и измерительные штанги (клещи), указатели напряжения, инструмент с изолированными ручками, диэлектрические перчатки, боты, галоши и коврики; подмости, лестницы, предохранительные пояса и др.;
– проверить исправность редукторов и манометров баллонов с газами, герметичность бутылей с электролитом, кислотой, щелочью, целостность упаковки пиротехнических, термитных патронов и спичек, эпоксидных и полиуретановых компаундов, отвердителей и т.д.
Электромонтажники не должны приступать к работе при следующих нарушениях требований безопасности:
– загазованности помещений, где предстоит работать;
– отсутствии или неисправности приточно-вытяжной вентиляции, отсутствии специальных растворов для нейтрализации разлитого электролита, кислоты или щелочи при работах в аккумуляторной;
– отсутствии или неисправности лесов, настилов, подмостей или других средств подмащивания, наличии неогражденных проемов и перепадов по высоте в зоне производства работ;
– неисправности средств защиты от падения при работе на высоте (предохранительные пояса, страховочные канаты и т.д.);
– несвоевременном прохождении очередных испытаний (технического осмотра) средств подмащивания, лестниц, индивидуальных (коллективных) средств защиты;
– отсутствии видимых разрывов электрических цепей, по которым может быть подано напряжение на место работ, и защитного заземлением отключенной части электроустановки;
– отсутствии или истечении срока действия наряда-допуска при работе в действующих электроустановках;
Требования безопасности во время работы
При электромонтажных работах должны выполняться следующие общие требования безопасности:
– не допускается выполнение работы вне помещений на высоте, а также при применении электрооборудования, измерительных приборов во время тумана, дождя, грозы, гололеда и при ветре силой 12 м/с и более;
– сверление и пробивку отверстий в кирпиче и бетоне, протяжку стального провода в трубы необходимо производить с использованием защитных очков с небьющимися стеклами. При пробивке отверстий ручным инструментом (шлямбуром, оправкой и т.п.) необходимо проверить, чтобы длина его рабочей части превышала толщину стены не менее, чем на 200 мм;
– при затягивании провода (кабеля) в трубу (канал) руки работающего должны быть на расстоянии не менее 1 м от торца трубы (канала);
– при измерении сопротивления изоляции жил проводов и кабелей мегаомметром (выполняется персоналом с квалификационной группой по электробезопасности не ниже III) концы проводов (кабелей) с противоположной стороны должны быть ограждены или находиться под контролем специально выделенного для этих целей дежурного, аттестованного по правилам электробезопасности;
– электромонтажному персоналу запрещается производить какие-либо работы, относящиеся к эксплуатации электроустановок на строительной площадке;
– при применении грузоподъемных кранов к строповке материалов, изделий и конструкций допускаются электромонтажники, имеющие удостоверения стропальщика (такелажника).
При работе на высоте электромонтажники должны выполнять следующие требования безопасности:
– применять инвентарные средства подмащивания, прошедшие испытания в установленные сроки;
– при работе на высоте более 1,3 м рабочие места должны иметь защитные ограждения высотой 1,1 м, а при их отсутствии необходимо применять предохранительный пояс;
– подавать предметы работающему на высоте следует с помощью веревки. Во избежание раскачивания предмет необходимо придерживать оттяжкой;
– запрещается работать на монтируемых конструкциях, шинопроводах, лотках, ходить по ним, а также перелезать через ограждения;
– ограждать места установки приставных лестниц на участках движения транспорта или людей;
– запрещается применять в качестве средств подмащивания ящики, бочки или другие случайные предметы;
– при выполнении верхолазных работ следует выполнять требования, изложенные в ТИ РО-055.
При работе в колодцах, коллекторах и других подземных сооружениях следует выполнять следующие требования безопасности:
– для освещения рабочих мест в колодцах и туннелях следует применять светильники напряжением 12 В или аккумуляторные фонари, а для работы – электрический инструмент напряжением не выше 50 В, соответствующий по исполнению категориям помещений по электро-, пожаро- и взрывоопасности;
– при открывании колодцев необходимо применять искробезопасный инструмент, а также избегать ударов крышки о горловину люка. Во избежание повреждения рук или ног снимать крышки с колодцев необходимо с помощью захватов;
– при работе в колодцах двое рабочих должны находиться вне колодца, страховать непосредственных исполнителей работы с помощью страховочных канатов, прикрепленных к лямочным предохранительным поясам работающих в колодце. У открытого люка колодца следует установить предупреждающий знак или сделать ограждение;
– во время работы в коллекторах и туннелях электромонтажники должны иметь возможность выхода с двух сторон;
– в подземных сооружениях к месту работы необходимо следовать по установленным маршрутам, не прикасаясь к кабелям, проводам, корпусам электрооборудования.
При работе на действующих предприятиях следует выполнять следующие требования безопасности:
– электромонтажники обязаны соблюдать правила внутреннего распорядка и требования безопасности действующего предприятия;
– руководствоваться требованиями наряда-допуска, выданного на выполняемую работу;
– при производстве работ запрещается использовать для закрепления технологической и монтажной оснастки действующие трубопроводы и оборудование, а также технологические конструкции.
В действующих электроустановках работать следует по наряду-допуску, соблюдая следующие требования безопасности:
– перед началом работ предъявить допускающему удостоверение по технике безопасности на право производства работ в действующих электроустановках с указанием квалификационной группы по электробезопасности;
– получить инструктаж от допускающего, в котором четко определены границы рабочего места, виды предстоящих работ, меры безопасности и указано электрооборудование, оставшееся под напряжением;
– работы следует выполнять в пределах рабочего места, предусмотренного нарядом-допуском;
– выполнять работы следует под надзором производителя работ (наблюдающего);
– электромонтажные работы выполнять при снятом напряжении со всех токоведущих частей, находящихся в зоне производства работ, с обеспечением видимых разрывов электрической цепи и заземлении (занулении) отсоединенных токоведущих частей. Зону, выделенную для производства работ, необходимо оградить. Схема ограждения должна исключать случайное проникновение электромонтажников за пределы выделенной зоны;
– электромонтажные работы, выполняемые в охранной зоне действующей ВЛ, производить под непосредственным руководством ответственного за безопасное производство работ, при наличии наряда-допуска на указанную работу, разработанного с учетом интересов и требований эксплуатирующей и монтажной организаций, а при работе с применением грузоподъемных механизмов – и владельца указанного механизма. Аналогичные требования безопасности следует соблюдать при монтаже ВЛ в зоне действия наведенного напряжения, когда его величина более 42 В. При этом наложение защитного заземления на провода монтируемой линии следует выполнять непосредственно в местах производства работ;
– раскатываемый провод следует заземлять в месте присоединения его к тяговому механизму. Заземление его на барабане или в каком-либо другом месте запрещается. С точки зрения безопасности раскатываемый провод следует приравнивать к проводам, находящимся под напряжением, и не допускать прикосновения к нему без защитных средств.
При работе с электрифицированным инструментом запрещается:
– допуск к работе лиц, имеющих квалификационную группу по электробезопасности ниже второй;
– передавать его для работы (хотя бы и на непродолжительное время) неаттестованным лицам;
– выполнение работ с приставных лестниц;
– оставлять электроинструмент без надзора и включенным в электрическую сеть.
При монтаже воздушной линии электропередачи (ЛЭП) и контактных сетей городского транспорта необходимо выполнять следующие требования безопасности:
– снимать расчалки и тросы с установленной опоры следует только после ее закрепления;
– при работе на опоре пользоваться предохранительным поясом и опираться на оба лаза (когтя) в случае их применения;
– при выходе из корзины подъемного механизма на собранную и закрепленную опору необходимо надежно закрепиться предохранительным поясом за траверсу или опору;
– перед уходом с места работы, поднятые наверх конструкции, следует надежно закрепить;
– приступать к монтажу проводов допускается только после закрепления опор и достижения бетоном фундамента расчетной прочности;
– раскатывать провода и тросы следует в брезентовых рукавицах. При ручной раскатке необходимо применять брезентовые наплечники;
– раскатка проводов с автомашины должна производиться при скорости движения не более 10 км/ч;
– сматывать с барабана последние 6–12 витков провода следует вручную во избежание удара проводом, причем раскатываемый провод должен быть закреплен к ближайшей опоре;
– при монтаже и демонтаже воздушных ЛЭП необходимо заземлять участки смонтированной линии, при этом расстояние между заземлителями должно быть не более 3 км;
– приступать к монтажу контактных сетей разрешается после готовности трамвайных путей и автомобильных дорог для передвижения транспорта и механизмов. Место работы по согласованию с Госавтоинспекцией необходимо ограждать и выставлять соответствующие знаки;
– запрещается перестановка поперечно-несущих тросов и поддерживающих устройств (консолей, кронштейнов, фиксаторов и т.д.) с подвешенным контактным проводом;
– следует надежно заземлить после подвески троса и контактного провода каждую секцию. Снимать заземление допускается только после окончания всех монтажных работ, перед непосредственной подачей напряжения на линию.
При монтаже проводов запрещается:
– подниматься на анкерную опору или находиться на ней со стороны проводов;
– подниматься на угловые опоры и работать со стороны внутреннего угла;
– устанавливать гидроподъемники и телескопические вышки внутри угла поворота ЛЭП;
– находиться под проводами во время их монтажа;
– поправлять на барабане витки провода во время его раскатки;
– находиться с внутренней стороны натяжения для освобождения рабочего, зацепившегося при натяжении провода.
При монтаже аккумуляторных батарей необходимо соблюдать следующие требования безопасности;
– выполнять монтаж аккумуляторных батарей двум электромонтажникам, имеющим квалификационную группу по электробезопасности не ниже III;
– выполнять работы с кислотами и щелочами в специальном защитном костюме (грубошерстном при работах с кислотами и хлопчатобумажном – с щелочами), в резиновых сапогах (под брюки) или галошах с надетым резиновым фартуком, в защитных очках и технических резиновых перчатках;
– в помещениях для хранения кислот или щелочей выполнение каких-либо других работ, кроме разведения электролита, запрещается;
– в помещениях, где находятся свинцовые электроды, кислоты или щелочи, хранение и прием пищи, а также установка баков с питьевой водой запрещаются;
– кислотный электролит следует приготовлять в освинцованных или стальных гуммированных емкостях. Использовать для разведения электролита стеклянные или эмалированные сосуды запрещается;
– при приготовлении кислотного электролита кислоту следует вливать в воду тонкой ровной струей, одновременно перемешивая электролит мешалкой из кислотоупорного материала (воду вливать в кислоту не допускается);
– для приготовления щелочного электролита следует наливать в емкость дистиллированную воду и доливать в нее при тщательном перемешивании щелочь небольшими порциями;
– места, залитые кислотой или электролитом, необходимо нейтрализовать (для нейтрализации кислоты, попавшей на тело или одежду, следует применять 5%-ный раствор пищевой соды или известковое молоко, для промывания глаз и полости рта – 2–4%-ный раствор соды; для нейтрализации щелочи, попавшей на тело, – 10%-ный раствор борной кислоты или уксусной эссенции);
– измерять напряжение и плотность электролита следует и диэлектрических перчатках и респираторе, стоя на изолирующем резиновом коврике;
– за 30 мин до начала заряда батарей в аккумуляторном помещении необходимо включить приточно-вытяжную вентиляцию, выключить ее можно не ранее, чем через полтора часа после окончания заряда;
– пайка (сварка) электродов в аккумуляторном помещении допускается не ранее, чем через два часа после окончания заряда аккумуляторной батареи. Место пайки должно быть ограждено от остальной батареи огнестойкими щитами. При пайке и рихтовке электродов, а также зачистке хвостовиков электродов щеткой приточно-вытяжная вентиляция должна работать непрерывно. Эти работы следует выполнять в технических резиновых перчатках, защитных очках и респираторе.
При монтаже кабельных линий необходимо выполнять следующие требования безопасности:
– перед перемещением барабана с кабелем принять меры, исключающие захват одежды рабочих. Для этого необходимо удалить с барабана торчащие гвозди, а концы кабеля надежно закрепить;
– для размотки кабеля барабан установить на домкраты соответствующей грузоподъемности или специальные тележки и поднять на 0,15–0,2 м от поверхности;
– на трассах прокладки кабелей, имеющих повороты, запрещается размещаться внутри углов поворота кабеля, поддерживать кабель на углах поворота, а также оттягивать его вручную. На прямолинейных участках трассы электромонтажникам следует находиться по одной стороне кабеля;
– при ручной прокладке кабеля количество электромонтажников должно быть таким, чтобы на каждого из них приходился участок кабеля массой не более 35 кг;
– при массе кабеля более 1 кг на 1 м его подъем и крепление приставных лестниц или лестниц-стремянок запрещаются;
– расстояние от края траншеи до кабельных барабанов, механизмов и приспособлений должно быть не менее ее глубины;
– опускать последний виток кабеля с барабана в колодец или туннель следует плавно с помощью пенькового каната;
– разжигать горелки, паяльные лампы, разогревать кабельную массу и расплавлять припой следует на расстоянии не менее 2 м от колодца (туннеля). Опускать в колодец расплавленный припой и разогретую кабельную массу следует в ковше или закрытом сосуде, подвешенном с помощью карабина к металлическому тросику;
– при работе с эпоксидным компаундом и отвердителем следует соблюдать меры безопасности, принятые для работ с токсичными веществами;
– кабельную массу для заливки муфт следует разогревать в металлической просушенной посуде с крышкой и носиком. Запрещается доводить массу до кипения. Недопустимо попадание воды в горячую массу;
– разогревать и переносить ковш с припоем, а также сосуды с кабельной массой следует в защитных очках и брезентовых рукавицах длиной до локтя.
Передавать ковш с припоем или сосуд с кабельной массой из рук в руки запрещается (для передачи емкость необходимо ставить на землю или прочное основание).
При монтаже силовых и осветительных сетей необходимо выполнять следующие требования безопасности:
– размещать трубы и металлоконструкции на земле или на полу на подкладках;
– концы труб опиливать и очищать от заусенцев;
– при выполнении работ на фермах или временных настилах по фермам в зоне работающих мостовых кранов запрещается опускать провода, веревки или такелажные приспособления, а также устанавливать приставную лестницу к тросовой проводке;
– перед установкой групповых щитков и аппаратов проверить надежность их монтажно-заготовительных узлов и сборок;
– проверку совпадения отверстий в соединяемых конструкциях осуществлять с помощью специальных монтажных приспособлений;
– при монтаже кранового электрооборудования на проектной высоте запрещается пользоваться электроинструментом напряжением выше 42 В и переносными электролампами напряжением выше 12 В;
– при монтаже тросовых проводок их окончательное натяжение осуществлять при помощи натяжных устройств после устройства промежуточной подвески;
– установку осветительной арматуры массой более 10 кг осуществлять вдвоем. Допускается выполнение этой работы одним рабочим с применением специального приспособления;
– монтировать шинопроводы следует посекционно или по одному блоку. Накопление секций или блоков на лесах, эстакадах и мостиках обслуживания запрещается;
– поднимать блоки шинопроводов выше 7,5 м специальными траверсами из швеллера или стальных труб с постоянными стропами;
– при стыковке двух секций или блоков шинопроводов совпадение отверстий проверять металлическим стержнем;
– забивку электродов заземления вручную производить кувалдой с длиной ручки (держателя) не менее 0,7 м.
При монтаже распределительных устройств необходимо выполнять следующие требования безопасности:
– производить подъем, перемещение и установку разъединителей и других аппаратов рубящего типа в положении «Включено», аппаратов, снабженных возвратными пружинами или механизмами свободного распределителя, – в положении «Отключено»;
– при регулировке выключателей и разъединителей, соединенных с приводами, принять меры, исключающие их самопроизвольное включение или отключение;
– проверку одновременности включения контактов масляных выключателей выполнять при напряжении не выше 12 В;
– при работах на трансформаторах тока их вторичные обмотки до полного окончания монтажа подключаемых к ним цепей замкнуть накоротко непосредственно на зажимах трансформатора и заземлить;
– выполнять строповку трансформаторов за специально предусмотренные заводом-изготовителем подъемные крюки;
– запрещается производить какие-либо работы или находиться на трансформаторах во время их перемещения. При установке перемещаемых трансформаторов в проектное положение обязательна установка упоров (клиньев);
– во избежание воспламенения паров масла сварочные работы на корпусе трансформатора выполнять после заливки его маслом до уровня 200–250 мм выше места сварки;
– при сушке трансформаторов переменным и постоянным током место работы оградить;
– при монтаже силовых трансформаторов их выводы на все время монтажных работ закоротить и заземлить.
При монтаже вторичных цепей необходимо соблюдать следующие меры безопасности:
– электромонтажникам убедиться, что сборки зажимов, установленные в камерах РУ, закрыты кожухами и снабжены предупредительными надписями с указанием напряжения;
– сгибать жилы медных и алюминиевых проводов и жилы контрольных кабелей в кольцо круглогубцами или специальными механизмами и приспособлениями. Применение плоскогубцев запрещается;
– электропаяльник для пайки провода и жил (для предотвращения попадания флюса и нагара на поверхность стола и проводов) применять на металлической подставке с лотком;
– при пайке мелких деталей и концов проводов удерживать их пинцетом или плоскогубцами;
– промывать места пайки бензином и другими легковоспламеняющимися растворами запрещается;
– тигель для лужения проводов устанавливать в устойчивом положении в металлическом противне с бортиком.
При обнаружении во время работы неисправностей средств подмащивания, применяемого оборудования, инструмента, средств защиты, при которых согласно требованиям инструкций заводов-изготовителей запрещается их эксплуатация, работу следует прекратить и доложить бригадиру или руководителю работ.
При возникновении в зоне работы опасных условий (неисправности заземления; появления запаха газов в кабельных сооружениях; разрушения и течи баков аккумуляторных батарей) электромонтажники обязаны прекратить работы и сообщить бригадиру или руководителю работ.
При потере устойчивости или нарушении целостности конструкций в зоне выполнения работ следует прекратить работы и доложить руководителю.
Требования безопасности по окончании работы
После окончания работ необходимо:
– отключить электрифицированный инструмент и другое используемое в работе оборудование;
– протереть и смазать трущиеся части инструмента и сдать его на хранение;
– привести в порядок рабочее место, удалив с проходов посторонние предметы;
– в случае выполнения работ при снятии напряжения сообщить допускающему лицу об окончании работы;
– о всех нарушениях требований безопасности, имеющих место в процессе работы, сообщить бригадиру или руководителю работ.
6.1 Противопожарные мероприятия
Кабель, открыто проложенный в туннелях, каналах, кабельных подвалах, РУ, является особо опасным источником и носителем пожара. Поэтому протяженные кабельные туннели должны иметь по длине поперечные перегородки с автоматически запирающимися проемами. Пожар может возникнуть из-за воспламенения кабеля или соединительных муфт при электрических авариях или из-за воспламенения горючих материалов, находящихся в кабельных сооружениях. Монтаж и эксплуатация кабельных линий связаны с применением следующих веществ, создающих опасность возникновения пожаров: легко воспламеняющихся жидкостей, например бензина с температурой вспышки паров 30°С и керосина с температурой вспышки паров 45°С; кабельных составов с температурой вспышки 185–230°С; сжиженного пропан-бутана и др. С целью предупреждения пожара в действующих сооружениях должны быть проведены профилактические мероприятия.
Защита от возгорания соединительных муфт. Как правило, избегают установки муфт в кабельных сооружениях. Допускают установку муфт в тех случаях, когда строительная длина кабеля меньше длины туннеля или канала. Каждую эпоксидную соединительную муфту укладывают на отдельной полке опорных конструкций и заключают в защитный противопожарный кожух, который отделяют от верхних и нижних кабелей по всей ширине полок защитными перегородками.
Общие меры противопожарной профилактики.
На время работы с открытым огнем необходимо поставить вблизи места работы огнетушители или ящики с сухим песком и металлический ящик с крышкой для сбора отходов от разделки кабеля.
В кабельных сооружениях не должны находиться горючие материалы, так как они, как правило, являются причиной возникновения пожара. Электрическое освещение в кабельных сооружениях должно быть всегда исправным, а вентиляция снабжена запирающимися снаружи шиберами. При прокладке кабелей внутри сооружений и помещений с них удаляют наружный покров. Необходимо регулярно контролировать герметичность всех элементов газовой установки. Вне охраняемой территории входы и люки кабельных сооружений должны запираться.
Средства и способы тушения пожаров.
Основными средствами тушения пожаров в кабельных сооружениях являются переносные углекислые огнетушители, ящики с песком и лопаты. Для протяженных туннелей применяют один огнетушитель и ящик с песком на 100 м длины.
Огнетушители размещают при входе в кабельное сооружение в местах свободного доступа и подвешивают вертикально для быстрого снятия. Над огнетушителем на стене вывешивают надпись: «Место для огнетушителя», плакат с правилами пользования огнетушителем, а также устанавливают электрическую лампочку, ящики емкостью 0,5 м3 с сухим мелко просеянным песком, окрашенные в красный цвет. На крышке ящика должна быть надпись: «Песок на случай пожара». Для тушения легко воспламеняющейся жидкости на полу необходимо быстро засыпать пламя песком, не оставляя отдельных язычков пламени, так как пожар может возобновиться. При пожаре сжиженного газа вентиль на баллоне закрывают и поливают его холодной водой, чтобы уменьшить в нем давление газа.
Для тушения пламени сжиженным газом сухой огнетушитель приводят в действие только непосредственно у места пожара; при этом струю направляют снизу вверх. Если пожар возник в открытом сосуде с легко воспламеняющейся жидкостью, струю порошка направляют параллельно горящей поверхности.
Во время работы с открытым огнем для ограждения работающих кабелей пользуются листами асбеста, двумя огнетушителями (и более), ведром с сухим песком, войлоком или брезентом размером 2 х 2 м. Покрывая горящую поверхность войлоком или брезентом, отделяют пламя от окружающего воздуха и тушат пожар.
Для ликвидации пожара при воспламенении кабельных трасс отключают всю ячейку РУ. Средствами пожаротушения в этом случае может быть песок или сухой огнетушитель. Пожар, возникший на кабельной эстакаде и полузакрытой галерее, как правило, не распространяется вдоль кабельной трассы, поэтому на них отменена установка разделительных асбоцементных перегородок между рядами параллельно уложенных кабелей. Если кабельный канал загрязнен горючими материалами, закрыт деревянными щитами и с кабеля не сняты наружные покровы, то возможность развития пожара при воспламенении кабеля увеличивается. В этом случае отключают воспламенившийся кабель или группу кабелей.
После вскрытия плит пламя тушат песком, землей и сухими огнетушителями. При тушении пожаров в кабельном колодце пользуются преимущественно сухими огнетушителями или заполняют колодец водой. Тушение пожара в кабельном туннеле является сложной и опасной операцией из-за наличия большого количества действующих кабелей, едких газов и дыма.
При загорании кабеля или группы кабелей их отключают, закрывают отсеки, приточную вентиляцию и тушат пламя песком или сухими огнетушителями, принимая меры против распространения огня по длине туннеля. При развившемся пожаре туннель полностью заливают водой. Для успешной борьбы с пожарами необходимы знания правил пожаротушения и обращения с противопожарными средствами.
Заключение
Изначально была поставлена задача автоматизировать процесс подачи звонков в техникуме. Ведь подача звонков требует постоянный контроль временного интервала и периодическое нажатие на кнопку звонка. Бывают случаи, когда звонки подаются не точно. Для решения этой проблемы был приобретен таймер реального времени который может полностью и с легкостью контролировать управление звонком по составленной пользователем программе занесенной в устройство. Поскольку один канал таймера контролирует систему подачи звонков, второй канал таймера оставался не задействованным до тех пор, пока не предложилось автоматизировать еще один процесс – управление освещением в коридорах техникума. Для этого необходимо было проложить кабель каналы в лестничном пролете техникума на четырех этажах, установить на стенах корпуса под малогабаритные пускатели, закрепить энергосберегающие люминистцентные лампы на четырех этажах. При установке оборудования система произведена в действе. Положительной стороной системы управления освещением является экономическая эффективность при экономии электроэнергии и материальных затрат техникума в сумме 4500 тысячи рублей, а система контроля звонка способствует облегчению трудовой деятельности сотрудника техникума.
Литература
Инструкция по эксплуатации и настройки таймера реального времени УТ1-PIC
Александров К.К., Кузьмина Е.Г. Электротехнические чертежи и схемы. – М.: Энергоатомиздат, 1990. – 288 с., ил.
Конструкторско-технологическое проектирование электронной аппаратуры: Учебник для ВУЗов/К.И. Билибин, А.И. Власов, Л.В. Журавлева и др. Под общ. ред. В.А. Шахнова. – М.: Изд-во МГТУ им. Н.Э. Баумана, 2002. – 528 с.: ил.
Поисковые системы:
Единая система конструкторской документации. Платы печатные. Правила выполнения чертежей. ГОСТ 2.417 – 91. Издание официальное. М., «Комитет стандартизации и метрологии СССР».


