Разработка счетчика, состоящего из двух частей
Министерство образования Республики Беларусь
Министерство образования и науки Российской Федерации
Государственное учреждение высшего профессионального образования
«Белорусско-Российский Университет»
Кафедра Автоматизированные системы управления
Курсовая работа
по дисциплине Организация ЭВМ и систем
Разработка счетчика, состоящего из двух частей
Могилев, 2010
Содержание
Введение
1. Описание работы устройства
2. Составные элементы устройства
3. Функциональная схема разработанного устройства
4. Электрическая схема устройства, выполненная на микросхемах
Заключение
Список использованных источников
Введение
В работе необходимо разработать счетчик до 30, состоящий из двух частей, одна из которых десятичный счетчик. Реализация устройства производилась с помощью среды разработки Electronics Workbench версии 5.12.
В пункте 1 работы представлено описание работы устройства.
В пункте 2 работы представлены составные элементы устройства.
В пункте 3 приводится функциональная схема разработанного устройства.
В пункте 4 представлена электрическая схема устройства, выполненная на микросхемах.
1. Описание работы устройства
Счетчиком называют устройство, предназначенное для подсчёта числа импульсов поданных на вход. Они, как и сдвигающие регистры, состоят из цепочки триггеров. Разрядность счетчика, а следовательно, и число триггеров определяется максимальным числом, до которого он считает. Количество импульсов, которое может подсчитать счетчик определяется из выражения N = 2n - 1, где n - число триггеров, а минус один, потому что в цифровой технике за начало отсчета принимается 0.

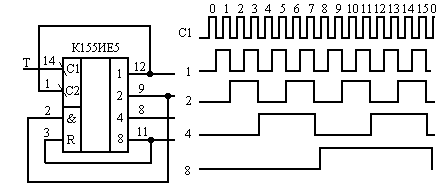
Рисунок 1 - Микросхема К155ИЕ5 (счетчик до 16)
Микросхема К155ИЕ5 рисунок 1 содержит счетный триггер (вход С1) и делитель на восемь (вход С2) образованный тремя соединенными последовательно триггерами. Триггеры срабатывают по срезу входного импульса (по переходу из 1 в 0). Если соединить последовательно все четыре триггера как на рисунке 1, т получится счетчик по модулю 24=16. Максимальное хранимое число при полном заполнении его единицами равно N=24-1=15=111 в двоичной системе. Такой счетчик работает с коэффициентом счета К (модулем), кратным целой степени 2, и в нем совершается циклический перебор К=2n устойчивых состояний. Счетчик имеет выходы принудительной установки в 0.
Часто нужны счетчики с числом устойчивых состояний, отличным от 2n Например, о электронных часах есть микросхемы с коэффициентом счета 6 (десятки минут). 10 (единицы минут). 7 (дни недели). 24 (часы).
Для построения счётчика с модулем К≠2n можно использовать устройство из n триггеров для которого выполняется условие 2n >К. Очевидно, такой счётчик может иметь лишние устойчивые состояния (2n-К). Исключить эти ненужные состояния можно использованием обратных связей, по цепям которых счетчик переключается в нулевое состояние в том такте работы когда он досчитывает до числа К.
Для счетчика с К=10 нужны четыре триггера (так как 23 <10<24) должен иметь десять устойчивых состояний N==0,1...,8,9. В том такте, когда он должен был перейти в одиннадцатое устойчивое состояние (N=10), его необходимо сбросить в исходное нулевое состояние. Для такого счётчика можно использовать микросхему К155ИЕ5 рисунок 2, введя цепи обратной связи с выходов счетчика, соответствующих числу 10 (т. е. 2 и 8) на входы установки счетчика в 0 (вход R). В самом начале 11-го состояния (число 10) на обоих входах элемента И микросхемы появляются логические 1, вырабатывающие сигнал сброс всех триггеров счетчика в нулевое состояние.

Рисунок 2 - Микросхема К155ИЕ5 (счетчик до 10)
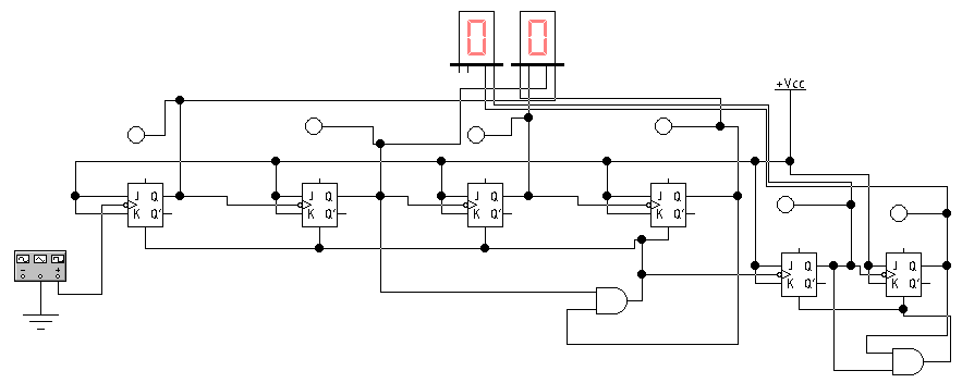
Счетчик до 30 выполнен на 6 JK триггерах с сигналом сброса (4 JK триггера для счета до десяти и 2 JK триггера для счета до трех). Для счетчика до десяти нужны четыре триггера (так как 23<10<24), счетчик должен иметь десять устойчивых состояний N==0,1...,8,9, а для счетчика до трех нужны два триггера (так как 21<3<22), счетчик должен иметь три устойчивых состояний N==0,1,2.
Как только значение на выходе Q2 и Q4 триггера будет равно «1», произойдет сброс счетчика (это значение в десятичной системе равно 10 или 0101 в двоичной системе слева на право), а эта единица (сигнал сброса) передастся на второй счетчик. Как только значение на втором счетчике на выходе Q11 и Q22 триггера будет равно «1», произойдет сброс второго счетчика (это значение в десятичной системе равно 3 или 11 в двоичной системе счисления).
2. Составные элементы устройства
Генератор импульсов
Генератор импульсов–предназначен
для создание импульсов различной формы.
Эти импульсы мы и будем считать.
Обозначение:
Пробник
Пробник предназначен для
определения логического уровня сигнала.
Обозначение:

Источник питания «+Vcc»
«+Vcc»
является упрощенной моделью батареи,
выдает напряжение 5V.
Обозначение:
Логический элемент «И»
Двоичное число на выходе элемента
«И» является результатом логического
умножения чисел на его входах. Обозначение:

Выражения Булевой алгебры:

Таблица истинности для этого элемента:
-
X1
X2
Y
0
0
0
0
1
0
1
0
0
1
1
1
JK триггер
Является самым распространенным видом триггера, имеет булеву функцию вида:
,
при условии что RS=1.
JK триггер
удобен тем, что при различных подключениях
его входов можно получить схемы,
функционирующие как RS-,D-,T-
триггеры. Обозначение:

3. Функциональная схема устройства

Рисунок 3 – Функциональная схема устройства.
Таблица истинности, для счетчика до 10:
-
Q1
Q2
Q3
Q4
Значение в 10-ой системе счисления
1
0
0
0
1
0
1
0
0
2
1
1
0
0
3
0
0
1
0
4
1
0
1
0
5
0
1
1
0
6
1
1
1
0
7
0
0
0
1
8
1
0
0
1
9
0
1
0
1
10
При значении 10 происходит сброс счетчика.
Таблица истинности, для счетчика до 3:
-
Q11
Q22
Значение в 10-ой системе счисления
1
0
1
0
1
2
1
1
3
При значении 3 происходит сброс счетчика.
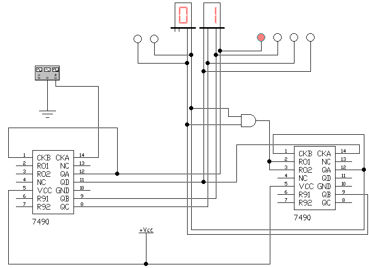
4. Электрическая схема устройства, выполненная на микросхемах

Рисунок 4 – Электрическая схема устройства, выполненная на микросхемах

7490 (Decade Counter) – десятичный счетчик, русский аналог микросхемы К155ИЕ6. Считает до 10, для того чтобы изменить его счет (если необходим коэффициент счета К<10), добавим элемент “И”.
Заключение
В ходе выполнения курсового проекта был разработан счетчик до 30, состоящий их двух частей, одна из которых десятичный счетчик. Задача реализована на базе JK- триггеров. Также были разработаны функциональная схемы устройства и электрическая схема, собранная на микросхемах, описан принцип работы данной схемы. К плюсам схемы, собранной на микросхемах, можно отнести наглядность, простоту исполнения и визуальный контроль на каждой стадии работы устройства.
Список использованных источников
1. Конспект лекций по дисциплине «Организация ЭВМ и систем».
2. Справка программы Electronics Workbench версии 5.12.
3. URL: http://cxem.net/beginner/beginner18.php Дата обращения: 11.11.2010.