Розкладання в ряд Фур'є несинусоїдальної періодичної функції напруги та дослідження її впливу на лінійне коло
Міністерство освіти і науки України
Дніпропетровський Національний Університет
Радіофізичний факультет
Кафедра радіоелектроніки
Курсова робота
з курсу Теорія електричних та електронних кіл
Дніпропетровськ
2010
Зміст
Реферат
1. Розрахунок вхідного опору
2. Знаходження коефіцієнта передачі. Розрахунок АЧХ і ФЧХ
3. Розрахунок перехідної характеристики кола
4. Розклад в ряд Фур’є несинусоїдальної періодичної функції
5. Побудова лінійчатого спектру вхідної та вихідної напруги
Висновок
Реферат
Мета роботи - розкласти в ряд Фур'є не синусоїдальну періодичну функцію напруги та дослідити її вплив на лінійне коло, у результаті чого графічно отримати лінійчатий спектр амплітуди вхідної та вихідної напруги.
У першій частині розглядається знаходження коефіцієнта передачі кола, за допомогою якого потім визначається значення напруги на виході лінійного кола.
Далі роботи розглянуто розкладення не синусоїдальної періодичної функції у ряд Фур'є.
Потім за отриманими даними йде побудова лінійчатого спектра вхідної та вихідної напруги.
Вступ
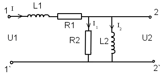
На вхід лінійного кола (рис. 1) подана несинусоїдальна періодична напруга (рис.2).
1. Знайти повний вхідний опір ланцюга (рис. 1) щодо затисків 1 1. Розрахувати його на трьох частотах 0, 50 Гц і , ∞ ,
2. Знайти комплексний коефіцієнт передачі по напрузі. Розрахувати АЧХ і ФЧХ коефіцієнта передачі по напрузі. Проаналізувати результат і побудувати графіки.
3. Знайти форму вихідної напруги U(t) при підключенні до затисків 1 1 у момент часу =0 джерела постійної напруги Е=10 В.
4. На вході ланцюга задана періодична несинусоїдальна напруга. Несинусоїдальну періодичну функцію напруги розкласти в ряд Фур'є. Розрахувати постійну складову і чотири члени ряду.
5. Побудувати лінійчатий амплітудний і фазовий спектр вхідної і вихідної напруги.

Рис. 1
Параметри кола:
R>1>=1 кОм; R>2>=2 кОм; L>1>=1 мкГн; L>2>=2 мкГн

Рис. 2
1. Знайти повний вхідний опір ланцюга (Рис. 1) щодо затисків 1 1. Розрахувати його на трьох частотах 0, 50 Гц і ,∞
Під повним опором розуміють відношення діючої або амплітудної напруги відносно до діючого або амплітудного струму. Повний опір дорівнює модулю комплексного опору. Так як ланка на Рис. 1 має як активні так і реактивні компоненти, і повний опір Z буде мати як активну R, так і реактивну складову X.

2. Знайти комплексний коефіцієнт передачі по напрузі. Розрахувати АЧХ і ФЧХ коефіцієнта передачі по напрузі. Проаналізувати результат і побудувати графіки.

Рис. 3
Знайдемо коефіцієнт
передачі лінійного кола. Коефіцієнт
передачі являє собою відношення вихідної
напруги до вхідної, тобто



Графік АЧХ:

Графік ФЧХ:



На вході ланцюга задана періодична несинусоїдальна напруга. Несинусоїдальну періодичну функцію напруги розкласти в ряд Фур'є. Розрахувати постійну складову і чотири члени ряду.

Рис.4
Ряд Фурє має наступній тригонометричний вид:

a>o>, b>n>, b>n >- коефіцієнти розкладення ряду, або амплітуди синусоїдальних та косинусоїдальних складових ряду.
Так, як функція непарна, то а>n>=0, a>o>=0.
Запишемо ряд Фурє з відповідними коефіцієнтами:

то
,





Запишемо формулу вхідної напруги, як функцію часу:

Побудувати линійчатий амплітудний спектр вхідної і вихідної напруги.
Спектр сигналу – сукупність гармонічних коливань (гармонік), на які може бути розкладено складний сигнал. Спектр періодичних сигналів – дискретний спектр, в якому кожна гармоніка характеризується певною амплітудою.
Ряд Фур’є можна також представити у наступному вигляді

де А>n>
– амплітуда, яка розраховується за
формулою
,
де
,
- коефіцієнти ряду(в данному випадку
A>n>=|b>n>|,
т.я. a>n>=0),
-
основна кутова частота (перша гармоніка).
Для побудови лінійчатого
амплітудного спектру сигналу необхідно
від кожної точки n
ортогонально до осі частот відкласти
амплітуди
відповідних гармонік.
Таблиця 1.
|
ω , рад/с |
1570 |
3140 |
4710 |
6280 |
|
│U>вх>│> >, В |
81.21 |
9.02 |
3.25 |
1.66 |

З таблиці 1 можна отримати значення U>вих>=k()*U>вх>;
Таблиця 2.
|
k() |
0,007621 |
0,018848 |
0,028286 |
0,37743 |
|
ω , рад/с |
1570 |
3140 |
4710 |
6280 |
|
U>вих >, В |
81,19127 |
9,007297 |
3,239717 |
1,650681 |



Висновок
У даній роботі було досліджено параметри та вплив несинусоїдального періодичного сигналу на лінійне коло складене з активних та реактивних елементів.
Під час роботи було розкладено напругу в ряд Фур'є та побудовано лінійчаті дискретні спектри. За допомогою розрахованого коефіцієнту передачі було знайдено спектр вихідної напруги.
Список використаних джерел
1. Зевеке Г. В., Йонкін П. А. Основи теорії кіл. - М.: Енергія. -1975. 750с.
2. Піскунов Н. С. Диференціалье та інтегралье обчислення. - М.: Фізматгіз.- 1963.- 855 с.
3. Атабеков Г. І. Теоретичні основи електротехніки. - М.: Енергія -1970.