Устройство формирования управляющих сигналов
Содержание
Описание устройства
Техническое задание
Исходные данные
Анализ частотных характеристик идеального дифференцирующего устройства
Проверка возможности применения для целей дифференцирования сигнала простейшей дифференцирующей rc-цепочки
Выбор необходимых параметров rc-цепочки, согласно критериям технического задания
Расчет в общем виде АЧХ и ФЧХ скорректированного дифференцирующего устройства (r-L-c цепи). Расчет параметров r-L-c цепи согласно требованиям технического задания
Вычисление АЧХ и ФЧХ r-L-c цепочки с учётом всех выбранных параметров
Общий вывод
Описание устройства
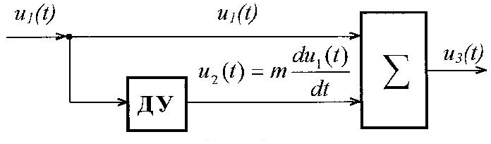
Блок-схема рассматриваемого устройства представлена на рис.1. Здесь u>1>(t) -некоторый входной сигнал (сигнал управления), ДУ - дифференцирующее устройство, формирующее сигнал по производной
,
где т = const, ∑ - сумматор, u>3>(t) - выходной сигнал, в котором соотношение составляющих u>1>(t) и u>2>(t) можно регулировать.

Рис.1 Блок-схема устройства формирования управляющих сигналов
Входной сигнал u>1>(t) используется в качестве сигнала управления в некоторой системе автоматического регулирования. С целью достижения более высокого качества управления (например, для увеличения запаса устойчивости системы), кроме сигнала u>1>(t) должен использоваться также сигнал по производной u>2>(t), где m - постоянный масштабный коэффициент (как правило, т<<1). Сигнал управления и сигнал по производной суммируется на входе соответствующего суммирующего устройства.
Входной сигнал имеет вид:
u>1>(t)=U>(1)>>m>∙sin(ωt+ψ>(1)>)+ U>(2)>>m>∙sin(kωt+ψ>(2)>)+ U>(>>q>>)>>m>∙sin(qωt+ψ>(>>q>>)>).
Две первые низкочастотные составляющие (1<к<<q) являются полезным сигналом управления, высокочастотная составляющая с частотой qω - помеха. Такие высокочастотные составляющие характерны, например, для сигнала, полученного в результате демодуляции после передачи его по линии связи на несущей частоте. В этом случае полезный сигнал передается как огибающая сигнала на несущей частоте. На рис.2 огибающая показана пунктиром. Она может быть выделена в результате демодуляции, а высокочастотная составляющая подавлена, однако, как правило, не до конца (рис.3). При этом уровень помехи невелик и является для полезного сигнала допустимым.


Рис.2, 3 - Сигнал управления на несущей частоте и сигнал управлении после демодуляции
Конечной целью данной курсовой
работы является формирование сигнала
по производной
с помощью некоторого дифференцирующего
устройства с приемлемым качеством
дифференцирования и уровнем высокочастотной
помехи.
Техническое задание
1. Проанализировать, какими частотными характеристиками должно обладать идеальное дифференцирующее устройство, способное дифференцировать сигнал с неограниченным спектром частот. Установить, от чего зависит уровень выходного сигнала такого дифференцирующего устройства.
2. Проверить возможность применения для целей дифференцирования сигнала простейшей дифференцирующей r-с цепочки (рис.4)

Рис.4 Дифференцирующая r-c цепочка
Так как суммирование
u>1>(t)
и
происходит на высокоомных входах
сумматора, можно считать, что r-с
цепочка
используется в режиме холостого хода
на ее выходе. Не задавая конкретных
значений r
и с, вывести в общем виде амплитудно-частотную
(АЧХ) и фазо-частотную (ФЧХ) характеристики
рассматриваемой r-с
цепочки,
сравнить их с АЧХ и ФЧХ идеального
дифференцирующего устройства и сделать
вывод о принципиальной возможности
проведения с ее помощью операции
дифференцирования сигнала u>1>(t)
в интересующем
нас диапазоне частот от ω до k
ω.
3. В случае положительного результата по п.2 выбрать параметры r-c-цепочки, исходя из выбранных критериев качества работы устройства. Определить и построить АЧХ и ФЧХ устройства. С их помощью определить выходное напряжение u>2>(t) дифференцирующего устройства и построить график u>2>(t). Проанализировать полученный результат с точки зрения следующих критериев:
а) достаточен ли уровень полезного сигнала для его дальнейшего использования в системе автоматического регулирования?
б) достаточна ли точность дифференцирования?
в) достаточно ли низок уровень высокочастотной помехи по сравнению с уровнем полезного выходного сигнала?
Если хотя бы с точки зрения одного из этих критериев работу дифференцирующего звена нельзя признать удовлетворительной, наметить меры по устранению обнаруженного недостатка. Выяснить при этом, не приведут ли намеченные меры к ухудшению качества по другим критериям. Оформить результаты анализа в виде предварительных выводов. Если достижение нужного качества при использовании заданной простейшей схемы дифференцирующего устройства затруднительно или невозможно, продумать и предложить улучшенный вариант (варианты) схемы, которая должна при этом оставаться пассивной. Улучшение должно состоять в том, что отмеченный недостаток в работе простейшей схемы должен устраняться, но не за счет ухудшения других необходимых качеств.
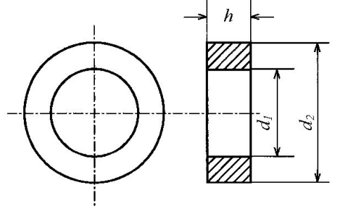
4. Вывести (в общем виде) выражения для АЧХ и ФЧХ новой, скорректированной схемы устройства. Произвести выбор тех параметров схемы, которые в данном случае могут быть признаны неизменяемыми. Если в схеме используется индуктивность, которая не может быть реализована в виде стандартного элемента, выпускаемого промышленностью, определить конструктивные параметры катушки (число витков, сечение провода), обладающей приемлемым значением индуктивности, используя для этой цели кольцевой магнитопровод, выполненный из феррита с относительной магнитной проницаемостью μ>r> , с размерами, указанными на рис.5.

Рис. 5. Линейные размеры кольцевого магнитопровода
Активное сопротивление обмотки должно быть рассчитано и включено в схему замещения дифференцирующего устройства.
Определить алгоритм выбора изменяемого параметра (параметров) устройства, удовлетворяющего выбранным критериям качества (приемлемый уровень выходного сигнала при достаточной точности дифференцирования и низком уровне помех). Определить величину изменяемого параметра (параметров) схемы.
5. Построить графики
АЧХ и ФЧХ дифференцирующего устройства
с учетом выбранных величин ее параметров,
определить с их помощью выходное
напряжение
.
Проанализировать качество дифференцирования,
построив и сравнив графики идеальной
производной
(где u>1>(t))
-полезный
входной сигнал без учета помехи) и
выходного сигнала u>2>(t),
оценив степень
их совпадения. Коэффициент т
следует выбрать
так, чтобы оба напряжения были соизмеримы
по уровню.
Оформить этот анализ в виде окончательных выводов.
Исходные данные
Таблица 1 - Исходные данные
-
Вар.
Входной сигнал u>1>(t), B
6

Таблица 2 - Данные
-
Вар.
d1, мм
d2, мм
h, мм
μr
dпр, мм


6
14
22
4
1400
0,2
1,85
0,042
Анализ частотных характеристик идеального дифференцирующего устройства
Амплитудно- и фазо-частотные характеристики идеального дифференцирующего устройства
|
|
|
|
Рис. 6 и 7 - АЧХ идеального дифференцирующего устройства (отношение модулей амплитуд входного и выходного) |
ФЧХ идеального дифференцирующего устройства (разность начальных фаз напряжений входного и выходного сигнала ) |
Идеальное дифференцирующее
устройство – это устройство, способное
осуществлять операцию дифференцирования
в любом диапазоне частот спектра входного
сигнала, причём с абсолютной точностью.
Технически идеальной считается операция,
когда входное u>1>(t)
и выходное
напряжения идеального дифференцирующего
звена связаны соотношением:
,
где m=const – некоторый произвольный коэффициент пропорциональности (обычно m<<1). При этом уровень помехи выходного сигнала должен быть приемлемо низким.
Входной сигнал как синусоидальная
функция в общем виде, и в комплексную
форме.

Выходной сигнал как синусоидальная
функция в общем виде, и в комплексную
форме.

Амплитудно-частотная
характеристика(АЧХ)
идеального дифференцирующего устройства
есть отношение модулей амплитуд входного
и выходного напряжений(
Фазо-частотная характеристика(ФЧХ)
равна разности начальных фаз напряжений
Производная входного сигнала, домноженная на коэффициент пропорциональности m

Вычислим в общем виде АЧХ и ФЧХ
идеального дифференцирующего устройства.
;
Рассмотрим входной сигнал u>1>(t), как синусоидальную функцию в общем виде, и переведём её в комплексную форму:
Таким образом,
|
|
Вывод: амплитуда выходного сигнала прямо пропорциональна его частоте во всём диапазоне частот, что, не приемлемо, так как частота помехи сильно превосходит частоты полезного сигнала, и, следовательно, амплитуда помехи на выходе будет усилена намного больше, чем амплитуда полезного сигнала.
А судя по фазо-частотной
характеристи то идеальное дифференцирующее
устройство изменяет фазу входного
сигнала на
во всём диапазоне частот, что обеспечивает
абсолютную точность дифференцирования
на любой частоте.
Проверка возможности применения для целей дифференцирования сигнала простейшей дифференцирующей rc-цепочки
Так как суммирование u>1>(t)
и
происходит на высокоомных входах
сумматора, можно считать, что rc-цепочка
используется в режиме холостого хода
на её выходе (исследуемое дифференцирующее
устройство можно рассматривать как
четырехполюсник). Выведем в общем виде
амплитудно-частотную и фазо-частотную
характеристики rc-цепочки.
Найдем выходной сигнал, используя
частные значения АЧХ, ФЧХ и проведем
анализ пригодности устройства в роли
идеального дифференцирующего устройства.
Нахождение АЧХ и ФЧХ rc-цепочки в общем виде:
Для этого запишем уравнения Кирхгоффа для rc-цепочки в комплексной форме (рис. 10):



Рис.10 К расчету дифференцирующей rc-цепочки комплексным методом
Комплексный коэффициент передачи напряжения может быть найден, как отношение комплексных амплитуд, либо как отношение действующих значений напряжений:

Составляющие
называются соответственно действительной
и мнимой частотными характеристиками.
Отсюда, АЧХ:
(1)
ФЧХ:
(2)
В общем виде, амплитудно-частотная и фазо-частотная характеристики дифференцирующей rc-цепочки могут быть представлены в виде графиков (рис.11 и рис. 12):
|
|
|
Рис 11 и 12 - Общий вид АЧХ rc-цепочки АЧХ идеального дифференцирующего устройства и общий вид ФЧХ rc-цепочки ФЧХ идеального дифференцирующего устройства
Анализируя амплитудно-частотную и фазо-частотную характеристики дифференцирующей rc-цепочки можно сделать следующие выводы:
В области низких частот АЧХ rc-цепочки практически линейна и совпадает по форме с низкочастотной областью АЧХ идеального дифференцирующего устройства. При такой форме АЧХ, после дифференцирования возможно сохранится соотношение между амплитудами полезного сигнала, что требуется в техническом задании.
В
области высоких частот
,
т.е. амплитуда помехи не будет многократно
увеличена, как в случае с идеальным
дифференцирующим устройством. Возможно,
что при определённых параметрах
rc-цепочки
будет обеспечена её достаточная
помехозащищённость.
При
некоторых значениях параметров
rc-цепочки,
её фазо-частотная характеристика будет
оставаться в районе
в течении достаточно длительного
диапазона частот. Таким образом может
быть достигнуто требование по точности
дифференцирования из технического
задания.
Таким образом, rc-цепочку возможно использовать в качестве дифференцирующего устройства, если удастся так подобрать её параметры, чтобы выполнялись все три критерия качества из технического задания.
Выбор необходимых параметров rc-цепочки, согласно критериям технического задания
При анализе формул (1) и (2) можно
заметить, что сопротивление резистора
r и
ёмкость конденсатора С входят в формулы
АЧХ и ФЧХ только в виде произведения
τ=r∙C.
Это произведение является постоянной
времени для rc-цепочки.
Известно, что приемлемая точность
дифференцирования обеспечивается в
том случае, когда постоянная времени
цепи хотя бы на два порядка меньше
наименьшего интервала времени, в пределах
которого функция u>1>(t)
изменяется с наибольшей скоростью. В
данном случае достаточно, чтобы τ была
в сто раз меньше половины периода
высшей(второй) гармоники полезного
сигнала, т.е. τ = r∙C
=
.
Период высшей гармоники полезного
сигнала определяется, как
.
Тогда
τ = r∙C
=
≈ 22,4∙
(с).
Выберем ёмкость С = 1мкФ, тогда сопротивление r = 22,4 (Ом).
С учётом выбранных r и С окончательно
получаем τ =
(с).
Для этой постоянной времени построим
амплитудно-частотную и фазо-частотную
характеристики.
По формуле (1):
.
По формуле (2):
.
|
|
|
ФЧХ rc-цепочки с выбранными параметрами r и c ФЧХ идеального дифференцирующего устройств
Входной сигнал имеет вид:

Найдем значения АЧХ и ФЧХ для частот сигнала:
=700
рад/с

=700
рад/с

=1400
рад/с

=1400
рад/с

=200000
рад/с

=200000
рад/с

Выходной сигнал:
Общая формула для вычисления:

Выходной сигнал без помехи:

Выходной сигнал с помехой:



Рис.8 – Выходной сигнал
Выхондой сигнал без помехи найденный с помощью АЧХ и ФЧХ rc-цепочки на полезных частотах сигнала. Формула для нахождения каждой из составляющих выходного сигнала: u_2 (t)=U_1m∙K(ω)∙sin(ωt+ψ_1+α(ω))
Выходной сигнал, полученный путем умножения дифференцированого входного сигнала без помехи на коэффициент m(коэффициент подбирается визуально, так чтобы графики выходных сигналов совпадали) m=0,0000224
u_2 (t)=0,0000224∙(1,6∙cos(700∙x)∙700+cos(1400∙x)∙1400) а

Рис.9 - Выходной сигнал с помехой
Выходной сигнал с помехой найденный с помощью АЧХ и ФЧХ rc-цепочки на полезных частотах и на частоте помехи сигнала u_2 (t)=U_1m∙K(ω)∙sin(ωt+ψ_1+α(ω))
Выходной сигнал, полученный путем умножения дифференцированого входного сигнала без помехи на коэффициент m(коэффициент подбирается визуально, так чтобы графики выходных сигналов совпадали) m=0,0000224
u_2 (t)=0,0000224∙(1,6∙cos(700∙x)∙700+cos(1400∙x)∙1400) Вывод: rc-цепочка не способна обеспечить выходной сигнал с допустимо малым уровнем помехи, необходимо искать путь подавления помехи в сигнале. Так как, при отсутствии помехи, rc-цепочка может быть использована как идеальное дифференцирующее устройство.
Теперь проанализируем полученные результаты с точки зрения критериев технического задания, всего их 3(уровень полезного сигнала, точность дифференцирования, помехоучтойчивость rc-цепочки)
Начнем проверку с третьего критерия, так как он представляется(судя по графику) невыполняемым(рис 9).
Помехоучтойчивость rc-цепочки
Для количественного определения допустимого уровня помехи в составе выходного сигнала, вычислим отношение амплитуды помехи к амплитуде первой гармоники полезного сигнала для входного сигнала u>1>(t):
.
Приблизительно таким же (или ещё меньше) должно быть отношение амплитуд помехи и первой гармоники полезного сигнала в выходном сигнале u>2>(t), т.е. должно выполняться соотношение:
(3);
Вычислим отношение амплитуд помехи и первой гармоники полезного сигнала в выходном сигнале u>2>(t):

В результате соотношение (3) не выполняется, т.е. уровень помехи в составе выходного сигнала значительно превышает допустимый
Следовательно если один из критериев не выполняется, то нет смысла проверять и другие два.
Анализируя результат, можно
сделать вывод о том, что дифференцирующая
rc-цепочка
с постоянной времени τ = 22,4∙
(с)
обеспечивает достаточный уровень
полезного сигнала на выходе и приемлемую
точность дифференцирования(рис13,14).
Однако, уровень помехи в составе выходного
сигнала такой цепочки недопустимо
высок, что не позволяет использовать
её в устройстве формирования управляющих
сигналов.
Помеху можно было бы подавить на выходе с помощью частотного фильтра. Но в этом случае необходимо учесть влияние (вполне возможно, неблагоприятное) фильтра на качество дифференцирования полезного сигнала, так как АЧХ и ФЧХ совместно работающих дифференцирующего устройства и фильтра, скорее всего, окажутся существенно хуже АЧХ и ФЧХ отдельно рассчитанной r-с цепочки.
Гораздо более удачным был бы вариант электрической цепи, которая обладала бы дифференцирующими свойствами в области частот полезных составляющих входного сигнала и одновременно свойством подавления высокочастотной помехи. Таким дополнительным свойством обладала бы цепь, в которую включена катушка индуктивности, т.е. выполненная по схеме (рис. 15):

Рис. 15 Простейшая дифференцирующая r-L-c цепочка
Здесь L - индуктивность катушки, r>k>> >- ее активное сопротивление, r и c - активное сопротивление и емкость, величины которых могут остаться такими же, как и в r-с цепочке, рассмотренной ранее. Индуктивное сопротивление x>L> = ωL особенно велико на частоте помехи и способно существенно ограничить составляющую тока этой частоты, а следовательно, и выходное напряжение сигнала помехи, что и является ожидаемым полезным эффектом. Однако наличие дополнительных параметров L, r>k>> >изменяет вид АЧХ и ФЧХ и в области частот полезного сигнала, причем пока не ясно, в сторону их улучшения или ухудшения. Поэтому необходимо исследовать (аналитически, в общем виде) АЧХ и ФЧХ предложенной r-L-c цепи. Если имеется некоторый диапазон частот, в пределах которого АЧХ и ФЧХ одновременно отвечают условиям дифференцирования полезной составляющей входного сигнала, значит, дальнейшие операции имеют смысл. Если такого диапазона нет, цепь в принципе не обладает нужными свойствами.
Расчет в общем виде АЧХ и ФЧХ скорректированного дифференцирующего устройства (r-L-c цепи). Расчет параметров r-L-c цепи согласно требованиям технического задания.
Составим уравнения Кирхгоффа для r-L-c-цепочки в комплексной форме (рис. 17):


Рис.17 К расчету дифференцирующей rc-цепочки комплексным методом
Комплексный коэффициент передачи напряжения может быть найден, как отношение комплексных амплитуд, либо как отношение действующих значений напряжений:

Отсюда, АЧХ:
(4)
ФЧХ:
(5)
В общем виде, амплитудно-частотная и фазо-частотная характеристики дифференцирующей r-L-c-цепочки могут быть представлены в виде графиков (рис.18 и рис. 19):
|
|
|
|
Рис. 18 Общий вид АЧХ дифференцирующей r-L-c-цепочки, ω>0> – резонансная частота |
Рис. 19 Общий вид ФЧХ дифференцирующей r-L-c-цепочки, ω>0> – резонансная частота |
Известно, что r-L-с
цепочка является резонансной, с
резонансной частотой ω>0>,
определяемой по формуле:
.
Поэтому, необходимо выбрать значение резонансной частоты ω>0 >таким образом, чтобы обеспечить выполнение всех трёх критериев технического задания. Разумеется, значение резонансной частоты ω>0> не может находиться внутри или на границе диапазона частот составляющих полезного сигнала (хотя бы потому, что значение ФЧХ при ω> >= ω>0> равно нулю, а должно быть, в идеале, равным π/2). С другой стороны, резонансная частота не должна совпадать или быть близкой к частоте помехи (хотя бы потому, что условие ω> >= ω>0 >соответствует максимуму тока в цепи и, следовательно, максимуму напряжения на выходе, а задача состоит как раз в обратном - в необходимости максимально уменьшить это напряжение). Следовательно, положение резонансной частоты на оси частот определяется неравенством ω>2>< ω>0>< ω>п>, где ω>2 >- частота высшей гармоники полезного входного сигнала, ω>п> -частота помехи. Поскольку ω>п> намного больше ω>2>, диапазон возможного положения ω>0 >на оси частот достаточно широк, и это позволяет надеяться, что при каком-то значении индуктивности L цепь сможет соответствовать всем указанным выше критериям качества, хотя это и не гарантировано.
Теперь рассчитаем параметры r-L-c цепочки согласно требованиям технического задания. Как уже было отмечено ранее, параметры r и C можно оставить теми же, что были использованы при расчете rc-цепочки. Активное сопротивление катушки r>k> зависит от числа её витков, которое в свою очередь определяет индуктивность катушки L. Сама же индуктивность может быть вычислена, если будет известна резонансная частота ω>0> r-L-c цепочки.
Проведём анализ формул для расчёта АЧХ и ФЧХ r-L-c цепочки с точки зрения критериев, описанных в техническом задании. Целью анализа будет установление интервала частот Δω, в котором может находиться резонансная частота ω>0>, и при этом будут выполняться все три критерия качества. При анализе можно пренебречь активным сопротивлением катушки r>k>, т.к. r>k><<r . Поэтому можно считать, что оно не оказывает существенного влияния на характер АЧХ и ФЧХ.
C учётом сказанного, перепишем формулы (4) и (5), подставив в них зависимости:
и
(c).
Получим:
(6)
(7)
При расчете интервала частот Δω, можно принять следующие обозначения:
ω>01> - минимально-необходимое значение резонансной частоты ω>0> , обеспечивающее соответствие первому критерию качества,
ω>02> - максимально возможное значение ω>0>, обеспечивающее выполнение требований второго критерия;
ω>03> - максимально возможное значение ω>0>, обеспечивающее выполнение требований третьего критерия.
Расчёт резонансной частоты ω>0 >с точки зрения критерия минимального уровня полезного сигнала на выходе.
Составим неравенство, исходя из
условия, что минимально-необходимым
можно принять сигнал u>2>(t),
у которого амплитуда первой гармоники
не меньше 1мВ:
(8).
Подставив выражение для K(ω) из формулы (6), составим и решим неравенство:
,
где
,
.
Решая это неравенство относительно ω>01>, получим:
ω>01>– любое значение (9). Расчёт резонансной частоты ω>0 >с точки зрения критерия точности дифференцирования выходного сигнала.
В качестве опорных неравенств, воспользуемся неравенствами (10) и (11), которые приведены в техническом задании:
(10) и
(11)
Подставим из выражения (6) в неравенство (10) значения K>(1)>=K(ω>1>) и K>(2)>=K(ω>2>), получим:

Здесь
,
,
.
Решая это неравенство относительно
ω>02>, получим:
ω>02 >–
любое значение (12). Подставим из формулы
(7) в неравенство (11) значение
,
получим:
.
Решая это неравенство относительно ω>02>, получим: ω>02 >≥2797,5 рад/с (13)
Расчёт резонансной частоты ω>0 >с точки зрения критерия помехозащищённости r-L-c цепочки.
Для расчёта помехозащищённости, воспользуемся условием неравенства (6):
(3)
Здесь
и
.
Подставим эти значения в неравенство
(3), используя формулу (6). Получим:
;
Здесь
,
ω>п> = 200000
рад/с.
Решая это неравенство относительно ω>03>, получим:
ω>03 >≤ 16741,6 рад/с (14)
Итак, наложив ограничения на
резонансную частоту ω>0>
с точки зрения всех трёх критериев,
можно составить систему из неравенств
(9,12,13,14):
.
Отсюда, искомый интервал частот Δω =
(2797,5 …
)
(рад/с). Так как в техническом задании
не оговорено никаких дополнительных
требований к резонансной частоте, то
можно выбрать любое значение ω>0>
из интервала Δω. Выберем ω>0>
= 10000 рад/с. С учетом выбранной резонансной
частоты и ранее выбранной ёмкости С =
1мкФ, вычислим индуктивность катушки
L:
(Гн).
Рассчитаем число витков катушки с сердечником в виде кольцевого магнитопровода, выполненного из феррита (рис. 5) с магнитной проницаемостью μ>r>.> >Пренебрегаем всеми видами потерь. Напряженность поля на одинаковом расстоянии r от оси симметрии такого магнитопровода одинакова и равна

Здесь i – сила тока в катушке, W – число витков, B – магнитная индукция, μ>0> = 1,25663706*10-6 Гн/м – магнитная постоянная. Магнитный поток в сердечнике равен:
;
Следовательно, индуктивность катушки без учёта индуктивности рассеяния
(15).
Отсюда, число витков

С учётом W=141,
найдём индуктивность такой катушки по
формуле (15):
(Гн)
Теперь рассчитаем активное сопротивление катушки r>k>>:>:
(16)
Здесь
Ом∙м – удельное сопротивление меди,
l=W∙2(
>
>+ h)
– полная длинна провода в катушке,
– площадь поперечного сечения проводника.
Таким образом,
(Ом).
Добротность контура

Вычисление АЧХ и ФЧХ r-L-c цепочки с учётом всех выбранных параметров
Выпишем все рассчитанные параметры r-L-c цепочки:
Сопротивление резистора r = 22,4 Ом;
Ёмкость конденсатора C = 1 мкФ;
Индуктивность катушки L = 0,01 Гн;
Число витков катушки W=141;
Активное сопротивление катушки
r>k>>
>=
Ом;
По формуле (6):

По формуле (7):

Построим графики амплитудно-частотной и фазо-частотной характеристики r-L-c цепочки (рис.20-24):
|
|
|
|
Рис. 20 АЧХ r-L-c цепочки в диапазоне частот полезного сигнала |
Рис. 20 ФЧХ r-L-c цепочки в диапазоне частот полезного сигнала |
При помощи рассчитанных АЧХ и ФЧХ, можно полностью вычислить выходной сигнал u>2>(t):




Рис. 16 – Выходной сигнал с помехой
Выходной сигнал с помехой найденный с помощью АЧХ и ФЧХ rlc-цепочки на полезных частотах и на частоте помехи сигнала. Формула для нахождения каждой из составляющих выходного сигнала: u_2 (t)=U_1m∙K(ω)∙sin(ωt+ψ_1+α(ω)). Выходной сигнал, полученный путем умножения дифференцированого входного сигнала без помехи на коэффициент m(коэффициент подбирается визуально, так чтобы графики выходных сигналов совпадали) m=0,0000229. u_2 (t)=0,0000229∙(1,6∙cos(700∙x)∙700+cos(1400∙x)∙1400)
Общий вывод
В данной работе был произведён расчет дифференцирующего устройства, используемого в устройстве формирования управляющих сигналов некоторой системы автоматического регулирования. В процессе выполнения работы оказалось, что применение простейшей дифференцирующей rc-цепочки не может удовлетворить всем требованиям технического задания. Поэтому были приняты соответствующие меры (добавление в rc-цепочку индуктивности L) для достижения необходимых свойств дифференцирующего устройства. Для r-L-c цепочки был произведён анализ допустимого интервала Δω резонансной частоты ω>0>. После выбора резонансной частоты ω>0>, было выбрано значение индуктивности катушки L, рассчитаны геометрические параметры её сердечника и определено её активное сопротивление r>k>.
После расчета всех параметров r-L-c цепочки, расчёта и построения её частотных характеристик, а также построения графиков выходного сигнала, был сделан вывод о том, что r-L-c цепочка с выбранными параметрами полностью удовлетворяет всем требованиям технического задания, в частности:
Уровень полезного сигнала достаточно высок для его дальнейшего использования в системе автоматического регулирования. Амплитуда 1-ой гармоники полезного сигнала U>2(1)>>m> составляет 25,6 мВ (по ТЗ U>2(1)>>m>> >≥ 1 мВ).
Обеспечена достаточная точность дифференцирования:
,
по условию
;
,
по условию Δ ≤ 0,042
Уровень высокочастотной помехи в составе выходного сигнала достаточно низок, по сравнению с уровнем входного сигнала:
,
по условию



.






