Программная и аппаратная часть автоматизированной сигнализации по GSM каналу
Бакалаврская работа
на тему «Программная и аппаратная часть автоматизированной сигнализации по GSM каналу»
Содержание
1. Введение
2. Теоретическая часть
2.1 Аналогичные системы оповещения
2.1.1 Страж SMS 8x6 GPS
2.1.2 Visonic GA-1RS
2.1.3 Страж-GSM-M
2.2 Сравнительная характеристика систем оповещения
2.3 Классификация систем оповещения
2.3.1 Виды систем оповещения
2.4 Электронные блоки систем оповещения
2.5 Выводы
3. Практическая часть
3.1 Постановка задачи
3.2 Описание охраняемого пространства
3.3 Состав системы
3.1.1 Выбор микроконтроллера для центрального блока
3.1.2 Считыватель ключей
3.1.3 Датчики
3.4 Работа системы
3.5 Конструкторская часть
3.5.1. Разработка и анализ ТЗ
3.5.2 Техническое задание
3.5.3 Состав изделия и требования к конструктивному устройству
3.5.4 Разработка печатного узла
3.5.5 Конструкторские расчеты
3.5.6 Расчет стоимости системы
3.6 Выводы
4. Заключение
5. Список литературы
6. Приложение. Чертежи
1. Введение
Современные технологии позволяю создавать системы, заблаговременно предупреждающие о наступлении или приближении некоторого события. Широкое разнообразие жизненных ситуаций поднимает проблему своевременного оповещения на новый уровень. Обо всем, начиная от катаклизмов природы, несущими в себе многочисленные негативные последствия, и заканчивая приготовлением тоста, человек может быть проинформирован в определенное время, чтобы избежать неблагоприятных последствий и ускорить приближение удовлетворяющих моментов. В современном мире самое востребованное оповещение – это оповещении о незаконном проникновении в пределы частной собственности.
Ежедневно в Москве, столице России, регистрируется до 40 квартирных краж. А если учесть всю Россию, то это число будет значительно больше. Не стоит упускать из виду еще тот факт, что до 2010 года количество квартирных краж только росло. Поэтому системы сигнализации будут необходимы для многих. При этом специалисты считают, что лучше, если у вас будут одновременно установлены две или более разные системы охраны, что значительно затруднит работу вора. Осознав серьезность препятствия, злоумышленник, отступит от своего дела, не желая быть замеченным.
Актуальность разрабатываемой темы работы подчеркивается повышением спроса на системы защиты, оповещения, безопасности, наблюдения за объектами недвижимости, в которых хранятся материальные ценности.
Разрабатываемое устройство (GSM-сигнализация) нацелено на широкий круг потребителей. Следовательно, оно будет доступно по своей цене для многих людей.
Разрабатываемое устройство предназначено для контроля работы датчиков (извещателей), нажатия тревожной кнопки, дозвона и передачи текстового сообщения (SMS) по каналу связи GSM в случае тревоги. Устройство может встраиваться в системы охранной и пожарной сигнализации. Устройство применяется совместно с сотовым телефоном стандарта GSM.
Данная систем может с легкостью подстраиваться под различные требования заказчика: только охранные функции, охранные функции плюс контроль параметров (температуры, освещения и т.д.). Все интерфейсы предусмотрены на плате, а выбор того или иного варианта реализуется при получении ТЗ от заказчика и прошивкой того или иного варианта программы. Если заказчик в процессе эксплуатации захочет изменить функции, то просто происходит перепрограммирование, дооснащение дополнительными внешними устройствами при необходимости и возврат системы заказчику. Универсальность системы немаловажна при выборе системы потребителем.
В качестве исходных данных для работы использован набор технических средств, в совокупности представляющих устройство сигнализации: микроконтроллер, мобильный телефон, датчики, считыватель ключей, зарядное устройство.
2. Теоретическая часть
2.1 Аналогичные системы оповещения
К наиболее популярными по частоте применения относятся системы охранной сигнализации с добавлением недорогих функций пожарной сигнализации.
В связи с тем, что комплексные системы сигнализации зачастую производятся по высокой цене для обеспеченных клиентов.
Цель таких систем – охрана больших по площади территорий и зданий (коттеджи, предприятия, заводы, фабрики и др.).
Но и остальные граждане нуждаются в безопасности своего имущества. Рассмотрим некоторые системы оповещения.
2.1.1 Страж SMS 8x6 GPS
Система "Страж SMS 8x6 GPS" (рисунок 1) предназначается для контроля помещений и автомобилей, а так же для управления удаленными объектами.

Рисунок 1.Страж SMS 8х6 GPS
Главными особенностями этой модели являются:
Увеличенное количество входов и выходов (7 входов датчиков, вход сигнала постановки на охрану / 4 управляемых выхода, выход индикатора состояния стража, выход включения сирены).
Использование практически любых типов датчиков (аналоговые, цифровые (контактные)).
Управление посредством DTMF сигналов, что даёт возможность управлять системой не только через SMS-сообщения, но и с любого телефонного аппарата, поддерживающего тональный набор, и делать это в режиме реального времени.
Удаленный контроль и пополнение баланса средств на SIM-карте устройства.
Возможность "интеллектуального GPS контроля" - тревога при изменении GPS координат.
Наличие автоматического внутреннего обогрева позволяет работать при низких температурах.
Питание от 7.5В до 30В постоянного тока или от сети ~220В (при использовании сетевого адаптера).
Температурный диапазон -40С..+40С.
Основные преимущества «Страж SMS 8x6 GPS»:
Простота программирования и управления.
Тревожная информация об изменении состояния входов объекта передается в виде SMS-сообщений и звонков от данного устройства (до 3 телефонных номеров).
Возможны SMS по запросу с телефонов абонентов для получения информации:
— об остатке средств на счету;
— о статусе устройства (состояние охраны, питания, входов и выходов управления);
— о GPS-координатах устройства (если подключен GPS-приемник).
Возможно дистанционное управление самим Стражем и внешними устройствами, подключенными к нему DTMF-командой, позвонив на объект (управление 6 выходами исполнительных устройств).
Возможность подключения микрофона для удалённого прослушивания помещения при срабатывании датчика (в течение 4 минут).
Поддержка сотовых сетей GSM.
Встроенный Li-Ion аккумулятор (до 2 суток работы при пропадании внешнего питания).
Отсутствие жёсткой связки между возникновением события и управлением исполнительными устройствами.
Режим длительной работы - МикроПотребляющий режим, который позволяет работать от полностью заряженного аккумулятора в течение нескольких месяцев.
Контроль тока потребления внешними модулями и их автоотключение при неполадках в них.
Как работает система:
При срабатывании какого-либо из контролируемых датчиков, устройство дозванивается и/или рассылает SMS-сообщения по списку телефонов (до 3 номеров), предварительно записанных в SIM карту. Можно прослушать помещение в течение четырех минут (только при тревоге).
Подключаемые датчики могут быть:
аналоговыми (выдающие напряжение из интервала 0..15 В) - датчики движения, датчики утечки газа, пожарные датчики задымления и др.;
контактными (цифровыми) - кнопка, геркон, пожарный датчик, датчик объёма (ИК-датчик), акустический датчик.
Срабатывание датчиков контролируется независимо друг от друга, в соответствии с установками логики работы, которые располагаются в SIM-карте. Пример подключения одного из датчиков (датчика разбития стекла Pyronix) к системе "Страж SMS 8x6 GPS" представлен на рисунке 2.

Рисунок 2.Подключение датчика разбития стекла Pyronix к «Страж 8х6 GPS»
Также, с помощью Страж SMS 8х6 GPS можно управлять 6-ю различными исполнительными устройствами посредством DTMF команд. Например, удалённо обесточить помещение.
Выходы для исполнительных устройств представляют собой электронные ключи с максимальным коммутируемым напряжением 30В и максимальным током 0,5А. Маломощные исполнительные устройства можно подключать непосредственно к этим выходам, а более мощные - только через реле. СТРАЖем контролируется состояние каждого из этих выходов.
Удаленный контроль состояния системы:
Состояние системы можно проконтролировать в любой момент, позвонив на ее номер и передав специальную команду сигналами DTMF. При этом система отсылает контрольное SMS-сообщение. Таким образом, вы в любом момент будете знать состояние охранной системы, а в случае любой непредвиденной ситуации сразу же будете об этом оповещены. В ходе работы системы постоянно контролируются входные состояния датчиков, выходные состояния исполнительных устройств, наличие сети GSM и питающего напряжения.
Питание системы:
Страж автоматически подзаряжает встроенный аккумулятор когда к нему подключено внешнее питание (от 7.5В до 30В постоянного тока или от сети ~220В (при использовании сетевого адаптера)). При пропадании внешнего питания система питается от встроенного Li-Ion аккумулятора до 2-х суток. Схема системы рассчитана на эксплуатацию при пониженных отрицательных температурах окружающей среды (для охраны автомобиля и неотапливаемых помещений). Следует иметь ввиду, что автоматический внутренний обогрев работает только при наличии внешнего питания.
Цена: 7800 руб.
2.1.2 Visonic GA-1RS
GSM модуль – Visonic GA-1RS (рисунок 3).

Рисунок 3.Visonic GA-1RS
Технические характеристики устройства:
встроенный GSM модем (900/1800);
передача цифровых тревожных извещений (например, Contact ID) на телефонный приемник (например, RC12/RC112);
передача речевых сообщений на 4 стационарных или мобильных телефона пользователя;
передача СМС сообщений на 4 мобильных телефона пользователя;
управление системой охраны, устройств Х10 и прослушивание обстановки в помещении;
удаленное программирование и чтение журнала панели арт ССБ - 003 через GSM адаптер;
программирование маршрутизации сообщений с панели арт ССБ - 003;
режимы работы: GSM резервный канал, GSM основной канал, только GSM, только СМС;
выбор группы отправки СМС (тревоги, неисправности, снятие/постановки и т.д.);
передача сообщения в случае потери связи модуля с панели арт ССБ - 003;
просмотр текущего уровня сигнала от базовой станции RSSI;
питание от PowerMax+ и/или переменного напряжения 9В, встроенного аккумулятора;
подзарядка аккумулятора от панели арт ССБ - 003 или сетевого адаптера;
потребление тока 30мА/максимум 400мА (в режиме передачи сообщений);
подключение к панели арт ССБ - 003 посредством RS232 (максимальное расстояние 12м);
диапазон рабочих температур 0...49C;
габариты 185х108х43 мм;
вес 500 гр.
Цена: 8 500 руб.
2.1.3 Страж-GSM-M
«Страж-GSM-M» (рисунок 4) предназначен для охраны квартир, офисов, дач, автомобилей и других объектов охраны и осуществляет оповещение через сеть сотовой связи стандарта GSM посредством звонка на заданные телефонные номера (до 3-х номеров).

Рисунок 4.Страж-GSM-M
Как работает охранная система:
Физически и «Страж GSM-M» представляет собой модифицированный сотовый телефон «Motorolla M3x88», снабженный входом для подключения датчиков (в комплект поставки входит один герконовый датчик). Возможно использование любых типов датчиков с нормально замкнутым контактным выходом. При этом все функциональные возможности телефона сохраняются.
Для увеличения эффективности охранной системы советуем уделить особое внимание скрытности расположения самого устройства. Также следует убедиться в том, что в месте установки «Стража GSM-M» уровень сигнала приема достаточен.
После срабатывания (размыкания) датчика устройство сразу производит дозвон по заданным телефонным номерам с интервалом 2 минуты. Длительность дозвона по каждому из номеров составляет 30 с. На телефонах, на которые осуществляется дозвон, предполагается наличие функции АОН. Определение АОНом номера телефона «Стража GSM-M» означает срабатывание тревожной сигнализации. Поскольку при этом нет необходимости отвечать на звонок, нет расходования средств с баланса телефона «Стража GSM-M», за исключением абонентской платы.
«Страж GSM-M» имеет ряд уникальных достоинств, отсутствующих у других систем охраны:
Практически неограниченный радиус действия. Вы можете проконтролировать свою собственность в Москве даже из Пуэрто-Рико, не говоря о Подмосковье.
Монтаж систем чрезвычайно прост: просто подсоедините датчики к телефону, включите телефон и запрограммируйте нужные номера телефонов и текст для оповещения. Никаких лишних проводов.
Телефон имеет встроенный аккумулятор, поэтому повреждение сети питания 220 В (или отключение аккумулятора автомобиля, в случае использования в качестве автомобильной сигнализации) не скажется на надежности оповещения.
«Страж GSM-M» очень экономен в использовании за счет того, что Вам не нужно отвечать на входящий звонок.
Вы можете контролировать состояние нескольких объектов, так как «Страж GSM-M» идентифицирует объект по номеру установленного на нём мобильного телефона.
Монтаж системы:
Монтаж этой охранной системы несложен. Телефон закрепляется в укромном месте так, что бы была доступна клавиатура телефона (с неё производится программирование системы, постановка и снятие с охраны), устанавливается необходимое количество датчиков и подключаются к разъёму телефона. Телефон подключается к сети 220 В через прилагаемый блок питания. Программируются номера и сообщения для оповещения.
Цена: 3 200 руб.
2.2 Сравнительная характеристика систем оповещения
Рассмотри три аналога наиболее подходящих по характеристикам и функциональному назначению разрабатываемому устройству. Цель сравнения состоит в подтверждении факта актуальности и необходимости конечного электронного средства в потребительском сегменте российского рынка.
Табл. 1. Характеристики прототипов
|
РЭС №1 |
РЭС №2 |
РЭС №3 |
РЭС №4 |
|||||
|
Цена, руб. |
7800 |
2 |
8500 |
0 |
3 200 |
4 |
1 050 |
6 |
|
События при падении питании/аккумулятора |
+/+ |
+/+ |
+/+ |
+/+ |
||||
|
Круглосуточный контроль входов |
+ |
+ |
+ |
+ |
||||
|
Дискретные датчики |
+ |
+ |
+ |
+ |
||||
|
Аналоговые датчики |
+ |
6 |
+ |
6 |
– |
0 |
– |
0 |
|
Простота в эксплуатации |
– |
0 |
– |
0 |
+ |
6 |
+ |
6 |
|
Температурный диапазон всего решения, включая GSM-терминал. |
-20С...+40С |
2 |
0С..+49С |
4 |
-20С..+60С |
6 |
-20С..+60С |
6 |
|
Рейтинг |
10 |
10 |
16 |
18 |
РЭС №1 - Страж SMS 8x6 GPS
РЭС №2 - GSM модуль – Visonic GA-1RS
РЭС №3 - Страж GSM-M
РЭС №4 - GSM-сигнализация
«+» - функция присутствует
«–» - функция отсутствует.
В таблице представлен рейтинг производимый по принципу распределения баллов от 0 (худшее значение сравниваемого параметра из предложенных) до 6 (лучшее значение сравниваемого параметра). Внизу таблицы приведены итоги сравниваемых параметров по семи балльной шкале. GSM – сигнализация не сильно превосходит Страж GSM-M. Но заметим, что РЭС №3 дороже РЭС№4, причина тому сложное изготовление устройства или уже зарекомендованная его марка на рынке.
Обратим внимание на большое число сходств и не принципиальное техническое различие рассматриваемых устройств. Не смотря на это, ценовой спектр широк для среднего класса граждан. И проектируемое устройство по соотношению функциональность/цена превосходит своих конкурентов.
2.3 Классификация систем оповещения
Большое количество различных систем оповещения от элементарного дверного звонка до комплексной многофункциональной системы контроля предприятия площадью в несколько десятков тысяч квадратных метров с прилегающими к нему земельными территориями могут привести среднего гражданина в состояние полной неопределенности выбора. В таком случае в первую очередь необходимо обратить внимание на желания и возможности заказчика, на их соответствие и реальность воплощения. Для этой цели иметь представление о разнообразии видов, классов, групп и других градациях систем видится первоочередной задачей на этапе принятия выбора.
2.3.1 Виды систем оповещения
Сигнализация – получение, обработка, передача и представление в заданном виде потребителям при помощи технических средств информации о несанкционированном событии на охраняемых объектах.
Основные функции сигнализации обеспечиваются различными техническими средствами. Для обнаружения служат извещатели, для обработки, протоколирования информации и формирования управляющих сигналов тревоги – приемно-контрольная аппаратура и периферийные устройства.
Система пожарной сигнализации предназначена для своевременного обнаружения места возгорания и формирования управляющих сигналов для систем оповещения о пожаре и автоматического пожаротушения.
Кроме этих функций, пожарная сигнализация должна формировать команды на включение автоматических установок пожаротушения и дымоудаления, систем оповещения о пожаре, технологического, электротехнического и другого инженерного оборудования объектов.
Системы охранной сигнализации выполняют задачи своевременного оповещения службы охраны (в нашем случае, владельца) о факте несанкционированного проникновения или попытке проникновения людей в здание или его отдельные помещения с фиксацией даты, места и времени нарушения рубежа охраны.
Системы охранно-пожарной сигнализации совмещают в себе все характеристики как систем охранной, так и пожарной сигнализации.
Комплексные системы сигнализации.
Для того чтобы обеспечить полную безопасность объекта необходимо определить все возможные факторы угрозы. Факторы угрозы могут быть следующими: проникновение, нежелательный пронос предметов, негласный съем информации (аудио-видео запись, компьютерные атаки и т.д.), технологические аварии (утечки воды, газа и т.д.), пожар. Исходя из этого, оптимизируя меры защиты, проектируются комплексные системы безопасности из необходимых компонентов: системы контроля и управления доступом; инженерная защита объекта; защита информации.
Системы оповещения делятся на типы по степени интеграции различными видами датчиков, контрольно-измерительной аппаратуры и периферийных устройств.
2.4 Электронные блоки систем оповещения
Система может выполнять не только функции фиксации факта проникновения, но и контролировать все остальные опасные аварийные ситуации:
- возникновения пожара;
- утечка газа;
- затопление.
Система может быть оборудована функцией срочного вызова скорой помощи, милиции и т.п. автодозвона хозяину.
Системы охранной сигнализации включают:
- датчики – чувствительные элементы, преобразующие контролируемый параметр в электрический сигнал;
- пульт-концетратор – центральное устройство системы сигнализации, выполненное на базе микропроцессора;
- исполняющие устройства – подключаются к центральному пункту при помощи проводной или беспроводной связи.
В охранных сигнализациях в качестве исполняющих устройств обычно используются:
- сирена;
- свет (мигающий или полный);
- ПК, видеомагнитофон или принтер для регистрации времени, места и характера нарушения. Большинство систем охранной сигнализации дополняются датчиками утечки газа или затопления (монтируются на полу). Датчики объединяются в зоны, именуемые шлейфами, которые охраняют определенный объект или его часть.
В охранных системах обычно используются следующие датчики:
- инфракрасные датчики движения – срабатывают при попадании в зону движущегося объекта, излучающего тепло (например, человека), отличаются зоной чувствительности (90-110 градусов), устойчивостью к ложным срабатываниям (например, на включение/отключение батарей отопления в зоне чувствительности датчиков);
- датчики разбития стекла – акустические датчики, реагируют на звон бьющегося стекла, двухпороговые датчики регистрируют звук удара по стеклу и приэтом расположение датчика может находится на расстоянии да 7,5 м от стекла;
- фотоэлектрического датчика – используются для бесконтактного блокирования пролетов, дверей, окон, проемов, коридоров и т.п., срабатывают при попытке пересечь систему лучей;
- микроволновые и ультразвуковые датчики – имеют те же функции, что и вышеперечисленные, их отличает более низкая устойчивость к ложным срабатываниям и высокие цены;
- контактные – ленты из тонкой алюминиевой фольги, которые клеятся на стекло, стену дверь и т.д., и которые рвутся при разрушении основания.
Пульт-Концетратор:
- принимает сигналы от пультов дистанционного управления и от датчиков охраняемых зон;
- могут подключаться к персональным ЭВМ для обработки и регистрации сигналов тревоги;
- могут принимать и передавать сообщения по телефонной сети через коммуникационный модуль в автономном режиме или через мобильный телефон посредством GSM технологии;
- коммуникационный модуль позволяет принимать сигнал тревоги по телефону на районном или городском пульте охраны;
- в зависимости от модели могут обслуживать как большой объект или систему построек, так и квартиру.
2.5 Выводы
В данном разделе бакалаврской работы был проведен анализ существующих устройств оповещения аналогичных разрабатываемому. Также рассмотрены все виды систем оповещения и электронные блоки систем оповещения. В результате получили, что разрабатываемое устройство удовлетворяет по своим характеристикам и функциональности.
3. Практическая часть
3.1 Постановка задачи
На основе вышесказанного в настоящей бакалаврской работе ставится задача разработать микропроцессорное устройство, отвечающее за контроль и своевременное оповещение о наступлении того или иного события. С необходимыми для изготовления чертежами схемами по единому российскому стандарту.
3.2 Описание охраняемого пространства
Под моделью охраняемого пространства будем понимать крытое трехкомнатное одноэтажное кирпичное здание с одной входной стальной дверью. Площадь комнат примем 4 х 5 х 2,5 м.
3.3 Состав системы
По итогам изучения видов и существующих действующих образцов систем оповещения определим состав разрабатываемой системы.
Центральный блок, устанавливаемый в недоступном месте и управляющий работой всей системы;
Считыватель ключей, со встроенным светодиодом для индикации;
Два ИК – датчика движения;
Температурный датчик;
Накладной магнитно-контактный датчик для входной двери;
Мобильный телефон для дистанционного оповещения владельца о возникшей проблеме.
3.1.1 Выбор микроконтроллера для центрального блока
Микроконтроллер – микросхема, предназначенная для управления электронными устройствами. Эти микросхемы являются основой для построения встраиваемых систем, их можно встретить во многих современных приборах, таких как телефоны, стиральные машины и т. п. На сегодняшний день существует более 200 модификаций микроконтроллеров. Популярностью у разработчиков пользуются 8-битные микроконтроллеры PIC фирмы Microchip Technology и AVR фирмы Atmel, 16-битные MSP430 фирмы TI, а также ARM. В то время как 8-разрядные процессоры общего назначения полностью вытеснены более производительными моделями, 8-разрядные микроконтроллеры продолжают широко использоваться. Это объясняется тем, что существует большое количество применений, в которых не требуется высокая производительность.
В разрабатываемом устройстве данной бакалаврской работы не понадобится высокопроизводительный микроконтроллер (такие как 16-битные MSP430), так как число задач в системе оповещения будет не велико.
|
Характеристики |
Attiny2313 |
PIC16F628A |
|
|
БЫСТРОДЕЙСТВИЕ |
Макс. Такт. Частота (МГц) |
20 |
20 |
|
|
Flash-памяти программ (байт) |
2048 |
2048 |
|
ПАМЯТЬ |
EEPROM (байт) |
128 |
128 |
|
|
SRAM (байт) |
128 |
224 |
|
|
Число портов ввода/вывода |
18 |
16 |
|
|
Последовательный интерфейс |
USART |
USART |
|
ПЕРЕФИРИЯ |
Встроенный тактовый генератор |
Есть |
Есть |
|
|
Напряжение питания |
2,7-5,5 В |
3-5,5 В |
|
|
Аналоговый компаратор |
Есть |
Есть |
|
ДОП. ХАР-КИ |
Детектор пониженного питания |
Есть |
Есть |
|
|
Ценна, руб. |
45 |
95 |
Рассмотрим и сравним между собой два наиболее популярных 8-разрядных микроконтроллера, которые широко используются на данный момент. Цель этого сравнения состоит в выборе наиболее подходящего микроконтроллера для центрального блока разрабатываемой системы.
В таблице представлены основные характеристики двух микроконтроллеров: Attiny2313 и PIC16F628A. Заметим, что два данных микроконтроллера, сравниваемых между собой по характеристикам, не сильно отличаются друг от друга. Следовательно, каждый микронтроллер может быть использован для разработки центрального блока системы оповещения. Однако ценовой фактор остается решающим. Поэтому для разрабатываемого устройства выбирается Attiny2313 (рисунок 5).

Рисунок 5.ATtiny2313
3.1.2 Считыватель ключей
Для постановки/снятия в режим «Охрана», разрабатываемой системы сигнализации, будет использоваться считыватель ключей Touch Memory. Touch Memory (буквально, контактная память) - это электронный ключ - идентификатор (в обиходе "таблетка", брелок), носитель данных для автоматической идентификации уникального кода (рисунок 6).
Ключ Touch Memory - это микросхема, размещенная в прочном герметичном корпусе, изготовленном из нержавеющей стали, что обеспечивает повышенную устойчивость к воздействиям внешней среды. Верхняя крышка электрически изолирована от остальной части цилиндра полипропиленовой втулкой и является контактом данных. Нижняя часть цилиндра имеет фланец, для облегчения крепления, и является общим контактом.
Ключ Touch Memory в паре "ключ - контроллер" является пассивным элементом. Это означает, то ключ не имеет внутреннего источника питания.
У ключей Touch Memory не существует двух идентичных изделий (64-х разрядный регистрационный номер).
Производитель ключей Touch Memory - компания Dallas Semiconductor, USA (ныне подразделение Maxim Integrated Products).

Рисунок 6. Ключ Touch Memory
В качестве считывателя ключей будет использоваться обычная кнопка запроса данных, со встроенный светодиодом КС-05 (рисунок 7).
Технические характеристики КС-05
-
Назначение
системы контроля доступом
Материал
металл
Исполнение
накладное
Цвет
чёрный
Контакты
НР
Размеры
Ш38х10 мм

Рисунок 7. Считыватель ключей КС-05
3.1.3 Датчики
В разрабатываемой системе буду использовать только дискретные датчики: инфракрасные датчики движения, пожарный дымовой датчик и накладной магнитно-контактный датчик для входной двери.
Инфракрасный датчик движения Pyronix Colt XS:
Извещатели охранные Pyronix Colt XS предназначены для обнаружения несанкционированного проникновения на охраняемые территории.
Используются для установки в охранно-пожарные системы [ ОПС ].
Запатентованные технологии, используемые при разработке и создании извещателя Pyronix Colt XS, позволили существенно повысить помехоустойчивость: достичь оптимального отношения чувствительности при устойчивости к ложным срабатываниям.
Дополнительно стоит отметить, что дальность действия извещателя Pyronix Colt XS составляет 15 метров.
Функциональные параметры Pyronix Colt XS:
Экранированное реле
Высококачественный двухплощадный пироэлемент
Герметичная оптика
Варианты линз: №1, №2, №3, №4
Фильтр белого света
Помехоустойчивость к радиоизлучению
Светодиодная индикация срабатывания
Перемычка отключения индикации
Низкое энергопотребление
Упреждающая температурная компенсация [ATC]
Срабатывание по импульсу любой полярности
Аналоговый подсчет импульсов [1-й, 2-й или 3-й импульс]
Фиксация платы через шпоночный паз
Антистатический корпус с толщиной стенки 3 мм.
Фиксация лицевой крышки винтом
Регулировка дальности действия от 5 до 15 м.
Технологический паз для укладки соединительных проводов
Поворотный кронштейн Pyronix EB1 в комплекте
5 лет заводской гарантии
Технические параметры Pyronix Colt XS:
Тип: ИК пассивный
Монтаж: Настенный
Пироэлемент: Двухплощадный
Максимальная дальность действия: 15 м
Время выдачи тревожного извещения: >1 сек
Нагрузка на контакты реле: до 100 В, до 75 мА
Нагрузка на выход самоохраны: до 12 В, до 50 мА
Электропитание: 9 - 16 В DC
Энергопотребление в дежурном режиме: 15 мА
Энергопотребление в режиме срабатывания: 15 мА
Размеры (ШхВхГ): 52x61x40 мм
Температурный диапазон: -30 … +70 ºC
Вес: 72 г
Цвет прибора: Белый
Материал корпуса: Пластик
Отделка корпуса: Полировка

Рисунок 8. Внешний вид датчика и его диаграмма направленности зоны обнаружения
Извещатель пожарный оптико-электронный дымовой ИП 212-41М:
Датчик предназначен для обнаружения возгорания, сопровождающегося появлением дыма малой концентрации в закрытых помещениях. Извещатель ИП 212-41 (ДИП-41) работает с приборами приемно-контрольными российского и зарубежного производства с постоянным или переменным напряжением в шлейфе от 7,5 до 30 В. Извещатель формирует сигнал «ПОЖАР» уменьшением внутреннего сопротивления до величины не более 500 Ом. Сброс извещателя из состояния «ПОЖАР» производиться снятием напряжения питания на время не менее 1,5 с. Извещатель ИП 212-41 (ДИП-41) имеет встроенный оптический индикатор срабатывания и обеспечивает возможность подключения выносного устройства оптической сигнализации (ВУОС).
Функциональные параметры ИП 212-41М:
Защищаемая площадь - до 85 кв.м.
Светодиодный индикатор состояния; в тревожном режиме светится постоянно.
Чувствительность (порог срабатывания) извещателя соответствует концентрации дыма, обеспечивающей ослабление светового потока в пределах 0,05 … 0,2 дБ/м.
Инерционность срабатывания извещателя не более 5 с.
При изъятии извещателя из розетки в шлейфе приемно-контрольного прибора режима формируется сигнал НЕИСПРАВНОСТЬ.
Возможно подключение выносной оптической сигнализации (ВУОС).
Расширенный температурный диапазон от -25°С до + 55°С позволяет устанавливать эти пожарные извещатели в неотапливаемых помещениях.
Степень защиты оболочки извещателя IP30.
Средний срок службы не менее 10 лет при соблюдении правил технического обслуживания.
Норма средней наработки на отказ с учетом техобслуживания - 60 000 ч.
Oсновныe пapaмeтpы:
Монтaж: Потолочный
Элeктpопитaниe: 9 … 30 В DC
Энepгопoтpeблeниe в дeжуpном peжимe: 50 μА
Энepгопoтpeблeниe в peжимe сpaбaтывaния: < 30 мА
Индикaция тpeвоги: Красный светодиод
Paзмepы [ШхBхГ]: Ø 105 Х 60 мм
Тeмпepaтуpный диaпaзон: -25 … +55 °C
Bec: 210 г
Цвeт пpибоpa: Белый

Рисунок 9. Внешний вид ИП 212-41М
Датчик магнитно-контактный ИО-102-4:
Общее описание ИО-102-4:
ИО-102-4 является мииатюрным накладным магнито-контактным извещателем. ИО-102-4 закрепляют на основание с помощью винтов, он имеет белый цвет. Длина выводов проводов ИО-102-4: 160 - 500 мм. Они изготовлены из провода в полихлорвиниловой изоляции, диаметр проводника составляет 0.12 мм или 0.2 мм.
Расстояние
срабатывания ИО-102-4 минимум: 1/2 дюйма
(12,7 мм).
Технические особенности
ИО-102-4
Диапазон коммутируемого переменного и постоянного тока при напряжении от 10 до 72 В
Максимальное количество срабатываний 10 "6
Выходное сопротивление при коммутируемом токе коммутации 100 мА: разомкнутых контактов 200 кОм, замкнутых контактов 0,5 Ом
Диапазон рабочих температур, 0С -50 -+50
Растояние между магнитом и герконом, мм: более 45 при размыкании, менее 10 при замыкании
Относительная влажность при 30С, 98%
Габариты, мм: 31 х 13 х 6,5

Рисунок 10. Датчик магнитно-контактный ИО-102-4
3.4 Работа системы
После включения питания или нажатия кнопки Reset устройство входит в тот режим, в котором было последний раз – “ожидание постановки на охрану” или “охрана”. Но если же телефон не подключен или с ним какие-то проблемы, то светодиод будет очень редко вспыхивать (горит ~0,5 сек, ~5сек пауза), пока не подключат телефон или проблема не решиться.
В режиме “ожидание постановки на охрану” устройство ждёт поднесения ключа к считывателю. Если ключ поднесли, он есть в памяти, все зоны закрыты, то светодиод моргнёт длинными вспышками три раза и устройство встанет в режим “охрана”. Если же хоть одна из зон не закрыта, то устройство моргнёт три раза короткими вспышками и не встанет в режим “охрана”. Закрытой зоной считается зона, которая закорочена на землю. Если вам не нужно все четыре зоны, то лишние должны быть тоже закрыты. Если же поднесённого ключа нет в памяти, то светодиод также моргнёт три раза.
В режиме “охрана” светодиод изредка моргает, опрашиваются все зоны на разрыв и проверяется наличие внешнего питания. При разрыве любой из зон на номера телефонов, занесённые в память мобильного телефона, отправляются СМС и поступают кратковременные вызовы. После чего светодиод начинает быстро моргать, и устройство ожидает выхода из этого режима прикосновением ключа к считывателю, который есть в памяти. Если в этом режиме произойдёт отключение внешнего питания, то на все номера однократно придёт СМС с текстом “Otklucheno vneshnee pitanie”, а устройство, как уже было сказано, будет продолжать работу от аккумулятора мобильного телефона. Выход из этого режима и переход в режим “ожидание постановки на охрану” произойдёт при поднесении ключа, который имеется в памяти.
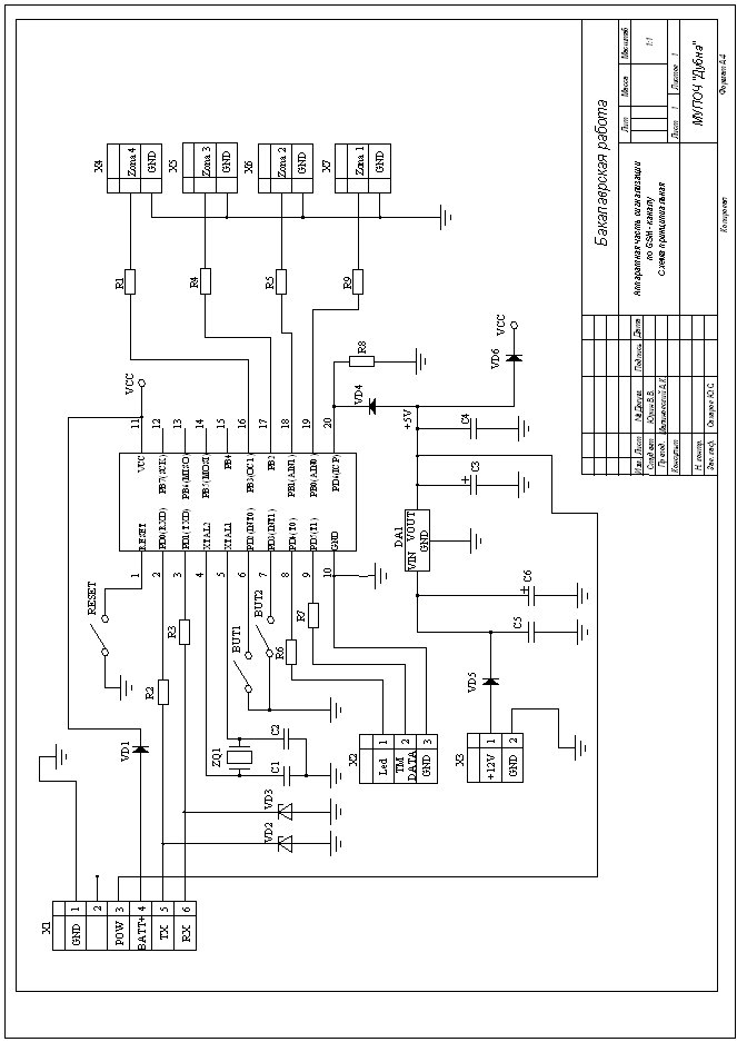
На рисунке 11. приведен пример работы системы.

Рисунок 11. Работа GSM-сигнализации
Режим программирования и настройки телефона. В этом режиме программируются ключи в память, и настраивается телефон для работы. Для начала следует стереть все СМС и номера телефонов, находящиеся в памяти телефона и на СИМ карте, с которой будет работать телефон. После чего нужно создать в записной книжке от одного до трёх телефонов, на которые в дальнейшем будут поступать звонки и СМС. На этом операции с телефоном закончены.
После чего нужно войти в режим программирования устройства. Для чего нажмите кнопку But1 и, удерживая её, нажмите и отпустите кнопку Reset. Опустите кнопку But1. Светодиод на считывателе начнёт моргать: один раз вспыхнул, затем пауза и т.д. Это свидетельствует о входе в первый режиме программирования.
В первом режиме программирования заносятся ключи, которые будут использоваться в память устройства. Для занесения ключа в память, коснитесь им считывателя. Светодиод моргнёт три раза – это говорит об успешном программировании ключа в память. И так до трёх ключей. Для перехода во второй режим программирования нажмите кнопку But1, пока светодиод не перестанет моргать, после чего опустите кнопку. Светодиод на считывателе начнёт моргать: два раза вспыхнул, затем пауза и т.д. Это свидетельствует о входе во второй режиме программирования.
Во втором режиме программирования, ранее запрограммированные ключи, при поднесении их к считывателю, будут стираться из памяти. То есть всё противоположно первому режиму: в первом записывали, во втором стираем. Для перехода в третий режим программирования, так же, нажмите кнопку But1, пока светодиод не перестанет моргать, после чего опустите кнопку. Светодиод на считывателе начнёт моргать: три раза вспыхнул, затем пауза и т.д. Это свидетельствует о входе в третий режиме программирования. В третьем режиме стираются все ключи, без поднесения их к считывателю. Для этого нажмите и удерживайте кнопку But2, пока светодиод не сделает паузу, а мотом моргнёт три раза. Это будет означать что все ключи стёрты. Для перехода в четвёртый режим программирования, аналогично, нажмите кнопку But1, пока светодиод не перестанет моргать, после чего опустите кнопку. Светодиод на считывателе начнёт моргать: четыре раза вспыхнул, затем пауза и т.д. Это свидетельствует о входе в четвёртый режиме программирования.
Четвёртый режим программирования нужен для подготовки телефона, а конкретно, для создания в телефоне СМС, которые он потом будет отправлять. Для этого нажмите кнопку But2, пока светодиод не перестанет моргать. После чего отпустите кнопку. Устройство создаст в памяти телефона пять СМС и моргнёт светодиодом три раза. Эти СМС будут потом использоваться при работе, а именно СМС с текстом “Vzlom zoni 1” будет отправляться при разрыве шлейфа Zona1 и т.д. Вы можете отредактировать эту(эти) СМС написав нужный текст вам, например “Vzlom Garaja”. Но только отредактировать, а не стирать и создавать новые СМС, иначе устройство не сможет работать.
И пятая СМС с текстом “Otklucheno vneshnee pitanie” будет отправляться, если в режиме охраны пропадёт питание 12вольт. Устройство при этом ещё какое-то время сможет работать от аккумулятора телефона.
Четвёртый режим программирования был последний режим программирования. Для выхода из любого режима программирования нажмите кнопку Reset.
3.5 Конструкторская часть
На основе широкого анализа технического задания проводятся конструкторские расчеты с целью построения устройства с помощью предприятия-изготовителя электронных устройств. Особое внимание уделено конструкторским расчетам на механические, температурные воздействия, воздействия ускорения при вибрации.
3.5.1 Разработка и анализ ТЗ
Из ГОСТА известно, что ТЗ представляет собой документ, устанавливающий основное назначение и показатели качества изделия, технико-экономические и специальные требования, предъявляемые к разрабатываемому изделию, объему, стадиям разработки и составу конструкторской документации (КД).
Очевидно, что началом действий проектирования в любом случае должен стать этап подготовки исходных (априорной информации) о проекте. Подготовка включает в себя сбор и систематизацию информации в виде технического задания (ТЗ) на разработку. ТЗ по сути является документом, который должен учесть все факторы, влияющие на результат – конструкцию РЭС.
Содержание ТЗ представляет собой объединение следующих исходных данных:
- совокупность требований к изделию (технических, экономических, производственных и др.);
- необходимые стадии разработки и строки прохождения стадий;
- состав КД (ГОСТ 15.001-73).
3.5.2 Техническое задание
Технические требования
Радиотехническое назначение объекта: прием, передача, обработка информации;
Класс объекта установки – наземный стационарный, работающий в отапливаемых наземных и подземных помещениях (1 группа);
Климатическое исполнение – У (умеренный климат со среднегодовыми изменениями температуры + 40ºС и -45ºС);
Категория размещения на объекте – 3 (в закрытых помещениях с естественной вентиляцией без кондиционирования).
Конструктивные требования
Масса m ≤ 250 г.;
Электромагнитная защита отсутствует;
Необходима сеть питания.
Требования по надежности
Группа безотказности по последствиям отказов III (утрата изделия или расходы на ремонт);
Класс восстанавливаемости II (восстанавливаемые изделия, которые после капитального ремонта должны рассматриваться как новые, а в течение срока службы подвергаются операциями технического обслуживания, текущего и среднего ремонта: вещательные РЭС);
Режим эксплуатации IV (общий – случайные периоды ожидания и действия).
Производственные и экономические требования
Производство мелкосерийное, крупносерийное;
Группа по стоимости разработки и производства – 2 (промежуточная).
Преемственность
Для данной работы в качестве прототипа был заимствован…
Условия эксплуатации
Группа по условиям эксплуатации – I (Стационарная РЭА, работающая в отапливаемых помещениях);
Условия работоспособности: температура от -40ºС до +40ºС, влажность 45-80% при t=25ºС, давление 630 -800 мм.рт.ст.;
Механические воздействия: вибрация f=10…30 Гц, ускорение вибрации A=2g.
Требования к патентной чистоте изделия
В данной работе не использовались решения, запатентованные в России или других странах
3.5.3 Состав изделия и требования к конструктивному устройству
Наименование, число и назначение основных частей;
Разрабатываемое в данной работе РЭС состоит из следующих основных частей:
- датчики (до 4 штук) – контролируют охраняемый периметр, в случае несанкционированного проникновения передают на микропроцессор сигнал тревоги.
- мобильный телефон – принимает от МП управляющие сигналы, для передачи на телефон владельца охраняемого участка для контроля и настройки процесса работы МП.
- микроконтроллер – ядро всего устройства, содержащее необходимую информацию в виде программного кода, записанного во встроенное ПЗУ, в котором прописан алгоритм работы системы.
- считыватель ключей – устройство, с помощью которого система сигнализации ставится/снимается в режим охрана.
Конструкторские требования (габариты, установочные, присоединительные размеры и др.);
РЭС должно удовлетворять: габариты устройства в собранном виде ≥ 78x78x28 мм;
Крепление на плоскости площадью ≥ 78x78x28 мм; электромагнитная защита отсутствует
Масса РЭС ≥60 г.
Требования по охране окружающей среды;
Условия эксплуатации соответствуют европейским стандартам охраны окружающей среды и человека. В конце срока службы радиоэлектронного средства необходима утилизация согласно мировым стандартом и ГОСТ.
Требования взаимозаменяемости;
Ремонт устройства и замена вышедших из строя частей производится исключительно техническими специалистами с высшим образованием в области электронной техники.
Требования устойчивости к моющим средствам;
Уход за поверхность корпуса устройства осуществляется влажными моющими средствами без полного погружения во влажную среду и обязательно в выключенном состоянии.
Требования помехозащищенности и предотвращения выделяемых помех;
В схеме предусмотрен принцип изолирования объекта от воздействующего поля посредством вариаций материала корпуса. Таким образом, можно использовать либо принцип отражения, либо поглощения, либо комплексации воздействующего поля. Конечно, возможно повысить помехоустойчивость самого защищаемого РЭС конструкторским методом, а именно применение экранов (электромагнитное экранирование).
Требования к ЗИП по виду (одиночный или групповой) и составу.
К устройству прилагаются инструкции по установке, эксплуатации и настройке. Монтаж и демонтаж устройства в домашних условиях с использованием подручных инструментов производится в соответствии с указанными руководствами. Также вместе с устройством поставляется крепежное оборудование: провода, кабели, крепления, схема крепежа, крепеж, болты и гайки.
Показатели назначения
Устройство предназначено для приема, передачи, обработки и индикации информации. Основная цель разработки – создание универсального микропроцессорного устройства для охраны помещения и извещения о состоянии системы посредством GSM-технологий на базе мобильных телефонов Siemens с использованием последней версии микроконтроллера фирмы ATMEL.
Качество функционирования (мощность, чувствительность, разрешающая способность) зависит от типа применяемых датчиков и используемых мобильных аппаратов.
Требования технологичности
Допускается мелкосерийное и крупносерийное производство с группой по стоимости разработки и производства – 2 (промежуточная).
По условиям эксплуатации устройство относится к 1 группе: стационарная РЭА, работающая в отапливаемых помещениях;
Работоспособность прибора характеризуется: температурой от -40 до +40 ˚С, влажностью 45 – 80% при t=25 ˚С, давлением 630 –800 мм.рт.ст. и механическими воздействиями: вибрация частотой f=10…30 Гц, ускорением A=2g.
Требования к уровню унификации и стандартизации
Создаваемое РЭА разрабатывается согласно существующих нормативов, правил, стандартов и норм. Устройство не содержит нестандартных частей и элементов, что дает возможность создания аналогов без каких-либо дополнительных разработок и проектов. В собранном и настроенном виде прибор готов к использованию по прямому назначению
Требования безопасности, эстетические и эргономические, требования к патентной частоте
В данной работе не используется решения, запатентованные в России или других странах. Нормы технической безопасности при использовании и эргономично спроектированный корпус основного устройства создают конкурентно способный товарный вид РЭА.
Условия эксплуатации
Условия, в которых конструкция должна быть работоспособной;
Конструкция остается работоспособной при соблюдении следующих параметров:
Работа в отапливаемых наземных и подземных закрытых помещениях с естественной вентиляцией без кондиционирования;
Температура от -40 до +40 ˚С, влажностью 45 – 80% при t=25 ˚С, давлением 630 –800 мм.рт.ст;
Допустимые кратковременные воздействия климатических факторов;
Температура от -45 до +45 ˚С не более 10 минут; влажность 30 – 85% при t=25 ˚С не более 30 минут; давление 450 – 900 мм.рт.ст. не более часа.
Механические воздействия
Вибрация с частотой f=10…30 Гц и ускорение A=2g.
Виды обслуживания (постоянное или периодическое, необслуживаемое исполнение), необходимое количество и квалификация персонала.
Исполнение конструкции – периодически обслуживаемое (по мере появления отказов в работе). Ремонт производится одним специалистом с наличием высшего технического профессионального образования.
Указание к упаковке, транспортированию и хранению
При соблюдении условии эксплуатации период хранения не ограничен. Подвергается транспортировке любыми транспортными средствами при обязательной индивидуальной упаковке в плотный негнущийся материал (одно устройство – одна упаковка).
Требования к унификации и стандартизации
Создается согласно имеющихся европейских и российских стандартов, норм и ГОСТов.
3.5.4 Разработка печатного узла
Печатная плата – плата, содержащая на своих поверхностях печатные проводники электрического тока с контактными площадками, служащие для соединения навесных элементов согласно электрической схеме функционального узла электро- или радиоаппаратуры, а также металлизированные (переходные) и неметаллизированные (крепёжные) отверстия.
Определение размеров печатной платы
Таблица 2. Геометрические размеры компонентов
|
Наименование |
Кол |
L, мм |
B, мм |
H, мм |
m, гр. |
Si, mm2 |
|
Диод КД522 |
4 |
3, 8 |
3, 8 |
2, 7 |
0, 25 |
14,44 |
|
Стабилитрон КС 147А |
2 |
4 |
3, 8 |
2, 7 |
0, 3 |
15,96 |
|
Конденсатор 10-17Б |
2 |
4, 2 |
3, 8 |
3, 2 |
0, 5 |
16 |
|
Конденсатор 10-17Б |
2 |
4, 2 |
3, 8 |
3, 2 |
0, 5 |
16 |
|
Конденсатор К50-20 |
1 |
17,8 |
3,4 |
3,4 |
4 |
192 |
|
Конденсатор К52-10-1 |
1 |
8,1 |
8,1 |
10,1 |
0,1 |
21,16 |
|
Резистор С2-33H(300ом) |
12 |
6 |
2, 2 |
2,2 |
0,15 |
13,2 |
|
Резистор С2-33H(1ком) |
1 |
6 |
2, 2 |
2,2 |
0,15 |
13,2 |
|
Кварцевый резонатор |
|
|
|
|
|
|
|
HC-49SM |
1 |
10, 3 |
3, 8 |
5 |
0, 6 |
39,14 |
|
Микроконтроллер |
|
|
|
|
|
|
|
Attiny 2313 |
1 |
26 |
8, 26 |
5, 3 |
3 |
214,76 |
|
Разъем WF-2 |
8 |
12 |
5, 1 |
5, 8 |
0, 9 |
61,2 |
|
Разъем WF-4 |
1 |
12 |
10, 2 |
5, 8 |
1, 8 |
122,4 |
|
Разъем WF-6 |
1 |
12 |
15, 3 |
5, 8 |
2, 7 |
183,6 |
|
Стабилизатор LM7805 |
1 |
4 |
2 |
6 |
0,5 |
8 |
|
Кнопки |
3 |
7,62 |
3 |
3,5 |
0, 6 |
22,86 |
Исходя из таблицы 1, можно определит площадь необходимую для установки элементов:
,
Где K>H>
– коэффициент определяющий установочную
площадь элементов, а S>i>
– площадь элемента, взятая из таблицы.
В расчетах корпуса устройства необходимо
учесть высоту данного модуля. Итак, т.к.
mm2,
то для K>H>
= 1,5, S=2089
mm2.
Площадь печатной платы рассчитывается исходя из установочной площади с учетом коэффициента использования площади K>S> по формуле:

Для K>S> =0,5 S>nn>= 4178 mm2.
Исходя из того, что рекомендуется выбирать размеры печатной платы близкими по величине, найдем сторону печатной платы квадратной формы:
mm
С учетом того, что плата устанавливается в корпус в специальные направляющие, необходимо увеличить размеры платы на 1мм с каждой стороны, т.е. L = 67 mm. Откуда S>nn> = 4489 mm2.
Примем размеры платы такими: 70x70 mm.
Размещение элементов и трассировка проводников
На схеме электрической принципиальной видно, что из-за небольшого количества элементов можно сделать предварительный вывод о том, что следующая задача трассировки будет решена в виде односторонней трассировки, то элементы на печатной плате расставим примерно в той же последовательности, в какой они размещены на схеме. Для экономии места некоторые элементы имеет смысл развернуть в горизонтальной или вертикальной плоскости либо немного сдвинуть относительно других элементов. За счет уменьшения числа пересечений проводников на плате можно добиться оптимального варианта: однослойной печатной платы. Однако в нашем случае из-за сложности печатной платы этого добиться не удалось и используется двухсторонняя печатная плата.
Разработка конструкторского блока
Блоком называется конструктивный модуль, который служит для электрического, механического и пространственного объединения ячеек (субблок, конструктивный модуль, объединяющий микроэлектронные узлы и обеспечивающий их защиту от различного рода воздействий), а также для их защиты от различного рода внешних воздействий.
Определение размеров блока
Размеры блока будут определятся размерами печатной платы. Высота самого высокого элемента на печатной плате будет влиять на высоту разрабатываемого конструкторского блока.
Исходя из того, что толщина печатной 2 mm, длины выводов элементов 1,5 mm, высота зазора между платой и элементами 2 mm и высота самого высокого элемента на плате 10,1 mm найдем высоту печатной платы с установленными на ней элементами: H = 2 + 1,5 + 2 + 10,1 +2*2 = 19, 6 (mm). Отсюда H>Бл> блока с учетом зазора 2 mm между печатным узлом и корпусом и толщиной корпуса 2 mm будет: H>Бл >= H + 2*2 + 2*2 = 27,6 ≈ 28 mm.
Найдем также длину и высоту блока: L>Бл>= B>Бл>= 70 + 2*2 + 2*2=78 mm. Отсюда L>Бл>xB>Бл>xH>Бл> блока будут 78x78x28
Эскиз печатной платы, блока и лицевой панели.
3.5.5 Конструкторские расчеты
Расчет температуры нагретой зоны ведется по методике лабораторных работ, при этом поверхность элемента заменяется ее тепловой моделью, в которой поверхность элемента представляется в виде параллелепипеда. Целью расчета является определение температуры поверхности наименее теплостойких элементов для оценки их надежности.
В эксплуатации разрабатываемое изделие подвергается воздействию температуры окружающей среды или температуры помещения, механическим воздействиям.
Температурные воздействия снижают надежность и являются одним из дестабилизирующих факторов. Характерными дефектами, вызванными тепловыми воздействиями, являются ухудшение изоляционных свойств материалов, изменения параметров перехода полупроводниковых приборов, значений емкостей и сопротивлений ЭРЭ, снижение механических свойств полимерных материалов.
При расчете температуры поверхности элемента его поверхность заменяется ее физической тепловой моделью, в которой поверхность элемента представляется в виде параллелепипеда. Полученные результаты являются ориентировочными и не претендуют на высокую точность. Целью расчета является определение температуры поверхности элемента для оценки его надежности.
Таблица 3. Предельное значение температур для каждого элемента
|
Элемент |
Максимальная температура среды t˚C |
|
Диод КД522 |
85 |
|
Стабилитрон КС 147А |
125 |
|
Конденсатор 10-17Б |
125 |
|
Конденсатор 10-17Б |
125 |
|
Конденсатор К50-20 |
70 |
|
Конденсатор К52-10-1 |
85 |
|
Резистор С2-33H(300ом) |
150 |
|
Резистор С2-33H(1ком) |
150 |
|
Кварцевый резонатор |
85 |
|
HC-49SM |
|
|
Микроконтроллер |
85 |
|
Attiny 2313 |
|
|
Разъем WF-2 |
70 |
|
Разъем WF-4 |
70 |
|
Разъем WF-6 |
70 |
|
Стабилизатор LM7805 |
60 |
|
Кнопки |
70 |
Определим эквивалентный коэффициент теплопроводности самого нетермостойкого элемента в корпусе.
Самым нетермостойким является стабилизатор LM7805, он имеет самый низкий верхний предел допустимых рабочих температур (60˚С). Если его температура при максимальной температуре эксплуатации (40˚С), не превышает предельно допустимой для нее температуры, то и для остальных элементов выполняется это условие, и следовательно, доработки конструкции не требуется.
Рассчитаем площадь занимаемую элементом по формуле:
S>Э> = L>э>*B>э>,
Где L>Э> = 0,04 m – длина элемента, B>Э> = 0,03 м – ширина элемента.
Получили: S>Э> = 0,0012 м2
Теперь рассчитаем размер эквивалентного источника

Получаем:

Рассчитаем критерий Био по формуле:
,
Где
Вт/м2
К
коэффициент теплоотдачи на поверхности
платы (в данной методике применяется
одинаковым для обеих сторон платы);
м
– толщина ПП;
Вт/м
К
– теплопроводность материала платы
.
Рассчитаем относительный перегрев по формуле:


Тепловая проводимость между элементом и платой определяем по формуле:

Вт/К
Проводимость между элементом и поверхностью корпуса:

Где
Вт/м2
К
– коэффициент теплопередачи на
поверхности корпуса, s
= 0,0000012 м2
– площадь части поверхности, с которой
происходит контакт.
Вт/К
Рассчитаем собственный перегрев элемента:
,
Где
Вт/К
– тепловая проводимость между ПП и
корпусом (для воздушной прослойки),
Вт
– мощность, рассеиваемая элементом.

Проверим условие:

По приближенным
оценкам
<
.
В результате расчетов получили, что
условие выполняется для самого слабого
элемента, следовательно, система не
нуждается в защите от тепловых воздействий,
так как это условие и для других элементов.
Расчет на механические воздействия
Вся РЭА подвергается воздействию внешних механических нагрузок, которые передаются к каждой детали, входящей в конструкцию.
Причинами механических воздействий являются вибрации и удары при возможном падении с места установки и при работе механизмов имеющих контакт с плоскостью установки РЭС.
Механические воздействия приводят к поломкам и деформациям несущих конструкций, отслаиванию печатных проводников, обрывам проводов, паразитной модуляции сигналов и др. Наибольшее разрушительное воздействие на конструкции оказывают вибрации.
Целью расчета является определение действующих на элементы изделия перегрузок при действии вибрации и ударов, а также максимальных перемещений и определение защищенности от механических воздействий.
При расчете используются данные из таблиц «Геометрические размеры компонентов» и «Перечень компонентов». Рассчитаем цилиндрическую жесткость платы:

Где
–
модуль упругости материала ПП
(стеклотекстолит);
м
– толщина печатной платы;
V=0,25 –коэффициент Пуассона.
Подсчитаем суммарную массу печатного узла.
Для этого вычислим массу ПП и массу установлены ПП элементов.
Масса ПП
вычисляется исходя из того, что
(плотность ПП) равна 2400 кг/м3,
а ее геометрические размеры L>ПП>хB>ПП>хH>ПП>:
70х70х2 (мм). В этом случае объем ПП будет
равен:
м3.
И соответственно масса ПП будет равна:
(кг)
Рассчитаем теперь суммарный вес элементов, установленных на ПП.
(кг).
Откуда,
(кг)
Рассчитаем частоту собственных колебаний платы с учетом того, что плотно крепится с трех сторон:

Где M=0,420 – суммарная масса ПУ.
Расчет на действие ускорения при вибрации
Определим коэффициент расстройки:
,
Где f=30 Гц – верхняя граница частотного диапазона из технического задания;
f>0> – собственная частота ПП.
Определим коэффициент динамичности М1:

Полученное значение верно с точностью до 4-го знака после запятой.
Определим ускорение, воздействующее на плату:
А>ВОЗД>=М1 ∙ А>ВХ>=2,044 (g),
где А>ВХ> – ускорение вибрации из ТЗ, А>ВХ> =2g
Самым слабым в отношении вибрационных воздействий является конденсатор K52-10 (4,9g).
Проверим для него условие А>ВОЗД> < А>ДОП>:
2,044g<4,9g
Очевидно, что условие выполняется для самого слабого элемента. Следовательно, оно выполняется и для остальных элементов, и система не нуждается в дополнительной защите от воздействия вибрации, т.к. воздействующее ускорение на плату в 2 раза меньше допустимого.
Расчет на ударное воздействие проводить не имеет смысла по причине сформулированного технического задания, в котором говорится, что устройство является стационарным и непереносимым. Соответственно, подразумевается жесткое крепление на несущую поверхность (стена, пол, потолок здания), что исключает падения, но не исключает вибрации, расчет на которые приведен выше.
3.5.6 Расчет стоимости системы
Определим общую стоимость радиоэлементов центрального блока по таблице 4:
Таблица 4.
|
Элемент |
Ценна элементов, в руб. |
|
Диод КД522 |
4 |
|
Стабилитрон КС 147А |
2 |
|
Конденсатор 10-17Б |
2,6 |
|
Конденсатор 10-17Б |
2,6 |
|
Конденсатор К50-20 |
9 |
|
Конденсатор К52-10-1 |
5 |
|
Резистор С2-33H(300ом) |
3,6 |
|
Резистор С2-33H(1ком) |
0,3 |
|
Кварцевый резонатор |
2,7 |
|
HC-49SM |
|
|
Микроконтроллер |
41 |
|
Attiny 2313 |
|
|
Разъем WF-2 |
5,6 |
|
Разъем WF-4 |
1,5 |
|
Разъем WF-6 |
2,3 |
|
Стабилизатор LM7805 |
9,9 |
Сумма всех радиоэлементов на ПП составила 92,10 руб. Полностью собранный центральный блок выйдет не больше, чем на 150 руб. Цена мобильного телефона Siemens M35 900 руб. Два ИК-датчика, используемых в системе будут 400 руб. вместе, накладной магнитно-контактный датчик – 50 руб., температурный датчик – 300 руб. Считыватель ключей и ключ вместе выйдут на сумму 250 рублей. Следовательно, ориентировочная ценна всей системы 2050 руб. Только с телефоном – 1050 руб.
3.6 Выводы
В данном разделе бакалаврской работы была разработана конструкция устройства, GSM-сигнализации, были проведены расчеты на тепловое, механическое воздействие и экономические расчеты. В результате получили, что разработанная конструкция удовлетворяет требованиям по климатическому и механическому воздействию. А так же, разработанное устройство имеет весьма низкую себестоимость по сравнению с его аналогами.
4. Заключение
В результате данной бакалаврской работы была разработана аппаратная часть автоматизированной сигнализации, извещения которой осуществляются на основе сотовой связи. Приведено подробное описания работы системы, определен её состав (центральный блок, датчики, мобильный телефон, считыватель ключей) и основные параметры. Разработаны алгоритм работы системы, принципиальная схема устройства и выполнены конструкторские чертежи. При конструировании центрального блока проведены все необходимые расчеты. Подсчитаны затраты на создание данной системы (2050 руб.).
Разработанная сигнализация по GSM-каналу может быть усовершенствована более дорогими датчиками, мобильным телефоном, считывателем ключей, которые будут обладать большим количеством выполняемых функций и работающих в более жестких условиях эксплуатации.
Результат проделанной работы соответствует предъявленным требованиям в техническом задании.
На конкурентном рынке систем оповещения низкая цена и простота в эксплуатации разработанной GSM – сигнализации являются успешными условиями продажи и прогрессивного расширения рынка сбыта продукции.
5. Список литературы
1. «Микроконтроллеры семейства AVR фирмы ATMEL» - М.: ИП РадиоСофт, 2008, 176 стр.
2. www.polyset.ru
3. www.proline-rus.ru
4. www.opstorg.ru
5. www.kontest.ru
6. www.vanians.narod.ru
7. www.rightmark.org
8. www.strazh-gsm.ru
6. Приложение. Чертежи







