Система автоматического регулирование температуры теплоносителя зерносушилки
Самарский Государственный Технический Университет
Филиал в г. Сызрани
Кафедра АТПП
Курсовая работа
По дисциплине "Теория автоматического управления"
Система автоматического регулирование температуры теплоносителя зерносушилки
Выполнил:
Студент гр. ЭАЗ-302
Козлов П.С.
Проверил:
Доцент
Будин В.И.
Сызрань
2008 г.
Содержание
Техническое задание на проектирование
Выбор метода проектирования
Построение структурной схемы нескорректированной САУ и определение передаточных функций её звеньев
Оценка точности и анализ устойчивости исходной системы
Построение желаемой ЛАЧХ и ЛФЧХ
Оценка показателей качества желаемой системы
Синтез последовательного корректирующего устройства
Реализация корректирующего устройства в виде аналогового регулятора с пассивной коррекцией
Построение и описание функциональной схемы скорректированной системы
Заключение
1. Техническое задание на проектирование
Техническое задание на проектирование включает в себя исходные данные, позволяющие произвести синтез системы. К ним относятся функциональная схема нескорректированной САУ, сведения о принципе её действия, уравнения всех звеньев и их параметров, характеристики входных и возмущающих воздействии, показатели качества проектируемой САУ.
Для систем стабилизации задаются максимальная относительная ошибка системы ν(в %), перерегулирование σ(в %), и время переходного процесса. Кроме того, могут быть предъявлены и другие требования для индивидуализации КР. В частности, в данной курсовой работе время минимизируется при заданных и с учетом ограничений на значения выходного напряжения усилителя.
2. Выбор метода проектирования
Задача синтеза системы автоматического управления заключается в выборе такой её структуры, параметров, характеристик и способов их реализации, которые при заданных ограничениях наилучшим образом удовлетворяют требованиям, предъявленным к системе.
Обычно часть проектируемой системы задана. Она является исходной или нескорректированной САУ. Параметры её функциональных элементов известны. В такой постановке задача проектирования сводится к определению корректирующего устройства КУ, обеспечивающего заданные показатели качества системы.
Наиболее простым и наглядным методом синтеза САУ является метод логарифмических амплитудных частотных характеристик (ЛАЧХ). Его идея основана на однозначной связи между переходным процессом в системе и её ЛАЧХ. По заданным динамическим показателям сначала строится желаемая ЛАЧХ, а затем путем графического построения осуществляется приближение к ней частотных характеристик исходной системы. В результате определяется ЛАЧХ КУ. Корректирующее устройство может включаться в канал управления последовательно или встречно-параллельно.
В рамках курсового проектирования синтез САУ осуществляется согласно заданию кафедры, которая определяет как содержание, так и объем курсовой работы. Решаемые задачи преследуют учебные цели, которые сориентированы на закрепление и расширение знаний по теории автоматического управления, развитию навыков и применение современных инженерных навыков, в том числе и с применением ЭВМ при разработке и изучению реальных САУ.
Система автоматического регулирование температуры теплоносителя зерносушилки
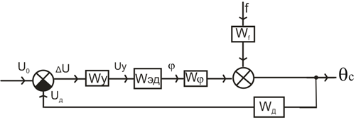
На рис. 3 показана схема САР температуры теплоносителя, поступающего в шахтную зерносушилку 1 из камеры смешивания 2, которая является объектом регулирования. В этой камере холодный воздух при температуре θХ смешивается с горячим воздухом температурой θГ. Соотношение горячего и холодного воздуха, а следовательно, и температура воздуха в камере смешивания θС зависят от угла поворота φ заслонки 3. Температура теплоносителя на входе зерносушилки измеряется терморезистором RД, включенным в мостовую схему, которая не только обеспечивает с помощью резистора R0 требуемую температуру, но и сравнивает напряжение UД, пропорциональное температуре θС, с задающим напряжением U0 (мостовая схема одновременно выполняет функции задающего и воспринимающего органов).

Сигнал разбаланса мостовой схемы (сигнал рассогласования) ΔU = U0 –UД усиливается усилителем 4, выходное напряжение которого Uy управляет исполнительным двигателем 5. Последний через редуктор 6 перемещает заслонку 3, тем самым изменяет величину регулирующего воздействия φ на входе объекта регулирования. За счет соответствующего изменения угла поворота заслонки и компенсируется отрицательное влияние внешних возмущений f (изменение температуры, влажности атмосферного воздуха и др.), действующих на объект регулирования. При исследовании САР в качестве главного возмущения следует рассматривать изменение температуры атмосферного воздуха, приняв условно, что его влажность не меняется. Динамические свойства элементов САР описываются следующей системой уравнений:
- камера смешивания;
- датчик температуры;
-
сравнивающий элемент;
- усилитель.

- электродвигатель совместно с редуктором (при условии, что момент сопротивления на валу двигателя Мс = const),
|
Вариант |
Тс |
kс |
kf |
Tд |
kд |
Тм |
Тя |
ky |
f |
kэ |
ν |
σ |
|
с |
|
|
с |
с |
ºС |
|
% |
% |
||||
|
6 |
1,3 |
60 |
0,28 |
1,3 |
0,015 |
0,018 |
0,002 |
100 |
20 |
0,05 |
1,0 |
15 |
Физический смысл переменных, входящих в уравнения отражен в описании САР. Параметры Тс, Тя, Тм, Тя - постоянные времени, с; kc, kf, kA, ky, k0 - коэффициенты передачи. Выходной сигнал усилителя ограничен уровнем 220 В. Заданная температура теплоносителя θС = 120 °С.
3. Построение структурной схемы нескорректированной САУ и определение передаточных функций её звеньев
1)Найдем передаточную функцию объекта управления (камера смешивания)



2) Найдем передаточную функцию электродвигателя


3) Найдем передаточную функцию усилителя


4) Найдем передаточную функцию датчика температуры


5) Сравнивающий орган


Итоговая схема САР

4. Оценка точности и анализ устойчивости исходной системы
Приведем схему САР к единичной обратной связи


Разложим звено
на
более простые звенья, для этого определим
колебательное оно или апериодическое
Характеристическое уравнение знаменателя

Если
,то
звено апериодическое, иначе
колебательное

Тм2 >4ТмТя
0,0182 > 4∙0,018∙0,002
0,000324 > 0,000144
звено апериодическое.


Т1 = 0,0157
Т2 = 0,0023

Оценка точности
а) ошибка по задающему воздействию

б) ошибка по возмущению

Оценка устойчивости
Для оценки устойчивости используем пакет программ MATLAB и его модуль Control System Toolbox
Задаем передаточную функцию разомкнутой системы
>> W=tf([4.5],[0.000061 0.000467 3.75 3.31 1 0])
Transfer function:

>> step(W);grid on

Строим ЛАЧХ и ЛФЧХ.
Определяем запасы по фазе и амплитуде
>> margin(W);grid on

Запас по амплитуде достаточен Gm=14,1 dB и входит в рекомендуемый запас 6-20dB.
Запас по фазе достаточен Pm=40,5 deg и входит в рекомендуемый запас 30-60deg.
Определяем устойчивость по критерию Найквиста
>> nyquist(W);grid on


Охватывает точку (-j;0), значит по критерию Найквиста разомкнутая система не устойчива.
Построим замкнутую систему н. основе разомкнутой
>> Z=feedback(W,1)
Transfer function:

>> step(Z);grid on

Строим ЛАЧХ и ЛФЧХ.
Определяем запасы по фазе и амплитуде
>> margin(Z);grid on

Определяем устойчивость по критерию Найквиста
>> nyquist(Z);grid on

Не охватывает точку (-j;0), значит по критерию Найквиста замкнутая система устойчива. Годограф замкнутой системы проходит дальше от точки (-j;0), чем годограф разомкнутой системы, значит замкнутая система более устойчива.
5. Построение желаемой ЛАЧХ
Построим ЛАЧХ исходной нескорректированной системы

ν =1, k=4.5, ТД=1.3, TС=1.3, T1=0.0157, T2=0.0023

20lgK=20lg4.5=13.06 дБ
L(ω)=20lgA(ω)=20lg|W(jω)|=20lg4.5
-20lg
-20lg
-20lg
-20lg
lg w0= -0.11
lg w1= -0.11
lg w2= 1.8
lg w3= 2.6
Первая точка ЛАЧХ 20lgK=13.06 дБ
Начальный наклон при ν =1 равен

Звенья апериодические и каждое
из них изменяет наклон на

Для построения желаемой ЛАЧХ необходимо найти желаемый передаточный коэффициент:
Построение желаемой ЛАЧХ
Находим частоту среза по графику 5.24
При σ=15% Рмах=1


ωcp ≥ ωc1
ωcp = 100

Строим на миллиметровке ЛАЧХ исходной и желаемой системы, находим ЛАЧХ корректирующего устройства как результата вычитания ЛАЧХ исходной системы из ЛАЧХ желаемой.
По графику желаемой ЛАЧХ находим


lgKж=1.9 дБ
6. Оценка показателей качества желаемой системы
Записываем передаточную функцию желаемой ЛАЧХ и вычисляем запасы по фазе и амплитуде, устойчивость по критерию Найквиста в пакете MATLAB.
lgω4 = 2,6
ω4= 398c-1


Transfer function:

>> step(W);grid on

Строим ЛАЧХ и ЛФЧХ.
Определяем запасы по фазе и амплитуде
>> margin(W);grid on

Построенная MATLAB ЛАЧХ совпадает с построенной на миллиметровке, запасы по фазе и амплитуде улучшились по сравнению с исходной MATLAB ЛАЧХ
Определяем устойчивость по критерию Найквиста
>> nyquist(W);grid on
Определяем устойчивость по критерию Найквиста
>> nyquist(W);grid on

Диаграмма желаемой системы проходит дальше от точки (-j;0), чем исходной, поэтому она более устойчива.
7. Синтез последовательного корректирующего устройства
В результате вычислений в предыдущем пункте мы получили исходную и желаемую ЛАЧХ. ЛАЧХ корректирующего устройства получается в результате вычитания

По графику строим передаточную функцию корректирующего устройства.

По графику ЛАЧХ корректирующего устройства на миллиметровке находим
20lgKку=28 дБ
lgKку=1.4 дБ
Kку=25.1
>> W=tf([0.65,43.44,65.5,25.1],[0.000000011,0.000014,0.0067,1])
Transfer function:
0.65 s^3 + 43.44 s^2 + 65.5 s + 25.1
1.1e-008 s^3 + 1.4e-005 s^2 + 0.0067 s + 1
Отобразим её
step(W);grid on
Строим ЛАЧХ и ЛФЧХ.
Определяем запасы по фазе и амплитуде

Строим ЛАЧХ и ЛФЧХ.
Определяем запасы по фазе и амплитуде

Построенная MATLAB ЛАЧХ КУ совпадает с построенной на миллиметровке
8. Реализация корректирующего устройства в виде аналогового регулятора с пассивной коррекцией
Представим передаточную функцию корректирующего устройства в виде

Пусть

Первая часть корректирующего устройства

представлена системой уравнений

следующей ЛАЧХ

и физической схемой

Рассчитаем схему
Пусть С=50 мкФ=50·10-6Ф
T = T4 = 0.0022
τ = Tд = 1,3



ky1 = k1∙k = 2.92 ∙ 0.00169 =0.00493
Вторая часть корректирующего устройства

представлена системой уравнений

следующей ЛАЧХ

и физической схемой

Рассчитаем схему
Пусть С=50 мкФ=50·10-6Ф
T = T4 = 0.0022
τ = Tc = 1,3



ky1 = k1∙k = 2.92 ∙ 0.00169 =0.00493
Третья часть корректирующего устройства

представлена системой уравнений

следующей ЛАЧХ

и физической схемой

Рассчитаем схему
Пусть С=50 мкФ=50·10-6Ф
T = T4 = 0.0022
τ = T1 = 0.0157



ky1 = k1∙k = 2.94 ∙ 0.146 =0.4224
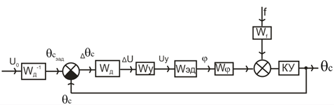
9. Построение и описание функциональной схемы корректирующего устройства и скорректированной системы


Заключение
Я изучила схему САР на примере регулирования температуры теплоносителя зерносушилки. Я рассчитала и построила передаточную функцию звеньев САР и всей системы в целом, рассчитала ошибку по возмущению и по задающему воздействию. При помощи MATLAB построила ЛАЧХ и ЛФЧХ, определила запас по фазе и амплитуде. Построила на миллиметровке ЛАЧХ исходной системы, желаемой и как результат их вычитания ЛАЧХ корректирующего звена, по которой определила его передаточную функцию и физическую схему.
Вывод: Я приобрела навыки анализа САР.


