Спутниковые конверторы
ФГОУ ВПО «Чувашский государственный университет им. И.Н.Ульянова»
Факультет радиотехники и электроники
Кафедра ТСТ
Реферат
на тему:
«Спутниковые конверторы»
Выполнил: студент группы
РТЭ 42-04 Кузьмин С.М.
Проверил: преподаватель
Пастухов А.С.
Чебоксары
2008
Оглавление
КОНВЕРТОРЫ
Общие сведения
Источники шумов в конверторе
Технология изготовления
Конвертор с однократным преобразованием частоты
Конвертор с двойным преобразованием частоты
LNB
Элементы конвертора
Волноводно-полосковый переход
Малошумящий усилитель
Полосовой фильтр
Гетеродин
Фазовые шумы гетеродина
Смеситель
Предварительный усилитель промежуточной частоты
Устройство питания
Полнодиапазонные конверторы
Универсальные конверторы
Конверторы с несколькими выходами
КОНВЕРТОРЫ
Типичная удельная мощность сигнала, попадающего на вход конвертора, при размерах рефлектора антенны 3 м в С-диапазоне составляет 10 -14 Вт/м2 . Следовательно, конвертор должен обладать очень низким уровнем собственных шумов. Это стало возможным только с созданием малошумящих транзисторов СВЧ, без которых спутниковое вещание не достигло бы такого прогресса.
Общие сведения
Технология производства конверторов для СНТВ основана на опыте, накопленном при создании малошумящих усилителей (LNA — Low Noise Amplifier). Малошумящий усилитель только усиливает сигнал, тогда как конвертор (LNB — Low Noise Blockconvertor), помимо обеспечения необходимого усиления при минимально возможном уровне шумов, преобразовывыет частоты сигнала до частоты, воспринимаемой спутниковым приемником: 950 — 1750 МГц или 900 — 2150 МГц (расширенный).
Первые СВЧ-усилители, использовавшиеся в радиоастрономии, были созданы на основе обычных параметрических усилителей. В них применялись туннельные диоды, которые охлаждались жидким азотом или гелием. Это позволяло значительно снизить уровень собственных шумов устройства за счет замедления движения молекул. Усилители имели большие габариты, вес, потребляли много энергии и работали в узкой полосе частот.
Использование арсенида галлия (GaAs) позволило создать транзистор с очень низким уровнем шума. Эти транзисторы работают почти так, как будто они охлаждены до температуры абсолютного нуля, когда прекращается всякое молекулярное движение. GaAs-транзисторы в настоящее время являются основными при производстве СВЧ-аппаратуры СНТВ.
В ранних спутниковых системах С-диапазона принятый сигнал сначала усиливался в LNA, а затем частота его понижалась в отдельном блоке, который носит название LNC (LowNoise Converter—малошумящий преобразователь). Это требовало применения дорогого коаксиального кабеля и разъемов с малыми потерями сигнала, максимально близкой установки антенны и спутникового приемника. В целом система имела ряд серьезных ограничений, была трудно устанавливаема и дорога.
Существенным конструктивным улучшением системы было выделение устройства понижения частоты в отдельный блок и его установка вблизи малошумящего преобразователя. Это позволило применить более дешевый коаксиальный кабель и увеличить его длину до 100 м без введения дополнительных линейных усилителей.
Следующим, вполне логичным шагом было объединение LNA и малошумящего преобразователя в одно устройство — LNB. Именно LNB подразумевается в настоящее время под словом конвертор.
LNB первых выпусков весили почти 3 кг и имели коэффициент шума в Ku-диапазоне 4 —5 дБ. Современные конверторы С-диапазона имеют шумовую аппаратуру до 15 К, а Ku-диапазона — коэффициент шума до 0,5 дБ. Их вес составляет 300 — 400 г.
Использование различных параметров для характеристики уровня собственных шумов, обусловлено следующим обстоятельством. Уровень собственных шумов конверторов С-диапазона варьируется весьма незначительно, поэтому, если его выразить в Кельвинах, будет обеспечена большая наглядность.
Сегодня имеются два типа малошумящих транзисторов СВЧ, доступных проектировщикам и изготовителям бытовой СВЧ-аппаратуры: НЕМТ-транзисторы (High electron mobility transistor), обладающие высокой подвижностью электронов, и полевые транзисторы с барьером Шотки (ПТШ).
ПТШ начали использоваться с начала 70-х годов, в то время как НЕМТ стали коммерчески доступны только с 1987 г. Основное различие между ними состоит в том, что НЕМТ имеет меньший коэффициент шума на заданной частоте, чем ПТШ, однако последний обладает более высоким коэффициентом усиления.
В качестве примера приведем основные параметры популярных НЕМТ-транзисторов фирмы NEC:
NE 42484 — коэффициент шума 0,6 дБ, усиление 10,5 дБ на частоте 12 ГГц
NE 32584 — коэффициент шума 0,45 дБ, усиление 12 дБ на частоте 12 ГГц
NE32984 — коэффициент шума 0,4 дБ, усиление 12,5дБ на частоте 12ГГц
Ведущие научно-исследовательские лаборатории различных компаний работают над созданием следующего поколения НЕМТ-транзисторов. Вместо арсенида галлия планируется использовать фосфид индия (InP). Уже появились сообщения об InP НЕМТ-транзисторе с коэффициентом шума 0,3 дБ и усилением 17 дБ на частоте 12 ГГц. Планируется использовать два таких транзистора вместо трех GaAs.
Источники шумов в конверторе
Понятие шума является одним из основных при рассмотрении спутниковой радиосвязи. Уровень шума определяет минимальную величину сигнала, который может быть принят приемным устройством, т. е. такую важнейшую его характеристику, как чувствительность.
Шумы, действующие в цепях приемного устройства, по своему происхождению могут быть внешними и внутренними. К первым относятся космические шумы, шумы атмосферы, квантовые шумы сигнала и фоновых засветок, ко вторым — э. д. с. и токи, возникающие в элементах приемного тракта за счет хаотического движения носителей электрических зарядов.
Источниками внутренних шумов приемного устройства являются резисторы, колебательные цепи, активные элементы.
Физическую природу собственных шумов можно пояснить на примере тепловых шумов, возникающих в проводниках. Как известно, кристаллическая решетка любого проводника содержит свободные электроны, находящиеся в непрерывном тепловом хаотическом движении, интенсивность которого зависит от температуры. Во время движения электроны взаимодействуют друг с другом, в результате чего изменяются направление и скорость их перемещения. Каждое перемещение электрона между двумя взаимодействиями можно рассматривать как элементарный импульс тока. В сумме все элементарные импульсы (средняя длительность которых примерно 10-13 с) и создают шумовое напряжение в проводнике.
Коэффициент шума конвертора измеряется при комнатной температуре и может отличаться от номинального значения на величину до 0,01 дБ/°С.
Условия эксплуатации конверторов являются весьма жесткими: на них непосредственно воздействуют атмосферные осадки и перепады температур, зависящие от климата региона. Конвертор является необслуживаемым устройством, поэтому должна обеспечиваться их полная взаимозаменяемость без каких-либо дополнительных регулировок. Соединения и корпус должны быть пыле- и влагозащищенными.
Основные технические характеристики конвертора:
Диапазон принимаемых частот
Коэффициент шума
Нестабильность частоты гетеродина
Коэффициент усиления
Фазовые шумы
Усиление современного конвертора составляет 50 — 70 дБ. Для обеспечения эффективной работы приемного комплекса величина этого параметра очень важна.
Недостаточное усиление равнозначно применению антенны меньшего диаметра, чрезмерное усиление приведет к перегрузке входных цепей приемного устройства. В целом же усиление конвертора должно быть согласовано с длиной кабеля (затуханием в нем сигнала) и чувствительностью приемного устройства. По оценкам специалистов, рекомендуемое усиление должно составлять минимум 50 дБ, максимум 60 дБ. Следует отметить, что это значение уменьшается на 0,2 — 0,3 дБ при повышении температуры на каждые 10°С.
Технология изготовления
С точки зрения конструктивно-технологических методов исполнения конверторы можно разделить на три группы:
По технологии поверхностного монтажа
По гибридной технологии
По технологии монолитных интегральных схем СВЧ
Схемы отдельных узлов конверторов первой группы выполняются на подложках из органических диэлектриков с использованием технологии поверхностного монтажа. Основное достоинство конверторов данного типа — дешевизна производства. Ввиду того, что недорогие органические диэлектрики типа дюроида, армированного фторопласта, арилокса с наполнителем имеют большие температурные коэффициенты расширения, при большом количестве термоциклов иногда возникают микротрещины и, как следствие, отказы.
Вторая группа конверторов изготовляется по технологии гибридных интегральных микросхем (ГИС) СВЧ. В качестве подложек в них используются неорганические диэлектрики из окиси алюминия или глиноземной керамики типа поликор. Эти подложки либо непосредственно, либо через термо-компенсирующие прокладки припаиваются к корпусу. Проводники, резисторы, индуктивности и, частично, конденсаторы выполняются в этом случае путем напыления методами тонко- или толстопленочной технологии. Активные элементы (диоды и транзисторы) изготовляются в виде отдельных кристаллов арсенида галлия и привариваются в соответствующие точки схемы с помощью коротких выводов. Достоинствами таких конверторов являются малые габариты, высокая надежность и возможность настройки.
В основе конверторов третьей группы лежит технология монолитных интегральных схем СВЧ. Преимущественно используются арсенидгаллиевые и реже кремниевые подложки. Преимущества подобных схем: крайне малые размеры, высокая надежность, воспроизводимость, минимальные реактивные параметры. Однако существуют технологические трудности, связанные с воспроизводством многослойных структур из арсенида галлия, реализацией сложных элементов СВЧ-схем (сквозных контактов и воздушных перемычек), повышением добротности и расширением диапазона номиналов конденсаторов, катушек индуктивности и отрезков линии передачи. Последняя проблема имеет особое значение, так как для уменьшения размеров и стоимости микросхемы пассивные элементы приходится делать сосредоточенными, а это приводит к уменьшению их добротности.
Технологические трудности при производстве таких конверторов в основном и определяют их высокую стоимость. Разработка конверторов, несмотря на простоту выполняемых ими функций, достаточно сложна, так как должна решаться проблема массового производства недорогой техники сантиметровых волн.
По мере развития конструкции конверторов происходила отработка методов преобразования частоты.
Конвертор с однократным преобразованием частоты
Устройство понижения частоты в первых спутниковых системах С-диапазона работало по принципу однократного преобразования (рис. 4.1, а).
Выбор необходимого канала здесь осуществляется подачей управляющего напряжения на гетеродин, что вызывает его перестройку. Основной недостаток такой системы заключается в явлении интерференции на близлежащих каналах. Поэтому приходилось использовать дорогие и сложные схемы фильтрации.

Рисунок.. 4.1. Функциональная схема преобразования частоты в конверторе: a — однократное преобразование; б — двойное преобразование; е — преобразование частоты в LNB
Конвертор с двойным преобразованием частоты
Использование схемы с двойным преобразованием сигнала (рис. 4.1, б) позволило устранить недостатки, присущие конверторам с однократным преобразованием. Однако в результате этого увеличилась сложность и стоимость конструкции за счет использования второго гетеродина и смесителя, а также возникла необходимость в применении второго полосового фильтра и усилителя промежуточной частоты.
LNB
Конструкция LNB основана на использовании гетеродина, настроенного на фиксированную частоту и стабилизированного объемным диэлектрическим резонатором (рис. 4.1, в). Весь диапазон частот, принимаемый конвертором, понижается в смесителе и подается в спутниковый приемник, где происходит дальнейшее преобразование и выбор канала.
По сравнению с конверторами однократного и двойного преобразования, LNB имеет существенное преимущество: через него проходят все каналы данного диапазона, что позволяет использовать один конвертор для приема разных программ несколькими спутниковыми приемниками одновременно. Также следует отметить большую устойчивость настройки, так как выбор канала производится в закрытом помещении, где электронные компоненты защищены от перепадов температуры и влажности (устойчивость системы в основном определяется характеристиками гетеродина конвертора).
Элементы конвертора
В настоящее время существуют разнообразные схемотехнические решения, используемые при построении бытовых конверторов. Структурная схема типового конвертора представлена на рис. 4.2.

Рисунок.. 4.2. Классическая структурная схема конвертора:
ВПП — волноводно-полосковый переход; МШУ — малошумящий усилитель; ПФ — полосовой фильтр; См — смеситель; Гет — гетеродин (СВЧ генератор, входящий в состав преобразователя частоты); ПУПЧ — предварительный усилитель промежуточной частоты; УП — устройство питания
Волноводно-полосковый переход
Волноводно-полосковый переход предназначен для согласования входной микрополосковой линии первого каскада МШУ с выходом поляризатора облучателя антенны. Это наиболее распространенный элемент соединения волновода с микрополосковой линией, позволяющий добиться хороших электрических параметров при малом уровне отражений и потерь в заданной полосе частот.
Волноводно-полосковые переходы, строго говоря, являются переходами сначала на коаксиальный кабель, а затем уже на полосковую линию. Вносимые потери зависят от качества исполнения и составляют около 0,25 дБ. Важным условием является полная герметизация в месте погружения зонда. Примеры исполнения волноводно-полосковых переходов представлены на рис. 4.3. Необходимое согласование в них производится путем подбора глубины погружения зонда (рис. 4.3, а) или положения короткозамкнутого поршня (рис. 4.3, б).

Рисунок.. 4.3. Волноводно-полосковый переход
Малошумящий усилитель
МШУ должен обеспечивать равномерное усиление во всем рабочем диапазоне с неравномерностью амплитудно-частотной характеристики (АЧХ) +1 дБ и иметь линейную фазочастотную характеристику (ФЧХ). Необходимо также удовлетворить ряд противоречивых требований: обеспечить минимальный коэффициент шума, согласование усилителя по входу, максимальный коэффициент усиления.
Как известно, качество принятого сигнала в значительной степени определяется суммарной шумовой температурой приемной установки. При оценке шумовых характеристик конвертора используется как шумовая температура Т>ш>, так и коэффициент шума к>ш>, который связан с шумовой температурой соотношением, где Т>H> — нормальная температура окружающей среды (Т>H> = 290 К). Если коэффициент шума выражен в децибелах, то:
Т>ш> =290(10kш/10-1).
Графически данное соотношение представлено на рис. 4.4.

Рисунок.. 4.4. Зависимость коэффициента шума от шумовой температуры
На входе конвертора всегда присутствует малошумящий усилитель, состоящий из нескольких усилительных каскадов (обычно 2—4), каждый из которых имеет собственный коэффициент шума и коэффициент передачи номинальной мощностир (kр>ном>).
Рассмотрим влияние параметров отдельных каскадов на шумовые характеристики тракта в целом. Для этого объединим все п каскадов в один, с коэффициентом передачи номинальной мощности

и коэффициентом шума

где Р>ш.вых> — суммарная номинальная мощность шумов на выходе тракта, обусловленная собственными шумами каждого каскада; ∆f>ш>— полоса пропускания шумов; T>н> — нормальная температура окружающей среды, К (T>Н>=290К).
Полагая для простоты рассуждений, что шумовая полоса пропускания практически определяется последним наиболее узкополосным каскадом (в данном случае ПУПЧ), имеем

Поскольку номинальная мощность собственных шумом каскада

то

Поставив выражение (4.1) в (4.2), получим:

Из выражения (4.3) следует, что коэффициент шума многокаскадной схемы в основном определяется коэффициентом шума первых каскадов. Справедливость этого утверждения увеличивается с возрастанием коэффициентов передачи их номинальной мощности. Поэтому для получения малого коэффициента шума всего приемного тракта необходимо, чтобы его первые каскады имели малый уровень собственных шумов и обеспечивали большое усиление сигнала по мощности.
Из всего вышесказанного можно сделать вывод о чрезвычайной важности таких параметров конвертора (в частности, первых каскадов МШУ), как коэффициент усиления и коэффициент шума.
Практически входные и выходные согласующие цепи первого транзистора рассчитываются на минимальный коэффициент шума, второй каскад настраивается из компромиссных соображений: максимальное усиление при минимальном коэффициенте шума. Влияние коэффициента шума третьего каскада практически неощутимо.
Итак, классический МШУ состоит из трех усилительных каскадов: первые два выполнены на НЕМТ-транзисторах, третий — на транзисторе с барьером Шотки.
Все каскады МШУ строятся, как правило, на несимметричных полосковых линиях передачи, которые выполняются методом напыления проводящих материалов на керамическую подложку. В СВЧ-диапазоне паразитные реактивные элементы корпуса транзистора оказывают заметное влияние на характеристики МШУ. Чтобы исключить этот эффект, применяют транзисторы в бескорпусном исполнении.
Каждый усилительный каскад (рис. 4.5) состоит из четырех цепей: входной и выходной цепей, цепи смещения и активного элемента.

Рисунок.. 4.5. Усилительный каскад МШУ
Входная цепь предназначена для согласования входного сопротивления активного элемента (транзистора) и обеспечения минимума коэффициента шума.
Выходная цепь служит для согласования выходного сопротивления с последующим каскадом.
Цепь смещения обеспечивает режим работы транзистора по постоянному току.
Наибольшее распространение в МШУ получила схема с общим истоком, так как она обладает большей устойчивостью по сравнению с другими способами включения полевых транзисторов.
Активный элемент представляет собой НЕМТ-транзистор или ПТШ и обеспечивает усиление сигнала.
Полосовой фильтр
Полосовой фильтр обеспечивает прохождение только определенной полосы частот с потерями не более 3 дБ, а также ослабление зеркального канала и сигнала гетеродина на 30 — 40 дБ (рис. 4.6).
В сантиметровом диапазоне волн ПФ выполняют на полосковых и микро-полосковых линиях, так как спиральные индуктивности и сосредоточенные конденсаторы не обеспечивают необходимой добротности. Наиболее часто используются ПФ на микрополосковых параллельно связанных резонаторах.

Рисунок.. 4.6. Полосовые фильтры СВЧ: а — лестничные; б — шпилечные; в — решетчатые
Центральная частота фильтра зависит от длины полосковых элементов, а ширина полосы пропускания — от ширины линий и расстояния между ними. Чем больше число звеньев фильтра, тем круче его амплитудно-частотная характеристика, но также выше и вносимое затухание.
Амплитудно-частотная характеристика полосового фильтра, выполненного на связанных полуволновых резонаторах, представлена на рис. 4.7.

Рисунок.. 4.7. Частотная характеристика полосового фильтра:
А>3> — заданная величина затухания, соответствующая полосе заграждения 2∆f>3>; А>n> — величина затухания, соответствующая полосе пропускания 2∆f>n>:f>0>—средняя частота полосы пропускания
Гетеродин
В большинстве современных конструкций гетеродин — это неперестраиваемый (в отличие от гетеродинов, используемых в радиовещательных приемниках) маломощный высокостабильный генератор электрических колебаний.
Основной характеристикой гетеродина является нестабильность номинальной частоты f>H>.
Под нестабильностью частоты понимаются случайные и систематические изменения частоты во времени. Вследствие воздействия дестабилизирующих факторов (температуры, давления, вибрации, отклонения питающего напряжения) частота гетеродина отклоняется от номинального значения. При этом различают абсолютное и относительное отклонение частоты. Под абсолютным отклонением понимают разность между фактической частотой генератора и ее номинальным значением а>Н0М>, под относительным отклонением — отношение абсолютного отклонения к номинальному значению частоты генератора f>ном>.
Из множества дестабилизирующих факторов наибольшее влияние на отклонение частоты гетеродина оказывает изменение температуры окружающей среды. Для характеристики этого влияния используется температурный коэффициент частоты К>Т >в заданном интервале температур (T>max>—T>min>):

где f>max> — максимальное значение частоты в заданном интервале температур; f>min> — минимальное значение частоты в этом интервале; f>H>>0>>M>> >— номинальное значение частоты.
Конструкция гетеродина
В первых конструкциях гетеродинов применялись диоды Ганна, которые имели ряд недостатков: КПД генератора составлял 2 — 3 %, нестабильность частоты при термокомпенсации достигала 5 МГц, поэтому приходилось вводить цепь автоподстройки частоты.
Определенное распространение получили также генераторы, работающие на частоте 3 — 4 ГГц, выполненные на биполярном или полевом транзисторе, с последующим умножением частоты на диоде с накоплением заряда. Эти конструкции применялись на этапе, когда добротность диэлектрических резонаторов в диапазоне частот 11 — 12 ГГц была недостаточной для обеспечения требуемой стабильности частоты, а резонаторы на более низкую частоту имели высокую добротность.
Сегодня огромную популярность приобрели генераторы, где в качестве активного элемента используется ПТШ. В настоящее время это практически единственный вид автогенераторов, используемых в бытовых конверторах. Они имеют целый ряд преимуществ: КПД 18 — 20 %, нестабильность частоты 500—700 кГц в интервале температур от — 30 до + 60 °С, невысокая стоимость, возможность регулировки мощности изменением напряжения питания.
Необходимое значение выходной мощности определяется конструкцией выбранного смесителя и составляет в современных конверторах 8 — 15 мВт.
На рис. 4.8 представлена конструкция гетеродина с диэлектрическим резонатором.
Стабилизация частоты в большинстве конверторов осуществляется при помощи диэлектрического резонатора из термостабильной керамики. Он представляет собой пассивное устройство (диэлектрический цилиндр, квадрат и т. п.), обладающее способностью запасать энергию СВЧ электромагнитных волн. Высокая добротность диэлектрических резонаторов позволяет успешно использовать их в качестве высокодобротных колебательных систем СВЧ. В результате удается добиться стабильности частоты до 700 кГц и обойтись без схемы автоматической подстройки частоты.

Рисунок.. 4.8. Конструкция гетеродина с диэлектрическим резонатором
В конверторах применяют открытые диэлектрические резонаторы, в которых отражающей поверхностью является граница раздела диэлектрик — воздух. Вблизи резонатора существует небольшое внешнее электромагнитное поле, которое позволяет достаточно просто обеспечивать связь резонатора с полосковыми линиями передачи генератора и осуществлять подстройку частоты в сторону ее повышения путем приближения к одной из торцевых частей резонатора металлической плоскости, например, винта.
Большое распространение получили в настоящее время тороидальные диэлектрические резонаторы на основе титаната кальция и алюмината лантана. Они позволяют получить более чистый спектр сигнала гетеродина, что необходимо для создания конверторов с низким фазовым шумом и высокой стабильностью частоты гетеродина — до 20 — 30 кГц. Необходимость в таких высоких характеристиках возникает при приеме цифровых телепрограмм в стандарте MPEG-2.
Фазовые шумы гетеродина
Любое электрическое колебание, полученное с помощью известных современной науке методов, содержит составляющие фазовой (или частотной) модуляции случайного характера, а спектр шумов видоизменяется при прохождении колебания через электронные схемы.
Одной из основных характеристик, определяющей пригодность конвертора для приема цифровых программ, являются фазовые шумы, величина которых в основном определяется величиной фазового шума гетеродина.
Фазовый шум (флюктуация) — это случайное изменение фазы колебания на выходе гетеродина, вызванное частотной нестабильностью генератора, паразитной модуляцией в цепи обратной связи, изменением температуры, напряжения питания и другими дестабилизирующими факторами. Спектр фазовых шумов гетеродина представлен на рис. 4.9.
Чистота спектра определяется уровнем всех как гармонических, так и шумовых побочных составляющих. Для оценки ухудшения чистоты спектра, т. е. определения шумовых свойств гетеродина, используется отношение мощности фазовых шумов в полосе 1 Гц при расстройке от несущей частоты на величину F>m> к полной мощности колебания.

Рисунок.. 4.9. Спектр фазовых шумов гетеродина
Величина фазового шума показывает, как быстро понижается мощность сигнала относительно центральной частоты. Например, если мощность сигнала при отклонении от центральной частоты на 1кГц снизится на 60 дБ, то величина фазового шума составит — 60 дБ. В техническом бюллетене Societe European des Satellites (1994 г.) рекомендуемое значение фазового шума LNB при приеме цифровых телепередач следующее:
— 50 дБ/Гц при смещении на 1 кГц
— 75 дБ /Гц при смещении на 10 кГц
— 95 дБ/Гц при смещении на 100 кГц
Повышенная величина фазового шума конвертора способствует появлению межсимвольной интерференции сигнала, изменению чередования «0» и «1» при демодуляции и других нежелательных явлений, что приводит к невозможности декодирования принятой цифровой программы.
Смеситель
Смеситель в конверторах традиционно выполняется на полупроводниковых диодах или арсенидгаллиевых полевых транзисторах и решает задачу преобразования частоты сигнала 11 — 12 ГГц в диапазон частот 0,75 — 2,15 ГГц. Наиболее важным параметром смесителя являются потери преобразования. Величина этих потерь определяется схемным построением. Использование диодных преобразователей приводит к потерям 5—10 дБ. В случае, если нелинейным элементом преобразователя служит ПТШ, можно осуществить преобразование без потерь и даже с некоторым усилением (3—10 дБ). Стремление упростить конструкцию и улучшить технические характеристики привело к появлению таких схемных решений, которые позволяют использовать транзистор, работающий как смеситель и гетеродин одновременно.
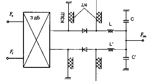
Диодный смеситель обычно строится по балансной схеме на двух парноподобранных диодах с барьером Шотки (ДБШ), так как при этом обеспечивается меньший коэффициент шума по сравнению с однотактной (небалансной) схемой. Наиболее часто применяют балансные диодные смесители на трехдецибельных СВЧ-мостах. На рис. 4.10 показан принцип построения подобных смесителей.
Трехдецибельный мост делит напряжение поступающего сигнала и сигнала гетеродина пополам и подает на диодные цепи. Кроме того, мост автоматически обеспечивает развязку между цепями сигнала и гетеродина и низкое значение коэффициента стоячей волны на входе в рабочей полосе частот. Чем широкополоснее мост, тем проще в настройке смеситель и стабильнее работает выходной каскад МШУ, так как он оказывается согласованным в более широкой полосе частот. Стоящие на выходах моста короткозамкнутые шлейфы (КЗШ) пропускают на диоды напряжения сигнала и гетеродина и шунтируют на землю напряжение промежуточной частоты, препятствуя его прохождению на вход смесителя. Шлейфы с холостым ходом (ХХШ) на концах, напротив, шунтируют напряжения сигнала и гетеродина, а для промежуточной частоты (ПЧ) составляют небольшую емкостную компоненту, которая вместе с индуктивностью L и выходной емкостью С создает полосовой фильтр для промежуточной частоты. Длины полосковых шлейфов должны составлять четверть длины волны для частоты гетеродина, так как сигнал гетеродина более мощный и его просачивание в усилитель промежуточной частоты труднее заблокировать.

Рисунок.. 4.10. Принцип построения балансного смесителя СВЧ
Удачным вариантом балансного смесителя без использования трехдецибельного моста является конструкция, приведенная на рис. 4.11. По сигнальной цепи оба диода размещены на расстоянии полуволны, поэтому их нагрузочные сопротивления включены параллельно. По гетеродинной цепи диоды включены параллельно, что тоже надо учитывать при согласовании этого смесителя с гетеродином.
Обладая многими достоинствами (низким коэффициентом шума, высокой линейностью, простотой конструкции), представленная схема смесителя имеет один существенный недостаток — ослабляет преобразуемый сигнал. Этого недостатка лишены транзисторные смесители, выполненные на ПТШ и обеспечивающие при приемлемом значении коэффициента шума (4,5 — 6,0 дБ) усиление сигнала на 5— 10 дБ. Вначале использовались конструкции смесителей с однозатворными ПТШ, сигнал гетеродина на которые подавался одним из способов, показанных на рис. 4.12.
Схема на рис. 4.12, а требует слабой связи направленного ответвителя и, следовательно, повышенной мощности гетеродина. Недостатком схемы на рис. 4.12, б является наличие в цепи обратной связи сопротивления, вносимого гетеродином, что приводит к снижению усиления и увеличению коэффициента шума. Схема на рис. 4.12, в наиболее удобна с точки зрения подачи напряжения сигнала и гетеродина, однако колебания напряжения ПЧ на стоках оказываются противофазными и полоса пропускания ограничивается полосой суммирующей цепи. Кроме того, требуется тщательное согласование цепи затворов на частотах сигнала и гетеродина. Наилучшие результаты получаются при использовании смесителей с двухзатворными ПТШ. Напряжения сигнала и гетеродина прикладываются к разным затворам, и нужна только одна фильтрующе-согласующая схема в цепи стока (рис. 4.12, г, где СЦ — согласующая цепь, ФНЧ и ФВЧ — фильтры нижних и верхних частот). Главное преимуще ство схемы с двухзатворным ПТШ — ее простота.

Рисунок.. 4.11. Балансный диодный смеситель
Не требуется ответвителей, гибридных соединений, нужны лишь простейшие согласующие схемы. Это особенно важно для монолитных интегральных схем, где согласующие цепи должны быть компактными.
Необходимо отметить одну особенность рассматриваемых конструкций: почти во всех смесителях используется принцип регенерации энергии зеркальной частоты, который получил название «восстановление зеркального канала». В этом режиме полная проводимость нагрузки смесителя на зеркальной частоте имеет чисто реактивный характер, и зеркальная составляющая, полностью отражаясь, преобразуется в составляющую, синфазную с основным компонентом, что дает снижение потерь преобразования и шумовой температуры смесителя.
Основные требования к смесителям конверторов СНТВ:
Минимальный коэффициент шума
Минимальные потери преобразования
Линейность ФЧХ
Равномерность АЧХ

Рисунок.. 4.12. Смесительные каскады на полевых транзисторах с барьером Шотки
Предварительный усилитель промежуточной частоты
Усиление конвертора обеспечивается, главным образом, ПУПЧ. Поскольку к нему не предъявляется жестких требований по коэффициенту шума, он может быть выполнен на биполярных слабосигнальных транзисторах: МОП- транзисторах, ПТШ и гибридных модулях усиления, а также их комбинациях. Так как усиление с увеличением частоты падает, ПУПЧ должен иметь соответствующие согласующие цепи для компенсации избыточного усиления на низких частотах. Неравномерность АЧХ должна быть не более ±2 дБ.
Устройство питания
Устройство питания предназначено для обеспечения высокостабильного разнополярного относительно корпуса напряжения питания, необходимого для нормального функционирования всех узлов конвертора. Напряжение питания +12 В относительно корпуса подается на конвертор с приемного устройства по центральной жиле коаксиального соединительного кабеля.
К узлу электропитания предъявляются следующие требования:
Не создавать электрических помех
Обеспечить узлы конвертора стабильным напряжением питания
На рисунке 4.13 представлена типовая функциональная схема устройства питания конвертора.

Рисунок. 4.13. Функциональная схема устройства питания конвертора
Полнодиапазонные конверторы
По мере освоения диапазона 11,70— 12,75ГГц (например, запуск спутников TDF, TELE-X и др. в Европе) возникла необходимость появления полнодиапазонных конверторов (10,70 — 12,75 ГГц), работающих в трех поддиапазонах: FSS (Fixed SatelliteServies) - 10,7- 11,7 ГГц; DBS (DirectBroadcastServies)— 11,70- 12,45 Гц и BSS (Broadcast Satellite Servies) — 12,45— 12,75 ГГц, причем последний часто называют Telecom от названия французских спутников, вещающих в этом диапазоне (рис. 4.14).

Рисунок.. 4.14. Полосы частот С- и Ки-диапазонов
Данная задача была успешно решена с появлением широкополосных НЕМТ-транзисторов с низким коэффициентом шума. Структурная схема полнодиапазонного конвертора представлена на рис. 4.15. Он имеет один МШУ, а разделение диапазонов происходит в полосовом фильтре ПФ, при этом обработка сигналов в диапазонах DBS и Telecom совмещается. Каждый диапазон (10,7—11,7 и 11,70—12,75 ГГц) имеет свой смеситель и гетеродин, но общий ПУПЧ. Одним из преимуществ такой конструкции является возможность плавной подстройки поляризации.

Рисунок.. 4.15. Функциональная схема полнодиапазонного конвертора с одним МШУ
Еще одним вариантом полнодиапазонного конвертора является конвертор с переключением поляризации, который также называется интегральным (рис. 4.16).
Для конверторов такого типа не надо применять магнитные или механические поляризаторы. Переключение поляризации происходит при изменении

Рисунок.. 4.16. Функциональная схема полнодиапазонного конвертора с переключением поляризации
напряжения питания конвертора с 13 на 18 В. Более низкое напряжение (13 В) включает вертикальную поляризацию V, а более высокое — горизонтальную Н. Для переключения с диапазона на диапазон применяется специальный компаратор, управляемый служебным сигналом частотой 22 кГц, который подается по тому же кабелю, что и напряжения 13/18 В. В случае отсутствия сигнала работает первый диапазон 10,7— 11,7 ГГц, а при его включении — второй диапазон 11,70 — 12,75 ГГц. В первых моделях полнодиапазонных конверторов диапазоны переключались напряжением 13(18) В.
Использование интегральных конверторов позволяет исключить потери преобразования в поляризаторах (0,2 — 0,3 дБ) и добиться лучших шумовых характеристик за счет использования двух независимых МШУ.
Универсальные
конверторы
Основное отличие универсальных конверторов от полнодиапазонных состоит в универсальности сигналов, управляющих переключением диапазонов и поляризации, а также тем, что эти сигналы передаются по одному кабелю с промежуточной частотой. Верхняя и нижняя частоты гетеродинов в большинстве универсальных конверторов имеют значения 10,60 ГГц и 9,75 ГГц соответственно.
Такая унификация значительно упрощает процесс настройки спутникового приемника на данный конвертор. Для этого в экранном меню достаточно выбрать опцию «универсальный конвертор», чтобы при смене канала приемник автоматически формировал необходимые управляющие сигналы.
Конверторы с несколькими выходами
При построении распределительной сети на несколько пользователей (см. гл. 6) удобно использовать конверторы с двумя или четырьмя выходами. Как правило, они имеют встроенный поляризатор, управляемый напряжением 13 /18 В. По характеру выходных сигналов такие конверторы делятся на два типа. Конверторы первого типа имеют два или четыре равноценных выхода с независимым переключением диапазонов и поляризации. Такие конверторы наиболее удобны для распределения сигнала для 2 — 4 пользователей. При большем числе потребителей лучше использовать конверторы второго типа. Если у такого конвертора 2 выхода, то на них выводятся соответственно сигналы вертикальной и горизонтальной поляризации, а если 4 — то сигнал делится еще и по диапазонам. Двухвыходные конверторы такого типа удобно использовать, если планируется осуществлять прием верхнего или нижнего поддиапазона. В таком случае на один СВЧ-вход спутникового приемника подается горизонтальная поляризация, а на другой — вертикальная. Сигналы с четырехвыходных конверторов второго типа используются в кабельных сетях или при организации небольших систем коллективного приема. В последнем случае сигналы с выходов конвертора подаются на входы коммутаторов для дальнейшей разводки потребителям.
В заключение необходимо отметить различные варианты конструктивного исполнения корпуса конвертора. В идеале он должен быть герметичным. В противном случае, за счет суточного колебания температуры внутри конвертора образуется конденсат, который приводит к ухудшению его параметров и, в конечном итоге, к выходу из строя. Высокий уровень герметичности достигается в конверторах, помещенных в запаянный, неразборный корпус. Недостатком такой конструкции является невозможность ремонта конвертора. Некоторые конверторы изготавливаются в двойном кожухе; внутренний металлический кожух закрыт внешним пластмассовым. Поэтому большая часть конденсата выпадает между двумя оболочками и вытекает в предусмотренное для этого сливное отверстие.