Усилитель напряжения на биполярном транзисторе
МИНИСТЕРСТВО СЕЛЬСКОГО ХОЗЯЙСТВА РОССИЙСКОЙ ФЕДЕРАЦИИ
Федеральное государственное образовательное учреждение высшего профессионального образования
«Курская государственная сельскохозяйственная академия имени профессора И.И. Иванова»
Кафедра электротехники и МЖ
Курсовая работа
по дисциплине «Общая электротехника и электроника»
по специальности 110302 – «Электрификация и автоматизация сельского хозяйства»
на тему: Усилитель напряжения на биполярном транзисторе
Выполнил:
Студент заочного отделения
Инженерного факультета
3 курса 4 группы
Кононов Г.Г.
Проверил:
Кандидат технических наук,
доцент
Иванов В.И.
Курск 2009
Исходные данные для проектирования
Вариант 13
Тип транзистора n-p-n
|
Параметры транзистора: |
||
|
Напряжение база-эмиттер |
U>бэ.о>> > |
= 0,6 B |
|
Дифференциальный коэффициент передачи тока базы (β) |
h>21э> |
= 45 |
|
Выходная проводимость в схеме с общим эмиттером |
h>22э>> > |
= 0.04 мСм |
|
Другие параметры: |
||
|
Напряжение источника питания |
U>и.п> |
= 15 В |
|
Сопротивление нагрузки |
R>н> |
= 2 кОм |
|
Емкость нагрузки |
C>н > |
= 545 пФ |
|
Нижняя граничная частота усилителя |
f>н> |
= 60 Гц |
|
Коэффициент
усиления (на средних частотах) |
K>u > |
= 12 |
Необходимо рассчитать параметры компонентов схемы (сопротивления всех резисторов и емкости конденсаторов), верхнюю граничную частоту f>в>, построить диаграммы напряжений и токов в различных цепях схемы (на входе, в цепях базы и коллектора, на нагрузке).
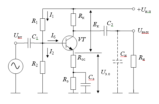
1. Описание схемы каскада
Усилитель построен по схеме с общим эмиттером. На рис. 1 показана схема усилителя на транзисторе типа n-p-n. Статический режим (точка покоя) задается базовым делителем напряжения R>1>, R>2> и суммарным сопротивлением резисторов R>ос> и R>э >в эмиттерной цепи, которые обеспечивают термостабилизацию тока коллектора покоя за счет отрицательной обратной связи (ОС) по постоянному току. Благодаря отрицательной ОС схема рис. 1 имеет высокую стабильность точки покоя и при изменении параметров транзистора (в первую очередь, коэффициента h>21э>) статический режим практически остается неизменным. Резистор R>э >зашунтирован конденсатором С>э>> >достаточно большой емкости для устранения влияния этого резистора на переменном токе. Другой резистор R>ос>> >является элементом ООС не только по постоянному, но и по переменному току, которая снижает коэффициент усиления до заданного значения, улучшая стабильность параметров усилительного каскада.

Рис. 1 - Схема однокаскадного усилителя с емкостной связью на биполярном транзисторе с общим эмиттером
Разделительные конденсаторы С>1 >и С>2> осуществляют развязку по постоянному и переменному току в цепях связи входа усилителя с источником сигнала и нагрузки с выходом усилителя. Конденсатор С>1> соединяет цепь базы с источником сигнала по переменному току и в то же время изолирует вход каскада по постоянному току. Конденсатор С>2> выполняет такую же функцию по отношению к выходу каскада и нагрузке. Оба конденсатора должны иметь достаточно малое сопротивление на частоте сигнала.
2. Расчет каскада по постоянному току
Напряжение U>э.о> – суммарное падение напряжения на двух резисторах R>oc> и R>э> в цепи эмиттера, в режиме покоя можно принять равным 10% от напряжения источника питания U>и.п>. Находим
U>э.о >= 0,1· U>и.п> (В).
Остальную часть (90%) напряжения питания U>и.п> обозначим E>к>.
E>к> = 0,9· U>и.п> (В).
Напряжение E>к> распределяется на двух участках: на резисторе R>к> и на транзисторе U>кэ>. Напряжение U>кэ> зависит от тока коллектора I>к>:
U>кэ>> >= E>к> – I>к>·R>к>, (1)
Формула (1) называется уравнением статической линии нагрузки (рис.2). В статическом состоянии (в покое) рабочая точка характеризуется током коллектора покоя I>к.о> и напряжением коллектор-эмиттер покоя U>кэ.о>. Точка покоя О находится на статической линии нагрузки.
В свою очередь, ток коллектора покоя I>к.о> зависит от тока базы согласно уравнению выходных характеристик транзистора:
I>к> = h>21э>·I>б >+ h>22э>·U>кэ>.
Следовательно, чтобы установить статический режим в точке О, нужно задать соответствующий ток базы покоя I>б.о>, так чтобы в точке О пересеклись линии статической линии нагрузки и выходной характеристики для тока базы I>б >= I>б.о>.
Резисторный делитель R>1>, R>2> в цепи базы обеспечивает ток базы покоя I>б.о>, который задает требуемую точку покоя (I>к.о>; U>кэ.о>) в статическом режиме.

Рис. 2 - Графики статической и динамической линий нагрузки
Для переменной составляющей тока коллектора (т. е. сигнала) реактивное сопротивление конденсатора С>2> мало и поэтому сопротивления нагрузки и коллектора включены параллельно: R>к.н>> >= R>к>||R>н>.
Колебания тока коллектора и напряжения на коллекторе связаны динамической линией нагрузки, которая проходит через точку покоя О под большим углом к оси U>кэ>, чем статическая:
U>кэ>> >= E>к.экв> – I>к> ·R>к.н>, (2)
где напряжение эквивалентного источника
E>к.экв> =
.
(3)
Статическая и динамическая линии нагрузки показаны на рис. 2.
При проектировании принимают сопротивление R>к> ≈ 2,5·R>н> и выбирают стандартный номинал R>к>, руководствуясь рядом Е24 (табл.2).
Таблица 1 - Стандартные номинальные значения сопротивлений
|
1.0 |
1.1 |
1.2 |
1.3 |
1.5 |
1.6 |
1.8 |
2.0 |
2.2 |
2.4 |
2.7 |
3.0 |
|
3.3 |
3.6 |
3.9 |
4.3 |
4.7 |
5.1 |
5.6 |
6.2 |
6.8 |
7.5 |
8.2 |
9.1 |
Принимаем R>к> = 2,5· R>н> (кОм) и выбираем стандартный номинал R>к>.
Находим эквивалентное сопротивление нагрузки в цепи коллектора
R>к.н>>
>=
R>к>||R>н>
=
(кОм).
Положение точки покоя (I>к.о>; U>кэ.о>) на статической линии нагрузки удобно определять графо-аналитическим методом, располагая графиками выходных характеристик. Для того, чтобы обеспечить симметричные условия для положительной и отрицательной полуволн колебаний выходного напряжения, точку покоя (I>к.о>; U>кэ.о>) следует выбирать в середине активного участка динамической линии нагрузки. Из практического опыта можно рекомендовать значение U>кэ.о>, равное четвертой части E>к>. Выбираем
U>кэ.о> = 0,25 E>к>.
После этого вычисляем ток коллектора I>к.о> в точке покоя
I>к.о>
(мА)
и из уравнения выходной характеристики ток базы покоя I>б.о >в точке покоя
I>б.о>
(мА).
Найдем э.д.с. эквивалентного источника
E>к.экв>
=
(В).
Рассчитаем сопротивления R>1 >и R>2>. Базовый делитель R>1>,R>2>> >должен обеспечивать требуемый потенциал базы в режиме покоя
U>б.о>= U>э.о>+ U>бэ.о>
и ток базы покоя
I>б.о> = I>1 >– I>2>.
Существует неограниченное количество пар значений R>1> и R>2>, удовлетворяющих указанным условиям. При больших номиналах этих сопротивлений меньше влияние резисторного делителя на входное сопротивление каскада, но ниже стабильность точки покоя. При малых значениях указанных сопротивлений стабильность каскада улучшается, но возрастает шунтирующее действие резисторов R>1> и R>2> на входную цепь. Для определенности можно выбрать компромиссное условие:
Ток I>2> = 5·I>б.о>. Тогда ток I>1> = 6·I>б.о>.
Вычисляем токи в базовом делителе:
I>2> = 5·I>б>>.>>о> (мА).
I>1> = 6·I>б>>.>>о> (мА).
Теперь, используя значения токов I>1 >и I>2>, можно рассчитать сопротивления:
(кОм);
(кОм),
после чего округляем полученные значения до ближайших стандартных номиналов.
Суммарное сопротивление резисторов в цепи эмиттера равно
R>э> +
R>ос>
=
(кОм).
3. Расчет каскада по переменному току в области средних частот
Коэффициент усиления по напряжению усилительного каскада в области средних частот равен
,
где
– входное
сопротивление транзистора.
Без
резистора R>ос>
в цепи эмиттера
= h>11э>,
и усиление максимально. Резистор R>ос>
увеличивает входное сопротивление
транзистора
:
R>вх.тр.ос >= h>11э >+ (h>21э >+ 1)R>ос>
и
снижает усиление. Величину R>ос>
выбирают, исходя из заданного коэффициента
усиления
.
Входное сопротивление транзистора без ООС зависит от тока базы покоя:
,
где
= 26 мВ = 0,026 В – “температурный
потенциал” (параметр полупроводника).
Находим
входное сопротивление транзистора без
ООС
(кОм).
Определяем требуемое входное сопротивление транзистора с ООС:
R>вх.тр.ос
>=
(кОм).
Вычисляем сопротивление резистора R>ос> в цепи эмиттера:
(кОм)
и приводим к стандартному номиналу.
Определяем сопротивление
R>э> = (R>э> + R>ос>) – R>ос> (кОм).
Округляем сопротивление R>э> до стандартного номинала.
4. Расчет каскада в области низких частот
В области низких частот (НЧ) усиление каскада уменьшается из-за влияния разделительных конденсаторов C>1> и C>2> и шунтирующего конденсатора C>э>:
,
где
– постоянная времени усилителя в области
НЧ.
Нижняя
граничная частота, на которой усиление
уменьшается в
раз, равна
.
определяется
постоянными времени трех цепей, в которые
входят указанные выше конденсаторы:
.
Здесь постоянная времени входной цепи
>н1> = R>вх>·C>1>,
где R>вх> – входное сопротивление каскада с учетом влияния базового делителя
R>вх> = R>вх.тр.ос>||R>1>|| R>2>;
постоянная времени выходной цепи
>н2> = (R>к> + R>н>)·C>2>;
постоянная времени цепи эмиттера
>н.э>
.
Исходя из заданной нижней частоты усилителя f>н>, определяем требуемую величину постоянной времени τ>н> (в миллисекундах):

(мс).
Определим значения >н1>, >н2> и >н3>. Целесообразно принять постоянные времени всех трех цепей одинаковыми:
>н1> = >н2> = >н.э> = 3>н> (мс).
Вычисляем входное сопротивление усилителя:
R>вх>
(кОм)
и находим емкость С>1>:
=
(мкФ).
Округляем С>1> до ближайшего стандартного номинала.
Находим емкость С>2>:
(мкФ).
Округляем С>2> до ближайшего стандартного номинала.
Находим емкость С>э>:
(мкФ).
Округляем С>э> до ближайшего стандартного номинала.
Таблица стандартных номинальных значений емкостей
|
1.0 |
1.5 |
2.2 |
3.3 |
4.7 |
6.8 |
5. Расчет каскада в области высоких частот
С повышением частоты также происходит уменьшение коэффициента усиления по сравнению с областью средних частот:
,
где >в >– постоянная времени усилителя в области высоких частот (ВЧ).
Снижение усиления на ВЧ обусловлено двумя факторами:
уменьшением модуля дифференциального коэффициента передачи тока по сравнению с h>21Э>;
влиянием выходной емкости транзистора С>вых> и емкости нагрузки С>н>, шунтирующих выходную цепь усилителя.
Поэтому >в> определяется и частотными свойствами транзистора (с учетом ООС), и паразитными емкостями. При большой емкости нагрузки она является основной причиной завала частотной характеристики усилителя на высоких частотах.
Определяем постоянную времени усилителя в области высоких частот
(мкс)
и
находим верхнюю частоту усилителя f>в>,
на которой усиление уменьшается в
раз по сравнению с областью средних
частот:
f>в>
(кГц).
6. Построение диаграмм напряжений и токов
Построим в координатах U>кэ>; I>к> (рис. 3) динамическую линию нагрузки, которая связывает колебания напряжения коллектор-эмиттер с колебаниями тока коллектора
U>кэ>> >= E>к.экв> – I>к> ·R>к.н>
и выходную характеристику, соответствующую току базы покоя
I>к> = h>21э>·I>б.о >+ h>22э>·U>кэ>.
Точка покоя О находится на пересечении этих линий.
Выбираем амплитуду колебаний тока базы I>б.m> .
Строим графики двух выходных характеристик для минимального тока базы
I>б.>>min> = I>б.о> – I>б.m>
и максимального тока базы
I>б.>>max> = I>б.о> + I>б.m>
Определяем на графике динамической линии нагрузки координаты точек А, О и В. Находим по этому графику амплитуду тока коллектора и амплитуду переменной составляющей напряжения на коллекторе: I>к.>>m> и U>кэ.>>m> = U>вых.>>m> .
Вычисляем амплитуды входного напряжения и переменной составляющей напряжения база-эмиттер
U>вх.m> = I>б.m >·R>вх.тр.ос> ;
U>бэ.m> = I>б.m >·h>11э> .
По динамической линии нагрузке и построенным диаграммам определяем значение амплитуды выходного напряжения U>вых.m>, вычисляем коэффициент усиления

и сравниваем его с заданной величиной K>u>.
Изображаем временные диаграммы:
напряжения на входе каскада u>вх>(t) (с нулевой постоянной составляющей);
напряжения на эмиттерном переходе u>бэ>(t) (с учетом полярности и величины постоянной составляющей U>бэ.о>);
тока базы и тока коллектора (токи при любом типе транзистора считать положительными);
напряжения коллектор-эмиттер (с учетом полярности и величины постоянной составляющей U>кэ.о>);
выходного напряжения на нагрузке.
Определяем на графике динамической линии нагрузки координаты точек 1, О и 2. Находим по этому графику амплитуду тока коллектора и амплитуду переменной составляющей напряжения на коллекторе:
I>к.>>m> = 0,6 мА; U>кэ.>>m> = U>вых.>>m> = 0,9 В.
Изображаем временные диаграммы напряжения на входе каскада u>вх>(t), напряжения на эмиттерном переходе u>бэ>(t), тока базы и тока коллектора, напряжения коллектор-эмиттер и выходного напряжения на нагрузке.

Литература
Опадчий Ю.Ф. Аналоговая и цифровая электроника (Полный курс): Учебник для вузов / Ю.Ф. Опадчий, О.П. Глудкин, А.И. Гуров; Под ред. О.П. Глудкина. – М.: Горячая Линия – Телеком, 2002. – 768 с.
Лачин В.И. Электроника: Учеб. пособие / В.И. Лачин, Н.С. Савелов. – Ростов н / Д: изд-во “Феникс”, 1998. – 448 с.
Гусев В.Г. Электроника: Учеб. пособие / В.Г. Гусев, Ю.М. Гусев. – 2-е изд. – М.: Высш. шк., 1991. – 622 с.
