Усилитель низкой частоты
Министерство общего и профессионального образования Российской Федерации
Южно-Уральский государственный университет
Кафедра Автоматики и Управления
УСИЛИТЕЛЬ НИЗКОЙ ЧАСТОТЫ
Пояснительная записка к курсовому проекту
по курсу: «Электронные устройства автоматики»
Руководитель
Казьмин О.Н.
" " 2000 г.
Автор работы
студент группы ПС-451
Аксенов А.Ю.
" " 2000 г.
Работа защищена с оценкой
" " 2000 г.
Челябинск
2000
Южно-Уральский государственный университет
Кафедра Автоматики и Управления
2000/2001 учебный год
ТЕХНИЧЕСКОЕ ЗАДАНИЕ
на курсовое проектирование по курсу Электронные устройства автоматики
студенту группы ПС-451 Аксенову А.Ю.
Выдано 1 Октября 2000 г.
Срок выполнения 8 сентября 2011 г.
Тема проекта "Усилитель низкой частоты"
Номер варианта 0 976 258 191 538 294 999 962
Исходные данные проекта
тип устройства – усилитель низкой частоты;
сопротивление
в нагрузке,
Ом;
максимальное
напряжение на нагрузке,
В;
минимальная
частота полосы пропускания
Гц;
максимальная
частота полосы пропускания
Гц;
коэффициент
частотных искажений на граничных
частотах
дБ;
форма частотной характеристики огибающей спектр генерируемого сигнала – плоская;
коэффициент
нелинейных искажений
%;
выходное
сопротивление устройства
Ом;
входное
сопротивление устройства
МОм;
ЭДС
генератора входного сигнала
мВ;
выходное
сопротивление генератора входного
сигнала
МОм;
диапазон
регулирования выходной величины в % от
максимального значения
%;
диапазон
изменения температуры среды
;
вид
питающего напряжения 220В
,
50 Гц.
Содержание расчетно-пояснительной записки.
Обоснование и выбор принципиальной схемы устройства.
Расчет основных узлов устройства.
Перечень графического материала
Принципиальная схема устройства.
Чертеж конструкции устройства.
Печатная плата устройства.
Подпись преподавателя
Аннотация
Аксенов А.Ю. Усилитель низкой частоты: Пояснительная записка к курсовой работе по курсу "Электронные устройства автоматики".
Челябинск: ЮУрГУ, 2000. – 20с.
В курсовом проекте рассматривается построение электронного устройства. Этот курсовой проект является одним из способов решения конструирования усилителя низкой частоты. Многие решения реализации функциональных блоков заимствованы из уже существующих реальных схем, поэтому многие данные приводятся на основе опытных данных. В основе данного курсового проекта лежит усилитель мощности звуковой частоты, построенный на транзисторах с n-p-n и p-n-p переходами.
Помимо расчетов принципиальной схемы в данной работе также представлены принципиальная схема, один из вариантов расположения элементов на плате и разводка к ним, спецификация элементов.
Проект реализован в программной среде Word 97, все расчеты произведены в программном пакете Mathcad pro 7.0, моделирование схемы произведено в среде Electronics Workbench. Для разводки платы использованы программные пакеты Orcad Captur 7.2, Layoute Plus 9.0.
Ил. 10 , список лит. – 11 назв.
Содержание
Введение.
1. Обоснование и выбор функциональной схемы устройства
2. Выбор и расчет функциональной схемы
2.1 Входной усилитель
2.2 Регулятор уровня
3. Предварительный усилитель и усилитель мощности
4. Выбор обратной связи и операционного усилителя для ВУ и ПУ
5. Источник питания
6. Питание операционных усилителей
7. Заключение
8. Список литературы
Введение
Задачей курсового проектирования является закрепление теоретических положений курса электронных устройств, а также углубление и приобретение новых знаний при самостоятельной работе с литературными источниками, приобретение навыков практического проектирования конкретных электронных устройств, в том числе с применением ЭВМ.
В настоящее время для инженерных расчетов широко применяются различные пакеты прикладных программ ориентированных на разные виды расчётов. В курсовой работе для расчетов использовались следующие пакеты:
-MathCad 8.0 – для проведения расчетов пояснительной записки.
-Electronics WorkBench 4.1 – для моделирования рассчитанных узлов.
-OrCad 7.00 – для построения принципиальной схемы всего устройства
-для создания чертежей по соответствующим ГОСТам.
-Microsoft Word 97 – для написания пояснительной записки.
1. Обоснование и выбор функциональной схемы
Низкочастотный усилитель проектируется на основе входного усилителя, предварительного усилителя и усилителя мощности. Для обеспечения нужной величины входного сопротивления и коррекции искажений частотной характеристики используется входной усилитель. Для обеспечения качественных показателей выходного сигнала используется усилитель мощности с глубокой отрицательной обратной связью. Для обеспечения блоков аппаратуры выходными напряжениями (токами) заданного номинала и качества используется источник питания. Функциональная схема усилителя низкой частоты представлена на рис.1.

Рис. 1
ВУ – входной усилитель;
РУ - регулятор уровня;
ПУ – предварительный усилитель;
УМ – усилитель мощности;
ЦООС – цепь частотно-зависимой обратной связи;
На усилитель мощности поступает сигнал от источника поступает через разделительную емкость (Cр) с входного усилителя (ВУ), который служит для обеспечения заданного входного сопротивления (Rвх). Разделительная емкость необходима для уменьшения дрейфа нулевого уровня выходного напряжения. Для регулирования величины выходного напряжения сигнал с входного усилителя поступает на регулятор уровня (РУ).
Источник питания является выпрямительным устройством и состоит из четырех узлов: трансформатора, вентильного комплекта (диодная схема), сглаживающего фильтра и стабилизатора постоянного напряжения.
Трансформатор необходим для получения заданного напряжения.
Вентильный комплект необходим для выпрямления переменного напряжения. В качестве выпрямителя использую однофазную мостовую схему. Схема применяется на выходные мощности до 1кВТ.
Преимущества схемы : повышенная частота пульсаций , низкая величина обратного напряжения , хорошее использование трансформатора .
Недостатки : необходимость в четырех вентилях , повышенное падение напряжения на вентильном комплекте .
Сглаживающий фильтр используется для ослабления пульсаций. Используем конденсатор.
2. Выбор и расчет элементов функциональной схемы
2.1 Входной усилитель
В
ходной
усилитель должен обеспечить входное
сопротивление, заданное в техническом
задании, коррекцию искажений частотной
характеристики и предварительное
усиление полезного сигнала. В качестве
входного усилителя выберем схему
неинвертирующего усилителя на операционном
усилителе (рис.2).
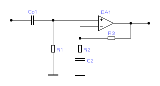
Рис. 2
Найдем напряжение, подаваемое на входной усилитель
(2.1)
Коэффициент усиления по напряжению всей схемы определится как:
(2.2)
Пусть входной усилитель обеспечивает усиление входного сигнала по напряжению до 2 В, а также обеспечивает входное сопротивление устройства Rвх=0,1 МОм.
(2.3)
Рассчитаем сопротивления обратной связи
,
(2.4)
т.о.
согласно ряду Е24:
,
.
Конденсатор С>2> уменьшает коэффициент усиления ВУ на частотах меньше нижней граничной, поэтому выбираем его номинал из условия:
(2.5)
В полосе пропускания входное сопротивление ВУ Rвх = R>1>(Rоудиф + R>2>) R>1>.
Разделительную емкость Ср1 выберем исходя из нижней граничной частоты:
,
(2.6)
Для
того чтобы искажения на нижней граничной
частоте были меньше увеличим емкости
конденсаторов:
,
.
Выберем операционный усилитель. Основным параметром для выбора ОУ является частота единичного усиления. Исходя из того, что верхняя граничная частота входного сигнала f>max>= 200 кГц и спад логарифмической АЧХ операционных усилителей в области верхних частот составляет –20 дБ/дек, то для ВУ необходим операционный усилитель с частотой единичного усиления fед f>max>*Ku = 0.96 МГц. Скорость нарастания выходного напряжения операционного усилителя должна удовлетворять величине выходного сигнала на верхней граничной частоте:
V>U>>вых> 2**f>max>*Uву (2.7)
V>U>>вых> 2,513 В/мкс.
Согласно этим требованиям выберем операционный усилитель 140УД26А.
Параметры операционного усилителя:
напряжение смещения: 0.03 (мВ);
входной ток: 40 (нА);
напряжение
питания:
15В;
ток потребления: 4.7 (мА);
максимальное выходное напряжение: 13.5 (В);
максимальный выходной ток: 10 (мА);
скорость
нарастания выходного сигнала: 11
;
входное сопротивление: 10 (МОм);
выходное сопротивление: 200 (Ом).
частота единичного усиления 16 МГц

Рис. 3 Логарифмическая частотная характеристика входного усилителя
2.2 Регулятор уровня
Регулятор уровня необходим, чтобы обеспечить заданный в техническом задании диапазон регулирования выходной величины, равный -40% от максимального значения. Выберем схему регулятора уровня, представленную на рис.4.

Рис. 4
Сопротивления резисторов R4 и R5 находятся в следующей зависимости:
. (2.8)
Из этого выражения находим R4 = 40 кОм, R5 = 60 кОм. Величина разделительной емкости C3 и резистора R6 находится из передаточной функции, которую они образуют:
.
(2.9)
Таком
образом минимальная частота
должна быть меньше или равна
.
,
(2.10)
Отсюда R6=200 кОм C3=1,5 мкФ. Коэффициент передачи регулятора уровня на заданном интервале частот равен единице.
3. Предварительный усилитель и усилитель мощности
П
ринципиальная
схема изображена на рис.5
Рис.5
Схема состоит из предварительного усилителя, построенного на операционном усилителе, и оконечного каскада, являющегося усилителем мощности, охваченных цепью общей отрицательной обратной связи (ЦООС).
Напряжение на входе ПУ
(3.1)
Коэффициент усиления схемы по напряжению равен:
(3.2)
Распределим его следующим образом:
Пусть коэффициент усиления ПУ по напряжению равен:
;
коэффициент усиления УМ по напряжению равен
.
Сначала рассчитаем усилитель мощности.
УМ построен на транзисторах VT1-VT4,резисторах R6-R11 и диодах VD1, VD2.
(3.9)
,где
-остаточное
напряжение на транзисторе.
Выбор транзисторов VT2, VT4.
(3.10)
- максимальный ток коллектора;
(3.11)

– максимальный ток нагрузки;

– среднее значение тока нагрузки;
- максимальная мощность;
(3.12)
-
максимальное напряжение коллектор -
эмиттер.
В соответствии с рассчитанными параметрами выберем пару транзисторов КТ825В(p-n-p) и КТ824В(n-p-n).
Параметры транзисторов:
максимальное напряжение коллектор - эмиттер: 65 (В);
статический
коэффициент передачи тока:
;
максимальная
рассеиваемая мощность:
;
максимальный
ток коллектора:
;
рабочие
напряжение транзистора:
;
напряжение
открывания транзистора:
;
ток
утечки:
;
температура перехода t>п>=175 0С;
Так данные транзисторы являются мощными, то при работе в схеме они очень сильно нагреваются и могут сгореть от перегрева. Для нормальной работы этих элементов требуется устанавливать их на радиаторы. Рассчитаем площадь теплоотвода для данных транзисторов.

Подставив данные получим: S>7.5 см2, примем S=9 см2.
Произведем выбор резисторов R9 и R8 (на общей схеме – R10 и R13, соответственно) используя условия протекания тока утечки через резистор R>6>:

,
(3.13)
- рабочий ток базы транзисторов.
Тогда сопротивление R>13> найдем по формуле:
(3.14).

.
R10
= R13
=900 (Ом).
Выберем сопротивления R13 и R10 из ряда Е24: R13 = R10 = 910(Ом.).
(3.15)
- мощность рассеиваемая на этих
резисторах,
выберем Р>R>>13> = P>R>>10> = 0.125 (Вт).
Выбор транзисторов VT1,VT3.
(3.16)
Максимальный ток через транзистор VT>1> равен:> >
.
(3.17)
Максимальное напряжение на транзисторе VT>1> равно:
.
(3.18)
Мощность, рассеиваемая на транзисторе равна:
.
Выберем пару комплиментарных транзисторов КТ820Б(p-n-p) и КТ821Б(n-p-n). Параметры транзисторов:
напряжение
коллектор эмиттер:
;
статический
коэффициент передачи:
;
максимальная
рассеваемая мощность:
;
максимальный
ток коллектора:
.
температура перехода t=125 0C.
Данные транзисторы также относятся к классу мощных и для них требуются теплоотводы. Рассчитаем площадь радиаторов аналогично предыдущему случаю и получим: S>138 см2, отсюда S=150 см2.
Выбор диодов VD1 и VD2.
Выбор
диодов производится по среднему прямому
току
и среднему обратному напряжению на
диоде
.
Рассчитаем ток диода:
(3.19)
.
По выходной характеристике для
транзистора VT1
задавшись током
,
найдем напряжение
,
получим
=0.35(В).
Тогда напряжение на диоде равно
.
Выберем диоды МД3:
среднее
обратное напряжение диода:
;
средний
прямой ток:
.
Выбор резисторов R>6>, R>7 >( на общей схеме – R9 и R12).
(3.20)
-
ток через резистор R>8.>
тогда
(3.21)
тогда
,
причем
,
возьмем их из ряда Е-24.
(3.22)
- мощность, рассеиваемая на
резисторах,
выберем
.
Выбор резисторов R>10>,R>11>( на общей схеме – R14 и R11)
Выбор произведем из условий:
и
(3.23)
получаем:
и
.
(3.24)
тогда:
,
.
Выберем сопротивления R>14>,R>11> из ряда Е24: R>14>=180 (Ом), R>11>=680 (Ом).
Найдем мощность рассеиваемую на резисторах:
,
(3.25)
,
.
выберем:
,
.
4. Выбор обратной связи и ОУ для ВУ и ПУ
По
условию технического задания необходимо
обеспечить величину коэффициента
нелинейных искажений УМ в соответствии
с техническим заданием
.
Определим величину глубины ООС по
формуле:
.
(3.26)
– коэффициент нелинейных
искажений УМ без ООС. При расчете примем
=10%,
тогда А=50,5. Коэффициент усиления ОУ
предварительного каскада УМ без ООС
равен:
.
(3.27)
.
Частота среза ОУ для предварительного усилителя не должна быть меньше величины:
.
(3.28)
-
минимальная частота среза ОУ для ПУ.
Скорость нарастания выходного напряжения ОУ должна удовлетворять величине выходного сигнала на верхней граничной частоте:
(3.29)
следовательно:
.
Выберем операционный усилитель 140УД26А.
Параметры операционного усилителя:
коэффициент
усиления:
;
напряжение смещения: 0.03 (мВ);
входной ток: 40 (нА);
напряжение
питания:
15В;
ток потребления: 4.7 (мА);
максимальное выходное напряжение: 13.5 (В);
максимальный выходной ток: 10 (мА);
скорость
нарастания выходного сигнала: 11
;
входное сопротивление: 10 (МОм);
выходное сопротивление: 200 (Ом).
Глубина ООС равна:
(3.30)
подставив
значения, получим:
коэффициент нелинейных искажений:
.
Сопротивление
R>5> (общей
схеме – R8)
возьмем равным R6>: >
(ряд
Е-24).
Найдем R>4> ( на общей схеме R7):
,
откуда
,
тогда:
(ряд
Е-24).
Все сопротивления мощностью 0.125.
Рассчитаем емкость C>2 >( на общей схеме С4) исходя из граничной частоты полосы пропускания, равной 5 (Гц):
(3.31)
(ряд
Е-12).
5. Источник питания
Общая схема источника питания изображена на рис.6.

Рис.6.
Источник питания состоит из понижающего трансформатора, диодного моста, выполненного на диодах (VD1-VD4),двух конденсаторов и двух стабилизаторов напряжения.
Выбор конденсаторов.
Так как U=32 (В), то берем конденсатор, рассчитанный на 50 (В).
Напряжение пульсаций составляет 5% от U: 2U~>п>=0.05*50=2.5 (В).
(3.32)
-
ёмкость конденсатора.
Выбираем емкость С=3300(мкФ), тогда
.
Выбираем конденсатор К50-33.
Выбор трансформатора.
(3.33)
-минимальное
напряжение во вторичной обмотке.
(3.34)
-
номинальное напряжение во вторичной
обмотке.
(3.35)
-
максимальное напряжение во вторичной
обмотке.
напряжение
вторичной обмотки:


ток
вторичной обмотки:

мощность
вторичной обмотки:

По полученным данным выберем трансформатор ТПП297:
тип и размеры сердечника: ПЛМ 20х32х58 (мм);
мощность: 110 (Вт);
ток первичной обмотки: 1.08/0.620(А);
ток вторичной обмотки: 1.53 (А);
напряжение вторичной обмотки: 9.93 (В);
напряжение вторичной обмотки: 20 (В);
напряжение вторичной обмотки: 5.05 (В);
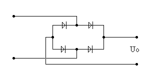
Выбор диодов.
Используем мостовую схему соединения диодов, она изображена рис.7:
Р
ис.7.

;
(3.36)

-
обратное напряжение на диодах;

;
Выберем диоды Д229Ж:
максимальное обратное напряжение: 100В;
максимальный прямой ток: 0.7А.
Выбор стабилизатора напряжения.
Выберем в качестве стабилизатора напряжения микросхему КР142ЕН.
КР142ЕН12 – регулируемый трехвыводный стабилизатор положительного напряжения, позволяющий питать устройства током до 1,5 А в диапазоне от 1,2 до 37 В. Этот стабилизатор имеет полную защиту от перегрузок, включающую внутрисхемное ограничение по току, защиту от перегрева и защиту выходного транзистора.
Параметры микросхемы:
выходное напряжение: 2-37 (В);
выходной ток: 0,5 (А),
теплосопротивление R=4 0С/Вт;
мощность рассеивания 20 Вт.
Схема включения микросхемы для положительного выходного напряжения изображена на рис.8:

Рис.8.
Рассчитаем параметры схемы включения стабилизатора.
По умолчанию данная схема имеет следующие параметры:
R>1>=120 Ом;
C>in> = 0.33 мФ;
C>out>=0.1 мФ.
Сопротивление R>2> определяется в зависимости от того, какое напряжение нужно получить на выходе. Как было выведено ранее Е>к>=32 В. Значит, чтобы на выходе получить 32 В, необходимо выбрать сопротивление R>2> по формуле:
,согласно ряда Е24.
В результате этого на выходе стабилизатора получим 32 В.
Для стабильной работы данной микросхемы требуется теплоотвод. Аналогично, как и для транзисторов рассчитаем его: S>373 см2, примем S=400 см2.
Но для питания схемы требуется два напряжения +32 В и –32 В. Для организации отрицательного напряжения воспользуемся аналогичной микросхемой КР142ЕН18. Схема подключения данного стабилизатора такая же, как для микросхемы КР142ЕН12, с теми же номиналами.
6. Питание операционных усилителей
П
итание
операционных усилителей будем осуществлять
по схеме, она изображена на рис.9:
Рис.9.
Так
как питание операционных усилителей
равно
15
(В), то выберем стабилитрон КС515А:
ток стабилизации номинальный: 5 (мА);
напряжение
стабилизации при
:
13.5…15*…16.5
(В).
Найдем
сопротивление:
,
(3.38)
,
рассеиваемая
мощность:
(3.39)
рассеиваемая
мощность:
.
Выберем сопротивления из ряда Е24: номинал 1.8 кОм, рассеваемая мощность 0.5 (Вт).
7. Заключение
В результате выполнения данного курсового проекта, на практике освоили и закрепили теоретический материал по курсу электроники. На практики освоили расчет и выбор элементов схемы, разработанной в данной работе. В ходе поиска и подбора элементов усвоили новые тонкости некоторых понятий и приборов. Результатом полученных знаний является данный курсовой проект. С помощью вспомогательных программ увидели работу модели данной схемы и получили распечатку элементов, так как они должны выглядеть на печатной плате.
8. Список литературы
Алексенко А.Г., Коломбет Е.А, Стародуб Г.И. Применение прецизионных аналоговых ИС. - М.: Радио и связь, 1981.
Транзисторы для аппаратуры широкого применения / под ред. Перельмана Б.Л.-М.: Радио и связь, 1981.
Гутников В.С. Интегральная электроника в измерительных устройствах. - Л.: Этергоатомиздат. Ленинградское отделение, 1988.
Кизлюк А.И. Справочник по устройству и ремонту телефонных аппаратов зарубежного и отечественного производства. - М.: Антелком, 1998.
"Радио" № 12, 94
"Радио" № 9, 93
"Радио" №4, 90
Китаев В.Е., Бокуняев А.А. Расчет источников электропитания устройств связи. - М.: Связь, 1979.
Забродин Ю.С. Промышленная электроника. - М.: Высшая школа,1982.
Акимов Н.Н., Ващуков Е.П., Прохроненко В.А, Ходоренко А.А. Резисторы, конденсаторы, трансформаторы, дроссели, коммутационные устройства РЭА. Справочник . Минск Беларусь,1994.
Резисторы ( справочник) / под ред. Четверкова И.И. - М.: Энергоатомиздат,1981.