Электрические станции сети и системы
Министерство транспорта Российской Федерации
Федеральное агентство железнодорожного транспорта
ГОСУДАРСТВЕННОЕ ОБРАЗОВАТЕЛЬНОЕ УЧРЕЖДЕНИЕ ВЫСШЕГО ПРОФЕССИОНАЛЬНОГО ОБРАЗОВАНИЯ
Самарская государственная академия путей сообщения
Кафедра «Электроснабжение железнодорожного транспорта»
КУРСОВАЯ РАБОТА
по дисциплине
«Электрические станции сети и системы»
Вариант № 69
Выполнил:
студент группы 852
Музалёв Н. А.
Проверил: Козменков О.Н.
Самара 2007
СОДЕРЖАНИЕ
Введение
Исходные данные для расчета
Определение ожидаемой суммарной расчетной нагрузки
Определение числа и мощности трансформаторов ГПП, обоснование схемы внешнего электроснабжения
Электрический расчет электропередачи 110 кВ
Определение напряжений и отклонений напряжений
Диаграммы отклонения напряжений
Определение потерь электроэнергии
Расчет токов короткого замыкания
Определение годовых эксплуатационных расходов и себестоимости передачи электрической энергии
Введение
Целью курсовой работы является приобретение студентами практических навыков расчета и проектирования электрических сетей напряжением 110кВ и выше. В задание входит:
расчет электрических нагрузок железнодорожного узла;
выбор числа и мощности трансформаторов главной понизительной подстанции (ГПП);
электрический расчет питающей воздушной ЛЭП 110кВ, а также расчет токов короткого замыкания и проверки основной аппаратуры ГПП на термическую и электродинамическую устойчивость.
Необходимо:
По заданным значениям отдельных электрических нагрузок, расположенных на территории железнодорожного узла, определить суммарную расчетную нагрузку.
Определить мощность ГПП, категорийность потребителя, выбрать число и мощность трансформаторов на ней.
Выполнить электрический расчет воздушной ЛЭП 110кВ.
Определить годовые эксплуатационные расходы и себестоимость передачи электрической энергии.
Составить принципиальную схему электропередачи, и выбрать электрооборудование.
Рассчитать токи короткого замыкания, проверить аппаратуру на термическую и электродинамическую устойчивость.
ИСХОДНЫЕ ДАННЫЕ ДЛЯ РАСЧЁТА
Тяговая нагрузка, Р>1> = 6,9 МВА; cos>1 >= 0,882
Жилые кварталы, Р>2 >= 1,39 МВА; cos>2 >= 0,872
Электровозное депо, Р>3 >= 1,31 МВА; cos>3 >= 0,952
Вокзал с пристанционным хозяйством, Р>4 >= 1,22 МВА; cos>4 >= 0,878
Сельхоз нагрузка прилегающих районов, Р>5 >= 2,8 МВА; cos>5 >= 0,743
Прочая нагрузка, Р>6 >= 0,788 МВА; cos>6 >= 0,946
Число часов использования максимума нагрузки в год, Т>м >= 6920 ч.
Длина ЛЭП 110кВ, L = 172 км
Стоимость 1кВтч, β = 156 коп.
Отклонения напряжения на питающей подстанции, U>max>/U>min>> >= ±5%
Определение ожидаемой суммарной расчетной нагрузки
Суммарная расчетная активная мощность:
,
где n – количество нагрузок подключенных к данному узлу;
К>раз> – коэффициент разновременности максимума.
МВА
Расчетная реактивная мощность:
.
tg φ>1> = 0,534
tg φ>2> = 0,561
tg φ>3> = 0,322
tg φ>4> = 0,545
tg φ>5> = 0,901
tg φ>6> = 0,339

Суммарная расчетная мощность:
ОПРЕДЕЛЕНИЕ ЧИСЛА И МОЩНОСТИ ТРАНСФОРМАТОРОВ ГПП, ОБОСНОВАНИЕ СХЕМЫ ВНЕШНЕГО ЭЛЕКТРОСНАБЖЕНИЯ
Определим мощность трансформаторов с К>з>=0,7:
,
где N>T> – количество трансформаторов.
МВА
Выбираем ближайшее стандартное значение номинальной мощности трансформатора:
Тип трансформатора ТДН – 16000/110
Потери: х.х. = 18 кВт
к.з. = 85 кВт
Ток х.х. = 0,7 %
Напряжение к.з. = 10,5 %
Далее проверяем коэффициент загрузки трансформатора в аварийном режиме, когда в работе остается один трансформатор:
,
т.к. К>з>=0,9051,31,4
трансформатор выбран верно.
Выбираем схему ГПП с короткозамыкателями и отделителями (рис 1), число фидеров 10 кВ: 16/3 = 5,333 ≈ 5
Провода питающих ЛЭП – 110кВ принимаем сталеалюминевыми, марки АС. Так как по экономическому условию сечение провода всегда будет большим, можно исходить из экономической плотности j>э> Сечение провода:

где
,
А – расчетный ток нормального режима;
j>э> = 1 А/ мм2 – экономической плотность тока.


Полученное сечение округляем до ближайшего стандартного, т.е. выбираем провод марки АС-70, S=70мм2. Осталось проверить выбранное сечение S по длительно допустимому току для аварийной ситуации, когда по одной ЛЭП будет протекать расчетный ток всей ГПП:


Для провода марки АС-70 длительно допустимый ток I>дд>=265А, следовательно, провода марки АС-70 подходят.
Электрический расчет электропередачи 110кВ
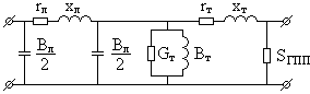
Схему замещения ЛЭП принимаем «П»-образной, трансформатора «Г»-образной. Таким образом, схема замещения электропередачи получит вид, представленный на рис. 2.

Рис. 2. Схема замещения ЛЭП и трансформатора
Здесь: r>л>, x>л> – активное и индуктивное сопротивление линии, Ом;
r>т>, x>т> – активное и индуктивное сопротивление трансформатора, Ом;
G>т>, B>т> –активная и индуктивная проводимость трансформатора, См;
В>л> – емкостная проводимость линии, См;
S>ГПП> – мощность на шинах 10кВ, МВА.
Активное сопротивление двухцепной линии:
,
Ом
где r>0> – активное сопротивление одного километра линии, Ом/км;
l – длина линии, км.
Ом
Индуктивное сопротивление двухцепной линии:
,
Ом
где x>0> – индуктивное сопротивление одного километра двухцепной линии,
Ом/км. Принимаем x>0>=0,4 Ом/км.
Ом
Емкостная проводимость двухцепной линии:
,
См
где В>0>
=
См/км емкостная проводимость одного
километра линии.
См
Сопротивления трансформаторов:
,
Ом
,
Ом
где Р>м> – потери мощности при коротком замыкании, кВт (потери активной мощности в меди);
U>к> – напряжение короткого замыкания трансформатора, %;
S>н> – номинальная мощность трансформатора, кВА;
U>н> – номинальное напряжение основного вывода трансформатора, кВ.
Ом
Ом
Проводимости трансформаторов:
,
См
,
См
где Р>ст> – потери активной мощности в стали трансформатора, приближенно
равные потерям мощности при холостом ходе, кВт;
I>0> – ток холостого хода, %.
См
См
Зарядная емкостная мощность двухцепной линии:
,
Мвар
Мвар
Согласно принятой П-образной схеме замещения половина емкостной мощности 0,5Q>c> генерируется в начале линии и половина – в конце.
Определение потерь мощности в трансформаторах.
Потери мощности имеют место в обмотках и проводимостях трансформаторов, которые для ГПП определим по формуле:
,
МВА
МВА
МВА
Потери мощности в проводимостях трансформаторов:
,
МВА
где m – число трансформаторов ГПП;
Q>> - потери реактивной мощности в стали трансформатора, Мвар:

Мвар
МВА
МВА
S>н> – номинальная мощность трансформатора, МВА.
Определение мощности в начале линии электропередачи начинаем со стороны ГПП.
Определим мощность в начале расчетного звена трансформаторов S>н.тр>. Для этого к потерям мощности в обмотках трансформаторов S>об> прибавим мощность на шинах 10кВ ГПП:
,
МВА
МВА
МВт
Мвар
МВА
Определим мощность S>п.тр>, подводимую к трансформаторам, для чего к мощности в начале расчетного звена трансформаторов S>н.тр> прибавим мощность потерь в проводимостях трансформаторов:
,
МВА
МВА
МВт
Мвар
МВА
Определим мощность в конце линии передачи S>кл> (в конце звена), для чего алгебраически сложим мощность, подводимую к трансформаторам, с половиной зарядной мощности линии:
,
МВА
МВА
МВт
Мвар
МВА
Определим потери мощности в сопротивлениях линии:
,
МВА
МВА
МВт
Мвар
МВА
Определим мощность в начале линии S>нл> (в начале звена), суммировав мощность в конце звена с потерями мощности в линии, и прибавив половину зарядной мощности ЛЭП:
,
МВА
МВА
МВт
Мвар
МВА
ОПРЕДЕЛЕНИЕ НАПРЯЖЕНИЙ И ОТКЛОНЕНИЙ НАПРЯЖЕНИЙ
В начале определим напряжение в центре питания, т.е. на шинах районной подстанции U>цп> в режиме максимальной нагрузки:
,
где U>max>> >= 5% – отклонение напряжения, которое указывается в задании;
U>н> – номинальное напряжение 110кВ.
кВ
Тогда напряжение в конце ЛЭП определяется по формуле:
,
где
;
Р>нл> – активная мощность в начале ЛЭП;
Q>нл> – реактивная мощность в начале ЛЭП.

кВ
кВ
Потеря напряжения в линии в % составит:
%.

Отклонение напряжения в конце ЛЭП в %:
%

Напряжение на шинах вторичного напряжения трансформатора, приведенное к первичному, будет:

где U>Т> – потерю напряжения в трансформаторе, определим по формуле аналогичной потере напряжения в ЛЭП:
;
где Р>н.тр>, Q>н.тр> – соответственно активная и реактивная мощность в начале расчетного звена трансформатора.

кВ
кВ
В % потеря напряжения в трансформаторе составит:
Отклонение напряжения на шинах вторичного напряжения трансформатора определяется по формуле:

Ответвление +16%: δU>2> = 0,681 + 5 – 5,17 = 0,511 %
Ответвление 0%: δU>2> = 0,681 + 10 – 5,17 = 5,511 %
Ответвление -16%: δU>2> = 0,681 + 16 – 5,17 = 11,511 %
Теперь определим напряжение в центре питания, т.е. на шинах районной подстанции U>цп> в режиме минимальной нагрузки:
,
где U>min>=– 5% - отклонение напряжения, которое указывается в задании;
U>н> – номинальное напряжение 110кВ.
кВ
Тогда напряжение в конце ЛЭП определиться по формуле:
,
где
;
Р>нл> – 50% активной мощности в начале ЛЭП;
Q>нл> – 50% реактивной мощность в начале ЛЭП.

кВ
кВ
Потеря напряжения в линии в % составит:
%.

Отклонение напряжения в конце ЛЭП в %:
%

Напряжение на шинах вторичного напряжения трансформатора, приведенное к первичному, будет:

где U>Т> – потерю напряжения в трансформаторе, определим по формуле аналогичной потере напряжения в ЛЭП:
;
где Р>н.тр>, Q>н.тр> – соответственно 50% активной и 50% реактивной мощности в начале расчетного звена трансформатора.

кВ
кВ
В % потеря напряжения в трансформаторе составит:
Отклонение напряжения на шинах вторичного напряжения трансформатора определяется по формуле:

Ответвление +16%: δU>2> = 8,139 + 5 – 2,675 = 10,464 %
Ответвление 0%: δU>2> = 8,139 + 10 – 2,675 = 15,464 %
Ответвление -16%: δU>2> = 8,139 + 16 – 2,675 = 21,464 %
ПОСТРОЕНИЕ ДИАГРАММЫ ОТКЛОНЕНИЙ НАПРЯЖЕНИЯ
Согласно ГОСТ 13109-97 для сетей 6-10 кВ и выше максимальные отклонения напряжения не должны превышать ±10 %, а в сетях до 1 кВ - ±5 %.
ОПРЕДЕЛЕНИЕ ПОТЕРЬ ЭЛЕКТРОЭНЕРГИИ
В линии, выполненной проводами одинакового сечения по всей длине, потери электроэнергии:
,
кВтч,
где r>0> – активное сопротивление провода, Ом/км;
U>н> – номинальное напряжение линии, кВ;
S>p> – расчетная мощность, кВА;
l – длина ЛЭП, км;
-- время максимальных потерь, ч.
Время потерь можно определить лишь приближенно. Для определения используем формулу:

ч
кВтч
Потери электроэнергии в трансформаторах ГПП:
,
кВтч,
где Р>м.н> – потери активной мощности в обмотках трансформатора при номинальной нагрузке (потери короткого замыкания), кВт;
Р>ст> – потери активной мощности в стали трансформатора (потери холостого хода), кВт;
S>н> – номинальная мощность трансформатора, кВА;
S>р> – максимальная расчетная мощность, преобразуемая трансформаторами подстанции, кВА;
m – число трансформаторов на подстанции;
t – время, в течение которого трансформатор находится под напряжением (принять в расчетах t=8760ч), ч.
кВтч
Полные потери электрической энергии составят:
,
кВтч.
кВтч
РАСЧЕТ ТОКОВ КОРОТКОГО ЗАМЫКАНИЯ
Сопротивление воздушной ЛЭП:
,
Ом
где х>0> – удельное сопротивление одного километра воздушной ЛЭП-110 (принимаем х>0>=0,4Ом/км);
l – длина линии, км.
Ом
Результирующее сопротивление:
,
Ом
Ом
Периодическая составляющая тока короткого замыкания для т. К>1>:
,
кА
кА
Амплитуда ударного тока:
,
кА.
кА
Для т. К>2> (напряжение 10кВ) приведем сопротивление ЛЭП-110кВ коэффициент напряжению 10кВ по формуле:
,
Ом
где U>10> и U>110> – среднее номинальное напряжение ступени.
Ом
Результирующее сопротивление равно:
,
Ом
где сопротивление трансформатора определяется по формуле:
,
Ом
Ом
Ом
Периодическая составляющая тока короткого замыкания в т. К>2> определится по формуле:
,
кА
кА
Амплитуда ударного тока:
кА.
кА
Определение годовых эксплуатационных РАСХОДОВ И СЕБЕСТОИМОСТИ ПЕРЕДАЧИ ЭЛЕКТРИЧЕСКОЙ ЭНЕРГИИ
Годовые эксплуатационные расходы состоят из трех слагаемых:
стоимость потерь электроэнергии в электрических сетях;
отчисление на амортизацию оборудования сети;
расходы на текущий ремонт и обслуживание сети.
Годовые эксплуатационные расходы:
,
где - стоимость электроэнергии, руб./кВтч;
Р>ак>, Р>рк> – амортизационные отчисления и отчисления на текущий ремонт и обслуживание в к-том элементе сети, %;
К>к> – капиталовложения в рассматриваемый элемент, тыс. руб.
тыс.руб.
Полные затраты на электропередачу составят:

где С – годовые эксплуатационные расходы (годовые издержки производства) при рассматриваемом варианте, тыс.руб.;
К – капиталовложения при рассматриваемом варианте, тыс.руб.;
Р>н> – нормативный коэффициент эффективности, который для расчетов в области энергетики принимаем 0,12.
тыс.руб.
Себестоимость передачи электроэнергии:

где Р>р> – расчетная мощность железнодорожного узла;
Т>м> – продолжительность максимума нагрузки, ч.
руб./кВтч.
БИБЛИОГРАФИЧЕСКИЙ СПИСОК
Федоров А.А., Старкова Л.Е. Учебное пособие для курсового и дипломного проектирования. – М.: Энергоатомиздат, 1987. – 368с.
Правила устройства установок ПУЭ., 6-е, 7-е издание. – Санкт-Петербург: Деан, 2001. – 942с.
Караев Р.И., Волобринский С.Д. Электрические сети и энергосистемы. – М.: Транспорт, 1988. – 312с.
Князевский Б.А., Липкин Б.Ю. Электроснабжение промышленных предприятий. – М.: ВШ, 1986. – 400с.
Справочник по проектированию электроснабжения /Под ред.Ю.Г. Барыбина. – М.: Энергоатомиздат, 1990.—576с.