Цифровой термометр
МИНИСТЕРСТВО ОБРАЗОВАНИЯ РОССИЙСКОЙ ФЕДЕРАЦИИ
ГОСУДАРСТВЕННОЕ ОБРАЗОВАТЕЛЬНОЕ УЧРЕЖДЕНИЕ ВЫСШЕГО ПРОФЕССИОНАЛЬНОГО ОБРАЗОВАНИЯ
"ТЮМЕНСКИЙ ГОСУДАРСТВЕННЫЙ НЕФТЕГАЗОВЫЙ УНИВЕРСИТЕТ"
ИНСТИТУТ НЕФТИ И ГАЗА
Кафедра: «Автоматизация и вычислительная техника»
ПОЯСНИТЕЛЬНАЯ ЗАПИСКА
к курсовой работе
на тему: Цифровой термометр
Выполнил: студент гр. АТПб-08-1
Сергеев В.А.
Проверил: к.т.н., доц. Мусихин С.А.
Тюмень 2010
Содержание
Введение
1. Цифровой термометр
1.1. Технические характеристики
1.2 Функциональная схема
1.3 Принципиальная схема
Список использованных источников
Введение
Повсеместное использование АЦП (Аналогово-цифровых преобразователей) позволило "оцифровать" также и приборы для измерения температуры. Цифровой термометр состоит из следующих частей:
Тепловой чувствительный элемент (как правили это - терморезистор, через который протекает ток);
АЦП;
Дисплей;
Схема включения, настройки и формирования выходных сигналов для передачи на прочие (исполнительные) устройства;
Элемент питания.
Диапазон цифровых термометров простирается от минусовых температур (-100 °С) до тысячи градусов выше "0". Точность от 0,01 градуса - определяется только качеством термочувствительного элемента. В чем же состоят основные отличия цифрового термометра от жидкостного? Во многих сферах деятельности ранее использовались жидкостные термометры на ртутной или спиртовой основе. Они имели массу недостатков:
хрупкость (колба, содержащая жидкость, состояла из стекла, чтобы пользователь мог видеть показания);
относительная вредность содержимого колбы (особенно ртути);
недостаточная точность показаний и сложность градуировки.
Цифровой термометр избавлен от всех этих недостатков. К тому же использование цифровых электрических схем позволило проводить компьютерную обработку результатов измерения и (или) передавать данные результаты на любые расстояния (например, через Интернет или даже из космоса). Относительным недостатком цифрового термометра может служить его зависимость от питания, но потребление цифровых термометров (особенно с ЖК-дисплеем) настолько мало (да к тому же есть модели с питанием от солнечных батарей), что этим можно пренебречь.
1 Цифровой термометр
1.1 Технические характеристики
Основные технические характеристики с терморезистором ТР-4
Интервал измеряемой температуры, °С ...............-50...+100
Разрешающая способность, °С, ......................0,1
Погрешность измерения, °С,
на краях рабочего интервала ................... ±0,5
в средней части рабочего интервала, не хуже ... +_0,1...0,2
Напряжение источника питания, В....................9
Потребляемый ток,мА ...............................1
Габариты, мм...................................... 175х65х30
Масса, г.......................................... 250
К бытовым термометрам обычно предъявляют такие требования, как точность измерения - не хуже 0,5 ° С в интервале температуры от -50 до +100 ° С -(при измерении температуры тела человека - не хуже 0,1...0,2 °С), малогабаритность, экономичность, автономность питания, малая тепловая инерционность и гигиеническая безвредность. Описываемый здесь сравнительно простой цифровой термометр в основном отвечает этим требованиям.
1.2 Функциональная схема

Рисунок 1 – функциональная схема цифрового термометра
С помощью датчика снимается уровень напряжения, соответствующий определенной температуре окружающей среды, затем с помощью аналого-цифрового преобразователя напряжение аналогового сигнала преобразуется в цифровую форму для последующего отображения уровня сигнала цифровым индикатором.
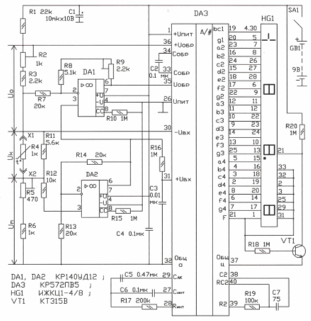
1.3 Принципиальная схема

Рисунок 2 – принципиальная схема цифрового термометра
Принципиальная схема термометра изображена на рис. 2. Чувствительным элементом прибора служит температурный датчик, принцип действия которого основан на свойстве некоторых материалов изменять свое электрическое сопротивление при изменении температуры. Датчики температуры могут быть различными. В промышленности, например, часто используют массивные металлические (медные или платиновые) термопреобразователи. Для бытовых приборов наиболее подходят полупроводниковые малогабаритные терморезисторы ММТ, КМТ, СТ1, СТЗ, ТР-4, ММТ-4, которые по сравнению с металлическими преобразователями, значительно менее теплоинерционны, имеют почти в десять раз больший температурный коэффициент сопротивления (ТКС), большее электрическое сопротивление, позволяющее полностью пренебречь сопротивлением проводов, которые соединяют датчик с прибором. Наилучшими характеристиками обладает миниатюрный каплевидной формы остеклованный терморезистор ТР-4 с уменьшенным ТКС. Он имеет размеры 6Х4Х2,5 мм; гибкие выводы длиной 80 мм изготовлены из проволоки с низкой теплопроводностью. Его масса - 0,3 г. Основные электрические характеристики терморезистора ТР-4: номинальное сопротивление - 1 к0м±2 % при температуре +25 ° С, ТКС - примерно 2 %/°С, рабочий температурный интервал -60...+200 °С, постоянная времени - 3с [ 1 ].

Недостаток полупроводниковых терморезисторов - нелинейность зависимости сопротивления от температуры и значительный разброс характеристик, что является основной причиной, сдерживающей их широкое применение для измерения температуры. Рис. 1 иллюстрирует типовую зависимость сопротивления полупроводниковых терморезисторов ТР-4 и ММТ-4 от температуры. Однако соответствующие схемотехнические решения линеаризации характеристики позволяют в значительной мере устранить эти недостатки.
Основа прибора - интегрирующий аналого-цифровой преобразователь (АЦП) DA3, к выходу которого подключен четырехразрядный жидкокристаллический индикатор HG1. Такая элементная база позволила снизить энергопотребление и обеспечить прибору малые габариты и массу. Измерительную цепь прибора образуют токозадающий резистор R1, резисторы R2 и R3, формирующие образцовое напряжение Uобр, терморезистор R4, напряжение Uт, на котором изменяется в зависимости от температуры, и компенсирующий резистор, функцию которого выполняют резисторы R5, R6. Для уменьшения погрешности от самопрогрева терморезистора номинал токозадающего резистора R1 выбран таким, чтобы ток в измерительной цепи был равен примерно 0,1 мА. В приборе применено прямое измерение термосопротивления методом отношений - терморезистор R4 и образцовый резистор (R2+R3) включены последовательно и через них протекает одинаковый ток. Падение напряжения, возникающее на терморезисторе, поступает на входные выводы 30 и 31, а падение напряжения на образцовом резисторе, выполняющем функцию источника образцового напряжения Uобр- на выводы 35 и 36 АЦП DA3. При таком способе измерения результат преобразования АЦП не зависит от тока в измерительной цепи, а значит, отпадает надобность в традиционно применяемых высококачественных источниках тока и образцового напряжения, от которых во многом зависят точностные характеристики измерителя.
Для прибора, работающего в режиме измерения температуры, типичной является задача компенсации начального значения термосопротивления при нулевой температуре. Для этого сопротивление компенсационного резистора (R5+R6) выбирают равным сопротивлению терморезистора R4 при нулевой температуре, а чтобы скомпенсировать сумму значений напряжения Uт+Uк, поступающую на вывод 30 АЦП, на его вывод 31 подают напряжение, равное 2 Uк, которое формирует операционный усилитель DA2 с коэффициентом усиления K=(1+R14/R13)=2. Тогда с учетом того, что с повышением температуры сопротивление терморезистора уменьшается, имеем Uвх ацп = Uвх+ --Uвх -=2Uк - (Uт+Uк)=Uк --Uт Линеаризацию нелинейной зависимости термосопротивления от температуры реализуют шунтированием терморезистора R4 резистором R11-грубо, а точно- введением в устройство ОУ DA1. Но шунтирующий резистор R11 лишь частично спрямляет эту нелинейность, несколько расширяя рабочий температурный интервал. Принцип точной линеаризации основан на изменении коэффициента преобразования АЦП в зависимости от образцового напряжения Uобр. Оно изменяется благодаря обратной связи через ОУ DA1. При такой связи часть входного напряжения UВХ, определяемая коэффициентом усиления ОУ DA1 B=[l+(R8+R9)/R7] Добавляется к напряжению Uобp [З]. Чем больше увеличивается сопротивление терморезистора при снижении температуры, тем быстрее растет образцовое напряжение, а это приводит к пропорциональному уменьшению коэффициента преобразования АЦП: Uобp=Uобр+ -Uобр-=U0-B(Uк-Uт),где Uобр+-Uобр- - напряжения на выводах 36 и 35 АЦП соответственно. Если принять цену деления младшего разряда равной 0,1 ° С, то в конечном виде показание цифрового индикатора HG1 определится выражением:

Другие элементы термометра, обеспечивающие работу АЦП, типовые. Транзистор VT1, включенный инвертором, служит для индикации в цифровом индикаторе HG1 знака десятичной точки. Детали прибора смонтированы на печатной плате из фольгированного стеклотекстолита толщиной 1,5 мм (рис. 3). Микросхема DA3 смонтирована со стороны печатных проводников. Гнезда XI, Х2 (от разъема 2РМ) припаяны непосредственно к печатным площадкам платы. Для крепления переключателя SA1 также предусмотрены печатные площадки. Постоянные резисторы - С2-29В, подстроечные - СПЗ-38а. Конденсаторы: С1 - К50-6, СЗ и С7 - К22У, С5 - К73-17, С2 и С6 - К73-24. Переключатель SA1 - ПД9-2, батарея питания GB1 - "Корунд". Индикатор ИЖКЦ1-4/8 можно заменить на ИЖЦ-5. Монтажная плата помещена в пластмассовый корпус от бытового дозиметра "Белла" (см. фото в "Радио", 1990, № 10, с. 25). Конструктивное оформление датчика произвольное. Например, в пластмассовом стержне диаметром 5 и длиной б5... 70 мм сверлят сквозное осевое отверстие диаметром около 3 мм, а затем в одном из его торцев - углубление. На выводы терморезистора надевают тонкие изоляционные трубки, выводы пропускают в отверстие в стержне, устанавливают терморезистор в углубление и герметизируют его клеем БОВ-1 или лаком К0947.

К выводам припаивают концы двупроводного гибкого кабеля и туго надевают на конец стержня, противоположный терморезистору, отрезок тонкостенной дюралюминиевой трубки, служащей ручкой датчика. Длина соединительного кабеля - около 1,5 м. Из-за значительного разброса параметров полупроводниковых терморезисторов в устройство введены три подстроечных резистора: R5- для установки нуля, R2 - для установки масштаба шкалы и R9 - для линеаризации характеристики терморезистора. Простейшую регулировку термометра удобно выполнить по трем контрольным значениям температуры: талой воды (0 °С), тела человека (36,6 °С) и кипения воды (100 °С). В первой из этих контрольных точек измеряют температуру воды во льду, а не воды со льдом, температура которой может быть более 1 °С. Во второй контрольной точке в качестве образцового прибора используют медицинский термометр.
|
Терморезистор (сопротивление) |
Температура, C |
Напряжение, мВ |
||||||||
|
на выводах АЦП |
Uобр |
Uвх |
Uо |
Uт |
Uк |
|||||
|
36 |
35 |
30 |
31 |
|||||||
|
TP-4 (1ком) |
175 150 100 50 25 0 -20 -50 |
423 428 442 466 488 525 578 803 |
341 337 325 306 287 259 217 38 |
144 150 166 196 220 259 317 566 |
288 287 283 276 270 259 244 182 |
82 91 117 160 201 266 361 765 |
144 137 117 80 50 0 -73 -384 |
279 278 276 270 268 266 261 237 |
1 7 24 58 85 130 195 475 |
144 143 142 138 135 130 122 91 |
|
ММТ-4 (1,3 ком) |
125 100 50 25 0 -20 -40 |
422 437 465 489 526 577 640 |
317 312 295 281 259 229 191 |
149 159 191 217 259 315 385 |
286 284 276 269 259 245 227 |
109 125 170 207 265 348 449 |
137 125 85 52 0 -70 -158 |
273 278 274 272 267 262 255 |
6 17 53 82 130 194 269 |
143 142 138 135 130 121 116 |
Температуру кипения воды необходимо скорректировать поправкой на атмосферное давление. В Пятигорске, например, находящемся на высоте около 500 м над уровнем моря, вода кипит при температуре 92,5 °С. Регулировку начинают, поместив датчик в талую воду. Подстроечным резистором R5 устанавливают на индикаторе нулевое показание. Затем поочередной регулировкой резисторов R2 и R9 добиваются показаний индикатора, соответствующих значениям температуры в двух остальных контрольных точках. Далее датчик снова помещают в талую воду и повторяют все контрольные измерения. Более точную регулировку прибора можно выполнить по промышленным ртутным термометрам с ценой деления шкалы 0,2 °С. Вместо терморезистора ТР-4 в датчике можно использовать и другие терморезисторы более широкого применения, но с обязательной корректировкой сопротивления некоторых резисторов прибора. Так, при замене его терморезистором ММТ-4 с номинальным сопротивлением 1,3 кОм сопротивление резистора R11 должно быть уменьшено до 3,3 кОм, а при терморезисторе СТЗ-19 с номинальным сопротивлением 2,2 кОм - до 3 кОм. Режимы работы АЦП при использовании в приборе терморезисторов ТР-4 и ММТ-4 показаны в таблице. Если пределов регулировки подстроечными резисторами, кроме R11, не хватает, то, возможно, придется подобрать резисторы R3, R6, R8. Входную часть прибора можно использовать в цифровом мультиметре, выполненном на микросхеме КР572ПВ5.
Список использованных источников
1. В.Суетин, г. Пятигорск, Радио №10, 1991 г., стр.28
http://www.a-el.ru/d_term.htm
1