Вимірювання роботи виходу електронів методом Кельвіна
Міністерство науки та освіти України
ДНІПРОПЕТРОВСЬКИЙ НАЦІОНАЛЬНИЙ УНІВЕРСИТЕТ
Факультет фізики, електроніки та комп’ютерніх систем
Кафедра радіоелектроніки
КУРСОВА РОБОТА
НА ТЕМУ:
«Вимірювання роботи виходу електронів методом Кельвіна»
Дніпропетровськ 2009
Реферат
У роботі описані, робота виходу електрона, основні принципи вимірювання роботи виходу електрона. Окремо сконцентровано увагу на методі Кельвіна.
Зміст
Вступ
1. Робота виходу електронів
1.1 Робота виходу електронів з металу
2. Методи виміру роботи виходу електронів
2.1 Вимірювання роботи виходу електронів по величині густини струму термоеміссії
2.2 Вимірювання роботи виходу електронів за допомогою явища фотоефекту
2.3 Вимірювання роботи виходу електронів через контактну різницю потенціалів
2.4 Вимірювання роботи виходу електронів методом динамічного конденсатора
2.5 Вимірювання роботи виходу електронів методом статичного конденсатора
2.6 Вимірювання роботи виходу електронів методом електронного пучка Андерсона
3. Вимірювання роботи виходу електронів методом Кельвіна
Висновки
Список використаних джерел
Вступ
Поштовхом до перших досліджень роботи виходу послужили дві причини. Одна з них - гостра потреба електровакуумної промисловості, що швидко розвивалася, в довговічних і ефективно працюючих катодах. Інша причина – виникла у розумінні того, що робота виходу є фундаментальним поняттям в новій електронній теорії металів і тому вимірювання цієї величини в різних умовах дозволяє глибше розпізнати властивості металів.
Багато експериментів, переслідуючі чисто технологічні цілі, внесли свій внесок в теорію, тоді як успіхи теорії швидко знаходили своє втілення в промисловому виготовленні електронних приладів.
Останніми роками, сильно збільшилася необхідність техніки у вимірюванні роботи виходу. Розвиток термоелектронних пристроїв прямого перетворення, поліпшення параметрів фоточутливих детекторів, потреба в стабільних катодах, що працюють при все більш високому тиску і все більш низьких температурах, необхідність підвищення надійності іонних джерел в масс-спектрометрії - ось лише декілька чинників, що стимулювали інтенсивні дослідження роботи виходу.
Одним із способів вимірювання роботи виходу електрона із матеріалів є метод Кельвіна, який ґрунтується на контактній різниці потенціалів та динамічному конденсаторі.
1. Робота виходу електронів
Робота виходу — найменша кількість енергії, яку необхідно надати електрону для того, щоб вивести його з твердого тіла у вакуум. Робота виходу є характеристикою речовини. Як і будь-яку іншу енергетичну характеристику ії можна вимірювати в джоулях, але це непрактично. Зазвичай роботу виходу заведено вимірювати в електронвольтах (еВ).
Робота виходу електронів з металу
Емісія електронів з металу може спостерігатися при певних умовах. Залишити метал можуть вільні електрони, якщо їм надати енергію, достатню для подолання електричних сил, що перешкоджають виходу. Виникнення цих сил пов’язано з наступними причинами.
Над поверхнею металу постійно існує хмарка негативного заряду, яка утворюється за рахунок електронів, що перетнули поверхню металу та віддаляються на відстань порядку постійної гратки і повертаються назад. Цей негативний заряд над поверхнею металу та позитивний заряд поверхневих іонів створюють подвійний електричний шар, який своїм полем затримує рух електронів від металу.
Електрон, який вийшов за межі металу, викликає появу на поверхні зразку додатного індукованого заряду, звідки між електроном та зразком виникає сила притягання, що перешкоджає віддаленню електронів. Величину цієї сили можна розрахувати за методом дзеркальних зображень. Тому цю силу називають силою дзеркального зображення.
Сили дзеркального зображення та поле подвійного електричного шару утримують вільний електрон у металі, і робота проти цих сил являє висоту потенціального бар’єра W, який потрібно подолати, щоб електрон мав можливість залишити метал.
Таким чином, вільний електрон у металі з енергетичної точки зору знаходиться у потенціальній ямі глибиною W відносно вакууму. На рис.1а представлена потенціальна енергія електрона всередині металу, при цьому потенціальна енергія електрона в вакуумі приймається за нуль відліку.


а) б)
Рис.1. Потенціальна яма, в якій знаходиться електрон у металі (а); розподіл електронів за енергіями в металі (б)
Знаходячись всередині потенціальної ями, вільні електрони беруть участь у тепловому русі і мають кінетичну енергію. Розподіл електронів за кінетичною енергією визначається на основі квантової статистики вільних електронів у металі. Число вільних електронів з енергією між ε та ε + еφ при довільній температурі металу дається співвідношенням:
(1.1)
де m – маса електрона, h – стала Планка, T – температура, k – стала Больцмана, ε>F >– енергія Фермі.
Вигляд розподілу (1.1) представлено на рис.1б.
Як видно з рис.1б, при температурі Т=0 максимальна кінетична енергія, яку можуть мати електрони,– енергія Фермі ε>F> – менше глибини потенціальної ями W, тому електрони не можуть залишити метал. Для подолання потенціального бар’єра W метал-вакуум високоенергетичним електронам, які знаходяться на рівні енергії Фермі, потрібно надати додаткову енергію W – ε>F>. Ця різниця між висотою потенціального бар’єра W та енергією Фермі ε>F> називається роботою виходу електрона:
A = W – ε>F> = еφ (1.2)
Робота виходу записується тут як еφ, де φ – потенціал електричного поля, що заважає виходу електрона з металу; походження його розглядалось вище.
Величина роботи виходу різна для різних матеріалів. Для здійснення емісії електронів додаткова енергія може бути надана різними способами:
- при зовнішньому фотоефекті за рахунок енергії світлових квантів, що поглинаються електронами;
- при вторинній електронній емісії – за рахунок електронів та іонів, що вдаряються об поверхню матеріалу та потрапляють всередину його.
При термоелектронній емісії ця енергія передається електронами за рахунок теплової енергії тіла. Зі збільшення температури змінюється характер розподілу електронів за енергією (рис.1б). При достатньо високій температурі з’являється певна кількість електронів в енергетичних станах, енергія яких перевищує висоту бар’єра (рис.1б). Ці електрони можуть взяти участь в емісії (на рис.1б ці електрони „заштриховані”).
2. Методи виміру роботи виходу електронів
Відомі численні способи визначення роботи виходу електрона, засновані на таких фізичних явищах, як:
• термоелектронна емісія;
• фотоефект;
• холодна емісія;
• поверхнева іонізація;
• контактна різниця потенціалів.
До недоліків вищенаведених способів визначення роботи виходу електронів з матеріалів можна віднести достатню апаратну складність самих установок, а також технологічну складність і тривалість проведення робіт. Складність робіт витікає з самих фізичних ефектів і відомих теоретичних передумов, на яких вони засновані.
2.1 Вимірювання роботи виходу електронів по величині густини струму термоеміссії
Якщо зміряти струм емісії I>а> електронної лампи при насиченні (в цьому випадку всі електрони, що вийшли з металу беруть участь в анодному струмі), то по величині площі S поверхні нитки катода можна обчислити густину струму емісії:
γ=I>а>/S. (2.1)
Температура
нитки рожарювання теж може бути
встановлена експериментально. Тоді за
допомогою закону Річардсона - Дешмана
може бути обчислениа робота виходу А.
Для зручності розрахунку використовують
залежність
від
.
Розділивши рівність (2.1.) на Т, після логарифмування отримаємо:
(2.2)
З формули (2.2) виходить:
(2.3)
Якщо
вимірюється в А/м2,
постійна Больцмана в Дж/К, то значення
А будуе в джоулях. Для перекладу джоуля
в електрон-вольти використовується
співвідношення: 1эВ=1,6·10-19
Дж.
Температуру рожарення катода можна встановити за допомогою залежності температури розжарення Т від величини χ=Р/ld. Тут Р - потужність струму нитки розжарення; l - довжина нитки; d - діаметр нитки.
Р=I>р>U>р> (2.4)
де I>р> - струм розжарення; U>р> - напруга розжарення.
Величини I>a> I>р >U>р> вимірюються по приладах, як показано на рис. 2.

Рис.2. Установка для вимірювання роботи виходу електронів по величині густини струму термоеміссії
2.2 Вимірювання роботи виходу електронів за допомогою явища фотоефекту
Фотоефектом називається звільнення (повне або часткове) електрона від зв'язків з атомами і молекулами речовини під дією світла (звичайного, інфрачервоного, ультрафіолетового). Якщо електрони виходять за межі освітлюваної речовини (повне звільнення), то фотоефект називається зовнішнім (відкритий в 1887 році Герцем і детально досліджений в 1888 році А.Г. Столетовим). Якщо ж електрони не тільки втрачають зв'язок зі «своїми атомами» і молекулами, але і залишаються всередині освітлюваної речовини як «вільні електрони» (часткове звільнення), збільшуючи тим самим електропровідність речовини, то фотоефект називається внутрішнім (відкритий в 1873 році У.Смитом). Зовнішній фотоефект спостерігається у металів. На Рис. 3 приведена схема, за допомогою якої можна спостерігати зовнішній фотоефект.

Рис.3. Установка для вимірювання роботи виходу електронів за допомогою явища фотоефекту.
Із третього закону фотоефекту (для кожної речовини існують порогові значення частоти та довжини хвилі світла, які відповідають межі існування фотоефекту; світло з меншою частотою та більшою довжиною хвилі фотоефекту не викликає) випливае поняття «червона межа фотоефекту» (оскільки це порогове значення завжди ближче до червого світла, то йому дали назву червона межа фотоефекту).
Зрозуміло, що червона межа фотоефекту існує завдяки притягуванню електронів до ядер. Разом з тим, останній закон не можна пояснити на основі уявлення про світло як неперервні плавні коливання у вакуумі-ефірі: такі хвилі мали довго розгойдувати електрони до того моменту, коли швидкість останніх стала б достатньою для відриву від металу.
Повне пояснення фотоефекту належить А.Ейншейну, який використав ідею німецького фізика М.Планка про те, що світло випромінюється і поширюється окремими порціями - квантами (або інша назва фотони). Для обчислення енергії кванта світла М.Планк запропонував просту формулу
ε= hν. (2.5)
А. Ейнштейн висловив припущення, що фотоефект відбувається внаслідок поглинання фотоном одного кванта, а інші кванти не можуть брати участь у цьому процесі. Тоді енергія одного кванта світла (фотона) витрачається на подолання бар'єру (виконання роботи виходу, відриву від матеріалу) і надання кінетичної енернії фотоелектрону.
Це дозволило йому записати закон збереження енергії для процесу - рівняння Ейнштейна для фотоефекту
(2.6)
де ν — частота світла, h — стала Планка, m — маса електрона, v — його швидкість, A — робота виходу.
Тобто за червоною межою фотоефекту можна визначити роботу виходу.
2.3 Вимірювання роботи виходу електронів через контактну різницю потенціалів
Якщо два провідники А і В з істинними значеннями роботи виходу φ>а> і φ>в> при однакових температурах знаходяться в електричному контакті, то електрони тектимуть в одному напрямі, поки не буде досягнутий рівноважний стан, при якому рівні Фермі двох провідників стануть однаковими. Іншими словами, електрохімічні потенціали електронів в двох провідниках повинні стати рівними. Тоді потенціали у точках X і У поблизу поверхонь провідників А і В буде рівний:
, (2.7)
(2.8)
де
- електрохімічний потенціал. Очевидно,
що
(2.9)
Величина
називається контактною різницею
потенціалів (надалі КРП) між провідниками
А і В і може бути позитивною, негативної
або нулем. Якщо провідники знаходяться
при різних температурах, то до правої
частини рівняння (2.9) необхідно додати
термоелектричну складову.
Припустимо
тепер, що провідники А і В не знаходяться
в безпосередньому контакті один з одним,
а якимсь чином зв'язані між собою
електрично і що потенціал
введений в зовнішній ланцюг.
(2.10)
Тоді
Рівняння (2.10) є основою для різних методів
вимірювання КРП, які можна розділити
на дві групи. В першій групі методів
провідники А і В знаходяться в
безпосередньому контакті, а потенціал
,
що прикладається, підбирається так, щоб
різниця потенціалів
приймала задане значення
,
яке може бути обчислене на основі інших
експериментальних параметрів. В цих
умовах
і
для визначення
достатньо одного експерименту. В цій
групі найважливішими є метод Кельвіна
і метод статичного конденсатора. Іншими
методами є магнетронный метод Оутлі,
метод насиченого діода і метод пробою.
В другій групі методів провідник А
спочатку порівнюється з третім провідником
С, для чого до А і С прикладається такий
потенціал V>1>
щоб вимірювана величина (звичайно сила
струму) стала рівною
деякому фіксованому значенню. Потім за тих же умов провідник А замінюється провідником В і таким же чином знаходиться потенціал V>2>. Тоді
Отже,
для визначення
необхідно поставити два експерименти.
До цієї групи належать метод електронного
пучка Андерсона, а також метод діода з
обмеженим просторовим зарядом.
2.4 Вимірювання роботи виходу електронів методом динамічного конденсатора
Найближчим
до способу, що заявляється, по технічній
суті і результату, що досягається, є
відомий і в даний час найвизнаніший
спосіб визначення роботи виходу електрона
шляхом вимірювання контактної різниці
потенціалів (КРП). заснований на тому,
що два металеві провідники А (досліджуваний
провідник) і Б (провідник порівняння),
розміщені у вакуумі, утворюють плоский
конденсатор ємністю С. Через різну
природу провідників А і Б між ними
виникає різниця потенціалів
і заряд Q, який за відсутності зовнішньої
напруги рівний:
(2.11)
Якщо
до провідників А і Б вміщенним у вакуум,
через зовнішню систему управління
прикласти різницю потенціалів
,
то тоді). Примусова (зовнішня) зміна
ємності конденсатора системою управління
на величину ΔС (зміна відстані між
провідниками) призводить до зміни його
заряду на величину ΔQ:
(2.12)
Фізична
суть способу полягає в тому, що якщо
системою контролю, управління і реєстрації
електричних і інших технічних характеристик
провідників А і Б, створюючих конденсатор
і замкнутих через зовнішній ланцюг,
підібрати величину
так, щоб зник потік заряду при примусовій
зміні його місткості, тобто, щоб ΔQ стало
рівним нулю, то тоді
=
.
Контроль зміни ΔС проводять при періодичному механічному коливанні однієї з пластин конденсатора щодо іншої. При цьому потік зарядів ΔQ приймає форму змінного струму, який детектує і посилюється.
Підібрану
експериментально вищевикладеним
способом величину
прийнято
називати контактною різницею потенціалів
провідників А і Б, яка при помноженні
на заряд електрона чисельно (в · [эВ])
відображає різницю робіт виходу електрона
у вакуум провідників А і Б. Точность
методу - ±0.001эВ.
До основних недоліків цього способу визначення роботи виходу електрона у вакуум можна віднести:
достатню складність экспериментальной установки і тривалість технологічного циклу робіт, витікаючі з вимоги розміщення провідників А і Б в робочому об’ємі з достатньо глибоким вакуумом;
практичну неможливість позбавлення від адсорбції деяких газів і пари води на поверхню досліджуваного провідника, яка може призводити іноді до різких змін величин робіт виходу електрона для одного і того ж металу, що достатньо переконливо показане в довіднику;
виникнення так званого «ефекту (потік зарядів ΔQ приймає форму змінного струму) дробу» поблизу нуля змінного струму, що детектує і усилюваного в експерименті, прояв якого накладає обмеження на точність вимірювання величини контактної різниці потенціалів провідників, а значить і на величину роботи виходу електрона у вакуум конкретного провідника А, якщо наперед відома робота виходу електрона у вакуум для провідника Б;
2.5 Вимірювання роботи виходу електронів методом статичного конденсатора
Цей метод, запропонований Дельхаром і ін., в принциповому відношенні схожий з методом Кельвіна, проте відрізняється методом компенсації КРП. Провідники А і В знову утворюють плоский конденсатор, проте замість того, щоб коливатися щодо один одного, вони залишаються нерухомими. Визначається витік зарядів з конденсатора, обумовлена КРП між пластинами, і підбирається зовнішня різниця потенціалів для компенсації цього витоку.
Для цього методу дуже істотно, щоб потенціал був прикладений за час, менший постійній часу RC - контура, що складається з експериментального конденсатора і зовнішнього опору R. Останній вибирається приблизно 1012 Ом. Необхідна чутливість приблизно 0,25 мВ.
2.6 Вимірювання роботи виходу електронів методом електронного пучка Андерсона
У цьому методі, запропонованому Андерсоном, пучок повільних електронів з гармати падає нормально на поверхню провідника А. Площа, досліджувана пучком, мала в порівнянні з розмірами провідника А, але велика в атомних масштабах. Будується характеристична крива залежності струму мішені від потенціалу на ній. Потім мішень міняється: або змінюється стан поверхні мішені, або берется інший провідник В, і знову будується характеристична крива. Відносний зсув двох кривих на осі напруг дорівнює КРП між двома станами поверхні А або між провідниками А і В.
Точність методу в значній мірі залежить від паралелі характеристичних кривих. Якщо вони непаралелі по всій своїй довжині, то неможливо визначити, який відносний зсув. Відсутність паралелі може бути обумовлений значним неконтрольованим потоком електронів із сторонніх поверхонь, неспівпаданням положень провідників А і В або ефектом плямистості однієї або обох мішеней, причому плями можуть бути розташовані по-різному. Перші два джерела помилок можуть бути усуненені поліпшенням техніки експерименту. Що ж до ефекту плямистості, то метод, мабуть, дає тільки середнє значення роботи виходу поверхні, опромінюваної пучком, а оскільки він застосовується майже виключно до напилених у вакуумі плівок, різниця в плямистості окремих плівок не може бути причиною відхилення від паралелі характеристичних кривих.
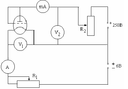
3. Вимірювання роботи виходу електронів методом Кельвіна
Однією з характеристик поверхнвеого стану, як вже наголошувалося, є робота виходу електрона. Роботу виходу електрона можна виміряти за допомогою багатьох сучасних спектроскопічних методів, але найточнішим є метод Кельвіна. Схема вимірювань по методу Кельвіна представлена на рис. 4.

Рис.4. Схема для вимірювання роботи виходу електронів методом Кельвіна. 1- досліджуємий матеріал, статична пластина, 2 – електрод порівняння (відома робота виходу), динамічна пластина.
Суть методу Кельвіна полягає в наступному. Вібруючий електрод (2) з відомою роботою виходу вібрує поблизу досліджуваної поверхні (1) утворюючи плоский конденсатор. Різниця робіт виходу між електродом
порівняння і зразком проявляє себе як різниця поверхневих потенціалів
між двома поверхнями. Згідно простому співвідношенню
(3.1)
де
- контактна різниця потенціалів (КРП)
або різниця робіт виходу, q
- заряд поверхонь, С - ємність.
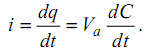
Оскільки електрод коливається, ємність змінюється періодично з
часом. Похідна заряду за часом вимірюється як амплітуда змінного струму, тобто
(3.2)
Підсилювач налаштований на сигнал, заданий електродом, що коливається.
Звичайно така схема працює як компенсаційна: постійна напруга змінюється до тих пір, поки вимірюваний струм І не стане рівним нулю.
Відповідне нульовому значенню струму постійна напруга рівно і протилежно по знаку КРП. Вимірювання роботи виходу таким чином - це, по суті, пряме вимірювання потенціалу подвійного слоя.
Метод є надзвичайно чутливим до забруднення поверхні, тому вимірювання на будь-яких об'єктах, окрім благородних металів і чистих поверхонь, зв'язані із значними труднощами.
Висновки
Останніми роками, сильно збільшилася необхідність техніки у вимірюванні роботи виходу. Розвиток термоелектронних пристроїв прямого перетворення, поліпшення параметрів фоточутливих детекторів, потреба в стабільних катодах, що працюють при все більш високому тиску і все більш низьких температурах, необхідність підвищення надійності іонних джерел в масс-спектрометрії - ось лише декілька чинників, що стимулювали інтенсивні дослідження роботи виходу.
Одним із способів вимірювання роботи виходу електрона із матеріалів є метод Кельвіна, який ґрунтується на контактній різниці потенціалів та динамічному конденсаторі.
Список використаних джерел
Грин М. (перевод Киселёва В.Ф.) Поверхностные свойства твердых тел – М.: Мир, 1972. – 432 с.
Борисов С.Ф. Межфазная граница газ–твердое тело: структура, модели, методы исследования. – Екатеринбург.:УГУ, 2001. – 240 с.
Методы анализа поверхностей/ Под ред. А. Зандерны. – М.: Мир, 1979;
Межфазовая граница газ –твердое тело/ Под ред. Э. Флада. – М.:Мир, 1970.
Исследование основных законов фотоэффекта и определение постоянной Планка / под ред. Айданова О.С., Сверчинская С.А. – Иркутск: ИГУ, 1999.
Шимони К. Физическая электроника. М.: Мир, 1977.
H.A. Поклонский H.И. Горбачук H.M. Лапчук Физика электрического контакта металл/полупроводник. – Минску:БГУ, 2003. – 52 с.