Разработка конструкции и технологии микроэлектронного варианта формирователя опорной частоты 10 МГц
Московский Авиационный Институт
Государственный Технический Университет
Курсовая работа
по курсу Основы конструирования и технологии производства РЭС
Разработка конструкции и технологии микроэлектронного варианта формирователя опорной частоты 10 МГц
Выполнил:
студент группы Р-402
vanish588
Консультант:
Чермошенский В.В.
1. Разработка конструкции МСБ
1.1 Анализ электрической схемы МСБ
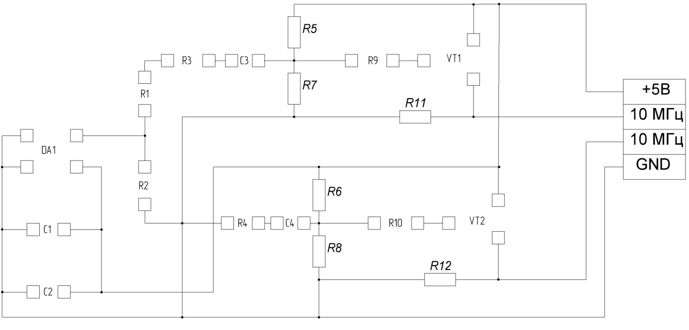
Проектируемая схема формирователя опорной частоты в микроэлектронном исполнении, предназначена для использования в различных связных, телевизионных, навигационных комплексах.
Схема питается от системы, в которую устанавливается.
В схему формирователя включен кварцевый генератор с цепью обвязки. Схема имеет два идентичных выхода, для возможности подключения к ней двух потребителей опорной частоты, как правило, это приёмник и вычислительная плата.
При подключении питания необходимо соблюдать полярность.
Для питания МСБ необходимо напряжение 5 В, которое используется для питания кварцевого генератора, и питания транзисторов в выходной цепи.
В схеме используются высокочастотные транзисторы, включенные по схеме с общим коллектором (эммитерный повторитель), для того чтобы развязать по сопротивлениям выход схемы и сопротивление нагрузки кварцевого генератора.
Исходя из номиналов резисторов, целесообразно выполнить резисторы R1, R2 и R3, R4, R9, R10 навесными элементами SMD. Это позволит применять один резистивный материал для выполнения остальных резисторов, т.е. применять массовое производство плат.
Номиналы конденсаторов больше номиналов конденсаторов выполняемых в тонкоплёночном виде, поэтому конденсаторы тоже применим навесные SMD чипы, ниже подтвердим выбор расчётом.
Высокочастотные транзисторы выполняются в корпусном варианте, т. к. бескорпусные аналогичные транзисторы имеют более высокий коэффициент шумов и более высокую нестабильность частотных характеристик.
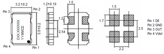
Кварцевый генератор имеет свой собственный корпус и устанавливается в корпус микросборки. Генератор имеет керамический SMD корпус 3,2 x 5 мм. Применение корпусного генератора обусловлено более высокой стабильностью выходной частоты. Условия эксплуатации генератора удовлетворяют техническому заданию.
Расчёт режимов работы схемных элементов по постоянному току
Расчёт схемы по постоянному току электрических режимов цепей и схемных элементов производится для определения максимально возможной мощности, рассеиваемой элементами схемы. Расчёт по известным номинальным значениям параметров элементов ведётся для «наихудшего случая». С этой целью исходная электрическая схема преобразовывается в эквивалентную, содержащую такое соединение схемных элементов с источником питания, при котором в цепях действуют максимальные токи(напряжения).

Рис.1 Эквивалентная схема МСБ для определения рассеиваемой мощности

Рис.2 Расчётные результаты из среды MicroCAP 9


Мощность рассеиваемая резисторами, равна сумме мощностей, рассеиваемых каждым резистором:

Корпусной транзистор AT-1433 (http://www.chipfind.ru):
- напряжение пробоя коллектора,
эммитера

- максимально допустимый ток
коллектора

- максимально допустимой мощностью
рассеяния

- статический коэффициент передачи
тока



Рис.2 Корпусной транзистор AT-41533
Кварцевый генератор ГК-CPPL-T5-A7BR-10М-PD (www.bmgplus.ru):
- потребляемый ток

- с потребляемой мощность


Рис.3 Корпусной кварцевый генератор ГК-CPPL-Т5-A7BR-10М-PD
Получается, полная рассеиваемая мощность МСБ будет вычисляться как сумма рассеиваемых мощностей на каждом элементе:

Выбор и обоснование элементной базы МСБ. Расчёт тонкопленочных элементов платы МСБ
Расчёт тонкоплёночных резисторов
Найдём оптимальное значение сопротивления квадрата резистивной пленки


Расчёт резистора R1:
Номинальное сопротивление
резистора
;
пределы допустимого в условиях
эксплуатации изменения сопротивления
резистора относительно номинала при
фотолитографическом методе изготовления
;
рассеиваемая мощность
,
максимальная положительная температура
по ТЗ
,
время наработки на резистора
.
Выбираем резистивный материал
(Л1, табл 2.1) –
сплав Кермет К50-С, имеющий величину
сопротивления на квадрат резистивной
плёнки
,
удельную мощность рассеяния
,
температурный коэффициент сопротивления
(ТКС)
.
Коэффициент формы
.
Фотолитографией возможно изготовление
резисторов с коэффициентом формы
.
Получившийся коэффициент формы очень
мал, поэтому получается нецелесообразно
использовать резисторы в тонкоплёночном
исполнении. Аналогичные результаты
были получены для резисторов R2,
R3,
R4,
R9,
R10.
Данные резисторы заменим навесными SMD
чипами в корпусе 0603.
Расчёт резистора R5:
Номинальное сопротивление
резистора
;
пределы допустимого в условиях
эксплуатации изменения сопротивления
резистора относительно номинала при
фотолитографическом методе изготовления
;
рассеиваемая мощность
,
максимальная положительная температура
по ТЗ
,
время наработки на резистора
.
Выбираем резистивный материал
(Л1, табл 2.1) –
сплав Кермет К50-С, имеющий величину
сопротивления на квадрат резистивной
плёнки
,
удельную мощность рассеяния
,
температурный коэффициент сопротивления
(ТКС)
.
Коэффициент формы
.
Фотолитографией возможно изготовление
резисторов с коэффициентом формы
.
В случае селективного травления
проводящего и резистивного слоёв,
контактные площадки выполняются без
припуска на совмещение слоёв (Л1,
Рис.2.1.а).
Относительная погрешность
сопротивления за счёт влияния температуры
эксплуатации
.
Так как МСБ перегревается также за счёт
«внутренних» тепловыделений увеличим
в 1,1 раза, получим
.
Относительная погрешность сопротивления
за счёт старения
.
Относительная погрешность сопротивления
за счёт переходного сопротивления между
резистивным слоем и контактной площадкой
принимается равной
.
Относительная погрешность обеспечения
величины
:

Погрешность коэффициента формы:

Ширина резистора
,
обеспечивающая получившееся
:

где
- абсолютные производственные погрешности
изготовления при фотолитографическом
методе.
Определим минимально допустимое
значение ширины резистора
с учётом обеспечения заданной мощности
рассеяния:

Расчётное значение ширины
резистора
,
при этом
- технологически реализуемая ширина
резистора.
Определим фактические геометрические размеры резистора:

Площадь резистивной полоски

Определяется фактическая нагрузка резистора по мощности:
Удельная мощность

Нагрузка по мощности

Определим фактическую погрешность коэффициента формы:

Аналогичным образом ведётся расчёт оставшихся резисторов проектируемой МСБ. Результаты расчётов тонкоплёночных резисторов представлены в виде таблицы:
Таблица 1
|
Поз. обозначе-ние |
Номинал, допуск, мощность |
Материал |
Ом/кв |
|
% |
|
мм |
мм |
|
|
|
R1,R2 |
100Ом±5% |
Кермет |
5000 |
0,02 |
1,5 |
1 |
Навесной |
|||
|
R3,R4, |
51Ом±5% |
Кермет |
5000 |
0,01 |
1,5 |
1 |
Навесной |
|||
|
R9,R10 |
51Ом±5% |
Кермет |
5000 |
0,01 |
1,5 |
1 |
Навесной |
|||
|
R5,R6 |
3.6кОм±5% |
Кермет |
5000 |
0.72 |
-2,64 |
1 |
2,63 |
1,89 |
0,65 |
- |
|
R7,R8 |
5.6кОм±5% |
Кермет |
5000 |
1,12 |
-2,64 |
1 |
3,77 |
4,22 |
0,49 |
- |
|
R11,R12 |
1кОм±5% |
Кермет |
5000 |
0,2 |
-2,64 |
1 |
3,77 |
0,75 |
0,20 |
- |
Резисторы R1,R2: чип резистор 0.063Вт 0603 5% 100 Ом (http://www.chipdip.ru/product0/41371.aspx)
Резисторы R3,R4,R9,R10: чип резистор 0.063Вт 0603 5% 51 Ом (http://www.chipdip.ru/product0/50777.aspx)



Рис.3 Корпус SMD резисторов в корпусе 0603: R1, R2, R3, R4, R9, R10.
Расчёт тонкоплёночных конденсаторов
Расчёт конденсатора С1
Номинальная ёмкость конденсатора
,
эксплуатационная погрешность
;
рабочее напряжение на конденсаторе ,
напряжение на конденсаторе
,
максимальная положительная и отрицательная
температуры по ТЗ
,
,
время работы

Выбираем материал диэлектрика
(Л1, табл. 2.3) –
стекло электровакуумное С41-1 с удельной
ёмкостью
,
электрическая прочность
,
диэлектрическая проницаемость
и температурным коэффициентом ёмкости
.
Толщина диэлектрического слоя,
обеспечивающая электрическую прочность
конденсатора
,
а уровень удельной ёмкости
.
Температурная составляющая погрешности:
- её для надёжности можно увеличить
в 1.2 раза
,
-
увеличим в 1.2 раза
.
Погрешность за счёт старения:
,
погрешность верхней обкладки конденсатора.

где
- относительная погрешность обеспечения
.
Примем
.
Тогда

Удельная емкость, обусловленная конечной точностью изготовления размеров верхней обкладки ровна:

где
- коэффициент формы тонкопленочного
конденсатора, применим
;
- производственные погрешности
изготовления длины и ширины конденсатора.
При


Расчетное значение
необходимо выбрать из условия:
.
Принимаем

Фактическое значение толщины диэлектрического слоя

Проверим напряженность электрического поля в конденсаторе:


Определим геометрические размеры конденсатора.
Площадь верхней (активной) обкладки:

Длина и ширина
;

Размеры нижней обкладки:

где
.
Примем

Тогда

Размеры диэлектрического слоя:


Фактическое значение погрешности активной площади:

Аналогичным образом рассчитаем оставшиеся конденсаторы проектируемой МСБ. Результаты расчётов тонкоплёночных конденсаторов представлены в виде таблицы:
Таблица 2
|
Поз. Обозна-чение |
Номинал, допуск, мощность |
Материал |
|
|
|
|
|
|
|
|
С1 |
10мкФ±20% |
Стекло электро-вакуумное С41-1 |
50000 |
5 |
141.42 |
142.02 |
142.62 |
200 |
9.2 |
|
С2 |
0.1мкФ±20% |
Стекло электро-вакуумное С41-1 |
50000 |
5 |
14.14 |
14.74 |
15.34 |
2 |
9.2 |
|
С3,С4 |
0.01мкФ±20% |
Стекло электро-вакуумное С41-1 |
50000 |
5 |
4.47 |
5.07 |
5.67 |
0.2 |
9.2 |
Из методических указаний следует, что в тонкоплёночном варианте выполняются конденсаторы номиналами от 10пФ до 0.01мкФ. Отсюда следует, что конденсаторы применяемые в МСБ, невыгодно применять в тонкоплёночном исполнении, что и подтверждено расчётами, приведёнными в таблице.
Все конденсаторы МСБ будут навесными элементами SMD чипы. Выберем конденсатор С1 SMD в корпусе 1812, а конденсаторы С2, С3, С4 SMD в корпусе 0402 (http://lib.chipdip.ru/235/DOC000235066.pdf).
Конденсатор С1: Керамический ЧИП конденсатор 47мкФ X5R 10% 10В 1812 (http://www.chipdip.ru/product/grm43er61a476k.aspx)
Конденсатор С2: Керамический ЧИП конденсатор 0.1мкФ X7R 10%, 0402, 16В (http://www.chipdip.ru/product/grm155r71c104k.aspx)
Конденсатор С3 и С4: Керамический ЧИП конденсатор 0.01мкФ X7R 10%, 0402, 50В (http://www.chipdip.ru/product/grm155r71H203k.aspx)



Технические параметры SMD чип керамических конденсаторов
1.4 Разработка топологии МСБ
Коммутационную схему МСБ Р402.468759.008 Э4 получают преобразованием заданной принципиальной электрической схемы, в которой все дискретные компоненты, а также электрические соединения по входу – выходу заменяются соответствующими контактными площадками.

Рис.5 Коммутационная схема
Укрупнённые контактные площадки (1х1 мм) являются внешними, все остальные – внутренними (0.5х0.5 мм). Монтаж компонентов производится с помощью пайки. Данная коммутационная схема содержит 4 внешних и 30 внутренних контактных площадок.
Для выбора типоразмера подложки
необходимо рассчитать суммарную площадь,
занимаемую тонкопленочными резисторами
,
конденсаторами
,
и площадь навесных элементов
.




Все конденсаторы навесные поэтому
.
Находим площадь, занимаемую контактными площадками.
Внешние контактные площадки выполняем размером 1х1 мм. Монтаж навесных компонентов производим с помощью пайки.
Контактные площадки под пайку под транзисторы выполняем размером 0,6х0,3 мм, а под генератор 1,7х1,5 мм. Контактные площадки под навесные резисторы SMD 0603 выполняем размерами 1х0,4 мм, а под навесные SMD конденсаторы 0402 – 0,6х0,3 мм, под навесной SMD конденсатор 1812 – 1х0.3 мм.
Общая площадь всех контактных площадок:
.
Расчетная величина площади подложки:
.
Выбираем типоразмер подложки №7 (Л1, табл 2.4): длина 20мм, ширина 16мм (допустимое отклонение ±0,1 мм).
В качестве материала подложки МСБ применим ситалл СТ50-1. Толщину подложки принимаем 0,5 мм.
Топология МСБ представлена в (приложении 4) данной работы. Топология изображена в масштабе 10:1 с шагом координатной сетки 0,01 мм. Элементы и компоненты располагаем как можно ближе, вход и выход пространственно развязываем.
Припуск на совмещение слоев МСБ принимаем равным 0,2 мм.
Минимальное расстояние между проводниками принимаем равным 0,2 мм.
Толщину проводников принимаем равной 0,2 мм.
Навесные компоненты приклеиваем в местах, помеченных прямоугольником и соединяем с соответствующими контактными площадками посредством пайки.
2. Разработка конструкции ФЯ
2.1 Оценка количества МСБ в составе ФЯ
В базовую МСБ (20х16 мм) входит 9 микросборок.
Размер базовой платы при этом становится 60х48 мм.

Рис.6 Базовая плата МСБ
Следовательно, число элементов и компонентов в базовой МСБ:

Мощность, потребляемая базовой МСБ:
-
согласовано
В ФЯ установлено 6 МСБ, следовательно, мощность потребляемая ФЯ

В блоке установлено 5 ФЯ,
следовательно, мощность потребляемая
блоком

2.2 Разработка конструкции ФЯ
В качестве конструкции ФЯ принимает ФЯ на металлической раме. Жесткость рамки обеспечивается наружными 1 и внутренними 2 поперечными ребрами жесткости. Окно 3 в верхней части рамки предназначено для монтажа на печатной плате навесных элементов. Окно 4 – для соединения проволочных выводов МСБ с контактными площадками печатной платы. В зоне 5 располагаются контактные площадки внешних электрических соединений ФЯ. Под номером 6 показана планка и устанавливаемая на неё базовая плата МСБ под номером 7. Детализированный чертёж представлен в приложении Р-402.468759.008-01.

Рис.7 Эскиз конструкции рамки ФЯ
Определим геометрические размеры ФЯ
,
где
-
высота МСБ,
-
высота планки (
),
-
толщина диэлектрической прокладки,
-
толщина печатной платы,
- высота паек на печатной плате,
суммарная
толщина клеевых соединений,
высота
воздушных зазоров.
Высота МСБ
,
где
-
толщина подложки,
-
максимальная высота компонента на
подложке.
,
высота
.
Толщина диэлектрической подложки
между рамкой и печатной платой
,
выберем
,
толщину печатной платы
,
высота паек
,
толщина клеевой прослойки
на каждую сторону.
Толщину воздушного прослоя
выбираем
,
по 1.5мм на каждую сторону.
Получаем

Расчёт длины и ширины рамки производится по данным геометрических размеров и количества МСБ, размещённых на рамке. По размерам и числу МСБ, устанавливаемых на одной планке, находят размеры планок, к которым добавляют размеры других элементов рамки.
ФЯ содержит 3 планки МСБ расположены длинной стороной (60мм) поперек планки.
Ширина планки:

где
- длина МСБ.
Длина планки:

где
-
число МСБ на планке;
-ширина подложки МСБ;
- расстояние между МСБ и
горизонтальными ребрами жесткости
рамки, примем
.
Получим

Типовые размеры основных элементов ФЯ: ширина внешних рёбер жесткости 3мм, продольных внешних и внутренних – 5мм, ширина окна для навесных элементов 10мм, ширина окна для пайки выводов МСБ – 5мм, ширина зоны внешних соединений – 5мм.
Определим размеры ФЯ:

Ширина ФЯ

Сборочный чертёж в приложении Р-402.468759.008 СБ.
Считаем массу:

где
- объем ФЯ,
-
плотность материала ФЯ для алюминиевого
сплава В95 (Л1, табл П 9.2).
За счёт наличия окон и пустот, расчёт
объёма ФЯ будет приблизительным.
Рассчитаем объём ФЯ путём складывания объёмов отдельных деталей конструкции ФЯ:


Общий вес ФЯ

2.3 Оценка вибропрочности ФЯ
Для оценки вибропрочности ФЯ выберем наихудшие условия транспортировки или эксплуатации. Проектируемое устройство может использоваться как в переносных так и стационарных системах, транспортировка осуществляется авиатранспортом.
Авиатранспорт имеет значения перегрузки в диапазоне 0.1…20 и частоту вибрации 5…2000Гц. Вес ячейки 0.4022Н.
Рамка ФЯ выполнена из алюминиевого
сплава В95 с константами упругости
,
коэффициент Пуассона
,
толщина планок рамки 0.8мм.
Печатная плата крепится к рамке
с помощью антивибрационного компаунда
КТ-102 по всей поверхности прилегания.
Материал платы – стеклотекстолит
СФ-2Н-50-0,8, толщиной, соответственно,
0.8мм и
,
.
Влияние подложек на жесткость ФЯ несущественно, ими пренебрегаем.
Произведем оценку наиболее опасной при воздействии вибрации частоты механического резонанса ФЯ, путём выбора сечений с заведомо малым моментом инерции сечения.
Рассчитаем вибропрочность для поперечного сечения А-А, состоящего из элементарных прямоугольных фигур.
Зная цилиндрическую жесткость
ФЯ:
,
определим жесткость печатной платы:

Для оценки жесткости рамки
вычислим момент инерции сечения А-А.
Для этого найдём моменты инерций сечений
фрагментов:


Для определения момента инерции
сечения А-А необходимо предварительно
определить координату
центра тяжести сечения А-А и расстояния
между центром тяжести сечения А-А и
центрами тяжести фрагментов 1, 2, 3.

Учитываем что фрагменты встречаются несколько раз.


Момент инерции сечения А-А:

Цилиндрическая жесткость рамки ФЯ
,
где
- определяющий линейный размер, длина
сечения.
Получаем жесткость на изгиб
.
Для определения
найдем массу единицы площади ФЯ

Коэффициент закрепления ФЯ при


Частота механического резонанса
ФЯ будет равна

Проверим вибропрочность, принимаем
коэффициент динамичности ФЯ
,
тогда из графика на рис.8 для
найдем допускаемую перегрузку ФЯ.
Допустимая перегрузка ФЯ
›100,
что выше значения заданного в ТЗ равное
20.
Теперь проведём расчёт вибропрочности для сечения B-B. Представим сечение В-В состоящим из двух прямоугольных фигур.
Проведём расчёт вибропрочности сечения В-В аналогично сечению А-А

Найдём моменты инерций сечений фрагментов:

Центр тяжести фрагмента сечения В-В


Момент инерции сечения В-В:

Цилиндрическая жесткость рамки ФЯ
,
где
- определяющий размер, длина сечения..
Получаем жесткость на изгиб
.
Для определения
найдем массу единицы площади ФЯ

Коэффициент закрепления ФЯ при


Частота механического резонанса
ФЯ будет равна

Проверим вибропрочность, принимаем
коэффициент динамичности ФЯ
,
тогда из графика на рис.8 для
найдем допускаемую перегрузку ФЯ,
›100,
что выше значения заданного в ТЗ равное
20.
3. Оценка теплового режима
3.1 Выбор компоновочной и тепловой схемы ФЯ
Корпус рамки ФЯ выполнен из
алюминиевых сплавов, покрытых лаком
черным матовым, имеющий степень черноты
т
(Л2, П8.2).
При оценивании теплового режима конструкции будем считать, что теплообмен между корпусом и внешней средой осуществляется конвекцией, кондукцией (минимальная) и излучением, а передача тепла от МСБ к корпусу осуществляется кондукцией, излучением через «воздушный» зазор и конвекцией. Поверхность корпуса считаем изотермической. Тепловая схема блока представлена на рис. 10.
3.2 Расчёт теплового режима
Плата МСБ имеющая размеры 0,060x0,048x0,0025 м3 припаяна к технологической планке помещённая в корпус с размерами 0,13х0,056x0,006м3.
Рассеиваемая мощность блока
равняется
.
Температура окружающей среды tср=(-40…+80)°С.
Определяем площадь внешней поверхности корпуса микроблока:

Определяющий размер корпуса:
.
Задаемся перегревом корпуса Δt = 10°С относительно температуры среды и определяем среднее значение температуры:
°С
По номограммам на рис.12 находим
конвективный коэффициент теплопередачи
и коэффициент теплопередачи излучением
от корпуса к среде

Вычислим суммарную тепловую проводимость между корпусом и средой в первом приближении:

Расчетное значение перегрева корпуса:
°С
Будем считать расчёт законченным,
если выполнится условие
.
В первом приближении
значит повторяем расчёт, приняв за
.
Определяем среднее значение температуры во втором приближении
°С
По номограммам находим конвективный
коэффициент теплопередачи
и коэффициент теплопередачи излучением
от корпуса к среде

Вычислим суммарную тепловую проводимость во втором приближении

Перегрева корпуса во втором приближении

Во втором приближении
значит повторяем расчёт, приняв за
.
Определяем среднее значение температуры в третьем приближении
°С
По номограммам находим конвективный
коэффициент теплопередачи
и коэффициент теплопередачи излучением
от корпуса к среде

Вычислим суммарную тепловую проводимость в третьем приближении

Перегрева корпуса в третьем приближении

Во третьем приближении
значит считаем что перегрев корпуса
.
Следовательно, среднеповерхностная температура корпуса микроблока:
°С
Определяем поверхность нагретой зоны:
0,060x0,048x0,0025 0,13х0,056x0,006м3
.
Рассчитываем средний зазор
между поверхностью нагретой зоны и
корпусом:
.
Определяем коэффициент теплопередачи кондукцией через воздушный зазор между нагретой зоной и корпусом.
,
где:
- коэффициент теплопроводности
воздуха.
Практика показывает, что
коэффициент теплопередачи излучением
от нагретой зоны к корпусу мало зависит
от размеров нагретой зоны и корпуса и
составляет приблизительно
.
Определяем тепловую проводимость
технологической пластины
,
на которых лежит МСБ. Без учета теплового
сопротивления контакта между МСБ и
технологической пластины определяется
только материалом (сплав ВТ1-0,
)
и геометрическими размерами.
,
Определим тепловую проводимость между нагретой зоной и корпусом:
.
Рассчитываем среднеповерхностную температуру нагретой зоны:
°С.
Определяем температуру в центре
нагретой зоны
.
Экспериментально установлено, что для
конструкций микроблоков, выполненных
на металлических ФЯ, перегрев в центре
нагретой зоны не превышает 2…5°С. Поэтому
принимаем
°С.
3.3 Оценка требуемой системы охлаждения
Определим тепловой поток

По перечню элементов найдём допустимую рабочую температуру наименее теплостойкого элемента.
Наименее теплостойкий элемент
- навесной резистор Р1-8 с

Определим минимальное давление окружающей среды:
По ТЗ понижение давления при ракетной РЭА составляет 2.5КПа, следовательно:
мм рт.ст.
Поверхностная плотность теплового потока:

где: Кн - поправочный коэффициент на давление окружающей среды.
Тогда:

По рисунку 13 определяем систему охлаждения
Для этого найдём допустимый перегрев в конструкции

Охлаждение системы можно обеспечить естественным и принудительным воздушным охлаждением.
4. Оценка надёжности конструкции
Определим электрическую нагрузку навесных компонентов.
Электрическую нагрузку транзистора принимаем равной 0,7.
Электрическую нагрузку резистора
определяется отношением номинальной
рассеиваемой мощности на навесном
резисторе R1
(38.8мВт), к допустимой рассеиваемой
мощности (0,63Вт). Т.е.
Электрическую нагрузку навесного
конденсатора определяется отношением
номинального наихудшего рабочее
напряжение, прикладываемое к обкладкам
конденсатора C1,
-5В, к допустимому рабочему напряжению
по ТУ-10 В. Тогда

Электрическую нагрузку плёночного резистора с Кф>1 рассчитана в пункте 1.5.1 и он не превышает 0,2.
Электрическую нагрузку плёночного резистора с Кф<1 рассчитана в пункте 1.5.1 и он равен 1.
По таблице поправочного
коэффициента (Л.1 табл. П
10.2) определим поправочный
коэффициент а, при максимальной
температуре в центре нагретой
зоны
приведённой в таблице. Т.к.
в таблице не приведена нужная температура,
то составим полином Логранжа:
По таблице справочных данных для расчёта надёжности (Л.1 табл. П 10.1) найдём интенсивность отказов элементов РЭС.
Результаты представлены в таблице 3
По таблицам определим поправочные
коэффициенты (Л.1 табл. П
10.4, П 10.5, П 10.6) найдем
поправочные коэффициенты по условиям
эксплуатации составляют самолётного
РЭС
,
,
.
Таблица 3
|
Наименование элемента |
Поправочный коэффициент |
Интенсивность отказов |
Количество |
|
Навесной конденсатор |
2,118 |
0,15 |
4 |
|
Навесной резистор |
1 |
0,06 |
6 |
|
Пленочный резистор Кф>1 |
0,689 |
0,03 |
2 |
|
Пленочный резистор Кф<1 |
5,631 |
0,03 |
4 |
|
Транзисторы |
1,006 |
0,5 |
2 |
|
Генератор |
1 |
0,6 |
1 |
|
Пайка навесного монтажа |
- |
0,03 |
13 |
|
Пайка печатного монтажа |
- |
0,01 |
6 |
Найдём надежность по внезапным отказам при заданном по ТЗ времени непрерывной работы (1000 часов):
.


Найдем среднее время наработки на отказ:

Вероятность безотказной работы за 1000 ч:

т.е. откажет 18 МСБ из 1000.
Литература
1. Основы конструирования и технологии РЭС: Учебное пособие для курсового проектирования / Авт.: В.Ф. Борисов, А.А. Мухин, В.В. Чермошенский и др. – М.: Изд-во МАИ, 2000.
3. Монтаж микроэлектронной аппаратуры. Г.Я. Гуськов, Г.А. Блинов, А.А. Газаров.
4. Методические указания к практическим занятиям по курсу «Конструирование и технология производства РЭА».В.С.Лукин, В.В. Чермошенский, Т.Л. Воробьёва. МАИ, 1981.
5. Сайты радиоэлектронных компонентов: www.chipdip.ru, www.bmgplus.ru, www.chipfind.ru
Приложение




%








