Расчет генератора с внешним возбуждением на транзисторе
"Московский государственный технический университет гражданской авиации"
Кафедра радиотехнических устройств
Контрольная работа
по дисциплине "Формирование и передача сигналов"
Выполнил: студент 4 курса ЗФ
Храпов Владимир Алексеевич
Шифр: РС-071511
Проверил: Дивеев В.Н.
Москва - 2010
Задание №1.
Задание было выбрано из таблицы 2: сумма
двух последних цифр из шифра РС-071511 -
1+1=2. По полученному числу был выбран
вариант задания: выполнить расчёт
количества информации в битах на степень
свободы сигнала Н.n при равномерном
законе распределения плотности
вероятности уровней сигнала с заданными
параметрами распределения - полоса
пропускания 20 кГц,
.
Равномерный закон распределения имеет вид:
,
.
Расчёт количества информации (энтропии) на степень свободы (отсчёт) сигнала производится по следующему выражению:

Подставив в это соотношение заданный закон распределения уровня сигнала (равномерный), получаем следующее значение:




Скорость передачи информации в канале с ограниченной полосой частот определяется как:
бит в секунду.
килобит в секунду, где
- заданное значение полосы пропускания
канала, которое задаётся в условии
задачи.
Задание №2. Расчет генератора с внешним возбуждением
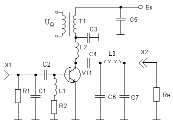
На рисунке 1 представлена схема рассчитываемого ГВВ применительно к случаю амплитудной модуляции коллекторного типа, где Т1 - модуляционный трансформатор. В ГВВ с другими видами модуляции (ОМ, ЧМ) этого трансформатора не будет.

Рисунок 1.
Исходные данные.

Нижняя частота работы передатчика.

Верхняя частота работы передатчика.

Выходная мощность в нагрузке одного ГВВ.

Число активных элементов в выходном каскаде.

Индекс модуляции.
Согласно заданию 2 для варианта №11 для рассчёта ГВВ был взят транзистор КТ913А. Выпишем все параметры этого транзистора.

Максимально допустимое напряжение коллектор-эмиттер.

Максимально допустимое напряжение база-эмиттер.

Максимально допустимый ток коллектора.

Максимально допустимая рассеиваемая мощность.

Максимальная выходная мощность.

Граничная частота усиления.

Объемное сопротивление базы.

Сопротивление эмиттерного перехода.

Сопротивление насыщения.

Емкость коллекторного перехода.

Емкость эмиттерного перехода.

Индуктивность коллекторной цепи.

Индуктивность эмиттерной цепи.

Индуктивность базовой цепи.

Коэффициент усиления по току на низких частотах.

Напряжение отсечки.
Расчет выходной цепи выходного каскада.
Положим, что ГВВ построен по схеме сложения мощностей и рассчитываемый каскад является одним из аналогичных модулей схемы, выходная мощность которого равна Р1.
Выбираем критический режим работы ГВВ
в классе В с углом отсечки = 80...120, обычно
применяют
.
Угол отсечки критического режима в радианах.

Находим соответствующие значения коэффициентов разложения коллекторных токов.








Определяем амплитуду первой гармоники коллекторного напряжения в граничном режиме:

Напряжение коллекторного питания
выбираем из условия:
. Округляем до большей величины:



Амплитуда первой гармоники коллекторного тока, ток постоянной составляющей, максимальный ток и постоянные токи базы и эмиттера:




Максимальная величина коллекторного тока:

Энергетические параметры: потребляемая от источника питания мощность, мощность рассеяния на коллекторе, КПД коллекторной цепи:



Сопротивление коллекторной нагрузки:

Расчет входной цепи выходного каскада.
Средняя рабочая частота:

Эквивалентная постоянная времени открытого эмиттерного перехода и эквивалентная постоянная времени транзистора:


Амплитуда входного тока каскада:

Дополнительное сопротивление и емкость входной цепи:


Максимальная величина обратного напряжения на закрытом эмиттерном переходе при отсутствии дополнительного сопротивления

U>бэ_макс> должно быть меньше:

Напряжение смещения на эмиттерном переходе:

Входное сопротивление транзистора
Z>вх> = R>вх> + jХ>вх>:








мощность возбуждения.


коэффициент усиления по мощности.
Рассчитываем параметры выходного каскада в режиме несущего колебания.
Постоянная составляющая коллекторного тока I>к0> генераторов ВЧ.

Мощность, потребляемая от источника питания:

Колебательная мощность ВЧ генераторов:

Амплитуда модулирующего коллекторного напряжения:

Амплитуда модулирующего коллекторного тока, потребляемого от модулятора

Сопротивление нагрузки модулятора со стороны выходного каскада:

Мощность, потребляемая коллекторными цепями генераторов выходного каскада от модулятора:

Среднее значение индекса модуляции
:

Средняя мощность, рассеиваемая на коллекторе транзистора ВЧ генератора:
Полученные результаты для режима несущего колебания необходимы для формулирования требований к модулятору, однако только их для этой цели недостаточно, если модуляция осуществляется одновременно в двух каскадах передатчика: в выходном и предвыходном. Окончательно требования к модулятору могут быть сформулированы после расчета предвыходного каскада.
Расчет пассивных элементов схемы.
Сопротивление смещения в цепи базы:
Ом
Индуктивность блокировочного дросселя в цепи питания базы транзистора L1 > (10 ... 20)R>вх >/ (2f>мин>):
Г
Индуктивность блокировочного дросселя в цепи питания коллектора транзистора L2 > (10 ... 20)R>вх >/ (2f>мин>):
Г
Величина емкости разделительного конденсатора в цепи коллектора транзистора C4 > (10 ... 20) / (2f>мин>R>оэ>):
Ф
Величина емкости блокировочного конденсатора в цепи питания выходного каскада C3 > (10 ... 20) / (2f>мин>R>н_>):
Ф