Расчет усилителя радиочастоты
ФЕДЕРАЛЬНОЕ АГЕНТСТВО ВОЗДУШНОГО ТРАНСПОРТА
ФЕДЕРАЛЬНОЕ ГОСУДАРСТВЕННОЕ ОБРАЗОВАТЕЛЬНОЕ УЧРЕЖДЕНИЕ ВЫСШЕГО ПРОФЕССИОНАЛЬНОГО ОБРАЗОВАНИЯ
"МОСКОВСКИЙ ГОСУДАРСТВЕННЫЙ
ТЕХНИЧЕСКИЙ УНИВЕРСИТЕТ
ГРАЖДАНСКОЙ АВИАЦИИ"
Кафедра технической эксплуатации радиоэлектронных систем воздушного транспорта
Контрольная работа
по дисциплине "Приём и обработка сигналов"
студента 4 курса заочного факультета
Храпова Владимира Алексеевича
Москва 2010
Проектирование радиоприемных устройств на микросхемах может быть осуществлено по тем же методикам, которые используются при расчете схем, выполненных на дискретных элементах.
Некоторые особенности и трудности проявляются обычно при определении входных и выходных параметров микросхем на рабочих частотах. Эти параметры часто отсутствуют в паспортных данных микросхемы и поэтому их приходится вычислять.
Методики расчета каскадов предварительного усиления низкой частоты, промежуточной частоты, радиочастоты, транзисторных смесителей являются довольно близкими и имеют только некоторые характерные отличия, связанные с различным типом нагрузки, возможной неоднотипностью резонансных систем, частотной зависимостью параметров активных элементов и сопротивления реактивных элементов, неодинаковостью крутизны, входного и выходного сопротивлений каскада, работающего в режимах усиления и преобразования.
Задача расчета указанных типов каскадов состоит в определении эквивалентного сопротивления нагрузки, в том числе параметров и типов резонансных систем (если они есть), их коэффициентов включения, коэффициента усиления каскада, сравнении его с допустимым из условия устойчивости, вычислении величин навесных элементов, служащих для межкаскадной связи, фильтрации напряжения, термостабилизации режима, введений обратных связей, определении входных и выходных сопротивлений каскада и т.п. При расчете радиочастотных трактов радиоприемников, если это необходимо, строят резонансную кривую, характеризующую изменение выходного напряжения от частоты входного сигнала, определяют полосу пропускания каскада, коэффициент шума. При расчете усилителя радиочастоты интересуются изменением резонансного коэффициента усиления каскада по диапазону, выбирая типы схем УРЧ и входной цепи таким образом, чтобы общая неравномерность резонансного коэффициента усиления преселектора по диапазону была минимальной.
Очень важной величиной, определяющей свойства каскада, является коэффициент усиления напряжения. В общем виде его можно найти как К = Sf R0, где Sf - крутизна транзистора ила микросхемы на рабочей частоте; R0 - сопротивление нагрузки с учетом влияния последующего каскада на рабочей частоте. Рассмотрим эти величины.
Крутизна вольтамперной характеристики микросхем или транзистора как части микросхемы не является постоянной величиной. Она будет иметь паспортные значения только в условиях эксплуатации, близких к условиям измерения. Во всех остальных случаях следует учитывать изменение крутизны при изменении рабочей частоты, тока через транзистор, функции, выполняемой микросхемой (усиление, преобразование частоты), глубину обратной связи.
Частотная зависимость крутизны в области верхних частот для однокаскадного усилителя описывается известным выражением
S = S>0> / (1 + 2 j ),
где S0 - крутизна на частотах, при которых влияние реактивных элементов транзистора и схемы мало (средние частоты);
= 1 / (2 f>s>) - постоянная времени входа каскада на высших частотах,
fs - граничная частота по крутизне. Отсюда модуль крутизны
;
,
причем для биполярного транзистора в схеме о общим эмиттером
= r>б> (1 + h>21э>) / [(2 f >т>) (r>б>>э> + r>б> + R>c>)],
где Rс - выходное сопротивление источника сигнала (предыдущего каскада);
fт - предельная частота усиления тока в схеме с общий эмиттером;
rб' - распределенное сопротивление базы на высокой частоте;
rб'э - динамическое сопротивление эмиттерного перехода;
H31э - коэффициент передачи по току транзистора в схеме с общим эмиттером.
Входящие в последнее выражение величины, легко определять, если известны типы транзисторов, входящих в микросхему. В этом случае
f>т> = h>21э>>f> f,
где h>21э>>f> - модуль коэффициента усиления тока базы в схеме с общим эмиттером на высокой частоте f (приводится обычно в справочнике). Величины rб' и rб'э определяют в соответствии с известными соотношениями [2] с.114
r>б> = >к> / C>к>,
r>б>>э> = T (1 + h>21э>) / (11600 I>э>) = T h>21э> / (11600
где к - постоянная времени цепи обратное связи транзистора,
Cк - емкость коллекторного перехода; Т - абсолютная температура;
Iэ, Iк - токи в цепи эмиттера и коллектора; коэффициент, зависящий от технологии изготовления транзистора. Для сплавных транзисторов =1, для сплавно-диффузионных = 2, для меза транзисторов = 3. При нормальной температуре
r>б>>э> = 25.6 (1 + h>21э>) / I>э> (мА)..
Современнее транзисторы имеют H31э, обычно лежащее в пределах от 20 до 200; для маломощных транзисторов rб имеет значение от 30 до 100 Ом, причем меньшие сопротивления из этого интервала соответствуют высокочастотным транзисторам, а большие - низкочастотным.
Довольно часто в справочных данных на микросхему не приводится тип применяемых в ней транзисторов, но даются два различных значения крутизны. Одно из них соответствует средним частотам (S0), а второе Y21f определяется на достаточно высокой частоте f. В этом случае можно найти
.
Если в справочнике задана верхняя граничная частота полосы пропускания - fв, т.е. наибольшее значение частоты, на которой коэффициент усиления микросхемы уменьшается на 3 дБ от значения на средних частотах, то
= 1 / (2 f>в>).
Для многокаскадных микросхем нельзя указать простых методов расчета частотной зависимости их параметров, так как неизвестно соотношение постоянных времен отдельных каскадов усилителя, а следовательно, нельзя определить вклад каждого каскада в формирование спада частотной характеристики усилителя на высоких частотах. Однако в раде случаев по виду схемы можно с большой степенью достоверности оценить влияние того или иного каскада на общую амплитудно-частотную характеристику микросхемы. Так, например, известно, что амплитудно-частотные искажения каскада с общей базой значительно меньше амплитудно-частотных искажений каскада с общим эмиттером. Поэтому, если усилитель имеет в своем составе каскад с общей базой, то его влиянием на амплитудно-частотную характеристику усилителя можно пренебречь. К аналогичным ситуациям может приводить использование в каскадах местных отрицательных обратных связей.
Зависимость параметров микросхемы от частоты удобно характеризовать отношением рабочей частоты f к граничной частоте по крутизне
= f / f>в> = 2 f
Анализ изменения параметров позволяет выделать три наиболее характерные области. При 0.3 крутизна Y>21>>f>, входная емкость транзистора Свх, выходная емкость Свых от частоты практически не зависят. В схеме с общим эмиттером зависимость входного сопротивления Rвх и выходного сопротивления Rвых транзистора от частоты в этом случае выражена очень слабо
R>вхf> = R>вх> r>б> / (r>б> + 2 R>вх>);
R>выхf> = R>вых> / ( + R>вых> 2 S>0> r>б> C>к>)
При 3 параметры транзисторов имеют наилучшие значения с точки зрения получения высоких технических показателей каскада.
Поэтому использование их при 3 является предпочтительным.
Если 0.3 < < 3,2, то все параметры транзистора в большой степени зависят от рабочей частоты.
Пересчет параметров биполярных транзисторов в схеме с общим эмиттером, может быть осуществлен по формулам:
Y>21>>f> = S>0> / (1 + 2)0.5 ; R>вхf> = R>вх> r>б> (1 + 2) / (r>б> + 2 R>вх>);
g>11f> = 1 / R>вхf>; R>вх> = r>б> + r>б>>э>; R>вых> = (10 ... 50) кОм;
R>выхf> = R>вых> / [ + R>вых> S>0> r>б> C>к> 2 / (1 + 2)], g>22f> = 1 / R>выхf>;
C>вхf> = [1 - r>б> / (r>б> + r>б>>э>)] / [r>б> (1 + 2)]; C>выхf> = C>к> [1 + S>0> r>б> / (1 + 2)].
При 3.2 все параметры транзисторов слабо зависят от частоты, но имеют наихудшие значения, при которых их практическое использование оказывается нежелательным.
Необходимо рассчитать однокаскадный одноконтурный усилитель радиочастоты (УРЧ).
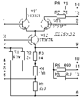
Микросхема К228УВ2

Принципиальная схема микросхемы К228УВ2 приведена на рисунке. Она представляет собой дифференциальный усилительный каскад со стабилизацией режима.
Паспортные данные микросхемы:

Напряжения питания микросхемы


Потребляемая мощность.

Верхняя граничная частота.

Крутизна на частоте 5 МГц.

Крутизна на частоте 60 МГц.

Диапазон регулировки крутизны вольтамперной характеристики на частоте 60 МГц (в дБ).

Входное сопротивление микросхемы на fв.

Входная емкость.

Выходное сопротивление микросхемы.

Выходная емкость.
Примеры включения микросхемы.

Дифференциальный усилитель. Усилитель регулируемый.
Проектирование радиоприемных устройств на микросхемах может быть осуществлено по тем же методикам, которые используются при расчете схем, выполненных на дискретных элементах.
Некоторые особенности и трудности проявляются обычно при определении входных и выходных параметров микросхем на рабочих частотах. Эти параметры часто отсутствуют в паспортных данных микросхемы и поэтому их приходится вычислять.
Методики расчета каскадов предварительного усиления низкой частоты, промежуточной частоты, радиочастоты, транзисторных смесителей являются довольно близкими и имеют только некоторые характерные отличия, связанные с различным типом нагрузки, возможной неоднотипностью резонансных систем, частотной зависимостью параметров активных элементов и сопротивления реактивных элементов, неодинаковостью крутизны, входного и выходного сопротивлений каскада, работающего в режимах усиления и преобразования.
Задача расчета указанных типов каскадов состоит в определении эквивалентного сопротивления нагрузки, в том числе параметров и типов резонансных систем (если они есть), их коэффициентов включения, коэффициента усиления каскада, сравнении его с допустимым из условия устойчивости, вычислении величин навесных элементов, служащих для межкаскадной связи, фильтрации напряжения, термостабилизации режима, введений обратных связей, определении входных и выходных сопротивлений каскада и т.п. При расчете радиочастотных трактов радиоприемников, если это необходимо, строят резонансную кривую, характеризующую изменение выходного напряжения от частоты входного сигнала, определяют полосу пропускания каскада, коэффициент шума. При расчете усилителя радиочастоты интересуются изменением резонансного коэффициента усиления каскада по диапазону, выбирая типы схем УРЧ и входной цепи таким образом, чтобы общая неравномерность резонансного коэффициента усиления преселектора по диапазону была минимальной.
Очень важной величиной, определяющей свойства каскада, является коэффициент усиления напряжения. В общем виде его можно найти как
К = Sf R0, где Sf - крутизна транзистора ила микросхемы на рабочей частоте; R0 - сопротивление нагрузки с учетом влияния последующего каскада на рабочей частоте. Рассмотрим эти величины.
Крутизна вольтамперной характеристики микросхем или транзистора как части микросхемы не является постоянной величиной. Она будет иметь паспортные значения только в условиях эксплуатации, близких к условиям измерения. Во всех остальных случаях следует учитывать изменение крутизны при изменении рабочей частоты, тока через транзистор, функции, выполняемой микросхемой (усиление, преобразование частоты), глубину обратной связи.
Определим параметры микросхемы К228УВ2 на следующих частотах:

Частота входного сигнала

Первая промежуточная частота
Вторая промежуточная частота

Для осуществления расчета параметров микросхемы сразу на всех интересующих нас частотах, введем индексацию переменных.




Исходные данные микросхемы.

Напряжения питания микросхемы


Потребляемая мощность.

Верхняя граничная частота.

Крутизна на частоте 5 МГц.

Крутизна на частоте 60 МГц.

Диапазон регулировки крутизны вольтамперной характеристики на частоте 60 МГц (в дБ).

Входное сопротивление микросхемы на fв.

Входная емкость.

Выходное сопротивление микросхемы.

Выходная емкость.

Потребляемый ток. Паспортное значение частотной характеристики реализуется при подключении к сигнальному входу сопротивления с величиной 75 Ом, снижающего постоянную времени входной цепи микросхемы и практически определяющего ее входное сопротивление.
Зададим вспомогательные величины:

Постоянная Больцмана.

Заряд электрона.

Средняя температура окружающей среды.

Температура в градусах Кельвина.

Температурный потенциал.


Сопротивление открытого транзистора VT1 порядка 100 Ом.
Так как типы транзисторов в микросхеме неизвестны, то зададим их ориентировочные параметры, проанализировав параметры бескорпусных транзисторов аналогичного применения.

Емкость коллекторного перехода.
Выходное сопротивление транзистора.


Объемное сопротивление базы.

Усредненное значение коэффициента усиления по току.

Ток покоя этих транзисторов.
Динамическое сопротивление эмиттерного перехода:

Входная проводимость транзистора на низких частотах:

Постоянная времени входа микросхемы на высоких частотах:

Найдем отношение рабочей частоты f к граничной частоте по крутизне:


Прямая взаимная проводимость:


Входная проводимость транзисторов микросхемы на рабочих частотах:


Входная проводимость микросхемы на рабочих частотах с учетом шунтирования транзисторов сопротивлениями R8, R9:



Входная емкость на рабочих частотах:


Выходная проводимость:


Выходная емкость:


Обратная взаимная проводимость:


Коэффициент устойчивого усиления:

