Защита информации от утечки по цепям питания
Министерство образования и науки Украины
Национальный горный университет
Кафедра электроники и вычислительной техники
КУРСОВАЯ РАБОТА
по дисциплине «ТСЗИ»
На тему:
Защита информации от утечки по цепям электропитания
Днепропетровск – 2010
Содержание
Введение
Условия и причины образования канала утечки информации по цепям питания
Организационные мероприятия
Технические мероприятия
Пассивные методы
Сетевые фильтры
Принцип работы
Варистор
Изготовление
Свойства
Применение
2.1.1.2.4 Параметры
2.1.1.3 LC-фильтры
Применение
2.1.2 Разделительный трансформатор
2.1.2.1 Применение разделительных трансформаторов
2.1.2.2 Основные параметры трансформаторов
Активные методы
Заземление
Обозначения системы заземления
Принцип защитного действия
Разновидности систем заземления
Литература
Введение
Циркулирующая в тех или иных технических средствах конфиденциальная информация может попасть в цепи и сети электрического питания и через них выйти за пределы контролируемой зоны. Например, в линию электропитания высокая частота может передаваться за счет паразитных емкостей трансформаторов блоков питания. В качестве мер защиты широко используются методы развязки (разводки) цепей питания с помощью отдельных стабилизаторов, преобразователей, сетевых фильтров для отдельных средств или помещений. Возможно использование отдельных трансформаторных узлов для всего энергоснабжения объекта защиты, расположенного в пределах контролируемой территории. Это более надежное решение локализации данного канала утечки.
Одним из важных условий защиты информации от утечки по цепям заземления является правильное их оборудование.
Заземление - это устройство, состоящее из заземлителей проводников, соединяющих заземлители с электронными и электрическими установками, приборами, машинами. Заземлители могут быть любой формы - в виде трубы, стержня, полосы, листа и др. Заземлители выполняют защитную функцию и предназначаются для соединения с землей приборов защиты. Отношение потенциала заземлителя к стекающему с него току называется сопротивлением заземления. Величина заземления зависит от удельного сопротивления грунта и площади соприкосновения заземления с землей.
Магистрали заземления вне здания надо прокладывать на глубине около 1,5 м, а внутри здания - по стенам или специальным каналам таким образом, чтобы их можно было внешне осматривать на целостность и на наличие контактного подключения.
Следует отметить, что использовать в качестве заземления металлические конструкции зданий и сооружений, имеющих соединения с землей (отопление, водоснабжение и др.), не рекомендуется.
Условия и причины образования канала утечки информации по цепям питания
Провода сети питания соединяют различные технические средства и системы, размещенные в различных помещениях, кроме того они являются линейными антеннами, способными излучать или воспринимать электромагнитные поля.
При использовании сети питания как соединяющих проводников чаще всего применяют так называемые сетевые "закладки". К этому типу "закладок" относят устройства, которые встраиваются в приборы, питающиеся от сети 220 В или сетевую арматуру (розетки, удлинители и т.д).
Передающее устройство состоит из микрофона, усилителя и собственно передатчика несущей низкой частоты. Частота несущей обычно используется в диапазоне от 10 до 350 кГц. Передача и прием осуществляется по одной фазе или, если фазы разные то их связывают по высокой частоте через разделительный конденсатор. Приемное устройство может быть изготовлено специально, но иногда применяют доработанные блоки бытовых переговорных устройств. Сетевые передатчики подобного класса легко камуфлируются под различного рода электроприборы, не требуют дополнительного питания от батарей и трудно обнаруживаются при использовании поисковой аппаратуры, широко применяемой в настоящее время.
При использовании сети питания в качестве линейных антенн различают ассиметричные и симметричные наводки.
Ассиметричные наводки имеют место, когда провода сети питания источника и приемника наводки прокладываются вместе и имеют одинаковые емкости относительно источника и приемника наводки. В них наводятся одинаковые по величине и по фазе относительно земли и корпусов приборов напряжения.
Эти виды распространения наводок по сети питания являются ассиметричными или однопроводными, поскольку оба провода сети питания передают сигнал наводки в одном направлении. Обратным проводом является земля.
Симметричное распространение наводки имеет место в случае, когда на проводах сети индуцируются различные напряжения относительно земли. Между проводами образуется высокочастотная разность потенциалов, и по проводам сети проходят токи наводки в разных направлениях. В приемнике наводки индуцируются равные по величине и обратные по знаку напряжения, которые не могут проникнуть в высокочастотную часть приемника и не являются опасными.
Вторичные источники питания совместно с подводящими питание линиями могут создавать условия для утечки информации, циркулирующей в питаемом техническом средстве. Колебание амплитуды информационных сигналов приводит к неравномерности потребления тока в цепи питания оконечных каскадов усилителей ТС, что, в свою очередь, приводит к колебаниям напряжения на внутреннем сопротивлении источника вторичного питания.
Для защиты информации от утечки по цепям электропитания, используют активные и пассивные методы. В пассивным относятся: сетевые фильтры и трансформаторы. К активным относится заземление. Рассмотрим перечисленные методы.
1. Организационные мероприятия
1.1 На этапе проведения организационных мероприятий необходимо:
— определить перечень сведений с ограниченным доступом, подлежащих технической защите (определяет собственник информации в соответствии с действующим законодательством Украины);
— обосновать необходимость разработки и реализации защитных мероприятий с учетом материального или иного ущерба, который может быть нанесен вследствие возможного нарушения целостности ИсОД либо ее утечки по техническим каналам;
— установить перечень выделенных помещений, в которых не допускается реализация угроз и утечка информации с ограниченным доступом;
— определить перечень технических средств, которые должны использоваться как ОТС;
— определить технические средства, применение которых не обосновано служебной и производственной необходимостью и которые подлежат демонтажу;
— определить наличие задействованных и незадействованных воздушных, наземных, настенных и заложенных в скрытую канализацию кабелей, цепей и проводов, уходящих за пределы выделенных помещений;
— определить системы, подлежащие демонтажу, требующие переоборудования кабельных сетей, цепей питания, заземления или установки в них защитных устройств.
1.2 По результатам обследования составляется акт произвольной формы с перечнем выполненных мероприятий и приложением (по необходимости):
— перечня ОТС, размещенных в выделенных помещениях;
— плана выделенных помещений с указанием мест установки ОТС, а также схем прокладки кабелей, проводов, цепей;
— перечня технических средств, кабелей, цепей, проводов, подлежащих демонтажу.
Акт подписывается исполнителем работ и утверждается руководителем организации.
2. Технические мероприятия
2.1 Пассивные методы
2.1.1 Cетевые фильтры
Каждый проводник, который находится в помещении и выходит за пределы помещения, - это антенна, которая воспринимает электромагнитные колебания электронной техники и передает сигнал наружу. Этот сигнал можно прочитать и использовать. Используя незащищенные сети питания и сигнализации, можно осуществлять электромагнитное навязывание на Ваши компьютеры и электронную технику, изменяя их роботу (базы данных, пароли, номера и состояние счетов, размеры платежей, и другое). Сетевые фильтры уменьшают приведенный сигнал до уровня, который нельзя ни прочитать, ни использовать.
Сетевой фильтр — устройство, содержащее варисторный фильтр для подавления импульсных помех и LC-фильтр (индуктивно-ёмкостной) для подавления высокочастотных помех.
2.1.1.1 Принцип работы сетевых фильтров
Основная задача сетевого фильтра – пропустить через себя переменный ток частотой 50 Гц (это рабочая частота сети питания), попутно отфильтровывая всякие выбросы напряжения и помехи. А их-то в сети достаточно много. Даже при включении холодильника — срабатывает пусковое реле его компрессора, а в момент включения он потребляет ток, в десятки раз превышающий тот, что указан в паспорте. На этот миг в питающей сети возникает «просадка» напряжения с последующим всплеском — и происходит помеха!
Даже включение обычной лампочки в люстре приводит к возникновению никем не заметной помехи такого же характера, поскольку она в момент включения потребляет ток примерно в 10 раз больший номинального (пока спираль холодная).

Рис. 1 Общий вид импульсной помехи в сети питания (провал-выброс напряжения)
И амплитуда (напряжение) выброса помехи может исчисляться сотнями и даже тысячами вольт, а этого вполне хватит, чтобы сгорело какое-либо чувствительное устройство. Это импульсные (или быстрые) помехи. Кроме них бывают еще помехи, представляющие медленно меняющиеся напряжение, другими словами — это сравнительно медленное (как правило, секунды и доли секунды) изменение напряжения в сети. Эту ситуацию способен предотвратить сетевой фильтр, запретив пропускание всех вредных выбросов питающего напряжения. Однако медленные провалы напряжения ни один фильтр питания скомпенсировать не способен (для этой цели гораздо лучше использовать стабилизаторы напряжения, которые обычно содержат и фильтр питания). Так как наиболее опасными для аппаратуры являются все же импульсные помехи, то рассмотрим более подробно идеологию построения сетевых фильтров. На рис. 2 приведена типовая схема сетевого фильтра питания. Промышленные устройства, рассмотренные в этом тесте, могут отличаться от нее и в сторону упрощения, и в сторону усложнения схемы (например, с включением в нее индикации различных режимов работы и т.д.).

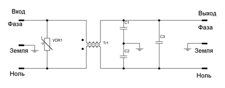
Рис. 2 Типовая схема сетевого фильтра питания
Рассмотрим ее более подробно. По схеме: сразу на входе фильтра стоит устройство VDR1 — варистор. Его основная задача — подавить высоковольтные выбросы напряжения сети. При появлении такого выброса электрическое сопротивление варистора резко падает, и он «замыкает» на себя эту помеху, не позволяя ей пройти дальше. Но особенность в том, что варисторы, обычно устанавливаемые в промышленных фильтрах, начинают «работать» с напряжения 275–300 В (среднее значение), 350–385 В (максимальное напряжение срабатывания) (из паспортной характеристики варисторов).А для фильтрации таких помех, напряжение которых находится в пределах 230–300 В, обычно используют LC-фильтры, то есть электрические цепи, состоящие из индуктивностей (L) и емкостей (C). На нашей схеме это специальный дроссель Tr1 и емкости С1, С2, С3. Это так называемые реактивные элементы, сопротивление их постоянному току (или току низкой частоты) одно, а току высокой частоты — совершенно другое (отличающееся на порядки). А так как частота импульсной помехи во много раз больше частоты сети питания (50 Гц), то становится ясно, что нужно сделать так, чтобы ток сети питания свободно прошел через фильтр, а вот все высокочастотные добавки (импульсные помехи) были задержаны. Именно так и сделано — сопротивление LC-фильтра резко возрастает с увеличением частоты тока, и таким образом происходит задержка помехи. Так как сеть питания в данном случае трехпроводная, помехи могут возникать не только между сетевыми проводами («фазой» и «нулем») — их «фильтрует» емкость С3, но и между «фазой» и «землей», а также возможны помехи «ноль» — «земля». Для эффективного подавления таких помех и необходимо наличие физического заземления, а в фильтре — наличие фильтрующих емкостей С1 и С2. Они замыкают на себя высокочастотные помехи такого рода и не позволяют им пройти внутрь защищаемого аппарата.
Еще один важный момент. В случае отсутствия заземляющего контакта (или плохого контакта) помехи типа «фаза» — «земля» и «ноль» — «земля» физически задерживаться не могут — это одна сторона медали. А другая — при отсутствии земли общая точка емкостей С1 и С2 получается в воздухе, что приводит к созданию ими и дросселем Tr1 паразитного колебательного контура, который начинает излучать высокочастотное электромагнитное поле, становясь источником потенциальной опасности для расположенной рядом радиоаппаратуры, ну и пользователя. Поэтому применение практически любых сетевых фильтров в таких случаях нецелесообразно — тут нужен фильтр проще.
Все промышленные образцы более чем разные и по функциональному назначению, и по электрическим схемам.


А поскольку, как уже говорилось выше, все импульсные помехи в сети питания, представляющие максимальную опасность, носят высокочастотный характер, то для оценки подавляющей способности фильтра построена его амплитудно-частотная характеристика. Из этого графика хорошо видно, насколько подавляются различные частоты. Помехи длительностью 1—10 микросекунд (10 -6с) — типичные коммутационные импульсные помехи, лежат в частотной области около 1 МГц (106 Гц) и выше. Таким образом, если исследуемый фильтр задерживает частоты свыше 100 КГц, то он не пропустит и короткие импульсные помехи.
Хорошо видно, что чем выше частота помехи, тем эффективнее она подавляется. В реальных фильтрах — тот же процесс, только где-то лучше, где-то хуже. Естественно, если «фильтр-удлинитель» как такового электрического фильтра не имеет, то никакие частоты не подавляются, и получается такая картина.
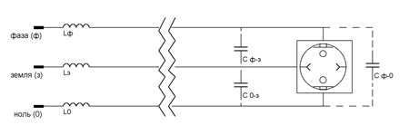
Незначительное подавление высокочастотных составляющих происходит за счет образования «естественного» фильтра, образованного индуктивностью кабеля питания и емкостью монтажа, то есть схема такого «фильтра» выглядит так.

Здесь L0, Lф, Lз — соответственно индуктивности проводов «нуля», «фазы» и «земли», а С ф-з, С0-з, Сф-0 — емкости монтажа (блока розеток).
Существует целый класс сетевых фильтров, у которых заземляющий провод не имеет никаких контактов с внутренней схемой, кроме самих евророзеток. Этим достигается очень важное преимущество — при работе от сети с заземлением все розетки фильтра заземлены. Но и в случае отсутствия «земли» в розетке (типичный случай советской сети питания) все розетки фильтра объединены между собой по заземляющему контакту (сам фильтр при этом не заземлен). Чтобы разобраться, почему это очень важно представлять, представим схему подключения различной периферии к компьютеру — типичный случай для подключения принтера, сканера, внешнего звукового усилителя или телевизора для просмотра видео на большом экране. Итак, схема выглядит следующим образом.

Это «идеальная» схема подключения периферии — здесь все подключено к заземленной сети питания, потенциалы (напряжения) корпусов устройств одинаковые — они равны 0, поскольку подключены к «земле». Даже в случае возникновения пробоя или повреждения изоляции любого из устройств (даже при обычной работе потенциалы внешних устройств могут и, как правило, существенно отличаются от нуля) «лишнее» напряжение уйдет на землю, и все будет в порядке. А теперь представим схему соединений в случае использования сети без заземления. Она будет намного проще.

Как видно, эта схема похожа, за исключением провода заземления. В этом случае при разности потенциалов компьютера и внешнего устройства, единственной связью потенциалов корпусов устройств является слаботочный интерфейсный кабель (а точнее его экранирующая оплетка). Это опасная ситуация, поскольку сквозные токи, текущие от большего потенциала к меньшему, могут «легко» выжечь входные и выходные порты соединенных устройств. Таких случаев на самом деле имеется великое множество: самый распространенный — это выгорание входа или выхода звуковой карты, например в случае подключения ее к внешнему источнику или усилителю звука. Далее предложена схема подключения этих устройств к «европейскому» фильтру-удлинителю, не подключенному к внешней «земле».

Даже при отсутствии связи с реальной «землей» электрические потенциалы всех устройств выровнены, поскольку их корпуса надежно соединены между собой. В этом случае сквозные токи выберут себе более легкий путь через заземляющие контакты евророзеток, и ничего страшного не произойдет.
2.1.1.2 Варистор

Варистор — полупроводниковый резистор. Варистор — элемент нелинейный, его сопротивление зависит от приложенного к его выводам напряжения: чем выше напряжение, тем ниже сопротивление. Варистор включается параллельно защищаемому оборудованию, то есть к нему приложено то же напряжение, что и к защищаемому устройству. При нормальном напряжении в сети питания и отсутствии импульсных помех ток, проходящий через варистор, очень мал, и им можно пренебречь, и в такой ситуации варистор можно считать изолятором. Если в сети питания возникает импульс высокого напряжения (напряжение импульса может быть выше 6000 В в течение короткого промежутка времени (длительность импульса 10−6 — 10−9 с), то сопротивление варистора резко падает, и он преобразует электрическую энергию импульса в тепловую, чем защищает включенные в сетевой фильтр приборы, в этот момент через варистор может протекать ток силой в несколько тысяч ампер.
2.1.1.2.1 Изготовление
Изготавливают варисторы спеканием при температуре около 1700 °C полупроводника — преимущественно порошкообразного карбида кремния SiC или оксида цинка ZnO, и связующего вещества (глина, жидкое стекло, лаки, смолы и др.). Далее поверхность полученного элемента металлизируют и припаивают к ней выводы.
Конструктивно варисторы выполняются обычно в виде дисков, таблеток, стержней; существуют бусинковые и плёночные варисторы. Широкое распространение получили стержневые подстроечные варисторы с подвижным контактом.
2.1.1.2.2 Свойства
Нелинейность характеристик варисторов обусловлена локальным нагревом соприкасающихся граней многочисленных кристаллов карбида кремния (или иного полупроводника). При локальном повышении температуры на границах кристаллов сопротивление последних существенно снижается, что приводит к уменьшению общего сопротивления варисторов.
Один из основных параметров варистора — коэффициент нелинейности л — определяется отношением его статического сопротивления R к динамическому сопротивлению Rd:
,
где U и I — напряжение и ток варистора.
Коэффициент нелинейности лежит в пределах 2-10 у варисторов на основе SiC и 20-100 у варисторов на основе ZnO.
Температурный коэффициент сопротивления варистора — отрицательная величина.
2.1.1.2.3 Применение
Низковольтные варисторы изготавливают на рабочее напряжение от 3 до 200 В и ток от 0,1 мА до 1 А; высоковольтные варисторы — на рабочее напряжение до 20 кВ.

Варисторы применяются для стабилизации и регулирования низкочастотных токов и напряжений, в аналоговых вычислителях — для возведения в степень, извлечения корней и других математических действий, в цепях защиты от перенапряжений (например, высоковольтные линии электропередачи, линии связи, электрические приборы) и др.
Высоковольтные варисторы применяются для изготовления ограничителей перенапряжения.
Как электронные компоненты, варисторы дёшевы и надёжны, способны выдерживать значительные электрические перегрузки, могут работать на высокой частоте (до 500 кГц). Среди недостатков — значительный низкочастотный шум и старение — изменение параметров со временем и при колебаниях температуры. В последние 5 лет появились на рынке так называемые «нестарящиеся» варисторы, имеющие по ряду параметров улучшение электрических свойств во времени под напряжением промышленной частоты.
2.1.1.2.4 Параметры
Вольт-амперная характеристика
Классификационное напряжение, В — напряжение при определённом токе (обычно изготовители указывают при 1 мА), практической ценности не представляет.
Рабочее напряжение (Operating voltage) В (для пост. тока Vdc и Vrms — для переменного) — диапазон — от нескольких В до нескольких десятков кВ; данное напряжение должно быть превышено только при перенапряжениях.
Рабочий ток (Operating Current), А — диапазон — от 0,1 мА до 1 А
Максимальный импульсный ток (Peak Surge Current), А
Поглощаемая энергия (Absorption energy), Дж
Коэффициент нелинейности
Температурные коэффициенты (статич. сопротивления, напряжения, тока) — для всех типов варисторов не превышает 0,1 % на градус
2.1.1.3 LC-фильтр

LC-фильтр предназначен для подавления высокочастотных помех (частотой 100 Гц — 100 МГц), которые искажают синусоиду переменного напряжения в сети и отрицательно ск азываются на работе электрооборудования. Эффективность работы LC-фильтра в различных диапазонах частот измеряется в дБ. Источниками ВЧ-помех являются различные электрические устройства: электродвигатели, генераторы, сварочные аппараты и т. п.
На рисунке показан пример простейшего LC-фильтра нижних частот: при подаче сигнала определённой частоты на вход фильтра (слева), напряжение на выходе фильтра (справа) определяется отношением реактивных сопротивлений катушки индуктивности (XL = щL) и конденсатора (XC = 1 / щC).
Коэффициент передачи ФНЧ
можно вычислить, рассматривая делитель
напряжения, образованный частотно-зависимыми
сопротивлениями. Комплексное (с учетом
сдвига фаз между напряжением и током)
сопротивление катушки индуктивности
есть ZL
= jщL
= jXL
и конденсатора ZC
= 1 / (jщC)
= − jXC,
где
,
поэтому, для ненагруженного LC-фильтра.

Подставляя значения сопротивлений, получим для частотно-зависимого коэффициента передачи:

Как видно, коэффициент
передачи ненагруженного идеального
ФНЧ неограниченно растет с приближением
к частоте
,
и затем убывает. На очень низких частотах
коэффициент передачи ФНЧ близок к
единице, на очень высоких — к нулю.
Вообще, зависимость модуля комплексного
коэффицента передачи фильтра от частоты
называют амлитудно-частотной
характеристикой (АЧХ), а зависимость
фазы — фазо-частотной характеристикой
(ФЧХ).
В реальных схемах к выходу
фильтра подключается активная нагрузка,
которая понижает добротность фильтра
и предотвращает острый резонанс АЧХ
вблизи частоты щ0. Величину
называют характеристическим сопротивлением
фильтра. ФНЧ, нагруженный на сопротивление,
равное характеристическому, имеет
нерезонансную АЧХ, примерно постоянную
для частот щ < щ0, и убывающую как 1 / щ2
на частотах выше щ0. Поэтому, частоту щ0
называют частотой среза.
Аналогичным образом строится и LC-фильтр верхних частот. В схеме ФВЧ меняются местами катушка индуктивности и конденсатор. Для ненагруженного ФВЧ получается следующий коэффициент передачи:

На очень низких частотах модуль коэффициента передачи ФВЧ близок к нулю. На очень высоких — к единице.
2.1.1.3.1 Применение
LC-фильтры используются в силовых электрических цепях для гашения помех и для сглаживания пульсаций напряжения после выпрямителя. В каскадах радиоэлектронной аппаратуры часто применяются перестраиваемые LC-фильтры, например, простейший LC-контур, включенный на входе средневолнового радиоприёмника обеспечивает настройку на определённую радиостанцию.
Фильтры используются в звуковой аппаратуре в многополосных эквалайзерах для корректировки АЧХ, для разделения сигналов низких, средних и высоких звуковых частот в многополосных акустических системах, в схемах частотной коррекции магнитофонов и др.
2.1.2 Разделительный трансформатор

Разделительный трансформатор - это трансформатор, первичная обмотка которого изолирована от вторичных обмоток при помощи защитного электрического разделения цепей с помощью двойной или усиленной изоляции, т.е. между обмотками имеется заземленный металлический защитный экран.
Трансформатор будет являться разделительным, если его вторичная обмотка не заземлена. Обычно используются трансформаторы с коэффициентом трансформации 1. Допускается подключение к одному трансформатору только одного потребителя. Применение такого подключения электроприемника существенно снижает вероятность поражения электрическим током, так как токи, возникающие в случае пробоя изоляции, имеют небольшое значение, что обусловлено гальванической изоляцией вторичных цепей трансформатора от цепей заземления.
2.1.2.1 Применение разделительных трансформаторов
Разделительные трансформаторы предназначены для повышения безопасности электросетей, при случайных одновременных прикасаний к земле и токоведущим частям или нетоковедущим частям, которые могут оказаться под напряжением в случае повреждения изоляции. Они также могут обеспечивать гальваническую развязку электрических цепей. Для повышения электробезопасности, увеличения надежности и срока службы электрооборудования рекомендуется включение его в сеть через разделительный трансформатор.
Например, согласно "Правилам технической эксплуатации электроустановок" ванные комнаты входят в категорию особо опасных помещений из-за наличия повышенной влажности, текущей воды и обилия изделий из металла, имеющих неустойчивое заземление. В таких помещениях не должно быть розеток на 220 В, или же эти розетки должны быть включены через разделительный трансформатор.
Выбор разделительных трансформаторов по параметрам
2.1.2.2 Основные параметры трансформаторов
- коэффициент трансформации
- входное напряжение и силу тока (на первичной обмотке)
- выходное напряжение и силу тока (на вторичной обмотке)
- номинальную мощность
- предельно допустимое напряжение между выходными зажимами и землёй
- тип и конфигурацию выводов
- способ монтажа (на плату, на DIN-рейку, навесной)
- габаритные размеры и вес
- допустимую рабочую температуру
- первичное и вторичное сопротивление
- климатическое исполнение
- применение трансформатора
2.2 Активные методы
2.2.1 Заземление
Заземление — это преднамеренное соединение нетоковедущих элементов оборудования, которые в результате пробоя изоляции могут оказаться под напряжением, с землёй. Заземление состоит из заземлителя (проводящей части или совокупности соединенных между собой проводящих частей, находящихся в электрическом контакте с землей непосредственно или через промежуточную проводящую среду) и заземляющего проводника, соединяющего заземляемое устройство с заземлителем. Заземлитель может быть простым металлическим стержнем (чаще всего стальным, реже медным) или сложным комплексом элементов специальной формы. Качество заземления определяется значением электрического сопротивления цепи заземления, которое можно снизить, увеличивая площадь контакта или проводимость среды — используя множество стержней, повышая содержание солей в земле и т.д. Как правило, электрическое сопротивление заземления нормируется.
2.2.1.1 Обозначения
Проводники защитного заземления во всех электроустановках, а также нулевые защитные проводники в электроустановках напряжением до 1 кВ с глухозаземленной нейтралью, в том числе шины, должны иметь буквенное обозначение РЕ и цветовое обозначение чередующимися продольными или поперечными полосами одинаковой ширины (для шин от 15 до 100 мм) желтого и зеленого цветов. Нулевые рабочие (нейтральные) проводники обозначаются буквой N и голубым цветом. Совмещенные нулевые защитные и нулевые рабочие проводники должны иметь буквенное обозначение PEN и цветовое обозначение: голубой цвет по всей длине и желто-зеленые полосы на концах.
2.2.1.2 Обозначения системы заземления
Первая буква в обозначении системы заземления определяет характер заземления источника питания:
T – непосредственное соединения нейтрали источника питания с землёй;
I – все токоведущие части изолированы от земли.
Вторая буква определяет характер заземления открытых проводящих частей электроустановки здания:
T – непосредственная связь открытых проводящих частей электроустановки здания с землёй, независимо от характера связи источника питания с землёй;
N – непосредственная связь открытых проводящих частей электроустановки здания с точкой заземления источника питания.
Буквы, следующие через чёрточку за N, определяют характер этой связи – функциональный способ устройства нулевого защитного и нулевого рабочего проводников:
S –функции нулевого защитного PE и нулевого рабочего N проводников обеспечиваются раздельными проводниками;
C – функции нулевого защитного и нулевого рабочего проводников обеспечивается одним общим проводником PEN.
2.2.1.3 Принцип защитного действия
Защитное действие заземления основано на двух принципах:
Уменьшение до безопасного значения разности потенциалов между заземляемым проводящим предметом и другими проводящими предметами, имеющими естественное заземление.
Отвод тока утечки при контакте заземляемого проводящего предмета с фазным проводом. В правильно спроектированной системе появление тока утечки приводит к немедленному срабатыванию защитных устройств (устройств защитного отключения — УЗО).
Таким образом, заземление наиболее эффективно только в комплексе с использованием устройств защитного отключения. В этом случае при большинстве нарушений изоляции потенциал на заземленных предметах не превысит опасных величин. Более того, неисправный участок сети будет отключен в течение очень короткого времени (десятые ч сотые доли секунды — время срабатывания УЗО).
2.2.1.4 Разновидности систем заземления
Классификация типов систем заземления приводится в качестве основной из характеристик питающей электрической сети. ГОСТ Р 50571.2 рассматривает следующие системы заземления: TN-C, TN-S, TN-C-S, TT, IT.
2.2.1.4.1 Система TN-C (фр. Terre-Neutre-Combine) предложена немецким концерном АЭГ (AEG, Allgemeine Elektricitдts-Gesellschaft) в 1913 году. Рабочий ноль и PE-проводник (Protection Earth) в этой системе совмещены в один провод. Самым большим недостатком была возможность появления фазного напряжения на корпусах электроустановок при аварийном обрыве нуля.
Несмотря на это, на сегодняшний день можно встретить данную систему заземления в постройках стран бывшего СССР.

Литература
1. В.Г. Герасимов, О.М. Князьков, А.Е. Краснопольский, В.В. Сухоруков (Под ред. В.Г. Герасимова). Основы промышленной электроники: Учебник для вузов. — 2-е изд., перераб. и доп.. — М.: Высшая школа, 1978.
2. В.Г. Колесников (главный редактор). Электроника: Энциклопедический словарь. — 1-е изд.. — М.: Сов. энциклопедия, 1991. — С. 54. — ISBN 5-85270-062-2
3. Эндель Ристхейн. Введение в энерготехнику. Таллин.: Elektriajam, 2008. глава №4.