Архитектура ЭВМ (работа 7)
Федеральное агентство по образованию РФ
ФГОУ Екатеринбургский экономико-технологический колледж
Учебная практика
по Архитектуре ЭВМ
Отчет
Место практики: ЕЭТК (МТО)
студентка: Шоломова А.Л.
преподаватель: Еремина И. А.
Екатеринбург 2010
СОДЕРЖАНИЕ:
РАЗДЕЛ I. Инструкция по технике безопасности при выполнении работ с ПЭВМ для операторов и пользователей ПЭВМ и видеодисплейных терминалов
РАЗДЕЛ II. Измерительные приборы
РАЗДЕЛ III. Элементная база
РАЗДЕЛ IV. Материнские платы
РАЗДЕЛ V. Системный блок
Раздел I:. Инструкция по Технике безопасности при выполнении работ с ПЭВМ для операторов и пользователей ВДТ
1. Общие требования безопасности.
1.1. Инструкция распространяется на пользователей и персонал, работающий с видеодисплейным терминалом (далее ВДТ) и персональными электронно-вычислительными машинами (далее ПЭВМ).
1.2. Работники, пользующиеся ВДТ и ПЭВМ в целях предупреждения у них профессиональных заболеваний¸ должны проходить обязательные предварительные (при поступлении на работу) и периодически медицинские осмотры в сроки, установленные Минздравсоцразвитиемя и Госкомсанэпидемнадзором России.
1.3. К самостоятельной работе допускаются лица не моложе 18-ти лет, не имеющие медицинских противопоказаний, прошедшие инструктаж по настоящей инструкции, завершенный проверкой знаний и прошедшие инструктаж по электробезопасности.
1.4. Женщины с момента установления беременности и в период кормления ребенка грудью к выполнению всех видов работ, связанных с использованием ВДТ и ПЭВМ не допускаются.
1.5. При работе с ВДТ и ПЭВМ возможны следующие основные опасные и вредные факторы, воздействующие на работника:
– поражение электрическим током;
– получение травм от движущихся частей внешних устройств;
– шум внешних устройств;
– электромагнитное, ионизирующее, рентгеновское, ультрафиолетовое и инфракрасное излучения, распространяющиеся во всех направлениях и оказывающих воздействие на пользователя;
– заряд статического электричества, притягивающий пыль, ухудшающий пылевой состав воздуха в рабочей зоне и приводящий к электростатическому разряду;
– блики, отражение, пульсация знаков, недостаточная контрастность, излишняя яркость, многоцветие, неудовлетворительность цветосочетания на экране – это сильные раздражители нервной си зрительной систем, среди которых основным источником раздражения является свет, направленный прямо в глаза из не зашторенного окна или лампы, создающей слепящий эффект;
– случайная мебель, неверное расположение дисплея, клавиатуры, обусловливающее вынужденную неудобную рабочую позу, костно-мышечный дискомфорт, статическое напряжение мышц шеи, плеч, и спины;
– неправильное размещение рабочих мест в помещении, светопроемов, освещение, недостаточно удовлетворительный микроклимат, несоблюдение режима работы, приводящее к значительному зрительному и общему переутомлению, головной боли, психоээмоциональному напряжению, раздражительности, сонливости, болезненным ощущениям в глазах, области шеи, руках, спины, нарушению сна и аппетита, ухудшению внимания и снижению работоспособности.
1.6. Организация рабочих мест.
1.6.1 Площадь помещения на одно рабочее место с ВДТ и ПЭВМ для пользователей должна составлять не менее 6 м2, а объем не менее 20 м3.
1.6.2. Рабочие места с ВДТ и ПЭВМ по отношению к световым проемам должны располагаться так, чтобы рабочий свет падал сбоку. При расположении рабочих мест напротив окон, они должны быть оборудованы регулируемыми устройствами типа жалюзи, шторы, занавеси.
1.6.3. Рабочее место пользователя состоит из стола, с размещенным на нем ВДТ и ПЭВМ, клавиатуры, подъемно-поворотного стула, а также подставкой под документы (пьюпитр).
1.6.4. Конструкция мебели (столы, кресла, стулья) должна обеспечивать возможность индивидуальной регулировки, соответственно роста работающего и создавать удобную позу.
1.6.5. Стол должен обеспечивать оптимальное размещение оборудования на нем. Оптимальная высота стола должна составлять 725 мм, под столешницей должно быть свободнее место для ног.
1.6.6. Кресло должно обеспечивать поддержание рациональной рабочей позы для снижения статического напряжения мышц, должен быть подъемно-поворотным, а также иметь регулируемые подлокотники.
1.6.7. Размещение рабочих мест должно осуществляться на расстоянии 1,2 м между боковыми поверхностями монитора, не менее 2-х метров рабочими местами в случае, если они расположены друг напротив друга.
1.6.8. Экран монитора должен находиться от глаз пользователя на оптимальном расстоянии 600-700 мм , но не ближе, чем на 500 мм.
1.6.9. В качестве средства индивидуальной защиты от электромагнитных полей и других вредных воздействий можно использовать приэкранные фильтры или круговые пуливизаторы.
1.6.10. Документы должны считываться оператором с пюпитра, высота и наклон которого регулируются. Он должен находиться в одной плоскости и на одной высоте с экраном.
1.7. Освещенность рабочего места.
1.7.1. Освещенность на поверхности стола в зоне рабочего документа должна быть 300-500 лк, внешняя освещенность экрана 100-250 лк, местное освещение не должно создавать бликов на экране и увеличивать его освещенность не менее 300 лк.
1.7.2. В рабочей зоне соотношение яркости поверхности не должно превышать 3-5/1.
1.7.3. Применение светильников без рассеивателей и экранных решеток не допускается.
1.7.4. Для обеспечения нормируемых значений освещенности следует проводить чистку стекол, окон, и светильников не реже раза в год, и осуществлять замену перегоревших ламп.
1.8. Аэроионный режим рабочего места.
1.8.1. Для соблюдения аэроионного режима относительная влажность воздуха в помещении должна быть в пределе 40-60 %.
1.8.2. Помещение с ВДТ и ПЭВМ для повышения влажности воздуха рекомендуется проветривать, а также применять увлажнители воздуха.
1.9. Уровень шума на рабочих местах не должен превышать 50 ДБ.
1.10. Помещения с ВДТ и ПЭВМ должны быть оснащены средствами пожаротушения – углекислородными огнетушителями и аптечкой.
1.11. Режим труда и отдыха при работе с ВДТ и ПЭВМ.
1.11.1. Суммарное время работы с ВДТ и ПЭВМ не должно превышать 6 часов за смену при 8-ми часовом рабочем дне.
1.11.2. Продолжительность непрерывной работы не должна превышать 2-х часов. Через каждый час работы необходимо вводить регламентированный перерыв на 10 минут, или через 1,5-2 часа на 15 минут. При несоответствии фактических условий труда требований настоящей инструкции, время регламентируемых перерывов следует увеличить в первом случае до 15-ти минут, во втором случае до 20-ти минут. При работе в ночное время , т.е. с 22-00 до 6-00 перерывы по часу через каждые 2 часа.
1.11.3. Во время регламентированных перерывов, с целью снижения нервно-эмоционального напряжения, утомления зрительного аппарата, устранения влияния гиподинамии, следует выполнять физические упражнения.
1.11.4. Для устранения монотонности труда необходимо равномерно распределять нагрузку и характер деятельности, чередовать, изменять содержание работы.
1.12. Содержать рабочее место следует в чистоте и порядке, не допуская его загромождения.
1.13. Необходимо следить, чтобы рабочее место имело исправную электропроводку, электро-розетки, вилки и т.д., нельзя прикасаться к проводам во включенном состоянии.
1.14. Выполнять работу только на исправном оборудовании.
1.15. Не производите самовольные устранения замеченных неисправностей. О всех замеченных недостатках и неисправностях следует сообщать руководителю. Нельзя приступать к работе до их устранения.
1.16. Запрещается проводить ремонт ВДТ и ПЭВМ в рабочем помещении пользователя.
1.17. При несчастном случае окажите первую возможную медицинскую помощь, обратитесь в медицинское учреждение и сообщите руководителю.
1.18. Работающие должны знать и соблюдать правила внутреннего распорядка.
1.19. Данную инструкцию должен получить на руки каждый работник под расписку, обязан ее выучить и выполнять.
1.20. Работники, допустившие нарушение требований данной инструкции или не принявший меры к ее выполнению, привлекаются к ответственности.
1.21. Надзор за выполнением данной инструкции возлагаются на руководителей подразделения.
2. Требования безопасности перед началом работы.
2.1. Провести внешний осмотр рабочего места ВДТ и ПЭВМ.
2.2. При отключенном электропитании нужно убедиться:
– в целостности и исправности шнуров электропитания, соединительных шнуров между устройствами, розеток, вилок и т.д.;
–в наличии и исправности в заземлении комплекта и защиты экрана;
– в наличии на местах назнач. защитных крышек и кожухов.
2.3. При обнаружении каких либо неисправностей, сообщить администратору и приступить к работе после их устранения.
2.4. Убрать со стола все лишние и мешающие предметы, запрещается укладывать на ВДТ и ПЭВМ какие либо предметы или бумагу.
2.5. Удалить пыль с экранов дисплея, клавиатуры и других устройств.
2.6. Убедиться в надежности установки всех устройств ВДТ ПЭВМ на столе.
2.7. Проверить эрганонические параметры рабочего места.
При их несоответствии отрегулируйте рабочее место следующим образом:
– уровень верхней кронки экрана должен приходиться на лоб;
– экран монитора должен находиться от глаз на нормальном расстоянии;
– спинка кресла обязательно должна поддерживать спину;
– клавиатура должна быть установлена на расстоянии 100-300 мм от края стола, и должна располагаться по высоте и с удобным наклоном так, чтобы кисть располагалась прямо параллельно поверхности стола;
– ноги должны обязательно доставать до пола.
2.9. Проверьте уровень и направление освещенности рабочего места. Установите оптимальные визуальные параметры по яркости и контрастности.
2.10. Отрегулируйте цветосочетание экрана.
2.11. Используйте приэкранный фильтр, если в нем есть необходимость.
2.12. Проветривать помещение для улучшения режима влажности (аэроионного режима вообще).
2.13. Подключайте ПЭВМ к сети, либо в специальную розетку с заземлением, либо через удлинитель ограничитель импульсных перенапряжений.
2.14. Проверьте и установите в исходное положение все органы управления.
2.15. Предупредите о включении ПЭВМ всех работающих.
3. Требование безопасности во время работы.
3.1. Выполняйте только порученную вам работу.
3.2. Не загромождайте рабочее место.
3.3. Не допускайте к работе на ПЭВМ посторонних лиц.
3.4. При включении ПЭВМ в случае отсутствия нормального завершения тестирования или зависания компьютера, сообщить и вызвать тех. персонал.
3.5. При внезапном выключении напряжения выключите ПЭВМ от сети. При появлении напряжения дождитесь его стабилизации и только тогда включите ПЭВМ.
3.6. При обнаружении неисправности в ПЭВМ отключите ее от электросети, доложите руководителю и вызовите тех. персонал.
3.7. При эксплуатации ПЭВМ запрещается:
– переносить и передвигать с установленных мест блоки ПЭВМ, включенных в сеть;
– подключать или отключать блоки комплекта при работающей ПЭВМ;
– оставлять включенный в сеть компьютер без присмотра;
– вскрывать корпуса ПЭВМ и периферийных устройств;
– работать на ПЭВМ со вскрытыми корпусами;
– производить на ПЭВМ какие бы то ни было компетентные работы, т.к. за эту работу отвечают специальные люди;
– дотрагиваться до движущихся механизмов;
– чистить ПЭВМ и внешние устройства на ходу(т.е. включенные);
– браться руками за ПЭВМ и трубы.
3.8. Для снижения напряженности труда чередуйте характер деятельности.
4. Требования безопасности в аварийных ситуациях.
4.1. В случае возникновения после включения ПЭВМ повышенного уровня шума, вибрации или искрения, отключите ПЭВМ от сети и вызовите тех. персонал.
4.2. При появлении во время работы дыма, запаха горелой изоляции необходимо обесточить компьютер и сообщить администратору.
4.3. В случае возгорания электропроводки немедленно приступить к тушению очага пожара с помощью углекислотного огнетушителя.
4.4. В случае сильного задымления и появления пламени, эвакуировать людей, позвонить в пожарную часть, о возгорании сообщить администратору.
4.5. При работе на устройствах ПЭВМ возможны и иные аварийные ситуации:
– попадание корпуса устройства под напряжение при коротком замыкании в электросистеме, пробое изоляции и отсутствии или неисправности заземления, поломке отдельных узлов устройства от перегрузки, нарушение правил и .д. При возникновении подобных ситуаций, прекратить работу, обесточить устройство и сообщить администратору;
4.6. В случае электротравмы или ожога, окажите пострадавшему помощь и позвоните в скорую медицинскую помощь.
4.7. О случаях травматизма доложите руководителю работ.
5. По окончанию работы:
5.1. Закрыть все задачи, удалить из дисковода всё и выключить компьютер.
5.2. Отсоедините шнуры электропитания от сети.
5.3. Приведите в порядок оборудование и рабочее место, уберите на места хранения используемый в работе материал.
6. Физкульт. пауза.
Физ. пауза повышает двигательную активность, стимулирует деятельность нервной, сердечнососудистой, дыхательной и мышечной систем, снимает общее утомление организма и зрительного аппарата, повышает умственную работоспособность.
Раздел II. Измерительные приборы
1. Цифровой мультиметр (Электроника ММЦ-01)
1.1. Нормальные условия применения:
– температура окружающего воздуха- 20±5º С;
– относительная влажность воздуха- 65±15%;
– атмосферное давление- 100±4 кПа; 750±30 мм рт. ст.
1.2. Технические данные.
1.2.1. Мультиметр в нормальных условиях применения обеспечивает измерение напряжения, силы постоянного и переменного токов и сопротивления постоянному току в соответствии с данными.
Диапазон измерения:
– напряжение постоянного тока от 2*10-4 до 1000 В;
– напряжение переменного тока от 5*10-4 до 750 В;
– силы постоянного тока от 2*10-6 до 10 А;
– силы переменного тока от 5*10-6 до 10 А;
– сопротивления постоянному току от 2*10-7 до 20 Мом.
1.2.1. Предел допускаемой дополнительной погрешности от измерения температуры окружающего воздуха от нормальной до любой температуры в пределах рабочей области не превышает половины предела допускаемой основной погрешности.
1.2.3. Входное активное сопротивление мультиметра при измерении напряжения не менее 20 Мом на пределе измерения 200 мВ и равно 10 МОм±0,1 Мом на остальных пределах измерения.
1.2.4. Напряжение на измеряемом сопротивлении не превышает 0,5 В на пределе измерения 200 Ом и не более 2 В на остальных.
1.2.5. Падение напряжения на входных клеммах мультиметра при измерении тока не более 250 мВ.
1.2.6. Мультиметр готов к работе сразу после включения.
1.2.7. Мультиметр допускает продолжительность непрерывной работы не менее 8ч.
1.2.8. Ток потребления мультиметра от батареи питания не более 10 мА в режиме измерения напряжения и тока и не более 12 мА в режиме измерения сопротивления.
1.2.9. Мультиметр выдерживает перегрузку по входам в соответствии с таблицей 2. Вход «I» защищен также плавким предохранителем на 1 А.
1.2.10. Выбор вида и предела измерений – ручной, выбор полярности – автоматический.
1.2.11. Отсчетное устройство мультиметра обеспечивает 3,5 разрядную десятичную индикацию результата измерения с отображением десятичной запятой.
Максимальное показание отсчетного устройства «1999». При превышении измеряемой величины этого значения отсчетное устройство индицирует перегрузку знаком «1» в старшем разряде и отсутствием индикации в трех остальных разрядах.
1.2.12. Отрицательная полярность измеряемой величины индицируется со знаком «-», положительная – знаком «+».
1.2.13. Питание мультиметра осуществляется от батареи типа «Корунд» ТУ 16-729.060-81 или батареи аккумуляторной типа 7Д-0.115-У1.1 ГОСТ 21446-75.
1.2.14. Разряд батареи питания до
напряжения 7 В индицируется знаком «
».
1.2.15. Наработка на отказ Т при доверительной вероятности р=0,98 не менее 400ч.
1.2.16. Масса мультиметра с батареей питания не более 0,35 кг.
1.2.17. Габаритные размеры мультиметра: длина 176мм, ширина 90 мм, высота 35мм.
1.2.18. Сведения о содержании драгоценных металлах, содержатся в прил. 1.
1.2.19. Схема электрическая принципиальная приведена в приложении 2.
1.2.20. Расположение элементов на плате приведено в приложении 3.
1.2.21. Перечень элементов приведен в приложении 4.
1.3. Устройство мультиметр.
1.3.1. Принцип действия мультиметра основан на преобразовании измеряемой величины в нормированное напряжение постоянного тока и последующем преобразовании полученного напряжения в цифровое значение измеряемой величины посредством двухтактного интегрирования.
1.3.2. Структурная схема мультиметра приведена на рис. 1.
Основную функцию преобразования выполняет аналого-цифровой преобразователь (АЦП), который представляет собой полупроводниковую интегральную микросхему с К/МОП структурой. Он обеспечивает преобразование нормированного напряжения в цифровой код методом двухтактного интегрирования и имеет цикл автоматической коррекции нуля.
1.3.3. Мультиметр выполнен в малогабаритном корпусе из ударопрочного полистирола. Корпус состоит из двух частей, соединенных между собой 3-мя винтами.

1. Отсчетное устройство
2. Движок выключателя питания
3. Шильдик
4. Входные клеммы
5. Крышка батарейного отсека
6. Кнопка переключателя вида физической величины
7. Кнопка переключателя рода тока
8. Кнопка переключателя пределов измерений
9. Подставка
2. Осциллограф универсальный.
Предназначен для исследования формы периодических сигналов путем визуального наблюдения и измерения амплитуды сигнала в диапазоне от 0,01 В до 300 В, а также измерения длительности импульсов периода и временных интервалов в диапазоне от 0,3*10-6 сек. (т.е. 0,3 мс) до 0,4 с. В частотном диапазоне от 0-50 МГц.
Структурная схема прибора:

Принцип действия:
Входной сигнал(1) поступает на блок(2)(аттенюатор). Аттенюатор – делитель напряжения, который устанавливает входной сигнал в соответствии с номинальным уровнем для достижения на экране осциллографа максимально визуальной картинки сигнала по вертикали I. Номинальный сигнал поступает на усилитель вертикально отклонений луча, а с него на вертикально отклоняющие пластины(11). В усилителе происходит регулировка смещения луча по вертикали и амплитуды сигнала «оу». Также с усилителя снимается сигнал для внутренней синхронизации в осциллографе. Сигнал синхронизации (внутренней или внешней) поступает на усилитель синхронизации(5). Сигнал синхронизации поступает на генератор пилообразного напряжения(6) внутренней развертки осциллографа, в котором осуществляется синхронизация пилообразных импульсов (начало/конец развертки) с частотой исследуемого сигнала с помощью коммутатора развертки(8). Синхронизированный пилообразный сигнал поступает на усилитель горизонтального отклонения луча, в котором осуществляется регулировка положения луча по оси Х и размеры луча. С этого усилителя(7) сигнал поступает на горизонтально-отклоняющие пластины(12).
В осциллографе имеется генератор комбинированного сигнала(1), прямоугольного импульса с амплитудой 5 В. Блок питания(9) вырабатывает напряжение постоянного тока
12 В которое поступает на преобразователь(10), который обеспечивает различные уровни постоянного и переменного напряжения для питания внутренних блоков осциллографа. Электронно-лучевая труба(13) представляет собой электровакуумный прибор, в котором электроны, испускаемые катодом(15), допускаются в электрический луч, электрической пушкой , при этом луч отображается, высвечивается на иллюминаторе(14)
Передняя панель прибора:

1. Экран осциллографа
2. Регулятор отклонения луча по вертикали
3. регулятор положения луча
4. Светодиодный индикатор включения и переключения сети.
5. Регулятор уровня синхронизации
6. Переключатель синхронизации
7. Переключатель входов
Раздел III. Элементная база
3.1 Резисторы
Резистор-это элемент электрической цепи, обладающий сопротивлением от 10-8 до 1016 Ом. Все резисторы подразделяются на постоянные и переменные наборы резисторов. Зависящие от назначения делят на резисторы общего и специального назначения (Прецизионные, сверхпрецизионные, высокочастотные, высоковольтные, высокоомные (назначение) в соответствии с ОСТ (особые стандарты)) 11.074.009.-78
Сокращенные условные обозначения резисторов состоят из следующих элемент:
– буквы или сочетания букв, обозначения подклассов резисторов (R; РП - резистор переменный, NR – наборы резисторов.)
– цифра, обозначающая группу резисторов по материалу резистивного материла (1-непроволочный.)
– число, стоящее после букв обозначало разновидности от материала токопроводящего элемента:
1-непроволочные, тонкослойные, углеродистые и бороуглеродистые.
2-непроволочные, тонкослойные, металлодиэлектрические, металооксидные.
3-непроволочные.
4-непроволочные, композиц., объемные.
5-проволочные.
6-непроволочные, тонкослойные , металлизированные.
Параметры и характеристики, входящие в условные обозначения резистора, указываются в следующей последовательности:
Для резисторов постоянных:
a) номинальная мощность рассеивания;
б) номинальное сопротивление и буквенное обозначение единице измерения (КОМ, МОМ, ОМ, ГОМ);
в) допускаемое отклонение сопротивления в %(допуск.)
– группа по уровню шумов (для непроволочных резисторов).
– группа по температурному коэффициенту сопротивления (ТКС).
Для резисторов переменных:
– номинальная мощность рассеивания;
– номинальное сопротивление единицы измерения;
– допускаемое отклонение сопротивлениям(%)
– функциональные характеристики определяет зависимость сопротивления резистора или напряжения от положения подвижного контакта.
Номинальное сопротивление резистора, стандартизованное ГОСТу 28.25-76 для постоянных резисторов устанавливать 6 рядов:
|
Серия |
Точность |
Номиналы |
|
E>6> E>12> E>24> E>48> E>96> E>192> |
±20*10-2 ±10*10-2 ±5*10-2 ±2*10-2 ±1*10-2 ±0,5*10-2 |
N/6 N/12 N/24 N/48 N/96 N/192 |
Например Е>6 >: 1;1,5;2,2;3,3;4,7;6,8.
Серия Е>6 >и> >E>12 >для значений от 1 до 10 Ом.
Кодирование обозначений допустимых отклонений сопротивления:
|
ГОСТ 11-076 |
СТ СЭВ 1810-79 |
Публикация 61 и 115-МЗК |
|||
|
допускаемое отклонение, % |
Кодированное обозначение |
ДО, % |
КО |
ДО, % |
КО |
|
±0,001 ±0,002 ±0,005 ±0,01 ±0,02 ±0,05 ±0,1 ±0,25 ±0,5 ±1 ±2 ±5 ±10 ±20 ±30 |
E L R P Y X V C D F G J K M N |
±0,001 ±0,002 ±0,005 ±0,01 ±0,02 ±0,05 ±0,1 ±0,25 ±0,5 ±1 ±2 ±5 ±10 ±20 ±30 |
±0,02 |
±0,1 ±0,25 ±0,5 ±1 ±2 ±5 ±10 ±20 ±30 |
V C D F G J K M N |
Графическое обозначение резисторов
1.
8
.
2.
9.
3.
4.
5. 10.
6. 11.
7.
0,05 ВТ
0,125 ВТ
0,25 ВТ
0,5 ВТ
1 ВТ
2 ВТ
5 ВТ
переменный резистор
подстрочный резистор
нелинейный резистор
фоторезистор
Цветовая маркировка.
По ГОСТ 28883-90
|
Цвет полос или точек |
Первый множитель |
Второй множитель |
Третий множитель |
Множитель |
Допуск |
|
Золотой Серебряный Черный Коричневый Красный Оранжевый Желтый Зеленый Голубой Фиолетовый Серый Белый Бесцветный |
1 2 3 4 5 6 7 8 9 |
1 2 3 4 5 6 7 8 9 |
0 1 2 3 4 5 6 7 8 9 |
0,01 Ом 0,1 Ом 1 Ом 10 Ом 100 Ом 1 КОм 10 КОм 100 КОм 1 МОм 10 МОм 100 МОм Нет нет |
±5% ±10% ±20% ±1% ±2% Нет Нет ±0,5% ±0,25% ±0,1% ±0,05% Нет ±20% |
Практическая работа 1.
|
Марка |
Расшифровка |
Р>ном>> > |
R> ном> |
R> изм. >, Ом |
Допуск, % |
8, % |
|
МЛТ-2 |
Металлопленочный лакированный термостойкий |
2 |
1.8 КОм |
1,7 |
5 |
5.5 |
|
МЛТ-1 |
Металлопленочный лакированный термостойкий |
1 |
150 Ом |
149,5 |
0,63 |
0,3 |
|
МЛТ-0,5 |
Металлопленочный лакированный термостойкий |
0,5 |
510 кОм |
482 |
20 |
5,8 |
|
МЛТ-0,25 |
Металлопленочный лакированный термостойкий |
0,25 |
5,6 КОм |
5,3 |
5 |
5,3 |
|
МЛТ-0,25 |
Металлопленочный лакированный термостойкий |
0,25 |
43 КОм |
42,6 |
5 |
0,9 |
|
УЛИ |
Углеродистый, лакированный, измеряемый |
2 |
130 КОм |
125 |
- |
3,8 |
|
ПЭВ |
Проволочная Эмолерованная высокочистотная |
10 |
200 Ом |
194,1 |
10 |
2,9 |
|
МЛТ |
Металлопленочный лакированный термостойкий |
0,25 |
1200 Ом |
1160 |
5 |
3,3 |
|
СП3 |
Сопротивление подстрочное |
0,25 |
6,8 КОм |
6 |
0,1 |
11,7 |
|
УЛИ |
Углеродистый, лакированный, измеряемый |
0,25 |
680 Ом |
60 |
- |
11,7 |
3.2 Конденсаторы
Конденсаторы (от лат. Condenso-уплотняю, сгущаю) – это радиоэлементы с сосредоточенной электрической емкостью, образуемой двумя или большим числом электродоз (пластин), разделенных диэлектриком (спец. бумагой, керамикой, слюдой и т.д.).
В настоящее время конденсаторы можно разделить на две группы:
– обычные (применяемые в электронных и радиоэлектрических устройствах)
– силовые (применяемые в электрических и энергетических установках).
Учитывая функциональный признак, конденсаторы делят на пусковые и рабочие (для электродвигателей), для преобразовательных устройств (коммутирующие, фильтровые, компенсирующие), для высоковольтных делителей напряжений (для повышения коэффициента мощность в линиях электропередач и в распределительных сетах и т.д.).
По конструкции бывают:
– однокорпусные
– блоки или сборки конденсаторов
– конденсаторные установки
По принципу управляемости значениям емкости конденсаторы могут быть:
– постоянными (с фиксированным номиналом емкости)
– переменными
По характеру управления:
– конденсаторы с механическим управлением емкостью
– электрическим (вариконды, варикапы) управлением емкостью
– термическим (термоконденсаторы) управлением емкостью
В зависимости от вида климатического исполнения различают:
– конденсаторы для работы в условиях холодного климата;
– конденсаторы для работы в условиях умеренного климата;
– конденсаторы для работы в условиях тропического климата.
Важным свойством конденсатора является то, что для переменного тока он представляет собой реактивное сопротивление, величина которого уменьшается с ростом частоты.
Конденсаторы постоянные.
По виду диэлектрика постоянные конденсаторы бывают с органическим (пленочным, бумажным с возможностью пропитки диэлектрическими жидкостями), неорганическими (слюдяным, керамическим, стеклянным), оксидным и газообразным диэлектриком.
По типу обкладок различают конденсаторы с фольговыми, металлизированными и пластинчатыми.
По значению номинального напряжения различают конденсаторы высокого и низкого напряжения.
Номинальные параметры.
Значения номинальных параметров являются базовыми при определении отклонений путем измерения. В зависимости от цепи, в которой может использоваться конденсатор, к нему предъявляются разные требования.
Чем больший разряд способен накопить диэлектрик, заключенный между пластинами при определенном напряжении, тем больше величина электрической емкости конденсатора.
Емкость конденсаторов измеряют в фарадах (Ф). Это очень большая величина, которая на практике не встречается. В радиотехнике применяют конденсаторы от нескольких долей пикофарад (ПФ) до нескольких тысяч микрофарад (мкФ).
1 мкФ = 1*10-6 Ф
1 нФ = 1*10-9 Ф
1 пФ = 1*10-12 Ф
1) Номинальная емкость – это емкость конденсатора, выбранная из числового ряда значений Е3, Е6, Е12 и Е24.
2) Допускаемое отклонение – максимальная разность значений между измеренной и номинальной емкостями, при оговоренных в нормативно-технической документации частоте и температуре.
Таблица №1. Буквенный код допускаемого отклонения емкости конденсаторов.
|
Допуск, % |
Буквенное обозначение |
Допуск, % |
Буквенное обозначение |
Допуск, % |
Буквенное обозначение |
|||
|
Лат. |
Рус. |
Лат. |
Рус. |
Лат. |
Рус. |
|||
|
±0,001 |
E |
– |
±0,2 |
C |
У |
±30 |
N |
Ф |
|
±0,002 |
L |
– |
±0,5 |
D |
Д |
-10..+30 |
Q |
– |
|
±0,005 |
R |
– |
±1,0 |
F |
Р |
-10..+50 |
T |
Э |
|
±0,01 |
P |
– |
±2,0 |
G |
Л |
-10..+100 |
Y |
Ю |
|
±0,02 |
U |
– |
±5,0 |
J |
И |
-20..+50 |
S |
Б |
|
±0,05 |
X |
– |
±10 |
K |
С |
-20..+80 |
Z |
А |
|
±0,1 |
B |
Ж |
±20 |
M |
В |
– |
– |
3) Номинальное напряжение – это значение при котором конденсатор может работать при заданных условиях в течении срока службы, сохраняя свои параметры.
4) Температурный коэффициент емкости (ТКЕ) характеризует относительное изменение емкости от номинального значения при изменении температуры окружающей среды.
5) Постоянная времени (t>из>) – это величина, характеризующая свойство конденсатора, которое заключается в самопроизвольном снижении напряжения на разомкнутых выводах запряженного конденсатора.
6) Коэффициент диэлектрической абсорбции характеризует явление, обусловленное замедленными процессами перераспределения зарядов в диэлектрике конденсатора.
7) Собственная индуктивность зависит от конструктивного исполнения конденсатора и обусловлена индуктивностью выводов и секций.
8) Тангенс угла диэлектрических потерь (tg) определяется как отношение активной мощности конденсатора к его реактивной мощности при синусоидальном напряжении определенной частоты.
Ток проводимости через диэлектрики конденсатора при постоянном напряжении называют током утечки.
Обозначение конденсаторов в электрических схемах.




Конденсатор постоянный





Конденсатор
подстроченный


Конденсатор переменного тока








Конденсатор электролитический
Группы конденсаторов в зависимости от исполнения:
Дисковое обозначение «КД»
Трубчатое обозначение «КТ»
Дисковые опорно-керамические обозначения «КДО»
Трубчатые опорно-керамические «КТО»
Керамические пластичные квадратные «К»
Бумажные или металлобумажные – обозначают «БМ», «МБМ», «МБТО», «МКО».
Вариконд ВК и т.д.
Обозначение сокращений на конденсатор.
|
1 индекс |
2 индекс |
3 индекс |
4 индекс |
|
К- конденсатор постоянной емкости |
10-керамический конденсатор U>ном> <1600 B 15- керамический конденсатор U>ном> >1600 B 20-кварцевый 22-стеклокерамический 23-стеклоэмалевый 31-слюдяной малой мощности 32-слюдяной большой мощности 40-бумажный с обкладками из фольги U>ном> <1600 B 42-бумажный с металлическими обкладками 50-электролитический алюминиевый 51-электролитический тактиловый 53-оксидно полупроводниковый 70-полистирольный с обкладками из фольги 71-полистирольный с металлическими обкладками 72-полистирольный с фторопластовыми обкладками 73-полиэтиленовый с металлическими обкладками 75-комбинированный |
Не указывается для работы в целях постоянного тока П-для работы с переменным током Ч - для работы с переменным током повышенной частоты У - для работы в импульсах И - для работы в импульсных целях для работы с более короткими импульсами |
Указывает использование по виду диэлектрика |
Пример:
К73-17 – конденсатор постоянной емкости полиэтиленовый с металлическими обкладками.
Система обозначения конденсаторов.
Сокращенное условное обозначение или тип конденсатора (в соответствии с ГОСТ 11.074.008-78) состоит из следующих элементов:
1 элемент – вид
2 элемент - вид диэлектрика
3 элемент – номер разработки
Первый элемент–буква или сочетание букв, определяющих вид конденсатора
Второй элемент–число, обозначающее используемый вид диэлектрика для конденсаторов постоянной емкости.
Третий элемент–порядковый номер разработки конкретного типа, в состав которого может входить и буквенное обозначение.
Полное условное обозначение состоит из сокращенного обозначения и значения основных параметров и характеристик, необходимых для заказа и записи в конструкторской документации.
1 элемент–тип
2 элемент–рабочее напряжение
3 элемент–номинальная емкость
4 элемент–допуск
5 элемент–код TKE
6 элемент–технические условия
Первый элемент (буква или цифра) обозначает тип конденсатора
Второй элемент (цифры и буквы) обозначает напряжение, при котором конденсатор может работать в заданных условиях и единицу измерения.
Третий элемент (цифры и буквы) обозначает номинальную емкость конденсатора и единицу измерения.
Четвертый элемент (цифры) обозначает допускаемое отклонение емкости от номинала.
Пятый элемент (буква) обозначает температурный коэффициент емкости для конденсаторов с линейной зависимостью емкости при изменении температуры.
Шестой элемент предусматривает технические условия и вид приемки.
|
Марка |
Расшифровка |
С>ном> |
U>ном> |
Допуск, % |
|
К71 |
Конденсатор постоянной ёмкости полистирольный с металлическими обкладками |
470 мФ |
63 В. |
-20% … +80% |
|
К73П-3 |
Конденсатор постоянной емкости полиэтиленовый с металлическими обкладками |
0,15 мкФ |
160 В |
±10 % |
|
БМ-2 |
Бумаго-маслянный |
6000 мФ |
200 В |
±25 % |
|
МБМ |
Метализированный Бумаго-маслянный |
0,05 мкФ |
160 В |
±10 % |
|
К50-6 |
Конденсатор постоянной емкости электрический аллюминевый |
50мкФ |
6,3 В |
±10-20 % |
|
К50 - 35 |
Конденсатор постоянной ёмкости электролитический аллюминевый |
22 мкФ. |
40 В |
+40%...-20% |
|
К10-7В |
Конденсатор постоянной емкости, керамический. |
33нФ |
50 В |
±30 % |
|
КТ2 |
Конденсатор подстрочный, воздушный |
150 нФ |
50 В |
±10 % |
3.3 Диоды
Полупроводниковые диоды.
Полупроводниковые диоды – электропреобразовательный полупроводниковый прибор, имеющий один p-n переход и два выхода.
Структура диода.

Графическое изображение .

Буквами p и n обозначаются слои полупроводника, с проводниками соответственно
P-positive
N-negative
Полупроводниковый диод образуется простым соединением кристалла типа N и с кристаллом типа Р. Обычно концентрация основных носителей заряда(дырок в слое Р и электронов в слое N) сильно отличаются.
Слой полупроводника, имеющий большую концентрацию называют электроном, а меньшую концентрацию – база.
На границе раздела P-N перехода существует потенциальный барьер, обусловленный физическими процессами.
В зависимости от соотношения линейных размеров выпрямляющего P-N перехода и характеристической длины в пути неосновных носителей заряда в базе.
Различают плоскостные и точечные диоды. Выпрямляющими свойствами может обладать контакт между металлом и полупроводником, который назван переходом Шотки. Характерной особенностью выпрямляющего перехода Шотки(в отличии от P-N перехода) является разная высота потенциальных барьеров для электронов и дырок.
Выпрямительный диод.
Полупроводниковый диод предназначенный для преобразования переменного(2-х полярного) тока в ток одной полярности, называют выпрямительным диодом.
Высокочастотные и импульсные диоды.
Полупроводниковый диод, имеющий малую длительность переходных процессов включения и выключения при прохождении импульсного сигнала называют импульсным диодом.
Под высокочастотными диодами обычно понимают различные типы точечных диодов.
Диоды служат для выпрямления переменного тока в импульсных устройствах.
В качестве переключателя, распределителей сигналов и т.д. Диоды пропуская ток в одном направлении преобразуют переменный ток в постоянный.
1) Вольтамперная характеристика
2) Максимально допускаемое обратное напряжение
3) максимально допустимый прямой ток
Основные типы диодов. Условно графические обозначения:
выпрямительные, переключающие и импульсные диоды
стабилитроны – полупроводниковый диод, напряжение на котором(в области электрического пробоя при обратном смещении) слабо зависит от тока в заданном диапазоне, называется стабилитроном.
Стабистор – полупроводниковый диод, напряжение на котором( в области электрического пробоя при прямом смещении) слабо зависит от тока в заданном диапазоне, называется стабистором.
Диод Шотки.

варикап – полупроводниковый диод, действие которого основано на использовании зависимости емкости от обратного напряжения, называется варикапом.

Классификация системы обозначений. Диоды до 1982 года ГОСТ 5461-59(старого образца)
Обозначение состоит из 2-3 элементов:
1: Д-диод
2: номер
От 1 до 100 – точечный германиевый
От 101 до 200 – точечный кремниевый
От 301 до 400 – точечный германиевый
От 401 до 500 – сверхвысокочастотные диоды
3: буква обозначающая различие диодов одной серии по электрическим параметрам.
В основу обозначения полупроводниковых диодов(отраслей) ГОСТ ОСТ 1336.919-81 положен буквенно-цифровой код.
1-й элемент(цифра или буква) – обозначаем исходный полупроводниковый материал:
Г(1) – германий и его соединения
К(2) – кремний и его соединения
А(3) –галлий и его соединения
Н(4) – индий и его соединения
2-й элемент(буква) – обозначает подкласс прибора
Д-диод
А-СВЧ диоды
Ц - Выпрямительные столбы и блоки
В - варикап
И-тоннельные диоды
С-стабилитроны
Г-генераторы
Л-излучающие оптоэлектронные диоды
О-оптопары
3-й элемент(цифра) – основные функции возможности прибора, наиболее характерны эксплуатационные приборы.
4-й элемент
От 0,1 до 99
От 101 до 999
5-й элемент(буква) – условно определяющая классификацию приборов, изготовленных по единой технологии.
Пример обозначения:
2Ф204В
2-кремниевый
Ф - выпрямительный
2- хар-р эксплуатационные
04- порядковый номер разработки
В-разбраковка по параметрам
Транзисторы – полупроводниковые приборы, предназначенные для усиления, преобразования эл. Сигналов.
|
Марка |
Расшифровка |
1 пр. ток А |
I обр. ток А |
U обр. ток В |
|
АЛ-102А |
Галийный излучающий опто – электронный диод |
10 мА. |
- |
2 В. |
|
КД202А |
Кремниевый диод характерные эксплуатац. Признаки |
5 А |
0,8 мА |
50 В |
|
Д814Д |
Диод параметрический кремневый (стабилитрон) |
24 мА. |
- |
13 – 14 В. |
|
КС156А |
Кремневый стабилитрон |
10 мА. |
- |
5,6 В. |
|
Д814Д |
Стабилитрон кремниевый сплавной |
24 мА |
0,1 мкА |
13-14 В |
|
Д223Б |
Диод кремниевый сплавной |
300 мА |
1 мкА |
150 В |
3.4 Основные параметры биполярных транзисторов


|
Наименование параметра |
Обозначение |
|
|
Отеч. |
Заруб. |
|
|
Напряжение между выводами транзисторов: База-Коллектор База-Эмитор Коллектор-Эмитор |
U>бк> U>кэ> |
U>bc> U>ce> |
|
Постоянное напряжение Коллектор-Эмитор из заданного сопротивления в цепи База-Эмитор |
U>кэ>>r> |
U>cer> |
|
Постоянное напряжение Коллектор-Эмитор при разомкнутой цепи Базы |
U>кэо> |
U>ceo> |
|
Максимально допустимое постоянное напряжение Коллектор-Эмитор |
U>кэ мах> |
U>ce max > |
|
Постоянный ток вывода в транзисторы: Базы |
I>б> |
I>b> |
|
Эмиторы |
I>э> |
I>e> |
|
Коллекторы |
I>к> |
I>c> |
|
Максимально допустимый ток коллектора |
I>к мах> |
I>c max> |
|
Обратный ток коллектора |
I>коб> |
I>cr> |
|
Обратный ток эмитора |
I>эоб> |
I>er> |
|
Коэффициент усиления потоку |
h э |
hfe |
Полевые транзисторы.
Полевой транзистор – это полупроводниковый прибор, управляемый электрическим полем, усилительные свойства которого условленны потоком основных носителей, протекающих через проводящие каналы.
Основой полевого транзистора является канал с электропроводимостью N или P типа, созданный в полупроводнике и снабженный двумя выводами. Сопротивлением канала управляет электрод(затвор), соединенный с его средней частью P-N перехода. Электрод, через который проводящий канал втекают носители заряда, через который из канала вытекают носители заряда, называются стоком.

I>ис >= I>c>
Ток полевого транзистора обусловлен носителями заряда только одной полярности:
P- позитив дырки
N- негатив электрона
При подаче запирающего напряжения в затворе сток, объем проводящего канала уменьшается за счет вытеснения основных носителей полем P-N перехода. Чем выше запирающее напряжение, тем меньше ток, протекающий от истока к стоку.
Т.к. входной электрод(P-N переход) постоянно заперт, входное сопротивление транзистора очень высоко.
Существует 2 типа полевых транзисторов, которые различаются принципами управления носителей зарядов.
Эти транзисторы:
– с изолированным затвором(МДП,МОП)
– с управляющим P-N переходом.
МДП и МОП транзисторы называются транзисторами с изолированным затвором, в принципе действия лежит эффект поля, представляющий собой изменения величины и знака электропроводности на границе полупроводника с диэлектриком под действием приложенного напряжения .
Транзисторы с изолированным затвором имеют затвор электрич. изолированный от проводящего канала и подразделяются на транзисторы со встроенным и индуцированным каналами. В зависимости от полярности напряжения приложенного к затвору электропроводность канала полевого транзистора может уменьшаться(при подаче запирающего напряжения) канал работает в режиме обеднения основными носителями или увеличения(канал работает в режиме обогащения).
Входное сопротивление МДП,МОП транзисторов значительно больше чем полевых транзисторов с P-N переходом и составляет МОм и ГОм.
Графическое обозначение транзистора.
Биполярные




Однопереходные транзисторы


– полевой транзистор с изолированным затвором обедненного типа с P-каналом и с внутренним соединением подложки и истока.
Классификация системы обозначений транзисторов.
Согласно стандарту ОСТ 11.336.919-81 положено буквенно-числовое обозначение транзисторов:
буква или цифра
1 Г – германий и его соединения
2 К – кремний и его соединения
А – галлий и его соединения
И – для соединений И
2. Для обозначения подклассов транзистора:
Т –для биполярных
П –для полевых
3. Цифра
1-маломощные транзисторы
2-маломощные средней частоты
3-маломощныевысокочастотные
4-средней мощности низкочастотные
5-средней мощности среднечастотные
6-средней мощности высокочастотные
7-большой мощности
8-большой мощности средней частоты
9-большой мощности высокочастотные
4. Цифра от 0,1 до 999 номер порядковой разработки
5. Буквы русского алфавита от А до Я, кроме З,О,Ч
6. Классификация по электрическим параметрам транзистора
7. Цифра – обозначает конструктивные особенности транзистора
Примеры:
ГТ101А – германиевый биполярный маломощный низкочастотный, № разработки 01,гр. А
2Т339А-2 – кремниевый биполярный маломощный высокочастотный, №39, гр. А
Стары обозначения до 61 года.
Состоит из 2-х или 3-х элементов.
1-й элемент(буква) П- характеризует класс биполярных транзисторов МП – корпус металлический, способом холодной сварки
2-й элемент (цифра) от 1 до 99
1-99 германиевые маломощные низкочастотные
101-199 кремниевые маломощные низкочастотные
201-299 германиевые мощные низкочастотные
301-399 кремниевые мощные низкочастотные
401-499 германиевые маломощные ВЧ,СВЧ
501-599 кремниевые мощные ВЧ,СВЧ
601-699 германиевые мощные ВЧ,СВЧ
701-799 кремниевые мощные ВЧ,СВЧ
3-й элемент. Классификация по параметрам(буква)
|
Тип транзистора |
Расшифровка |
Uкэ max. |
Iк max |
B |
Ƒ гр |
P max |
|
КТ3102А |
Кремневый, биполярный, маломощные ВЧ и СВЧ, парам. |
30В |
300 мА |
350 |
300мГц |
500 мВт |
|
КТ315Б |
Кремневый, биполярный, маломощные ВЧ и СВЧ, парам. |
20 В |
100 мА |
50-350 |
270 мГц |
150 мВт |
|
КТ812Б |
Кремневый, биполярный, большой мощности СЧ, парам. |
300 В |
8 А |
80 |
6-12 мГц |
50 мВт |
|
П609 |
биполярный, германиевый ВЧ и СВЧ. |
25 В |
300 мА |
60 |
120 мГц |
1 Вт |
|
КТ203Б |
Кремневый, биполярный, маломощный транзистор, СЧ, парам. |
30 В |
10 мА |
30-90 |
10 мГц |
150 мВт |
|
П416 |
биполярный, германиевый ВЧ и СВЧ. Парметр. |
15 В |
25 мА |
90-200 |
80 мГц |
100 мВт |
|
КТ209 |
Кремневый, биполярный, маломощный СЧ. |
45 В |
300 мА |
80 |
10 мГц |
200 мВт |
3.5 Интегральная схема
Интегральная микросхема – это микроэлектронное устройство, выполняющее определенную функцию преобразования и обработки сигналов соединительных элементов, имеющих высокую плотность, которая с точки зрения требования к испытанию, приемки, постановки и эксплуатаций рассматривается как единое целое. Элемент интегральной микросхемы - это часть интегральной схемы, реализующая функций какого-либо электра-радиоэлемента; эта часть выполняется нераздельно от других частей и не может быть выделена как самостоятельный компонент. Компонент интегральной микросхемы, в отличие, от элемента может быть выделен как самостоятельное изделие.
3.5.1 ИС подразделяются на:
пленочные. Те, в которых все межэлементные соединения и сами элементы выполнены в виде токопроводящих пленок, изолированными диэлектрическими материалами.
полупроводниковые. Те, в которых все элементы и соединения выполнены на поверхности и в объеме полупроводникового кристалла.
гибридные. Те, в которых на подложке содержатся как простые дискретные элементы (резисторы, конденсаторы, диоды, и транзисторы), так и кристаллы полупроводниковых микросхем.
3.5.2 В зависимости от требований исполнения они могут быть:
заказные. На основе стандартных или специальных элементов по функциональной схеме заказчика.
полузаказные. На основе базовых матричных кристаллов, имеющих определенный набор сформированных элементов.
общего применения (определенного функционального назначения).
3.5.3 Обозначение интегральных микросхем:
Условное обозначение интегральных микросхем включает в себя основные классификационные признаки. Оно состоит из четырех элементов:
Первый элемент – эта цифра соответствующая конструктивно технологической группе
1, 5, 6, 7 –обозначают полупроводниковые интегральные микросхемы
2, 4, 8 – гибридные микросхемы
3 – пленочные, вакуумные, керамические интегральные микросхемы
Второй элемент – обозначает подгруппу и вид микросхемы, состоит из двух букв (см. в справочнике).
Третий элемент определяет порядковый номер разработки серий и состоит из двух (от 00 до 99) или трех (от 000 до 999) цифр.
Четвертый элемент – обозначает порядковый номер микросхемы данной серий и состоит из одной или нескольких цифр.
3.5.4 К этим основным элементам обозначения микросхем могут, добавятся и другие классификационные признаки:
Дополнительная буква в начале четырех элементов обозначения обозначает особенность конструктивного исполнения:
Р – пластмассовый корпус типа ДИП.
А – пластмассовый планарный корпус
Е – метало полимерный корпус типа ДИП.
С – стеклокерамический корпус типа дип.
И – стеклокерамический планарный корпус
К – керамический безвыводной корпус
3.5.5 В начале обозначения для микросхем используемых в условиях широкого применения приставляется буква «К»
В серии безкорпусных полупроводниковых микросхем начинаются с цифры «7», а безкорпусные аналоги корпусных микросхем обозначаются буквой «Б» перед указателем серии.
Через дефис после обозначения указывается цифра, характеризующая модификацию конструктивного исполнения:
1 – с гибкими выводами
2 – с ленточными (пучковатыми) выводами, в том числе на полиамидных носителях
3 – с жесткими выводами
4 – на обшей пластине (не разделенный)
5 – разделенные без потери ориентировки, наклеенные на пленку
6 – с контактными площадками без выводов
Пример:
К Р 1 34 ЛА 2
1 2 3 4 5 6
1 – характер применения (широкий).
2 – тип корпуса (пластмассовый).
3 – группа по конструктивно технологическому исполнению (полупроводниковый).
4 – порядковый номер серии.
5 – функциональное назначение.
6 – номер разработки в серии.
|
Марка |
Расшифровка |
|
К155КП1 |
Микросхема широкого применения, полупроводниковая, , серия 55, Прочие, № разработки 1 |
|
К155ЛД1 |
Микросхема широкого применения, полупроводниковая, , серия 55, элемент или-не/или, № разработки 1 |
|
К155РП1 |
Микросхема широкого применения, полупроводниковая, серия 55, ассоциативное запоминающее устройство, прочие, № разработки 1. |
|
КР581 |
Полупроводниковая интегральная пластмассовая микросхема широкого применения, № серии 81. |
|
К589ИК01 |
Микросхема широкого применения, полупроводниковая, серия 89, ИК-комбинированная, № разработки 01. |
|
КА537РУ10Б |
Микросхема широкого применения, пластмассово-планарный корпус с односторонними выводами, полупроводниковая, серия 37, оперативное запоминающие устройство № разработки10Б. |
Раздел IV. Материнские платы
4.1 Материнская плата- это центральная комплексная печатная плата представляющая электронно-логическую связь между всеми устройствами входящих в состав ПК.
4.1.1 Основные характеристики материнской платы:
1) Поддерживаемые процессоры.
Каждый процессор характеризуется определенным набором параметров.
Важнейшим является:
тактовая частота – внутренняя внешняя,
напряжение питания одно или несколько,
Разъемы подключения (SLOT, SOCKET).
Чипсет. В настоящее время на материнских платах используются самые разные чипсеты, которые влияют на производительность материнской платы и ее функциональные возможности.
Системные шины и частотные параметры, с помощью существующих перемычек на плате или средствами BIOS можно установить тактовые частоты процессора и его шины (FSB), внутреннюю для процессора и кэш-память L1 L2.
Объем и тип внешней кэш-памяти.
L1 (кеш. память 1 уровня=32 или 64 кб)
L2 (внешняя кеш. память от 133 мб. И выше)
L3 (внешняя память 256-512 мб.)
Объем тип и количество разъемов оперативной памяти.
Вся память делится на SIMM и DIMM.
DIMM делится на DDR1, DDR2, DDR3.
Количество разъемов от 1 до 4.
Объем от 512 мб. до 4 гб.
Количество, типы разъемов для плат контроллера: USB (– универсальная последовательная шина.), AGP (шина для видеокарт. Пропускная способность 1066 Мбит/c.), PCI (локальная шина, имеющая повышенную частоту служит для подключения внешних устройств. Пропускная способность 264 Мбит/c.) и т. д.
Конструктивная особенность платы, размеры, способ крепления, расположение элементов, слотов, внешних устройств.

4.2 Форм- факторы
Форм- факторы мат. платы- стандарт, определяющая место применения, расположение на ней портов ввода вывода.
4.2.1 Классификация материнских плат:
Вертикальные
АТ:
FULL
BABY
ATX:
MINI
MICKRO
Горизонтальные
-LPX
-NLX – Low profile
Разработаны следующие модификаций материнской платы АТХ:
Mini-ATX
Micro-ATX
Flex-ATX
Эти модификаций отличаются друг от друга размерами количеством слотов расположением элементов и т.д.
4.2.2 Накопители.
На платах расположены разъемы для подключения накопителей:
Жесткий диск (винчестер)
CD - диск.
4.2.3. BIOS
Базовая система ввода-вывода (Basic Input-Output System, BIOS) является важной частью процедур любого ПК, которая хранится в отдельном чипе материнской платы. По своей сути BIOS является посредником между компьютерным «железом» и операционной системой. Без BIOS операционная система не смогла бы связываться с «железом» и управлять им.
4.2.4. На плате так же имеются разъемы для подключения вентиляторов от 2-3 до 6-8. Через некоторые разъемы можно управлять скоростью вращения вентилятора. В итоге мат. плата объединяет все устройства входящие в состав компьютера, напрямую к ней подключены: процессор, оперативная память, видео карта, накопители, карты расширения.

1 – Южный мост
2 – Набор чипсетов
3 – Socket
4 – Северный мост
5 – Диоды
6 – Набор конденсаторов
7 – Разъёмы IDE
8 – Разъёмы PCI
9 – Разъём для батарейки BIOS
10 – BIOS
11 – Джампер
12 – Разъём для блока питания
13 – Floppy
14 – Разъёмы для ОЗУ DIMM
15 – Разъём AGP
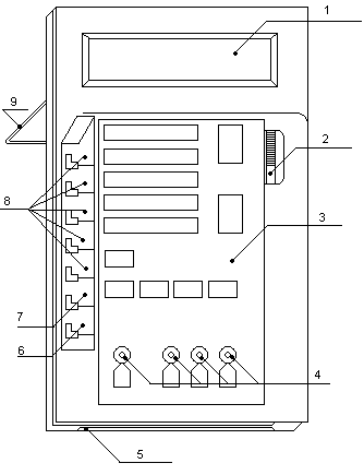
16 – Разъёмы для подключения мыши
