Исследование однополупериодного выпрямителя
Министерство образования и науки РФ
Федеральное агентство по образованию РФ
ГОУ СПО ИжГТУ
Лабораторная работа №1 по источникам питания на тему:
« Исследование однополупериодного выпрямителя»
Выполнил: студент гр. 361с
Кныжов Д. С.
Проверил: преподаватель
Сяктерев В. Н.
2009
Цель: изучение принципа работы однополупериодного выпрямителя.
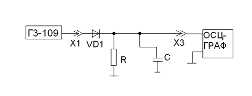
1. Однополупериодный выпрямитель с активной нагрузкой

Устанавливаем по осциллографу с выхода генератора Г3-109 синусоидальный сигнал амплитудным значением 6В, частотой 500Гц. Подаем этот сигнал на макет. Для этого с помощью кабеля соединяем выход генератора с Х1 макета. Выход Х3 подключаем к осциллографу. Зарисовываем осциллограмму.

2. Однополупериодный выпрямитель с емкостной нагрузкой.

Не изменяя выходных параметров сигнала с генератора, подать их на вход схемы. Зарисовать осциллограммы выходного сигнала и определить U1, U2 для частоты 500Гц.

U1=5B, U2=3,5B.
Не изменяя амплитуду сигнала генератора, повторяем эксперимент для частоты 1000Гц

U1=5B, U2=2,4B. и для частоты 100Гц.
U1=5,1B, U2=0,8B.