Исследование параметрического стабилизатора напряжений
Министерство образования и науки РФ
Федеральное агентство по образованию РФ
ГОУ СПО ИжГТУ
Лабораторная работа №1 по источникам питания на тему:
" Исследование параметрического стабилизатора напряжений"
Выполнил: Проверил: Кныжов Д.С.
студент группы 461с Сяктерев В.Н.
2010
Цель: исследование свойств параметрического стабилизатора напряжений.
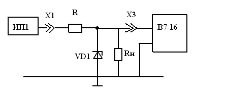
С помощью макета реализуем следующую схему:

1. Определяем АПХ. Для этого измеряем напряжение ИП1 от 2В до 18В с шагом через 1В.
Измеряем напряжение на выходе стабилизатора с помощью вольтметра В7-16.
Данные сводим в таблицу и строим график АПХ:
|
Uвх, В |
Uвых, В |
|
2 |
2 |
|
3 |
2,99 |
|
4 |
4 |
|
5 |
5 |
|
6 |
5,94 |
|
7 |
6,6 |
|
8 |
6,86 |
|
9 |
6,96 |
|
10 |
7,01 |
|
11 |
7,04 |
|
12 |
7,06 |
|
13 |
7,08 |
|
14 |
7,08 |
|
15 |
7,09 |
|
16 |
7,1 |
|
17 |
7,11 |
|
18 |
7,11 |
Uвых=f (UИП1)
R=1,5 кОм, Rн=5,1 кОм.

По графику определяем данные для расчёта коэффициента стабилизации
∆Uвх=8В; Uвых=7,08В; Uвх=14В; ∆Uвых=7,11-7,01=0,1В
Кст= (∆Uвх*Uвых) / (Uвх*∆Uвых) = (8∙7,08) / (14∙0,1) =40
2. Определение внутреннего сопротивления стабилизатора
Для этого воспользуемся следующей эквивалентной схемой.

Uн= (Exx*Rн) / (Rвн+Rн) => Rвн= (Exx*Rн) /Uн-Rн
Uвх=14В, Exx=7,08В, Rн=5,1 кОм.
Подключаем нагрузку Uн=7,05В.
Rвн= (7,08*5,1*103) /7,05-5,1*103=21,7Ом.
Вывод: номинальное напряжение стабилизации = 7 В, что примерно равно полученному в ходе работы.