Разработка локальной вычислительной сети (ЛВС) коммерческой организации
1
Автономная некоммерческая организация
Высшего профессионального образования Центросоюза Российской Федерации
«РОССИЙСКИЙ УНИВЕРСИТЕТ КООПЕРАЦИИ»
«Волгоградский кооперативный институт» (филиал)
Курсовая работа
по дисциплине «Вычислительные системы, сети и телекоммуникации»
На тему: «Разработка локальной вычислительной сети (ЛВС) коммерческой организации»
Выполнил: студент группы
2ПИЭ-51д
Душутин Вадим
Проверил: Игнатьев А. В.
Волгоград 2007
Условие задачи
Разработка локальной вычислительной сети коммерческой организации.
Руководство коммерческой организации решило произвести компьютеризацию на рабочих местах персонала. В результате этого каждый сотрудник организации должен получить в пользование персональный компьютер, подключенный к локальной вычислительной сети фирмы и имеющий выход в сеть Интернет. В сети должен быть установлен сетевой принтер.
Для решения данной проблемы необходимо выбрать требуемое компьютерное оборудование и спроектировать локальную вычислительную сеть. В организации работает 29 человек, все кабинеты расположены на одном этаже, длина которого составляет 200 м. Размещение людей по кабинетам смотри на схеме.

Введение
Причиной создания локальной сети на данной коммерческой организации является:
- Совместная обработка информации;
- Совместное использование файлов;
- Контроль за доступам к важным документам;
Актуальность выполнения данной работы заключается в том, что обеспечение фирмы компьютерами и наличием локальной вычислительной сети с возможность подключения к сети Интернет позволит сотрудникам:
- Производить быструю обработку бумажной информации, её хранение;
- Вести электронную базу своих клиентов;
- Иметь доступ к последним новейшим статьям, законам и т.д. находящимся в сети Интернет;
- Повысить престиж фирмы;
1. Что такое компьютерная сеть?
Компьютерная сеть - это совокупность ПК и других устройств (концентраторов, принтеров, модемов и т. д.), объединяемых вместе с помощью сетевых кабелей. Устройства сети могут взаимодействовать друг с другом с целью совместного использования информации и ресурсов.
Сеть, которая организует взаимодействие в ограниченной области называется локальной вычислительной сетью (ЛВС). Достаточно часто ЛВС размещается в одном месте( например, в офисе). Глобальная вычислительная сеть (ГВС) - это группа устройств или ЛВС, которые располагаются в разных удаленных друг от друга местах и связываются между собой телефонными каналами, высокоскоростными выделенными линиями, оптоволоконными и спутниковыми каналами. Самый известный пример ГВС - Internet.
При создании сетей наиболее часто используются технологии Ethernet и Fast Ethernet. Причем несколько технологий могут использоваться в одной сети. Ethernet-сети и Fast Ethernet-сети функционируют аналогично; главное отличие заключается в скорости передачи данных. Ethernet-сети работают со скоростью 10 Мбит в секунду (Мбит/с), а Fast Ethernet - со скоростью 100 Мбит/с.
2. Классификация сетей
2.1 По размеру, охваченной территории
Локальная вычислительная сеть, ЛВС (англ. Local Area Network, LAN) — компьютерная сеть, покрывающая относительно небольшую территорию, такую как дом, офис, или небольшую группу зданий, например, институт.
Например, wi-fi или Ethernet.
Городская вычислительная сеть (англ. MAN - Metropolitan Area Network) охватывает несколько зданий в пределах одного города либо город целиком. Как правило поддерживает передачу как данных, так и голоса. Иногда объединяется с кабельной телевизионной сетью. Не имеет коммутаторов, базируется на одном — двух кабелях. Основная причина выделения этой категории сетей — для них был создан специальный стандарт IEEE 802.6 — DQDB — двойная магистраль с распределённой очередью (Distributed Queue Dual Bus).
Персональная сеть (англ. Personal Network) — это сеть, построенная «вокруг» человека. Данные сети призваны объединять все персональные электронные устройства пользователя (телефоны, карманные персональные компьютеры, смартфоны, ноутбуки, гарнитуры и.т.п.). К стандартам таких сетей в настоящее время относят Bluetooth.
2.2 По типу функционального взаимодействия
Технология «клиент-сервер»
Клиент-сервер (англ. Сlient/Server) — сетевая архитектура, в которой устройства являются либо клиентами, либо серверами. Клиентом (front end) является запрашивающая машина (обычно ПК), сервером (back end) — машина, которая отвечает на запрос. Оба термина (клиент и сервер) могут применяться как к физическим устройствам, так и к программному обеспечению.
Сеть с выделенным сервером (англ. Сlient/Server network) — это локальная вычислительная сеть (LAN), в которой сетевые устройства централизованы и управляются одним или несколькими серверами. Индивидуальные рабочие станции или клиенты (такие, как ПК) должны обращаться к ресурсам сети через сервер(ы).
Сеть точка-точка
Сеть точка-точка — простейший вид компьютерной сети, при котором два компьютера соединяются между собой напрямую через коммуникационное оборудование. Достоинством такого вида соединения является простота и дешевизна, недостатком — соединить таким образом можно только 2 компьютера и не больше.
Часто используется когда необходимо быстро передать информацию с одного компьютера, например, ноутбука, на другой.
Одноранговые
Одноранговые, децентрализованные или пиринговые (от англ. peer-to-peer, P2P — равный с равным) сети — это компьютерные сети, основанные на равноправии участников. В таких сетях отсутствуют выделенные серверы, а каждый узел (Peer) является как клиентом, так и сервером. В отличие от архитектуры клиент-сервер, такая организация позволяет сохранять работоспособность сети при любом количестве и любом сочетании доступных узлов.
Впервые фраза «peer-to-peer» была использована в 1984 году в разработке архитектуры Advanced Peer to Peer Networking фирмы IBM.
Устройство одноранговой сети
Например, в сети есть 10 машин, при этом любая может связаться с любой. В качестве клиента (потребителя ресурсов) каждая из этих машин может посылать запросы на предоставление каких-либо ресурсов другим машинам в пределах этой сети и получать их. Как сервер, каждая машина должна обрабатывать запросы от других машин в сети, отсылать то, что было запрошено, а также выполнять некоторые вспомогательные и административные функции.
Любой член данной сети не гарантирует никому своего присутствия на постоянной основе. Он может появляться и исчезать в любой момент времени. Но при достижении определённого критического размера сети наступает такой момент, что в сети одновременно существует множество серверов с одинаковыми функциями.
Частично децентрализованные (гибридные) сети
Помимо чистых P2P-сетей, существуют так называемые гибридные сети, в которых существуют сервера, используемые для координации работы, поиска или предоставления информации о существующих машинах сети и их статусе (on-line, off-line и т.д.). Гибридные сети сочетают скорость централизованных сетей и надёжность децентрализованных благодаря гибридным схемам с независимыми индексационными серверами, синхронизирующими информацию между собой. При выходе из строя одного или нескольких серверов, сеть продолжает функционировать. К частично децентрализованным файлообменным сетям относятся например EDonkey, BitTorrent.
2.3 По типу сетевой топологии
“Шина”
Топология типа Шина, представляет собой общий кабель (называемый шина или магистраль), к которому подсоединены все рабочие станции. На концах кабеля находятся терминаторы, для предотвращения отражения сигнала.

Работа в сети
Отправляемое рабочей станцией сообщение распространяется на все компьютеры сети. Каждая машина проверяет — кому адресовано сообщение и если ей, то обрабатывает его. Для того, чтобы исключить одновременную посылку данных, применяется либо «несущий» сигнал, либо один из компьютеров является главным и «даёт слово» остальным станциям.
При построении больших сетей возникает проблема ограничения на длину связи между узлами, в таком случае сеть разбивают на сегменты. Сегменты соединяются различными устройствами — повторителями, концентраторами или хабами. Например, технология Ethernet позволяет использовать кабель длиной не более 185 метров.

Сравнение с другими топологиями
Достоинства:
Небольшое время установки сети;
Дешевизна (требуется меньше кабеля и сетевых устройств);
Простота настройки;
Выход из строя рабочей станции не отражается на работе сети;
Недостатки:
Любые неполадки в сети, как обрыв кабеля, выход из строя терминатора полностью уничтожают работу всей сети;
Сложная локализация неисправностей;
С добавлением новых рабочих станций падает производительность сети.
Пример:
Сегмент компьютерной сети, использующей коаксиальный кабель в качестве носителя и подключенных к этому кабелю рабочих станций. В этом случае шиной будет являться отрезок коаксиального кабеля, к которому подключены компьютеры.
“Звезда“
Звезда — базовая топология компьютерной сети, в которой все компьютеры сети присоединены к центральному узлу (обычно сетевой концентратор).

Работа в сети
Рабочая станция, которой нужно послать данные, отсылает их на концентратор, а тот определяет адресата и отдаёт ему информацию. В определённый момент времени только одна машина в сети может пересылать данные, если на концентратор одновременно приходят два пакета, обе посылки оказываются не принятыми и отправителям нужно будет подождать случайный промежуток времени, чтобы возобновить передачу данных.
Сравнение с другими типами сетей.
Достоинства:
Выход из строя одной рабочей станции не отражается на работе всей сети в целом;
Хорошая масштабируемость сети;
Лёгкий поиск неисправностей и обрывов в сети;
Высокая производительность сети
Гибкие возможности администрирования
Недостатки:
Выход из строя центрального концентратора обернётся неработоспособностью сети в целом;
Для прокладки сети зачастую требуется больше кабеля, чем для большинства других топологий;
Конечное число рабочих станций, т.е. число рабочих станций ограничено количеством портов в центральном концентраторе;
Применение:
Одна из наиболее распространённых топологий, поскольку проста в обслуживании. В основном используется в сетях, где носителем выступает кабель витая пара.
“Кольцо”
Кольцо - базовая топология компьютерной сети, в которой рабочие станции подключены последовательно друг к другу, образуя замкнутую сеть.

Работа в сети
В кольце не используется конкурентный метод посылки данных, компьютер в сети получает данные от соседа и перенаправляет их дальше, если они адресованы не ему. Для определения того, кому можно передавать данные обычно используют маркер. Данные ходят по кругу, только в одном направлении.
Сравнение с другими топологиями
Достоинства:
Простота установки;
Практически полное отсутствие дополнительного оборудования;
Возможность устойчивой работы без существенного падения скорости передачи данных при интенсивной загрузке сети, поскольку использование маркера исключает возможность возникновения коллизий.
Недостатки:
Выход из строя одной рабочей станции, и другие неполадки (обрыв кабеля), отражаются на работоспособности всей сети;
Сложность конфигурирования и настройки;
Сложность поиска неисправностей;
Применение:
Наиболее широкое применение получила в оптоволоконных сетях. Используется в стандартах FDDI, Token ring.
“Решётка“
Решётка - топология, в которой узлы образуют регулярную ациклическую многомерную решетку. При этом каждое ребро решетки параллельно ее оси и соединяет два смежных узла вдоль этой оси. Двух- и трехмерные решетки используются в архитектуре суперкомпьютеров.
Смешанная топология.
Смешанная топология — топология преобладающая в крупных сетях с произвольными связями между компьютерами. В таких сетях можно выделить отдельные произвольно связанные фрагменты (подсети), имеющие типовою топологию, поэтому их называют сетями со смешанной топологией.

Полносвязная топология.
Полносвязная топология — топология компьютерной сети , в которой каждая рабочая станция подключена ко всем остальным. Этот вариант является громоздким и неэффективным, несмотря на свою логическую простоту. Для каждой пары должна быть выделена независимая линия, каждый компьютер должен иметь столько коммуникационных портов сколько компьютеров в сети. По этим причинам сеть может иметь только сравнительно небольшие конечные размеры. Чаще всего эта топология используется в многомашинных комплексах или глобальных сетях при малом количестве рабочих станций.

3. Методы доступа и протоколы передачи данных
В различных сетях существуют различные процедуры обмена данными в сети. Эти процедуры называются протоколами передачи данных, которые описывают методы доступа к сетевым каналам данных.
Наибольшее распространение получили конкретные реализации методов доступа: Ethernet, Arcnet и Token-Ring.
3.1 Метод доступа Ethernet
Это метод доступа, разработанный фирмой Xerox в 1975 году, пользуется наибольшей популярностью. Он обеспечивает высокую скорость передачи данных и надежность.
Для данного метода доступа используется топология "общая шина". Поэтому сообщение, отправляемое одной рабочей станцией, принимается одновременно всеми остальными, подключенными к общей шине. Но сообщение, предназначенное только для одной станции (оно включает в себя адрес станции назначения и адрес станции отправителя). Та станция, которой предназначено сообщение, принимает его, остальные игнорируют.
Метод доступа Ethernet является методом множественного доступа с прослушиванием несущей и разрешением коллизий (конфликтов) (CSMA/CD - Carier Sense Multiple Access with Collision Detection).
Перед началом передачи рабочая станция определяет, свободен канал или занят. Если канал свободен, станция начинает передачу.
Ethernet не исключает возможности одновременной передачи сообщений двумя или несколькими станциями. Аппаратура автоматически распознает такие конфликты, называемые коллизиями. После обнаружения конфликта станции задерживают передачу на некоторое время. Это время небольшое и для каждой станции свое. После задержки передача возобновляется.
Реально конфликты приводят к уменьшению быстродействия сети только в том случае, если работает порядка 80-100 станций.
3.2 Аппаратура Ethernet
Аппаратура Ethernet обычно состоит из кабеля, разъемов, Т-коннекторов, терминаторов и сетевых адаптеров. Кабель, очевидно, используется для передачи данных между рабочими станциями. Для подключения кабеля используются разъемы. Эти разъемы через Т-коннекторы подключаются к сетевым адаптерам - специальным платам, вставленным в слоты расширения материнской платы рабочей станции. Терминаторы подключаются к открытым концам сети.
Для Ethernet могут быть использованы кабели разных типов: тонкий коаксиальный кабель, толстый коаксиальный кабель и неэкранированная витая пара. Для каждого типа кабеля используются свои разъемы и свой способ подключения к сетевому адаптеру.
В зависимости от кабеля меняются такие характеристики сети, как максимальная длина кабеля и максимальное количество рабочих станций, подключаемых к кабелю.
Как правило, скорость передачи данных в сети Ethernet достигает 10 Мбит в секунду, Fast Ethernet – 100 Мбит в секунду, что достаточно для многих приложений.
Рассмотрим подробно состав аппаратных средств Ethernet для различных типов кабеля.
3.2.1 Толстый коаксиальный кабель
Толстый коаксиальный кабель, используемый Ethernet, имеет диаметр 0.4 дюйма и волновое сопротивление 50 Ом. Иногда этот кабель называют "желтым кабелем". Это самый дорогостоящий из рассматриваемых нами кабелей. Институт IEEE определил спецификацию на этот кабель - 10BASES.
Локальная сеть на основе толстого коаксиального кабеля.

Здесь приведена конфигурация сети, состоящей из двух сегментов, разделенным репитером. В каждом сегменте находятся 3 рабочие станции.
Каждая рабочая станция через сетевой адаптер (установлен на материнской плате компьютера и на рисунке не показан) специальным многожильным трансиверным кабелем подключается к устройству, называемому трансивером. Трансивер служит для подключения рабочей станции к толстому коаксиальному кабелю.
На корпусе трансивера имеется 3 разъема: два - для подключения толстого коаксиального кабеля, и один - для подключения трансиверного кабеля.
К сожалению, длина одного сегмента ограничена, и для толстого кабеля не может превышать 500 метров. Если общая длина сети больше 500 метров, ее необходимо разбить на сегменты, соединенные друг с другом через специальное устройство - репитер.
На рисунке изображены два сегмента, соединенные репитером. При этом общая длина сети может достигать одного километра.
Между собой трансиверы соединяются отрезками толстого коаксиального кабеля с припаянными к их концам коаксиальнымиОборудование для подключения рабочей станции к толстому коаксиальному кабелю Ethernet разъемами.
В таблице перечислены устройства, необходимые для подключения рабочей станции к толстому коаксиальному кабелю.
|
Сетевой адаптер |
Вставляется в материнскую плату компьютера |
|
Трансиверный кабель |
Многожильный экранированный кабель, соединяет сетевой адаптер с трансивером |
|
Трансивер |
Соединяется трансиверным кабелем с сетевым адаптером, имеет два коаксиальных разъема для подключения к толстому кабелю |
На концах сегмента подключены специальные заглушки - терминаторы. Это просто коаксиальные разъемы, в корпусе которых установлен резистор с сопротивлением 50 Ом.
Корпус одного из терминаторов должен быть заземлен. В каждом сегменте сети можно соединять только один терминатор.
|
Максимальная длина сегмента |
500 м |
|
Максимальное количество сегментов в сети |
5 |
|
Максимальная длина сети |
2.5 км |
|
Максимальное количество станций, подключенных к одному сегменту (если в сети есть репитеры, то они тоже считаются как рабочие станции) |
100 |
|
Минимальное расстояние между точками подключения рабочих станций |
2.5 м |
Существуют и другие ограничения кроме максимальной длины коаксиального кабеля.
Ограничения для Ethernet на толстом кабеле.
Кроме ограничения на длину сегмента существуют ограничения на максимальное количество сегментов в сети (и, как следствие, на максимальную длину сети), на максимальное количество рабочих станций, подключенных к сети и на максимальную длину трансиверного кабеля.
Однако в большинстве случаев эти ограничения не существенны. Более того, возможности толстого кабеля избыточны.
Итак, перечислим оборудование, необходимое для сети Ethernet на толстом кабеле:
- N-коннектор
- N-терминатор
- N-Barrel-коннектор
- N-терминатор с заземлением
- DIX-коннектор
- Трансивер
3.2.2 Тонкий коаксиальный кабель
Тонкий коаксиальный кабель, используемый для Ethernet, имеет диаметр 0.2 дюйма и волновое сопротивление 50 Ом. Импортный кабель называется RG-58A/U и соответствует спецификации 10BASE2. Можно также использовать кабель РК-50, выпускаемый нашей промышленностью.
Сеть Ethernet на тонком кабеле существенно проще, чем на толстом.
Как правило, все сетевые адаптеры имеют два разъема. Один из них предназначен для подключения многожильного трансиверного кабеля, второй - для подключения небольшого тройника, называемого Т-коннектором. Т-коннектор с одной стороны подключается к сетевому адаптеру, а с двух других сторон к нему подключаются отрезки тонкого коаксиального кабеля с соответствующими разъемами на концах. При этом получается, что коаксиальный кабель подключается как бы непосредственно к сетевому адаптеру, поэтому не нужны трансивер и трансиверный кабель.

На концах сегмента должны находиться терминаторы, которые подключаются к свободным концам Т-коннекторов. Один (и только один!) терминатор в сегменте должен быть заземлен.
Сети на тонком кабеле имеют худшие параметры по сравнению с сетями на базе толстого кабеля. Но стоимость сетевого оборудования, необходимого для создания сети на тонком кабеле, существенно меньше.
Следует отметить, что некоторые фирмы выпускают адаптеры Ethernet, способные работать при длине сегмента до 300 метров (например, адаптеры фирмы 3COM). Однако такие адаптеры стоят дороже и вся сеть в этом случае должна быть сделана с использованием адаптеров только одного типа.
Ограничения для Ethernet на тонком кабеле.
|
Максимальная длина сегмента |
185 м |
|
Максимальное количество сегментов в сети |
5 |
|
Максимальная длина сети |
925 м |
|
Максимальное количество станций, подключенных к одному сегменту (если в сети есть репитеры, то они тоже считаются как рабочие станции) |
30 |
|
Минимальное расстояние между точками Подключения рабочих станций |
0.5 м |
Как правило, большинство сетей Ethernet создано именно на базе тонкого кабеля.
Итак, перечислим оборудование, необходимое для сети Ethernet на тонком кабеле:
- BNC-коннектор
- BNC-терминатор
- BNC-Barrel-коннектор
- BNC-терминатор с заземлением
- T-коннектор
3.2.3 Неэкранированная витая пара
Некоторые (но не все) сетевые адаптеры Ethernet способны работать с кабелем, представляющем собой простую неэкранированную витую пару проводов (спецификация 10BASE-T). В качестве такого кабеля можно использовать обычный телефонный провод и уже имеющуюся в вашей организации телефонную сеть.
Сетевые адаптеры, способные работать с витой парой, имеют разъем, аналогичный применяемому в импортных телефонных аппаратах.
Для сети Ethernet на базе витой пары необходимо специальное устройство - концентратор. К одному концентратору через все те же телефонные розетки можно подключить до 12 рабочих станций. Максимальное расстояние от концентратора до рабочей станции составляет 100 метров, при этом скорость передачи данных такая же, как и для коаксиального кабеля, - 10 Мбит в секунду.
Достоинства сети на базе витой пары очевидны - низкая стоимость оборудования и возможность использования имеющейся телефонной сети. Однако есть серьезные ограничения на количество станций в сети и на ее длину.
Для сети Ethernet, работающей на скорости 10 Мбит/с, стандарт определяет четыре основных типа среды передачи информации:
-10BASE5 (толстый коаксиальный кабель);
-10 BASE2 (тонкий коаксиальный кабель);
-10BASE-T (витая пара);
-10BASE-FL (оптоволоконный кабель).
Обозначение среды передачи включает в себя три элемента: цифра «10» означает скорость передачи 10 Мбит/с, слово BASE означает передачу в основной полосе частот (то есть без модуляции высокочастотного сигнала)^ последний элемент означает допустимую длину сегмента: «5» - 500 метров, «2» - 200 метров (точнее, 185 метров) или тип линии связи: «Т» -витая пара (от английского «twisted-pair»), «F» - оптоволоконный кабель (отанглийского «fiber-optic»).
Точно так же для сети Ethernet, работающей на скорости 100 Мбит/с (Fast Ethernet) стандарт определяет три типа среды передачи:
-100BASE-T4 (счетверенная витая пара);
-100BASE-TX (сдвоенная витая пара);
-100BASE-FX (оптоволоконный кабель)
Здесь цифра «100» означает скорость передачи 100 Мбит/с, буква «Т» означает витую пару, буква «F» -оптоволоконный кабель. Типы 100BASETX и 100BASE-FX иногда объединяют под именем 100BASE-X, а 100BASE-T4 и 100BASE-TX - под именем 100BASE-T.
3.2.4 Беспроводные сети
На современном этапе развития сетевых технологий, технология беспроводных сетей Wi-Fi является наиболее удобной в условиях требующих мобильность, простоту установки и использования. Wi-fi (от англ. wireless fidelity - беспроводная связь) - стандарт широкополосной беспроводной связи семейства 802.11 разработанный в 1997г. Как правило, технология Wi-fi используется для организации беспроводных локальных компьютерных сетей, а также создания так называемых горячих точек высокоскоростного доступа в Интернет.
Стандарт RadioEthernet IEEE 802.11 - это стандарт организации беспроводных коммуникаций на ограниченной территории в режиме локальной сети, т.е. когда несколько абонентов имеют равноправный доступ к общему каналу передач. 802.11 - первый промышленный стандарт для беспроводных локальных сетей (Wireless Local Area Networks ), или WLAN. Стандарт был разработан Institute of Electrical and Electronics Engineers (IEEE), 802.11 может быть сравнен со стандартом 802.3 для обычных проводных Ethernet сетей.
В основу стандарта 802.11 положена сотовая архитектура. Сеть может состоять из одной или нескольких ячеек (сот). Каждая сота управляется базовой станцией, называемой точкой доступа (Access Point, AP). Точка доступа и находящиеся в пределах радиуса ее действия рабочие станции образуют базовую зону обслуживания (Basic Service Set, BSS). Точки доступа многосотовой сети взаимодействуют между собой через распределительную систему (Distribution System, DS), представляющую собой эквивалент магистрального сегмента кабельных ЛС.
В настоящее время существует множество стандартов семейства IEEE 802.11:
802.11 - первоначальный основополагающий стандарт. Поддерживает передачу данных по радиоканалу со скоростями 1 и 2 (опционально) Мбит/с.
802.11a - высокоскоростной стандарт WLAN. Поддерживает передачу данных со скоростями до 54 Мбит/с по радиоканалу в диапазоне около 5 ГГц.
802.11b - самый распространенный стандарт. Поддерживает передачу данных со скоростями до 11 Мбит/с по радиоканалу в диапазоне около 2,4 ГГц.
802.11c - Стандарт, регламентирующий работу беспроводных мостов. Данная спецификация используется производителями беспроводных устройств при разработке точек доступа.
802.11d - Стандарт определял требования к физическим параметрам каналов (мощность излучения и диапазоны частот) и устройств беспроводных сетей с целью обеспечения их соответствия законодательным нормам различных стран.
802.11e - Создание данного стандарта связано с использованием средств мультимедиа. Он определяет механизм назначения приоритетов разным видам трафика - таким, как аудио - и видеоприложения. Требование качества запроса, необходимое для всех радио интерфейсов IEEE WLAN.
802.11f - Данный стандарт, связанный с аутентификацией, определяет механизм взаимодействия точек связи между собой при перемещении клиента между сегментами сети. Другое название стандарта - Inter Access Point Protocol. Стандарт, описывающий порядок связи между равнозначными точками доступа.
802.11g - устанавливает дополнительную технику модуляции для частоты 2,4 ГГц. Предназначен, для обеспечения скоростей передачи данных до 54 Мбит/с по радиоканалу в диапазоне около 2,4 ГГц.
802.11h – Разработка данного стандарта связана с проблемами при использовании 802.11а в Европе, где в диапазоне 5 ГГц работают некоторые системы спутниковой связи. Для предотвращения взаимных помех стандарт 802.11h имеет механизм "квазиинтеллектуального" управления мощностью излучения и выбором несущей частоты передачи. 802.11i (WPA2) – Целью создания данной спецификации является повышение уровня безопасности беспроводных сетей. В ней реализован набор защитных функций при обмене информацией через беспроводные сети - в частности, технология AES (Advanced Encryption Standard) - алгоритм шифрования, поддерживающий ключи длиной 128, 192 и 256 бит. Предусматривается совместимость всех используемых в данное время устройств - в частности, Intel Centrino - с 802.11i-сетями. Затрагивает протоколы 802.1X, TKIP и AES.
802.11j - Спецификация предназначена для Японии и расширяет стандарт 802.11а добавочным каналом 4,9 ГГц.
802.11n - Перспективный стандарт, находящийся на сегодняшний день в разработке, который позволит поднять пропускную способность сетей до 100 Мбит/сек.
802.11r - Данный стандарт предусматривает создание универсальной и совместимой системы роуминга для возможности перехода пользователя из зоны действия одной сети в зону действия другой.
Из всех существующих стандартов беспроводной передачи данных IEEE 802.11, на практике наиболее часто используются всего три, определенных Инженерным институтом электротехники и радиоэлектроники (IEEE), это: 802.11b, 802.11g и 802.11a.
Сравнение стандартов беспроводной передачи данных
|
Стандарт |
802.11b |
802.11g |
802.11a |
|
Количество используемых радиоканалов |
3 не перекрывающихся |
3 не перекрывающихся |
8 не перекрывающихся |
|
Частотный диапазон |
2.4 ГГц |
2.4 ГГц |
5 ГГц |
|
Макс. скорость передачи данных |
11 Мб/с |
54 Мб/с |
54 Мб/с |
|
Примерная дальность действия |
30 м при 11 Мб/с 100 м при 1 Мб/с |
15 м при 54 Мб/с 50 м при 11 Мб/с |
12 м при 54 Мб/с 100 м при 6 Мб/с |
3.2.5 Протокол сети
Протокол – это набор правил и технических процедур, регулирующих осуществления связи между компьютерами в сети.
Стек "протоколов – это комбинация протоколов, работающих на одном компьютере.
Зачем нужны протоколы? Непосредственно процесс передачи данных по сети разбивается на несколько шагов. При этом очередность выполнения данных шагов строго определена. Задачей протоколов является определение таких шагов и контроль за их выполнением. Например, если два протокола будут по-разному разбивать данные на пакеты и добавлять к ним служебную информацию, тогда компьютер, использующий один из этих протоколов, не сможет успешно связаться с компьютером, на котором работает другой 'протокол.
Различают несколько типов протоколов:
Прикладные – обеспечивают взаимодействие приложений на разных компьютерах между собой. К наиболее популярным относятся:
- SMTP (Simple Mail Transfer Protocol) – протокол Интернета для обмена электронной почтой;
- FTP (File Transfer Protocol) – протокол Интернета для передачи файлов;
- Telnet – протокол Интернета для обработки данных на удаленных компьютерах и т.д.
Транспортные – поддерживают сеансы связи между компьютерами, определяют маршрут следования пакетов и гарантируют надежный обмен данными. К ним относятся:
- ТСР - часть набора протокола ТСРЛР, служащий для гарантированной доставки сообщений, разбитых на пакеты;
- SPX - часть набора протокола IPX/SPX (InternetworkPacket Еxchange/SeqLlential Packet Exchange) фирмы Nоvеll для данных, разбитых на пакеты;
- NetBEUI (NetВIOS Extended User Iпtеrfасе – расширенный интерфейс пользователя) - устанавливает сеансы связи между компьютерами.
Сетевые – управляют функциями адресации, маршрутизации, проверки ошибок и Т.д., а также определяют правила для осуществления связи в конкретных сетевых средах (например, Ethernet или Token Ring). К ним относятся следующие протоколы:
- IP (Internet Protocol) - протокол для передачи пакетов в сети Интернет (обычно используется комбинация протоколов TCP/IP);
- IPX (Internetwork Packet Exchange) - протокол фирмы NetWare для передачи и маршрутизации пакетов;
- NetBEUI - используется как транспортный, так и сетевой протокол.
Для данной сети будет использоваться комбинация TCP/IP протоколов. Данные протоколы является наиболее известными и чаще употребляемые в ЛВС.
4. Таблица конфигурации сети
|
Компонент/характеристика |
Реализация |
|
Топология сети |
звезда |
|
Модель сети |
Клиент-сервер |
|
Стандарт сети |
Ethernet 100Base-T |
|
Линия связи (кабель) |
неэкранированная витая пара |
|
Сетевые адаптеры |
Switch 16 портов |
|
Концентраторы |
коннектор RJ-45 |
5. Анализ и выбор технических средств
Главным компонентом сети коммерческой организации является сервер. Для реализации высокопроизводительной сети, необходимо будет использовать высокопроизводительный сервер.
Технические характеристики сервера.
|
N |
Тип |
Наименование и характеристики |
Цена |
Кол-во |
Всего |
|
1 |
Процессор |
AMD ATHLON 64 3800+ S AM2 |
1883,52 |
1 |
1883,52 |
|
2 |
Системная плата |
ASUStek <M2N> (S AM2, HT 2000 MHz, nForce 430,LAN) |
2148,49 |
1 |
2148,49 |
|
3 |
ОЗУ |
DDR II DIMM 1Gb PC5300, 667Mhz, NCP |
1059,32 |
2 |
2118,64 |
|
4 |
Жесткий диск |
Samsung 320Gb <HD321KJ>, 7200rpm 16mb cache SATA-II |
2383,56 |
2 |
4766,20 |
|
5 |
Корпус |
INWIN C602 Black/Silver Middle ATX 430W (20+4pin, 12cm fan) USB+Audio+Heatpipe |
1899,27 |
1 |
1899,27 |
|
6 |
Видеоадаптер |
PCIE 16x Sapphire <ATI Radeon x700> 256DDR (128bit) TV-out DVI (11048-03-10) OEM |
1706,59 |
1 |
1706,59 |
|
7 |
Монитор |
17" LCD BenQ FP73G 8ms |
5477,12 |
1 |
5477,12 |
|
8 |
Клавиатура |
Sven 330, <PS/2>, Silver |
133,23 |
1 |
133,23 |
|
9 |
Мышь |
A4-Tech MOP-59, red Optical, Mini, USB+PS/2, Roll |
147,58 |
1 |
147,58 |
|
10 |
CD-ROM |
DVD+-R/RW+СDRW NEC <AD-7173A-0S> , silver (OEM) |
929,12 |
1 |
929,12 |
|
11 |
Сетевой адаптер |
10/100/1000Mbps PCI Adapter, 32 bit, WOL, Jumbo, Retail |
256,23 |
1 |
256,23 |
|
Итого |
21465,79 |
Выход в интернет будет осуществляться с этого же сервера по выделенному каналу связи. Этот выбор обусловлен тем, что по выделенному каналу связи скорость передачи данных достигает 100 Мбит в секунду.
Дополнительное оборудование.
|
N |
Тип |
Наименование и характеристики |
Цена |
Кол-во |
Всего |
|
1 |
Коммуникатор |
D-Link E-net Switch DES-1016D 16 ports |
1138,94 |
3 |
3416,82 |
|
2 |
Сетевой принтер |
HP LaserJet 4350N (Q2432A) (A4, LPT, USB2.0, 1200x1200dpi, 55ppm, Fast Ethernet)) |
46499,4 |
1 |
46499,40 |
|
3 |
Коммуникатор |
D-Link E-net Switch DES-1005D/E 5 port |
391,419 |
1 |
391,41 |
|
Итого |
50307,63 |
Для клиентов сети предусмотрены компьютеры, на которых предполагается выполнение различных операций, таких как набор текста, сканирование, работа с базой данных. Характеристики клиентских персональных компьютеров представлены в таблице.
Таблица – Технические характеристики клиентских ПК.
|
N |
Тип |
Наименование |
Цена |
Кол-во |
Всего |
|
1 |
Процессор |
CPU AMD Sempron 2800 + Socket AM 2 |
838,75 |
29 |
24323,75 |
|
2 |
Системная плата |
MB MSI <MS-7260-010> K9N Neo-F ( S AM2, nForce 550, ATX, PCI-E x16, 2DDRII ,SB,1GbitLAN, RAID, SATA, U2.0, U 133) |
1645,23 |
29 |
47711,67 |
|
3 |
Жесткий диск |
HDD Seagate 80Gb <ST380811AS>, 7200rpm, SATA-II, 8mb cache |
1236,06 |
29 |
35845,74 |
|
4 |
ОЗУ |
DDR II DIMM 512Mb PC6400, 800Mhz, Elixir |
589,74 |
29 |
17102,46 |
|
5 |
Видеоадаптер |
PCI-E 16x ASUS EAX300SE-X/TD <ATI Radeon X300SE> 128MB DDR (TV-Out, DVI) <RTL> |
1114,21 |
29 |
32312,09 |
|
6 |
Корпус |
Inwin ATX <J508> 350W, P4, USB,w/fan |
1689,24 |
29 |
48987,96 |
|
7 |
Монитор |
Monitor 17" BENQ <FP73G> LCD |
5201,56 |
29 |
150845,2 |
|
8 |
Мышь |
Microsoft Basic Black PS/2 |
288,25 |
29 |
8359,25 |
|
9 |
Клавиатура |
Keyboard Colors-it KB-1906 PS/2, White (белая) |
352,87 |
29 |
10233,23 |
|
10 |
Сетевой адаптер |
10/100/1000Mbps PCI Adapter, 32 bit, WOL, Jumbo, Retail |
256,23 |
29 |
7430,67 |
|
Итого |
383152,1 |
6. Анализ и выбор программного обеспечения
ОС NetWare фирмы Novell
Novell была одной из первых компаний, которые начали создавать ЛВС.
Она производила как аппаратные средства, так и программные, однако в последнее время фирма Novell сконцентрировала усилия на программных средствах ЛВС.
Далее приводятся некоторые характеристики программных продуктов NetWare :
- В среде NetWare способно работать большее количество приложений чем в любой другой ЛВС.
- ОС NetWare способна поддерживать рабочие станции, управляемые DOS, DOS и Windows, OS/2, UNIX, Windows NT, Mac System 7 и другими ОС.
- ЛВС NetWare может работать с большим количеством различных типов сетевых адаптеров, чем любая другая операционная система. Для достижения поставленных целей вы можете выбрать аппаратные средства от множества разных поставщиков. С NetWare можно использовать ARCnet, EtherNet, Token Ring или практически любой другой тип сетевого адаптера.
- ЛВС NetWare может разрастаться до огромных размеров.
- ЛВС NetWare надежно работает.
- Средства защиты данных, предоставляемые NetWare, более чем достаточны для большинства ЛВС.
- NetWare допускает использование более, чем 200 типов сетевых адаптеров, более чем 100 типов дисковых подсистем для хранения данных, устройств дублирования данных и файловых серверов.
Фирма Novell имеет контракты о поддержке ОС NetWare с наиболее крупными и мощными из независимых организаций, таких как Bell Atlantic, DEC, Hewlett-Packard, Intel, Prime, Unisys и Xerox.
Рассмотрим подробнее структуру данной ОС
Файловый сервер в NetWare является обычным ПК, сетевая ОС которого осуществляет управление работой ЛВС. Функции управления включают координацию рабочих станций и регулирование процесса разделения файлов и принтера в ЛВС. Сетевые файлы всех рабочих станций хранятся на жестком диске файлового сервера, а не на дисках рабочих станций.
Имеется три версии ОС NetWare. Версия 2.2 может работать на компьютере 80286 ( или более поздних моделях ), используемом в качестве файлового сервера. При покупке ОС необходимо приобретать лицензию на число пользователей ( 5, 10, 50, 100 ). Версии ОС NetWare 3.12 и более новая 4.0 ориентированы на 32 разрядные шинные архитектуры и процессоры 80386, 80486 или Pentium. Есть также варианты сетевой ОС NetWare, предназначенные для работы под управлением многозадачных, многопользовательских операционных систем OS/2 и UNIX. Версию 3.12 ОС NetWare можно приобрести для 20, 100 или 250 пользователей, а версия 4.0 имеет возможность поддержки до 1000 пользователей.
Все версии ОС хорошо совместимы между собой, поэтому в одной и той же компьютерной сети можно иметь файловые серверы с разными версиями ОС NetWare.
Windows NT Advanced Server 3.1, Microsoft Corp.
Отличительные черты:
- простота интерфейса пользователя
- доступность средств разработки прикладных программ и поддержка прогрессивных объектно-ориентированных технологий
Всё это привело к тому, что эта операционная система может стать одной из самых популярных сетевых операционных систем.
Интерфейс напоминает оконный интерфейс Windows 3.1, инсталляция занимает около 20 минут. Модульное построение системы упрощает внесение изменений и перенос на другие платформы. Обеспечивается защищенность подсистем от несанкционированного доступа и от их взаимного влияния (если зависает один процесс, это не влияет на работу остальных). Есть поддержка удаленных станций - Remote Access Service (RAS), но не поддерживается удаленная обработка заданий.
Windows NT предъявляет более высокие требования к производительности компьютера по сравнению с NetWare.
Основные характеристики и требования к аппаратному обеспечению:
- Центральный процессор: 386 и выше, MIPS, R4000, DEC Alpha АХР.
- Минимальный объем жесткого диска: 90 Мбайт.
- Минимальный объем ОП на сервере: 16 Мбайт.
- Минимальный объем ОП РС клиента; 12 Мбайт для NТ/512 КБайт для DOS.
- Операционная система: Windows NT.
- Протоколы: NetBEUI, ТСР/IР, IРХ/SРХ, АррlеТаlk, АsyncBEUI.
- Мультипроцессорность: поддерживается.
- Количество пользователей: неограниченно.
- Максимальный размер файла: неограничен.
- Шифрование данных: уровень С-2.
- Монитор UPS: есть.
- ТТS: есть.
- Управление распределенными ресурсами сети: домены.
- Система отказоустойчивости: дублирование дисков, зеркальное отражение дисков, RAID 5,поддержка накопителя на магнитной ленте, резервное копирование таблиц домена и данных.
- Компрессирование данных: нет.
- Фрагментация блоков (Block sub>allocation): нет.
- Файловая система клиентов: DOS, Windows, Мас, ОS/2, UNIX, Windows NT.
Unix
Выполняя различные элементарные операции по запросам пользовательских процессов, ядро обеспечивает функционирование пользовательского интерфейса, описанного выше. Среди функций ядра можно отметить:
Управление выполнением процессов посредством их создания, завершения или приостановки и организации взаимодействия между ними.
Планирование очередности предоставления выполняющимся процессам времени центрального процессора (диспетчеризация). Процессы работают с центральным процессором в режиме разделения времени: центральный процессор выполняет процесс, по завершении отсчитываемого ядром кванта времени процесс приостанавливается и ядро активизирует выполнение другого процесса. Позднее ядро запускает приостановленный процесс.
Выделение выполняемому процессу оперативной памяти. Ядро операционной системы дает процессам возможность совместно использовать участки адресного пространства на определенных условиях, защищая при этом адресное пространство, выделенное процессу, от вмешательства извне. Если системе требуется свободная память, ядро освобождает память, временно выгружая процесс на внешние запоминающие устройства, которые называют устройствами выгрузки. Если ядро выгружает процессы на устройства выгрузки целиком, такая реализация системы UNIX называется системой со свопингом (подкачкой); если же на устройство выгрузки выводятся страницы памяти, такая система называется системой с замещением страниц.
Выделение внешней памяти с целью обеспечения эффективного хранения информации и выборка данных пользователя. Именно в процессе реализации этой функции создается файловая система. Ядро выделяет внешнюю память под пользовательские файлы, мобилизует неиспользуемую память, структурирует файловую систему в форме, доступной для понимания, и защищает пользовательские файлы от несанкционированного доступа.
Управление доступом процессов к периферийным устройствам, таким как терминалы, ленточные устройства, дисководы и сетевое оборудование.
Выполнение ядром своих функций довольно очевидно. Например, оно узнает, что данный файл является обычным файлом или устройством, но скрывает это различие от пользовательских процессов. Так же оно, форматируя информацию файла для внутреннего хранения, защищает внутренний формат от пользовательских процессов, возвращая им неотформатированный поток байтов. Наконец, ядро реализует ряд необходимых функций по обеспечению выполнения процессов пользовательского уровня, за исключением функций, которые могут быть реализованы на самом пользовательском уровне. Например, ядро выполняет действия, необходимые shell'у как интерпретатору команд: оно позволяет процессору shell читать вводимые с терминала данные, динамически порождать процессы, синхронизировать выполнение процессов, открывать каналы и переадресовывать ввод-вывод. Пользователи могут разрабатывать свои версии командного процессора shell с тем, чтобы привести рабочую среду в соответствие со своими требованиями, не затрагивая других пользователей. Такие программы пользуются теми же услугами ядра, что и стандартный процессор shell.
Сетевая защита в UNIX основывается на сложной схеме именования, которая начинается с имен пользователей. Пользователям присваиваются имена и пароли, которые нужны для регистрации пользователей в системе,
Сетевые ресурсы известны и поддерживаются как службы. Им даются имена, с помощью которых пользователи могут обратиться к ним. Службы включают в себя: фазовую службу (каталоги, подкаталоги, данные и программы в каталогах), коммуникационные службы (программы эмуляции SNA 3270, асинхронные коммуникационные службы) и службы печати. Все службы получают имена через службу именования в UNIX, именуемую StreetTalk.
Каждое имя состоит из 3-х частей: имени ресурса или пользователя, имени труппы пользователей и имени организации. Например, пусть существует сервер с именем организации ACME; есть две группы пользователей MARKETING (маркетинг) и ACCOUNTING (бюджет), существует также несколько служб, связанных с каждой группой, например, WP (word processing) обработка текста) DBASE (database) база данных, АССТ (accounting) бюджет. При использовании каждая часть имени отделяется от другой знаком @. Пользователь FRED из группы MARKETING должен зарегистрироваться для работы в сети с помощью команд:
A>LOGONFRED@MARKETING@ACME.
Windows 2000 Advanced Server
Эта ОС, по сути, представляет собой новую версию Windows NT Server 4.0 Enterprise Edition. Windows 2000 Advanced Server — идеальная система для работы с требовательными к ресурсам научными приложениями и приложениями электронной коммерции, где очень важны масштабируемость и высокая производительность. Аппаратные требования для Windows 2000 Advanced Server не отличаются от требований для Windows 2000 Server, однако эта
более мощная ОС включает дополнительные возможности:
- балансировку сетевой нагрузки;
- поддерживает ОЗУ объемом до 8 Гб на системах с Intel Page Address
- Extension (РАЕ);
- поддерживает до 8 процессоров.
Windows XP Профессиональная версия
Профессиональная версия - замена для Windows NT Workstation и Windows 2000 Professional. Она нацелена скорее на корпоративный рынок и рынок рабочих станций. Это будет первичная ОС для многих компьютерных гуру, использующих в настоящее время мультипроцессорные системы, и желающих немного большего, чем может предложить домашняя версия. Как мы скоро увидим, профессиональная версия добавляет к XP пакету множество особенностей для "продвинутого пользователя" и "дружественных для корпоративного использования". Следует ожидать, что профессиональная версия довольно быстро совершит массивное нашествие в большинство корпоративных сообществ. Большая часть компаний, с которыми я имел дело, считают важной задачей своего бизнеса оперативный переход к Windows XP на настольных компьютерах и ноутбуках, полностью оставляя Windows 2000 в прошлом.
В отличии от предыдущих версий ОС, Windows XP имеет ряд возможностей:
- Обработка аудио/видео данных;
- Запись данных на CD/DVD;
- Проигрыватель Media Player 9;
- Поддержка нового HardWare;
- Улучшена система восстановления, в случае отказа системы;
- «Откат» драйвера устройств (восстановление прошлого драйвера);
- Возможность работы с беспроводными сетями;
Таблица выбора программного обеспечения
|
Сервер |
Windows 2000 Advanced Server AVP for Server 6.0.303 |
|
Рабочие станции |
Windows XP Professional SP2 Microsoft Office 2003 AVP for Workstation 6.0.303 |
7. Защита информации
Меры, предпринимаемые для обеспечения безопасности сети, относятся к категории организационных или технических.
7.1 Организационные меры
Во-первых, в процессе монтажа сети следует продумать способы, позволяющие уберечь кабели и сетевое оборудование от опасностей, связанных с возможным пожаром или затоплением помещений. Желательно применять кабели, изоляция которых является по возможности термостойкой, не допускать захламления помещений различного рода горючими и легковоспламеняющимися материалами. В помещениях, где установлено сетевое оборудование, должна предусматриваться надежная гидроизоляция, также необходимо оборудовать противопожарный щит с полным набором средств для пожаротушения.
Наиболее важные сетевые компоненты (сервер, концентратор и т.д.) следует подключать в электросеть через надежный блок бесперебойного питания. Весьма желательно таким образом защитить всю сеть, если, конечно, позволяют выделенные на это средства.
Внимательнее относитесь к выбору и безопасному хранению ранее назначенных паролей. Старайтесь не пользоваться свойством автозаполнения при вводе паролей, назначайте различные права доступа пользователям, которые имеют разные привилегии.
Не используйте выделенный сервер для других целей. Пусть он выполняет возложенные на него задачи, а не служит "испытательным полигоном" для опробования новых игровых и офисных программ. Для этого прекрасно подойдет автономный компьютер, который не подключен к сети.
Выделите специальную "гостевую" учетную запись для посторонних пользователей, сократив до предела набор предоставленных им прав доступа.
Проводите разъяснительную работу среди пользователей, объясняя им степень опасности, связанную с открытием почтовых вложений или запуском незнакомых программ. Не следует преувеличивать опасность вирусной атаки, но и забывать о возможности подобных неприятностей тоже нельзя.
Нужно позаботиться о регулярном резервном копировании, необходимо также организовать безопасное хранение резервных копий.
Вообще говоря, следует разработать некий свод правил безопасного поведения в сети, обязав всех пользователей неукоснительно соблюдать его.
7.2 Технические меры
В качестве технических мер, способствующих повышению степени безопасной эксплуатации сети, можно рассматривать применение брандмауэров (аппаратных и программных). Эти устройства предназначены для фильтрации данных, циркулирующей между локальной сетью и Internet. Все рабочие станции, подключенные к Internet, должны снабжаться антивирусными программами (наиболее популярные среди них — AVP и DrWeb), причем следует предусмотреть еженедельное обновление вирусных баз. Скорость мутации старых и появления новых вирусов столь высока, что без еженедельного обновления подобная программа очень быстро станет совершенно бесполезной. Диски выделенного сервера должны обладать максимальной степенью надежности.
В целях дальнейшего повышения отказоустойчивости следует рассмотреть возможность объединения дисков в отказоустойчивый массив. Существует несколько разновидностей подобных наборов.
• Зеркальное отображение дисков (RAID-1). В этом случае используются два диска, имеющих одинаковый объем. Второй диск содержит точную копию всех файлов и каталогов, находящихся на первом диске. Если выходит из строя один из дисков, система этого даже "не замечает", поскольку рабочую нагрузку "подхватывает" второй диск. К технологии RAJD-1 можно также отнести дуплексирование дисков. Этот метод отличается от зеркального отображения тем, что оба физических диска подключаются к отдельным контроллерам.
• Распределение данных по дискам с контролем четности (RAID-3). При реализации этого метода производится запись данных на дисках в виде полос (слоев), а на специально выделенном третьем диске записывается информация контроля четности. В этом случае потребуется три физических диска, а при потере информации на одном из дисков, выделенных для хранения данных, производится ее восстановление с применением сведения контроля четности. Метод RAID-2 очень похож на RAID-3 тем, что данные записываются послойно но нескольких дисках, а один из дисков выделяется для хранения информации четности. Отличие заключается в том, что метод RAID-2 предусматривает по-битовую дискретность расслоения данных, а метод RAID-3 — побайтовую. Метод RAID-4 аналогичен RAID-2 и RAID-3, отличие заключается в том, что предусматривается блочная дискретность расслоения данных.
Заключение
Развитие современной вычислительной техники не отделимо от развития компьютерных сетей. При выполнении данной курсовой я ознакомился с основными принципами построения и функционирования компьютерных сетей.
В результате проделанной на данной коммерческой организации работы произведена: компьютеризация рабочих мест с объединением их в локальную вычислительную сеть, с наличием сервера, сетевого принтера, и доступом к сети Интернет. Выполнение данной работы обеспечит наиболее скоростную и производительную работу рабочего персонала.
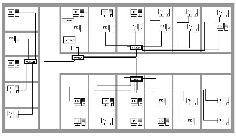
Те задачи, которые ставились при постановке задачи, на мой взгляд, достигнуты. Схема локальной вычислительной сети юридической фирмы приведена в Приложении 1.
Список используемой литературы
http://www.intel.com/ru/update/contents/st08031.htm
http://www.ultra-net.ru/dostup.html
http://www.hub.ru/modules.php?name=Encyclopedia
http://www.fujitsu-siemens.ru/products/standard_servers/index.html
http://novell.eureca.ru/0a/2.html
http://search.3dnews.ru/cgi-bin/search.pl?search_query=%D1%E5%F0%E2%E5%F0%FB&back=Ok
http://www.viacomp.ru/server/server_select.htm
http://ru.wikipedia.org/wiki/%D0%A2%D0%BE%D1%87%D0%BA%D0%B0-%D1%82%D0%BE%D1%87%D0%BA%D0%B0
http://ruseti.ru/book4/
http://network.xsp.ru/5_6.php
http://www.hub.ru/modules.php?name=Pages&op=showpage&pid=134
http://www.hub.ru/modules.php?name=Pages
Приложение
