Расчёт резисторного усилителя напряжения с RC-связью
МИНИСТЕРСТВО СЕЛЬСКОГО ХОЗЯЙСТВА РОССИЙСКОЙ ФЕДЕРАЦИИ
Челябинский государственный агроинженерный университет
Контрольная работа
"Расчёт резисторного усилителя напряжения с RC – связью"
студент: Арефкин Т. В
группа: 303
преподаватель: Савченко С. А.
Челябинск 2005
1. Задача
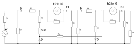
Задача: Рассчитать параметры усилителя, построенного по схеме рис. №1, на вход которого подается сигнал амплитудой и>с> от источника с внутренним сопротивлением R>c>. Усилитель должен обеспечить в нагрузке R>H> требуемую амплитуду выходного напряжения U>выхА>.
Порядок расчета:
Выбор транзистора:
1. Составляем эквивалентную схему усилителя для области средних частот, учитывая при этом структуру транзисторов, и отмечаю на ней все напряжения и токи:

2. Определяем требуемый коэффициент усиления К>иос> усилителя, охваченного цепью ОС, по исходным данным задачи:

3. Находим коэффициент усиления К>и> усилителя с разомкнутой цепью ОС:

Примечание. Далее расчеты ведутся для разомкнутой цепи ООС.
4. Находим коэффициент
усиления отдельных каскадов, полагая,
что они равны между собой, т.е.

5. Выбираем режим усиления класса А, характеризующийся минимальными нелинейными искажениями, и рассчитываем напряжение источника питания Е:

где
- коэффициент запаса по напряжению.
Окончательно напряжение
выбираем из стандартного ряда

Расчёт оконечного каскада усилителя:
6. Задаёмся сопротивлением
резистора
Номинальное сопротивление резистора
выбираем из табл. П2.1:

Вычисляем эквивалентное сопротивление коллекторной цепи:

7. Рассчитываем выходную
мощность каскада

8. Находим мощность
рассеиваемую коллектором VT2:
,
где

9. Выбираем транзистор VT2
по величине
и
учитывая рекомендации из раздела 1.8:
Наиболее подходящим транзистором является КТ3102Б, его параметры:

10. Рассчитываем режим покоя
транзистора VT2:
• Задавшись конкретным значением одной
из координат, определяют вторую
координату, решая уравнение
.
Прямая, построенная в соответствии с
уравнением на семействе статических
выходных характеристик транзистора,
называется нагрузочной прямой. Нагрузочная
прямая, показанная на рис. 1, построена
для случая, когда
и
.
1-я точка:
;

2-я точка:
;
.
11. Находим величины
,
при

,
при

12. Оцениваем реальный коэффициент усиления каскада по формуле:

13. Рассчитываем мощность,
рассеиваемую резистором
по току
,
и окончательно выбирают тип резистора.

Выбираем резистор МЛТ – 0,25 – 510 Ом ± 5%
14. Строим динамическую линию нагрузки (ЛН) на семействе выходных характеристик.
15. Определяем динамический
режим работы транзистора. Для этого
откладываем на оси абсцисс амплитуду
выходного напряжения
и делаем вывод о правильности выбора
напряжения источника питания. Затем
находим амплитудные значения тока
коллектора
и тока базы
.
Переносим значения тока
на семейство входных
характеристик и находим напряжение
.

16. Находим сопротивление резистора R8, мощность, рассеиваемую им, а затем выбираем его тип:

Выбираем резистор МЛТ – 0,125 – 180 кОм ± 5%
17. Расчет делителя
произведем,
задавшись значением
:
Пусть
,
тогда:
,
откуда

18. Определяем ток делителя
,
а затем рассчитываем мощность рассеивания
резисторов
и
и выбираем их тип и номинал.

Выбираем резисторы: R5 - МЛТ – 0,125 – 510 кОм ± 5%
R6 - МЛТ – 0,125 – 20 кОм ± 5%
19. Вычисляем входное
сопротивление оконечного каскада
:
,
где

20. Определяем мощность, потребляемую базовой цепью транзистора VT2 от предыдущего каскада:

Расчёт предоконечного каскада усилителя:
21. Вычисляем выходную мощность предоконечного каскада

где К>зм> - 1,1...1,2 - коэффициент запаса, учитывающий потери мощности в цепи смещения оконечного каскада.
22. Находим мощность Рк.>Р>, рассеиваемую коллектором VT1:

23. Принимая, с учетом падения
напряжения на резисторе фильтра Rф,
напряжение питания предоконечного
каскада
,
выбираем транзистор VT1:
Наиболее подходящим транзистором является КТ201Б, его параметры:

24. Выбираем сопротивление резистора R3:
Пусть
,
тогда для


25. Рассчитываем режим покоя транзистора VT1:
принимаем

;
вычисляем ток базы покоя
>
>.
26. Рассчитываем мощность, рассеиваемую резистором R3, и окончательно выбираем его тип и номинал:

Выбираем резистор МЛТ – 0,125 – 8.2 кОм ± 5%
27. Вычисляем эквивалентное
сопротивление коллекторной цепи
транзистора VT1
в точке покоя
:

28. Оцениваем коэффициент усиления предоконечного каскада:

29. Определяем амплитуду коллекторного тока транзистора VT1

Проверяем выполнение условия Iка1 <I>Kn>>1>; 0,210мА<1мА.
30. Находим амплитудные значения тока базы и напряжения база-эмиттер транзистора VT1:


31. Вычисляем сопротивление резистора R4 и выбираем его номинальное значение и тип:

Выбираем резистор: R4 - МЛТ – 0,125 – 4.3 кОм ± 5%
32. Рассчитываем сопротивления резисторов R1 и R2; выбирают их тип и номинал
Расчет делителя произведем,
задавшись значением
:
Пусть
,
тогда:
,
откуда

33. Определяем ток делителя
,
а затем рассчитываем мощность рассеивания
резисторов
и
и выбираем их тип и номинал.

Выбираем резисторы: R1 - МЛТ – 0,125 – 2 кОм ± 5%
R2 - МЛТ – 0,125 – 47 кОм ± 5%
34. Вычисляем входное сопротивление предоконечного каскада R>ex>>1> в точке покоя:
,
где

35. Рассчитываем фактические коэффициенты усиления по напряжению оконечного К>и2> и предоконечного К>и1> каскадов, учитывая влияние всех элементов схемы:


36. Определяем общий коэффициент усиления усилителя с разомкнутой цепью ООС К>и>, сравнивают его с величиной, полученной в п.З, и делают выводы о правильности расчетов:

37. Находим коэффициент передачи у цепи ООС, обеспечивающий заданную глубину обратной связи:

38. Рассчитываем сопротивление резистора обратной связи R>oc>, используя выражение
>
>,
откуда

Выбираем резисторы: R>ОС> - МЛТ – 0,125 – 4.3 МОм ± 5%
Емкость конденсатора С>ос> выбираем достаточно большой (С>ос>≈С5)
С>ос> - К50 - 12 - 50В – 1мкФ
39. Проверяем выполнение условия
R4 + R>oc> » R>Н>
4300 + 4.3·106 » 460
Для того, чтобы цепь ООС не шунтировала выходной каскад усилителя.
40. Вычисляем входное сопротивление усилителя R>вх>>oc> c замкнутой цепью ООС:

41. Рассчитываем емкости разделительных и эмиттерных конденсаторов: М>в> = М>н>=1,41
тогда

a

где

Выбираем: конденсаторы С1, С2, С4:
К50 - 12 - 12В – 2мкФ
конденсатор С5:
К50 - 12 - 50В – 1мкФ
42. Определяем значения Сф и Rф
Задаёмся падением напряжения
на резисторе R>Ф>
на уровне




Выбираем: конденсатор С>Ф> - К50 - 12 - 50В – 20мкФ
резистор: R>Ф> - МЛТ – 0,125 – 1.6 кОм ± 5%
43. Вычисляем полный ток I>0>, потребляемый усилителем от источника питания:

44. Рассчитываем к.п.д. усилителя:
