Разработка функциональной и принципиальной схем управляющего автомата
ИНСТИТУТ ТРАНСПОРТА И СВЯЗИ
Факультет компьютерных наук и электроники
Кафедра электроники
Учебный курс: Цифровая схемотехника
Тип: Курсовая работа
Разработка функциональной и принципиальной схем управляющего автомата
Выполнил: студент Михаил Солюлёв
Руководитель: В.А. Кутев
РИГА 2007
Задание для моделирования
Курсовая работа предусматривает разработку функциональной и принципиальной схем управляющего устройства (УУ) в виде цифрового автомата, реализующего микропрограммный принцип построения: "одно состояние - одна микрокоманда".
Структурная схема управления:

Т - асинхронный RS-триггер с инверсными входами
G - управляемый генератор тактовых импульсов
СТ - 4-х разрядный двоичный счётчик, формирующий последовательность внутренних состояний УУ
,
Для




определяемых заданными значениями начального состояния счётчика

и его модуля счёта К>СЧ.;>
DC - двоичный дешифратор осуществляет преобразование выходного кода счётчика (СТ) в m-разрядный унитарный позиционный код

для m = К>СЧ >и управляющих сигналов



В исходном состоянии RS-триггер
находится в состоянии „RESET”
и управляемый генератор (G) выключен -
тактовые импульсы не формируются. По
сигналу "Пуск", поступающему от
внешнего источника, RS-триггер (Т)
переключается в состояние “SET”, счётчик
СТ устанавливается в состояние
,
а управляемый генератор (G) начинает
вырабатывать последовательность
тактовых импульсов
.
Каждый из формируемых тактовых импульсов
вызывает изменения состояния счётчика
от Q>НАЧ>. до Q>КОН>. И последовательно
появление на выходах
управляющих сигналов с уровнем логической
единицы
,
длительность которых определяется
периодом следования тактовых импульсов
(Т>0>). Появление единичного сигнала
на выходе
соответствует завершению реализации
микропрограммы. При этом на выходе
дифференцирующей цепи (ДЦ) формируется
сигнал "Остановк.", который
переключает RS-триггер (Т) в исходное
состояние. Дифференцирующая цепь в
данном случае необходима для того, что
бы сигнал "Остановка"
не препятствовал повторному действию
сигнала "Пуск".
Параметры элементов УУ:
Тип счётчика (СТ) Синхронный с параллельным переносом
Направление счёта СТ +1
Начальное состояние СТ Анач. = 4
Модуль счёта Ксч. = 9
Тип триггеров для реализации СТ 7472
Тип дешифратора DC состояний счётчика DC 4
Выходной код DC унитарный
Тип логики, задаваемый для реализации схемы ТТЛ
Управляемый генератор (G) интегральный таймер
На базе ИМС LM555CN-8 (1006BИ1)
Параметры управляющих сигналов:
Длительность 0,1с
Период повторения 0,2с
Скважность 2
Амплитуда управляющего сигнала уровень ТТЛ
Индикация:
Выходных состояний СТ цифровая (шестнадцатеричный код)
Управляющих сигналов светодиоды
Источник запуска Word Generator
Режим запуска Step by step
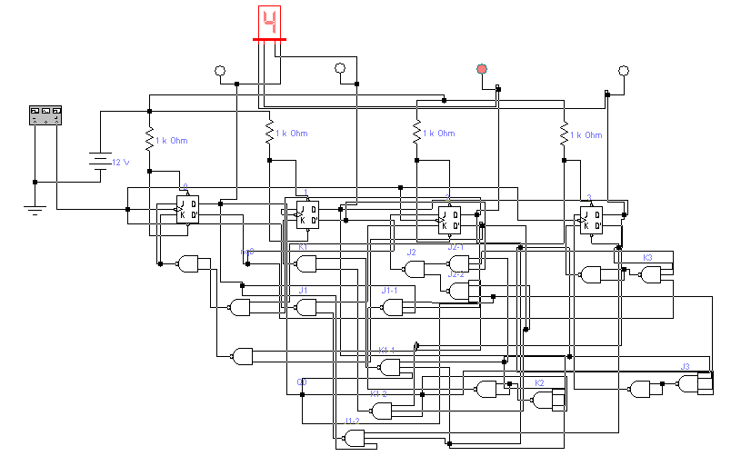
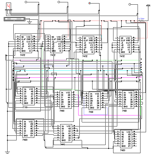
Синтез синхронного счётчика
По заданным исходным данным осуществим синтез синхронного счётчика (СТ), реализующего требуемую последовательность внутренних состояний УУ:
Данный счётчик является суммирующим, производя счёт из состояния 4 девять отсчётов. Составим линейный граф выходных состояний:

.
То есть заданный счётчик можно реализовать
4 триггерами JK типа (тип 7472).
Теперь составляем совмещённую таблицу функций переходов и входов при изменении соответствующего выходного состояния: (х - состояние входа не важно). Счётчик необходимо устанавливать в начальное (нулевое) положение при включении питания и отсутствии входного сигнала:
|
состояния |
Выходные состояния |
Функции перехода |
Функции входов |
|||||||||
|
Q>3> |
Q>2> |
Q>1> |
Q>0> |
F>Q3> |
F>Q2> |
F>Q1> |
F>Q0> |
J>3>K>3> |
J>2>K>2> |
J>1>K>1> |
J>0>K>0> |
|
|
0 |
0 |
0 |
0 |
0 |
0 |
|
0 |
0 |
0 x |
1х |
0 x |
0 x |
|
4 |
0 |
1 |
0 |
0 |
0 |
1 |
0 |
|
0 x |
x 0 |
0 x |
1 x |
|
5 |
0 |
1 |
0 |
1 |
0 |
1 |
|
|
0 x |
x 0 |
1 x |
x 1 |
|
6 |
0 |
1 |
1 |
0 |
0 |
1 |
1 |
|
0 x |
x 0 |
x 0 |
1 x |
|
7 |
0 |
1 |
1 |
1 |
|
|
|
|
1 x |
x 1 |
x 1 |
x 1 |
|
8 |
1 |
0 |
0 |
0 |
1 |
0 |
0 |
|
x 0 |
0 x |
0 x |
1 x |
|
9 |
1 |
0 |
0 |
1 |
1 |
0 |
|
|
x 0 |
0 x |
1 x |
x 1 |
|
10 |
1 |
0 |
1 |
0 |
1 |
0 |
1 |
|
x 0 |
0 x |
x 0 |
1 x |
|
11 |
1 |
0 |
1 |
1 |
1 |
|
|
|
x 0 |
1 x |
x 1 |
x 1 |
|
12 |
1 |
1 |
0 |
0 |
|
1 |
0 |
0 |
x 1 |
x 0 |
0 x |
0 x |
Составляем СДНФ (базис "И-НЕ") функций входов триггеров, использованных при синтезе:








С помощью карт Карно производим минимизацию функций входов для каждого триггера:








МДНФ счётчика:


;
;
;
.
Синтезируем счётчик. Структурную схему:

Принципиальную схему:

Временные диаграммы счётчика:

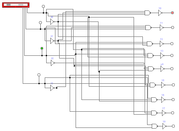
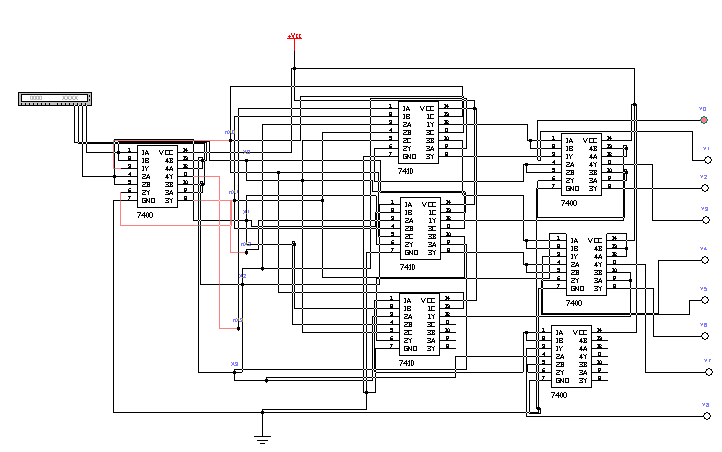
Синтез дешифратора
Мы должны получить неполный двоичный дешифратор
,
т.е. имеющий 4 входа
и 9 выходов
.
Составляем таблицу истинности дешифратора:
|
№ Комбина-ции |
Входы |
Выходы |
|||||||||||
|
Х>3> |
Х>2> |
Х>1> |
Х>0> |
Y>8> |
Y>7> |
Y>6> |
Y>5> |
Y>4> |
Y>3> |
Y>2> |
Y>1> |
Y>0> |
|
|
4 |
0 |
1 |
0 |
0 |
0 |
0 |
0 |
0 |
0 |
0 |
0 |
0 |
1 |
|
5 |
0 |
1 |
0 |
1 |
0 |
0 |
0 |
0 |
0 |
0 |
0 |
1 |
0 |
|
6 |
0 |
1 |
1 |
0 |
0 |
0 |
0 |
0 |
0 |
0 |
1 |
0 |
0 |
|
7 |
0 |
1 |
1 |
1 |
0 |
0 |
0 |
0 |
0 |
1 |
0 |
0 |
0 |
|
8 |
1 |
0 |
0 |
0 |
0 |
0 |
0 |
0 |
1 |
0 |
0 |
0 |
0 |
|
9 |
1 |
0 |
0 |
1 |
0 |
0 |
0 |
1 |
0 |
0 |
0 |
0 |
0 |
|
10 |
1 |
0 |
1 |
0 |
0 |
0 |
1 |
0 |
0 |
0 |
0 |
0 |
0 |
|
11 |
1 |
0 |
1 |
1 |
0 |
1 |
0 |
0 |
0 |
0 |
0 |
0 |
0 |
|
12 |
1 |
1 |
0 |
0 |
1 |
0 |
0 |
0 |
0 |
0 |
0 |
0 |
0 |
Функции выходов:

Минимизируем функции выхода:









МДНФ дешифратора:
;
;
;
;
;
;
;
;
.
Структурная схема дешифратора:

Строим принципиальную схему дешифратора:

Временные диаграммы выходов дешифратора:

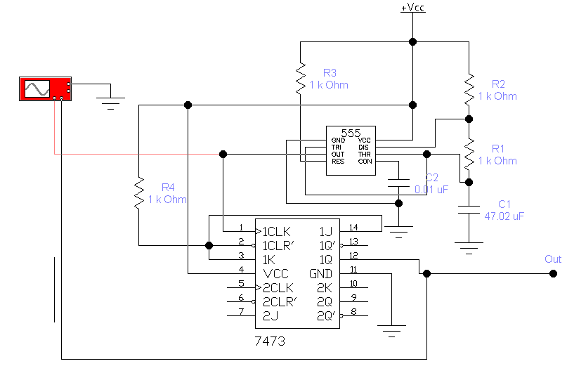
Синтез тактового генератора.
Синтезируем генератор тактовых импульсов на базе интегрального таймера серии 555. Подбором С1 и R1, R2 подбираем период импульса 100мс и скважность 1,5. На выход таймера подключаем RS-триггер типа 7473, срабатывающий по срезу управляющего импульса:

Временные диаграммы:

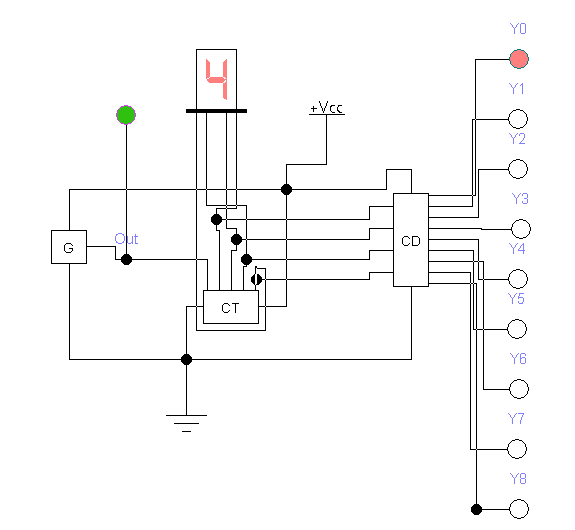
Синтез цифрового автомата.
Соединяем полученные элементы: генератор, счётчик и дешифратор в цифровой автомат. Производим перед этим преобразование этих элементов в функциональные блоки:

Временные диаграммы на выходе дешифратора:

Цифровой автомат работает полностью в соответствии с заданной логикой.

