Проектування вимірювальної системи температури
Проектування вимірювальної системи температури
ІНДИВІДУАЛЬНЕ ЗАВДАННЯ
на курсовий проект з дисципліни "Інформаційно-вимірювальні системи"
Розробити систему інформаційно–вимірювальну систему температури
|
1 Кількість вимірювальних каналів |
6 |
|
2 Діапазон вимірювання температури |
-50 |
|
4 Похибка |
2% |
|
5 Інтерфейс для зв’язку з ПЕОМ |
RS485 |
Анотація
В даному курсовому проекті розроблена інформаційно-вимірювальна система для визначення температури.
Проведено аналіз технічних параметрів системи, що проектується, здійснено огляд можливих варіантів вирішення задачі та вибрано принцип роботи автоматизованої системи на базі мікроконтролера фірми Texas Instruments, MSP430F149. В даному курсовому проекті розроблена електрична і структурна схема ВС, проведено розрахунок основних елементів схеми, розраховані похибки.
В додатках наведена електрична принципова схема і перелік елементів.
Вступ
Температура належить до одного з найважливіших технологічних параметрів, від точності вимірювання яких залежить ефективність багатьох технологічних процесів. Температурні вимірювання проводяться в багатьох галузях промисловості, зокрема, в металургійній, приладобудівній, хімічній тощо. Інтенсивність перебігу хімічних реакцій, умови сушіння й формування виробів, розплавлення й зварювання матеріалів та інше визначає температура.
Слово „температура” походить від латинського temperatura – нормальний стан. Це фізична величина, яка характеризує стан термодинамічної рівноваги системи. Температура всіх частин ізольованої системи, яка знаходиться в рівновазі, однакова. Якщо система не знаходиться в рівновазі, то між її частинами, які мають різну температуру, проходить теплообмін. Температура, яка знаходиться в тепловій рівновазі, прийнятого за нульовий.
Вимірюють температуру термометрами на основі залежності яких-небудь властивостей тіла (об'єму, електричного опору і т.п.) від температури.
Її вимірюють рідинними або газовими термометрами, які відповідно градуюють. Висока температура вимірюється оптичними термометрами (за спектром випромінювання) або електричними термометрами (напівпровідникові термістори, термопари).
У міжнародній шкалі температур за нуль прийнята температура танення льоду при нормальному атмосферному тиску, за 100о – температура парів кипіння води при нормальному атмосферному тиску.
Позначається t oC (Цельсія).
Цельсій А. (1701-1744) – шведський астроном і фізик, який запропонував температурну шкалу, в якій 1 градус (1 оС) дорівнює 1/100 різниці температур кипіння води і танення льоду при атмосферному тиску. Позначається t oC.
Але, за Міжнародною системою одиниць СІ, яка є міжнародно прийнятою і використовується в усьому світі, яку позначають символом Т і виражають в кельвінах (позначення К). Найменування дано по імені англійського вченого В. Кельвіна (1824-1907).
Температурні шкали Кельвіна і Цельсія пов’язані формулою
Т = (273,15 + t)K.
Абсолютний нуль за міжнародною шкалою дорівнює –273,15 оС (Цельсія).
В рішенні Міжнародного комітету мір і ваги шкала Кельвіна признана основною. Також, розрізняють ще шкали за початковими точками відліку і розміром одиниці температури, яку використовують:
оR - шкала Реомюра, 1 оR = 1,25 оС;
оF - шкала Фаренгейта, 1 оF = 5/9 оС.
1. Технічне обґрунтування варіанту реалізації системи вимірювання температури
Інформаційно–вимірювальною системою називається сукупність апаратних та програмних засобів призначений для представлення необхідної вимірювальної інформації.
Вимірювання температури може здійснюватися різними методами. Кожний метод має свої особливості, які визначаються як принципом, так і засобами вимірювання та схемами їх підключення. Крім того, при вимірюванні температури, необхідно враховувати взаємодію між термоперетворювачем і середовищем.
1.1 Термоелектричні перетворювачі
Термопара – термочутливий елемент в пристроях для вимірювання температури, системах управління і контролю. Складається з двох послідовно з’єднаних (спаяних) між собою різнорідних провідників або напівпровідників.
Для вимірювання термо-е.р.с., яку розвиває термопара, в її коло вмикають вимірювальний прилад (мілівольтметр, компенсатор)
Вимірювання температури за допомогою термопар грунтується на наявності певної залежності між термоелектрорушійною силою (термо-е.р.с), яка виникає в колі, складеному з різнорідних провідників, і температурою місць з’єднання цих провідників. Термо-е.р.с виникає завдяки наявності в металах вільних електронів, концентрація яких у різних металах неоднакова. У місцях спаювання двох термоелектродів електрони з одного металу дифундують у другий.
Для вимірювання термо-е.р.с, яку розвиває термопара, в її коло вмикають вимірювальний прилад. На рисунку 1 зображено основні схеми увімкнення термопар. Найчастіше застосовують схему, зображену на рисунку 1.1,а. Диференціальну термопару (рисунок 1.1,б) використовують для вимірювання різниці температур.
Діапазон температур, які можна вимірювати термопарами, дуже великий: від температури, що лежить в колі абсолютного нуля, до температур, за яких тільки небагато з речовин лишаються твердими.

а) б)
Рисунок 1.1 – Основні схеми увімкнення термопар:
а- увімкнення вимірювального приладу в холодний спай;
б – диференційна термопара
Нині стандартизовано п’ять типів термопар, градуйовані таблиці яких наведено в міждержавному стандарті ГОСТ 3044-84. Основні дані цих термопар зведені в таблиці 1.
Для вимірювання високих температур використовують термопари типів ТПП, ТПР і ТВР. Термопари із благородних металів (ТПП і ТПР) використовують при вимірюваннях з підвищеною точністю. В інших випадках використовують термопари із неблагородних металів (ТХА, ТХК).
Таблиця 1 – Типи термопар та їх характеристики
-
Тип термопари
Матеріал
термоелектрода
Діапазон вимірюваних
температур, оС
ВР
ПР
ПП
ХА
ХК
Вольфреній-
вольфрам-реній
Платинородій-
платинородій
Платинородій-платина
Хромель-алюмель
Хромель-копель
0 – 1800
300 – 1600
0 – 1300
-50 – 1000
-50 – 600
1.2 Термометри опору
Термометри опору – прилади для вимірювання температури, дія яких основана на зміні електричного опору металів і напівпровідників від зміни температури. Вони широко застосовуються для вимірювання температури в діапазоні від –260 0 до 750 0С. В деяких випадках вони можуть бути застосовані для вимірювання температури до 1000 оС.
Дія термометрів опору основана на властивості речовини змінювати свій електричний опір при зміні температури. При вимірюванні температури термометр опору занурюють в середовище, температуру якого потрібно визначити. Знаючи залежність опору термометра від температури можна за зміною опору термометра робити висновок про температуру середовища, в якому він знаходиться. При цьому необхідно мати на увазі, що довжина чутливого елемента у більшості термометрів складає декілька сантиметрів, і тому при наявності температурних градієнтів в середовищі термометр опору вимірює деяку середню температуру тих шарів середовища, в яких знаходиться його чутливого елементу. Термометр опору з чистих металів, який одержав найбільше розповсюдження, виготовляють звичайно у вигляді обмотки з тонкої проволоки на спеціальному каркасі з ізоляційного матеріала. Для того, щоб запобігти від можливих механічних ушкоджень та дії середовища, температура якого вимірюється термометром, чутливий елемент його вміщують в спеціальну захисну гільзу.
До числа якостей металічного термометра опору слід віднести:
високу степінь точності виміряної температури;
- можливість випуску вимірювальних приладів до них зі стандартною градуйованою шкалою практично на будь-який температурний інтервал в діапазоні допустимого температурного застосування термометрів опору;
- можливість централізованого контролю температури шляхом приєднання декількох взаємодіючих термометрів опору через перемикач до одного вимірювального приладу;
- можливість використовування їх з інформаційно-розрахунковими машинами.
Напівпровідникові термометри опору, як показує практика їх застосування, можуть бути використані для вимірювання температури від 1,3 до 400 К. В практиці технологічного контролю вони в порівнянні з металевими знаходять менше застосування, так як вимагають індивідуального градуювання.
Опір термометрів в промислових умовах вимірюється мостами або логометрами. Незрівноважені мости використовують рідко із-за таких недоліків, як нелінійної градуювальної характеристики, залежності їх показань від значення напруги живлення. Найбільше поширення одержали зрівноважені мости, в плечі яких вмикають термометри опору (рисунок 1.2).
Умовою рівноваги мостової схеми є рівність добутків опорів протилежних плеч
R>1> · R>3> = R>2> · R>t >. (2)
Недоліком одинарної мостової схеми є додаткова похибка, яка вноситься опорами провідників, якими термометр опору підключається до мостової схеми.
При зміні температури навколишнього середовища змінюється і опір цих провідників, що не дає можливості компенсувати вказану похибку. Для зниження цієї похибки використовують трипровідну схему підключення термометрів опору. В цьому випадку опори проводів виявляються не в одному, а в різних плечах моста і тому їх вплив суттєво зменшується. При симетрії моста їх опори віднімаються.
Е ВП
to
Рисунок 1.2 – Мостова схема включення термометра опору
Величина порушення цієї умови рівноваги фіксується вимірювальним приладом ВП.
1.3 Манометричні термометри
Манометричні термометри використовують для вимірювання температур рідких і газових середовищ у діапазоні від 0 до +600оС.
Принцип дії приладів заснований на використанні залежності зміни тиску робочої рідини, насиченого пару або газу при постійному обсязі від температури об'єкта.
В залежності від наповнювача, що заповнює всю термосистему (термобалон, капіляр і дошкульний елемент), манометричні термометри діляться на газові, парорідинні і рідинні.
Газові прилади заповнюють інертним газом - азотом або аргоном, парорідинні - рідинами, що низько киплять, (ацетон, фреон), пари яких при що вимірюється температурі частково заповнюють термобалон, рідинні - кремній органічної рідиною. Шкала манометричних газових і рідинних термометрів рівномірна; в парорідинних термометрів шкала нерівномірна в першій третині шкали.
До переваг манометричних термометрів відносяться мала інерційність вимірювань і вибухонебезпечність, до недоліків - низька ремонтоздатність в умовах заводу, особливо при виході з ладу чутливого елемента або капіляра, відповідно низький клас точності.
2. Розробка структурної схеми системи вимірювання температури
2.1 Вибір оптимального варіанту структурної схеми
В даному пункті курсової роботи розробляється структурна схема інформаційно-вимірювальної системи вимірювання температури. Буде розглянуто три варіанта структурних схем, порівняно їх між собою за шістьма критеріями, коротко охарактеризовано кожну та обрано оптимальну структурну схему, на основі якої буде розроблена інформаційно-вимірювальна система. При виборі оптимальної структурної схеми слід враховувати кількісні та якісні характеристики кожної з них, а саме швидкодію, надійність, простоту реалізації, низьку собівартість, точність. Розглянемо першу структурну схему, яка приведена на рисунку 2.1.

Рисунок 2.1 – Перший варіант реалізації структурної схеми системи для визначення температури
Позначення на схемі:
T/U – первинний вимірювальний перетворювач температури в напругу;
U/U – вторинний вимірювальний перетворювач підсилювач напруги;
МХ
– мультиплексор;
– аналого-цифровий перетворювач - це функціональний пристрій, призначений для перетворення аналогової величини, а в даному випадку постійної напруги в цифровий код;
MCU – мікроконтролер;
USART/RS485 – прилад який призначений для перетворення інтерфейсу з USART в RS485;
РС – персональний комп’ютер, або інша обчислювальна машина.
Принцип роботи вимірювальної системи полягає в наступному: по шести каналам проводяться вимірювання шести різних рівнів температури. На вхід первинного перетворювача поступає температура, яка перетворюється в напругу, після чого вторинний перетворювач підсилює дану напругу, яка подається на мультиплексор. З мультиплексора інформація потрапляє на АЦП, де перетворюється з аналогового сигналу в цифровий код. Інформація з АЦП знімається мікроконтролером і за допомогою інтерфейсу обміну даних передається на ПК.
Дана схема забезпечує високу точність вимірювання, але має невисоку швидкодію та великі габарити, а також має достатньо високу собівартість.
Реалізацію другої структурної схеми представлена на рисунку 2.2

Рисунок 2.2 – Другий варіант реалізації структурної схеми системи для вимірювання температури
Позначення на схемі:
T/U – первинний вимірювальний перетворювач температури в напругу;
U
/U
– вторинний вимірювальний перетворювач
підсилювач напруги;
–аналого-цифровий перетворювач - це функціональний пристрій, призначений для перетворення аналогової величини, в даному випадку постійної напруги в цифровий код;
MCU – мікроконтролер;
USART/RS485 – прилад який призначений для перетворення інтерфейсу з USART в RS485;
РС – персональний комп’ютер, або інша обчислювальна машина.
Принцип вимірювального перетворення в наведеній схемі такий же як і в попередній з тією лише різницею що перетворений сигнал з кожного вимірювального каналу відразу подається на окремий АЦП. З АЦП вимірювальна інформація знімається мікроконтролером і за допомогою інтерфейсу передачі даних передається на ПК.
Наведена система має високу швидкодію, але в той же час підвищується її собівартість через те що в даній схемі використовується велика кількість АЦП з однаковими параметрами. Виготовлення АЦП з однаковими параметрами є досить складним і дорогим процесом.
Третя структурна схема приведена на рисунку 2.3.

Рисунок 2.3 – Третій варіант реалізації структурної схеми системи для вимірювання температури
Позначення на схемі:
V/^ – датчик, призначений для вимірювання температури;
М
Х
– мультиплексор;
– аналого-цифровий перетворювач - це функціональний пристрій, призначений для перетворення аналогової величини, в даному випадку постійної напруги в цифровий код;
MCU – мікроконтролер;
USART/RS485 – прилад який призначений для перетворення інтерфейсу з USART в RS485;
РС – персональний комп’ютер, або інша обчислювальна машина.
Принцип роботи наведеної схеми полягає в тому що вимірювана величина вимірюється і перетворюється в аналоговий сигнал за допомогою спеціального датчика, потім подається на мультиплексор. З мультиплексора інформація потрапляє на АЦП, де перетворюється з аналогового сигналу в цифровий код. Інформація з АЦП знімається мікроконтролером і за допомогою інтерфейсу обміну даних передається на ПК.
Дана схема має високу швидкодію, зменшує габаритність системи, але підвищується її собівартість за рахунок первинних датчиків.
Для того, щоб порівняти вище наведені структурні схеми занесемо основні параметри системи до таблиці і порівняємо (таблицю 2.1).
Таблиця 2.1 – Порівняння структурних схем
|
Параметр |
І |
II |
ІІI |
Ідеальна система |
|
Простота реалізації |
0 |
0 |
1 |
1 |
|
Надійність |
1 |
0 |
1 |
1 |
|
Точність |
1 |
1 |
1 |
1 |
|
Швидкодія |
0 |
1 |
1 |
1 |
|
Собівартість |
1 |
0 |
0 |
1 |
|
Габаритність |
0 |
1 |
1 |
1 |
|
Σ Е>і> |
3 |
3 |
5 |
6 |
|
Σ>0 >= Σ Е>і>/ Σ Е>іс> |
0,5 |
0,5 |
0,83 |
1 |
Обчислимо узагальнений коефіцієнт якості, який знаходиться за наступною формулою:
. (2.1)
Узагальнений критерій якості першої схеми:
.
Узагальнений критерій якості другої схеми:
.
Узагальнений критерій якості третьої схеми:

Як бачимо з розрахунків, критерій якості третьої схеми більший, ніж для інших структурних схем. Виходячи з цих розрахунків можна зробити висновок, що для поставленої нами задачі більше підходить структурна схема, представлена на рисунку 2.3.
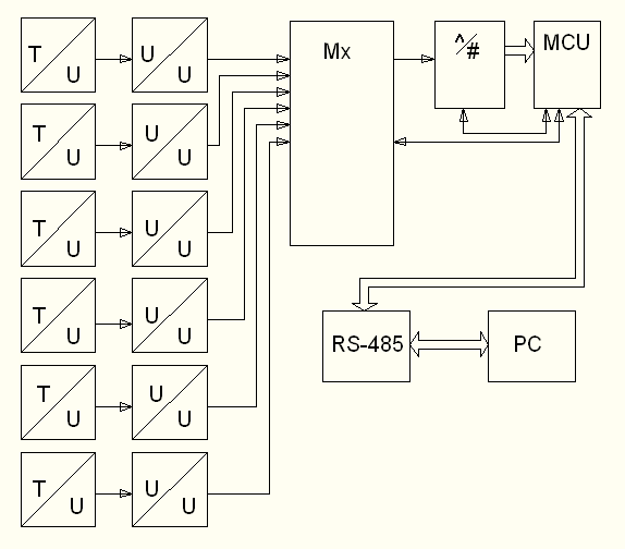
Отже, ми запропонували оптимальний варіант структурної схеми. Використаємо цю схему для побудови електричної принципової схеми системи, що розробляється.
2.2 Оптимальний варіант структурної схеми
На основі попередніх досліджень проведених вище. Ми зробили
висновок, що наша система буде розроблятися за такою схемою як зображена на рисунку 2.3. Система побудована за такою схемою матиме найкращі технічні характеристики та задовольнятиме технічним вимогам поставленим в завданні (рисунок 2.4).

Рисунок 2.4 – Структурна схема системи для вимірювання температури
Отже, інформаційно – вимірювальна система вимірювання температури матиме вигляд :
Т/^ – датчик, призначений для вимірювання температури;
Мх – мультиплексор;
–
аналого-цифровий
перетворювач - це функціональний
пристрій, призначений для перетворення
аналогової величини, в даному випадку
постійної напруги в цифровий код;
MCU – мікроконтролер;
USART/RS485 – прилад який призначений для перетворення інтерфейсу з USART в RS485;
РС – персональний комп’ютер, або інша обчислювальна машина.
Розглянемо детальніше переваги і роботу системи для вимірювання температури. Обрана схема має ряд переваг над попередніми, головною перевагою даної реалізації схеми є простота в реалізації схеми, для розробки цієї схеми ми затратимо набагато менше конструкторських зусиль, але це призвело до того, що більшої уваги прийдеться затратити на написання програмного забезпечення і забере більше часу у програмістів для реалізації програмування мікроконтролера. Але, завдяки того, що дана схема має малу кількість комплектуючих деталей вона є більш завадостійкою, як наслідок отримання реального сигналу спрощується. Це в свою чергу призводить до того, що точність та надійність цієї системи збільшується. А також дана схема має набагато менше енергоспоживання ніж вище розглянуто.
Тепер розглянемо роботу системи для визначення температури. Після того як датчики для визначення температури підключені до живлення вони починають вимірювати температуру в середовищі, де вони безпосередньо знаходяться і під дією зовнішніх факторів починають формувати аналоговий сигнал. Після того, як з персонального комп'ютера буде поданий запит про стан того чи іншого датчика, мікроконтролер подає сигнал мультиплексору про підключення того чи іншого вимірювального каналу, далі аналоговий сигнал з будь-якого датчика подається на АЦП, де аналоговий сигнал перетворюється в цифровий код і потім подається на мікроконтролер. Далі мікроконтролер обробляє ці дані і через блок гальванічної розв'язки передає на перетворювач інтерфейсів інформацію формату інтерфейсу USART, перетворювач міняє формат даних в зручну для порту RS – 485, яким обладнаний комп’ютер, вже підготовлену кодову інформацію комп’ютер в свою чергу розшифровує її і подає в зручній для оператора формі або на пристрої контролю, які можуть керувати процесом і надалі при будь-яких критичних ситуаціях. Ще важливим блоком структурної схеми є блок гальванічної розв'язки, який виконує роль буфера між мікроконтролером та перетворювачем інтерфейсу, і призначений для захисту порту персонального комп'ютера від потужних завад, які можуть призвести до випалення порту ЕОМ. Завдяки цьому блоку значно підвищується завадостійкість надійність системи.
3. Розробка електричної принципової схеми системи вимірювання температури
3.1 Вибір мікроконтролера
На основі розробленої, структурної схеми системи вимірювання температури, виконана розробка електричної принципової схеми вимірювальної системи.
Для виконання поставленої задачі ми обираємо мікроконтролер типу MSP430F149, який здійснює основні функції управління, збору і передачі інформації, схема ввімкнення якого представлена на рисунку 3.2.
Мікроконтролер має: наявність процесора або арифметико-логічного пристрою, оперативної пам’яті, портів введення-виведення та інших периферійних засобів. Головним критерієм яким ми будемо керуватись є те, що для поставленої задачі нам потрібно вибрати такий мікроконтролер, який би мав невисоке енергозпоживання та в разі збою роботи головного сервера (комп’ютера) зміг би забезпечити роботу локальної вимірювльної системи.
Найбільшими виробниками мікроконтролерів в світі є Atmel Corporation, Texas Instruments&MAXIM, Analog Devices, Microchip. Менш потужними є Intel, Winbond, Scenix, Motorola. Компанія Texas Instruments розробила й серійно випускає сімейство мікроконтролерів MSP430, що задовольняє вимоги найвимогливішого розроблювача пристроїв на мікроконтролерах. Розглянемо модулі та периферійні пристрої мікроконтролера MSP430F149. Представимо узагальнений огляд кожного модуля й периферійного пристрою вибраного нами мікроконтролера.
Сімейство MSP430 має наступні ключові особливості:
Архітектура з наднизьким споживанням, що збільшує час роботи при
живленні від батарей:
для збереження вмісту ОЗУ необхідний струм не більше 0,1 мкА;
модуль тактування реального часу споживає 0,8 мкА;
- струм споживання при максимальній продуктивності становить 250 мкА;
Високоякісна аналогова периферія для виконання точних вимірів:
- убудовані модулі 12-розрядною або 10-розрядного АЦП швидкістю 200 ksps;
- є температурний датчик і джерело опорної напруги URef;
- здвоєний 12-розрядний ЦАП;
- таймери, керовані компаратором для виміру резистивних елементів;
- схема спостереження (супервізор) за напругою живлення;
16-розрядне RISC CPU, що допускає нові додатки до фрагментів коду:
- великий регістровий файл знімає проблему «вузького файлового горлечка»;
- компактне ядро має знижене енергоспоживання й вартість;
- оптимізоване для сучасного високорівневого програмування;
- набір команд складається з 27 інструкцій, підтримується сім режимів адресації;
- розширені можливості векторних переривань;
Можливість внутрішньо схемного програмування Flash-пам'яті дозволяє гнучко змінювати й обновляти програмний код, робити реєстрацію даних.
Допоміжна низькочастотна система тактування (ACLK) працює безпосередньо від звичайного 32 кГц годинного кристалу. Модуль ACLK може використатися як фонова система реального часу з функцією самостійного «пробудження». Інтегрований високошвидкісний осцилятор із цифровим керуванням (DCO) може бути джерелом основного тактування (MCLK) для ЦПУ й високошвидкісних периферійних пристроїв. Модуль
DCO стає активним і стабільним менш ніж через 6 мкс після запуску. Вирішення на основі архітектури MSP430 дозволяють ефективно використати високопродуктивне 16-розрядне CPU у дуже малі проміжки часу: низькочастотна допоміжна система тактування забезпечує роботу мікроконтролера в режимі ультранизького споживання потужності; активізація основного високошвидкісного модуля тактування дозволяє виконати швидку обробку сигналів.

Рисунок 3.1- Архітектура MSP430
Периферійні модулі відображаються в адресному просторі. Адреси зарезервовані для 16-розрядних периферійних модулів, вони доступні за допомогою команд-слів. Якщо використаються однобітні команди, то припускаються лише парні адреси, при цьому старший біт результату завжди буде містити «0». Читання бітів модулів за допомогою команд приведе до появи в старшому біті непередбаченого вмісту. Якщо в біт модуля будуть записуватися дані у вигляді слова, то в регістрі периферійного модуля збережеться тільки молодший біт цього слова, старший буде проігнорований.
При включенні мікроконтролера вивід RST/NMI конфігурується як вивід скидання. Його функціональне призначення визначається в регістрі керування сторожовим таймером WDTCTL. Якщо вивід RST/NMI запрограмований на функцію скидання, центральний периферійний пристрій буде перебувати в стані скидання доти, поки на цьому виводі присутній сигнал низького рівня. Після зміни рівня на цьому вході на рівень «1», центральний периферійний пристрій починає виконувати програму з команди, адреса якої зберігається у векторі скидання .
Універсальний синхронно - асинхронний прийомо - передавач (USART) периферійний інтерфейс підтримує два послідовних режими в одному апаратному модулі. В асинхронному режимі USART підключає MSP430 до зовнішньої системи через два зовнішніх виводи: URXD й UTXD. Режим UASRT має наступні особливості:
- 7- або 8-розрядні дані з перевіркою парності/непарності й без контролю парності;
- незалежні регістри передачі й прийому;
- роздільні буферні регістри передачі й прийому;
- передача й прийом починаються з молодшого біта даних ;
- вбудовані комунікаційні протоколи вільної лінії й адресного біта для багатопроцесорних систем;
- визначення в приймачі стартового фронту сигналу для автоматичного пробудження з режимів;
- програмувальна швидкість передачі з модуляцією для підтримки дробових величин швидкостей;
- прапори статусу для виявлення помилок, блокування й визначення адреси;
- можливі незалежні переривання для прийому й передачі.
Модуль АЦП являє собою високоефективний 12-розрядний аналого-цифровий перетворювач. Модуль АЦП12 забезпечує швидкі 12-розрядні
аналого-цифрові перетворення. Модуль має 12-розрядне ядро, схему вибірки, опорний генератор і буфер перетворення й керування. Буфер перетворення й керування дозволяє одержувати й зберігати до 16 незалежних вибірок АЦП
без втручання ЦПП. АЦП 12 має наступні особливості :
- максимальна швидкість перетворення понад 200 ksps ;
- монотонний 12-розрядний перетворювач без кодів помилок;
- вибірка й зберігання із програмувальними періодами вибірки, обумовленими програмним забезпеченням або таймерами;
- перетворення ініціалізується програмним забезпеченням, таймером А або таймером В;
- програмно-обраний інтегрований генератор опорної напруги (1,5В або 2,5В);
- програмно обране внутрішнє або зовнішнє опорне джерело;
- вісім індивідуально конфігуруючих зовнішніх вхідних каналів;
- канали перетворення для внутрішнього температурного датчика, AVCC і зовнішніх опорних джерел;
- незалежні опорні джерела, що задають шляхом вибору каналу, для обох позитивних і негативних опорних джерел;
- джерело тактування перетворень;
- одноканальний, повторний одноканальний, послідовний і повторно-послідовний режими перетворення;
- ядро АЦП й опорна напруга можуть вимикатися роздільно;
- регістр вектора переривань для швидкого декодування 18 переривань АЦП ;
- 16 регістрів зберігання результату.
Дванадцятирозрядне ядро АЦП перетворює аналоговий вхідний сигнал в 12-розрядне цифрове подання й зберігає результат у пам'яті перетворень.
Ядро використає два програмно - обраних рівні напруги (VR+ й VR-) для задавання верхньої й нижньої меж перетворення. На цифровому виході
(NADC) представлена повна шкала, коли вхідний сигнал дорівнює або вище VR+, і нуль, коли вхідний сигнал дорівнює або нижче VR-. Вхідний канал й опорні рівні напруги (VR+ й VR-) задаються в пам'яті керування перетвореннями. Формула перетворення для результату АЦП NADC виглядає в такий спосіб:
(3.1)
Ядро АЦП 12 конфігурується двома керуючими регістрами: ADC12CTL0 й ADC12CTL1. Ядро включається бітом ADC12ON. Якщо ADC12 не використовується, для збереження енергії воно може бути виключено. Біти керування АЦП12 можуть бути модифіковані, тільки коли ENC=0. ENC повинен бути в стані логічної «1» перед виконанням будь-якого перетворення.
Вісім зовнішніх і чотири внутрішніх аналогових сигнали вибираються як канал для перетворення аналоговим вхідним мультиплексором. Вхідний мультиплексор має тип break-before-make (розрив перед включенням), що зменшує інжекцію шумів від каналу до каналу, що виникає при перемиканні каналів. Вхідний мультиплексор також є Т-перемикачем, що мінімізує взаємозв'язок між каналами. Невибрані канали ізольовані від АЦП, а проміжний вузол підключений до аналогової землі (AVSS), тому паразитна ємність заземлюється, що допомагає усувати перехресні перешкоди.
АЦП використовує метод перерозподілу заряду. Коли входи внутрішньо перемикаються, перемикання може привести до перехідних процесів на вхідному сигналі. Ці перехідні процеси загасають і встановлюються до появи помилкового перетворення.
Відмінними рисами мікроконтролерів MSP430 є висока якість виготовлення, невелика кількість апаратних та програмних помилок та наднизьке енегроспоживання
Основні характеристики MSP430F149:
- об’єм Flash-пам’яті 60 Кбайт;
- об’єм оперативної пам’яті 2 Кбайт;
- напруга живлення 1.8 - 3.6 V;
- низьке споживання струму : 280 mk, 1MHz, 2.2 V, 2.5 mk, 4 kHz, 2.2V;
- п'ять режимів зниження споживання струму: LPM0-LPM4 (30 mk - 0.8 mk);
- повернення в робочий режим за 6 mk;
- 16-бітова RISC архітектура, час виконання інструкції - 125 nS;
- єдний 32 кГц керамічний резонатор, внутрішня системна частота - до 3.3 МГц;
- 16-бітовий таймер з 6 регістрами спостереження/порівняння;
- 16-бітовий таймер з 3 регістрами спостереження/порівняння;
- вбудований компаратор;
- 12 розрядний АЦП із джерелом опорної напруги;
- сторожовий таймер ( 16 біт );
- порти вводу-виводу : 32 ліній;
- два апаратних незалежних послідовних порта введення- виведення USART;
- послідовне програмування ( JTAG );
- корпус: 64 QFP.
Функціональна схема мікроконтролера MSP430F149 представлена на рисунку 3.2.

Рисунок 3.2 – Схема підключення мікроконтролера MSP430F149
Перевагами їх є широко розвинута периферія, ідеально підходять для керуванням технологічними процесами.
До виводів XIN, XOUT мікроконтролера підключається кварцевий резонатор ZQ, який задає частоту роботи контролера. Таке підключення дозволяє дуже точно задати тактову частоту мікроконтролера (розсіювання
частот зазвичай становить не більше 0,01%). Такий рівень точності необхідний для організації інтерфейсу мікроконтролера з іншими пристроями. Номінали ємностей конденсаторів в даній схемі підключення визначаються виробником мікроконтролера для конкретної резонансної частоти кварца. При використанні малих ємностей тактові імпульси будуть мати кращу форму, оскільки при підключені дуже великої ємності це призведе до деградації форми імпульсів і мікроконтролер не буде запускатися. Запуск мікроконтролера повинен відбуватись лише тоді, коли встановилась необхідна напруга живлення. Для цього використовують вивід RESET (скидання мікроконтролера в початковий стан).
3.2 Вибір перетворювача рівня сигналу
Процес передачі між інформаційно - вимірювальною системою і персональним комп’ютером здійснюється за допомогою інтерфейсу RS - 485.
При проектуванні системи на базі технічних засобів, слід враховувати ряд важливих факторів: кількість передавачів і приймачів, швидкість передачі даних та відстань обміну даними. За допомогою інтерфейсу RS 485 можна передавати код, як в послідовному так і в паралельному форматі. У 99% випадків передача даних відбувається у послідовному форматі. Інтерфейс RS-485 (інша назва - EІ/TІ-485) - один з найбільш розповсюджених стандартів фізичного рівня зв'язку. Згідно стандарту на інтерфейси RS-485, RS-422, драйвер інтерфейсу не повинен виходити з ладу при закороченні будь-якого із сигнальних дротів на шину живлення або на землю. Також згідно стандарту всі драйвери цих інтерфейсів повинні мати захист від перегріву і автоматично вимикатись при нагріві 150 0С.
Мережа, побудована на інтерфейсі RS-485, являє собою прийомо-передавач з'єднаний за допомогою витої пари - двох скручених проводів. В основі інтерфейсу RS-485 лежить принцип диференціальної (балансової) передачі даних. Отже для використовуваного в даному курсовому проекті інтерфейсу RS-485. Цифровий вихід приймача (RO) підключається до порту приймача UART (RX). Цифровий вхід передавача (DІ) до порту передавача UART (TX). Оскільки на диференціальній стороні приймач і передавач з'єднані, то під час прийому потрібно відключати передавач, а під час передачі - приймач. Для цього служать керуючі входи - дозвіл приймача (RE) і дозволу передавача (DE). Тому що вхід RE інверсний, те його можна з'єднати з DE і переключати приймач і передавач одним сигналом з будь-якого порту мікроконтролера. При рівні "0" - робота на прийом, при "1" - на передачу. Якщо різниця потенціалів у лінії настільки мала, що не виходить за граничні значення - правильне розпізнавання сигналу не гарантується. Крім того, у лінії можуть бути і не синфазні перешкоди, що спотворять настільки слабкий сигнал. Усі пристрої підключаються до однієї витої пари однаково: прямі виходи (A) до одного проводу, інверсні (B) - до іншого. Вхідний опір приймача з боку лінії (RAB) звичайно складає 12 кОм, тому що потужність передавача не безмежна, це створює обмеження на кількість приймачів, підключених до лінії. Відповідно до специфікації RS-485 з обліком резисторів, передавач може вести до 32 приймачів. Однак є ряд мікросхем з підвищеним вхідним опором, що дозволяє підключити до лінії значно більше ніж 32 пристрої. Максимальна швидкість зв'язку по специфікації RS-485 може досягати 10 Мбот/сек. Максимальна відстань - 1200 м. Якщо необхідно організувати зв'язок на відстані більшому 1200 м або підключити більше пристроїв, чим допускає навантажувальна здатність передавача - застосовують спеціальні повторювачі (репитери).
Стандартні параметри інтерфейсу RS-485
- припустиме число передавачів / приймачів 1/10;
- максимальна довжина кабелю 1200 м;
- максимальна швидкість зв'язку 10 Мбот/с;
- діапазон напруг "1" передавача +2...+10 В;
- діапазон напруг "0" передавача -2...-10 В;
- діапазон синфазної напруги передавача -3...+3 В;
- припустимий діапазон напруг приймача -7...+7 В;
- максимальний струм короткого замикання драйвера 150 мА;
- припустимий опір навантаження передавача 100 Ом
- вхідний опір приймача 4 кОм;
- максимальний час наростання сигналу передавача 10% біт.
На рисунку 3.3 наведена схема інтерфейсу RS-485.

Рисунок 3.3 - Схема інтерфейсу RS-485
Мікроконтролер DD1 має у своєму складі стандартний USART за допомогою, якого здійснюється обмін даними із зовнішнім пристроєм в послідовному форматі. Сигнал TхD (передача даних) поступає на вхід мікросхеми DD3 (ADM 488), яка є драйвером інтерфейсу RS-485 і передається по сигнальній лінії зв’язку на певну відстань. На приймальній стороні симетричний сигнал знову поступає на вхід інтерфейсу RS-485 (DD2) і перетворюється в несиметричний сигнал у форматі стандартного USART. Сигнал стандартного USART, який має рівень від 0 до 5 В з виходу мікросхеми DD4 поступає на вхід мікросхеми DD4 (МАХ 232), яка уявляє собою перетворювач рівнів для інтерфейсу RS-232. Вихідний сигнал мікросхеми DD5 у форматі RS-232 поступає на вхід RxD послідовного порта персонального ЕОМ. Сигнал ТxD з виходу послідовного порта ПЕОМ поступає на вхід мікросхема DD5, де за допомогою якої він перетворюється до рівня стандартного USART. Мікросхеми DD2, DD4 живляться від джерела з напругою +5В. Для забезпечення їх живленням сигнали DTR і RTS програмовано встановлюються у рівень +12В і з’єднуються між собою через розв’язуючі діоди VD1, VD2. Через ці діоди та балансний резистор R1, напруга сигналу DTR і RTS поступає на вхід поступового лінійного інтегруючого стабілізатора напруги МС7805, який забезпечує стабілізацію п’ятивольтового живлення для мікросхем DD5, DD6.
Технічні характеристики перетворювача рівня ADM488:
діапазон вхідної напруги низького рівня: від 0 до 0,8 В;
діапазон вхідної напруги високого рівня: від 2,4 до 5 В;
час установки вихідної напруги: 4 мс;
діапазон вихідної напруги: ± 10 В;
швидкість передачі даних: 19200 біт;
максимальна помилка при передачі: 0,2 %.
3.3 Вибір джерела живлення
Живлення
всіх елементів має бути стабільним, щоб
уникнути збоїв у роботі системи. Для
забезпечення високої стабільності
використаємо джерело опорної напруги.
Найкращими джерелами, які випускаються
в теперішній час є: REF-02, AD586, МС780, LM113,
TL431. Одним з найкращих джерел опорної
напруги є мікросхема МС780. Схема
підключення опорного джерела живлення
МС780
показана на рисунку 3.4.

Рисунок 3.4 – Схема включення джерела живлення
Джерело опорної напруги МС780 має такі технічні характеристики:
- відхилення напруги від опорного значення: ± 0,02 В;
- струм споживання 2 μА;
- діапазон струму навантаження: від 0 до 10 mА;
- температурний коефіцієнт вихідної напруги: 10-5ºС .
Для того щоб вхідний сигнал якомога менше спотворити, при його проходженні через резистори, які будемо використовуватися для ділення напруги та схем включення мікроелементів – будуть прецензійними .
3.4 Вибір датчика температури KTY81-121
Вибір датчика температури проведемо за наступним властивостями, даний датчик мати похибку не більше 2%, а також працювати в діапазоні від
-50
до 150
.
Даним критеріям підходить датчик KTY81-121 рисунок 3.5 фірми NXP Semiconductors.

Рисунок 3.5 – Датчик KTY81-121
Це температурний датчик термістор - напівпровідниковий резистор, електричний опір якого істотно зменшується або зростає зі зростанням температури. Для терморезистора характерні великий температурний коефіцієнт опору (ТКС) (в десятки разів перевищує цей коефіцієнт у металів), простота пристрою, здатність працювати в різних кліматичних умовах при значних механічних навантаженнях, стабільність характеристик у часі. Терморезистор виготовляють у вигляді стержнів, трубок, дисків, шайб, намистин і тонких пластинок переважно методами порошкової металургії, їх розміри можуть варіюватися в межах від 1-10 мкм до 1-2 см. Основними параметрами терморезистора є номінальна опір, температурний коефіцієнт опору, інтервал робочих температур, максимально допустима потужність розсіювання.
Основні параметри датчика:
- опір при 25 ° C: 1000 Ω ± 2% (Ic = 1 мА)
- температурний коефіцієнт: 0.75% / K тип
- максимальний струм: 10 мА при 25 ° C, 2 мА при 150 ° C
- постійна часу: 30 сек на нерухомому повітрі: 5 сек в спокійній рідини,
2 сек в поточній рідини
- корпус: SOD-70
4. Електричні розрахунки компонентів системи вимірювання температури
До
портів мікроконтролера ХТAL1 та ХТAL2
під’єднано конденсатори
та
,
між якими розташований кварцовий
резонатор ZQ, призначений для того, щоб
задавати такт роботи мікроконтролера.
Його частота f=1 МГц.
(4.1)

Візьмемо
пФ.
Схема інтерфейсу RS 485 зображена на рисунку 3.3. Для того щоб забезпечити подавлення високочастотних завад живлення кожної мікросхеми, безпосередньо близько до її корпусу шунтуються керамічні конденсатори, а саме С>7>, С>10>, С>8> ємність яких не перевищує 0,1 мкФ . Звідси випливає, що ємність конденсаторів С>7>=С>10>=С>8>=0,1 мкФ. Для подавлення низькочастотних завад і пульсацій використовуємо електролітичні конденсатори С>6> ємність, якого також не повинна перевищувати 0,1 мкФ. Отже С>6>=0,1 мкФ
Конденсатори С>13>, С>14>, С>15>, С>16> призначені для забезпечення функціонування мікросхеми МАХ 232. Згідно з документацією цієї мікросхеми ємність конденсаторів С>13>= С>14> =С>15>=С>16>=0,1 мкФ.
З документації на мікросхему MC7805 визначаємо номінали конденсаторів С>8> – С>9>. та С>17> – С>18 >Отже, обираємо конденсатори С>8>= С>9>=0,1 мкФ, С>17>= С>18>= 10 мкФ.
Для забезпечення стабілізації п’яти-вольтового живлення для мікросхем DD5, DD6 використовуємо діоди VD1 та VD2 - діоди напівпровідникові імпульсні 1N4148, які мають такі характеристики:
- постійна зворотна напруга, U>R >- 75 В;
- імпульсна зворотна напруга, U>RM >- 100 В;
- температура збереження, Т>зб>> >- від –65 до +200°C ;
- робоча температура навколишнього середовища - від –65 до +150°C;
- пряма напруга, U>F1> – 0,1 В;
- зворотний струм, I>R1> - 5 мкА;
- зворотний струм, I>R2> – 0,025 мкА;
- зворотна пробивна напруга, U>BR> – 100 В.
5. Розрахунок похибки вимірювання системи температури
Розрахуємо похибку квантування АЦП. Розрахунок проведемо за такою формулою:
(5.1)
де n- розрядність АЦП n=12;
-
напруга АЦП;
= 10 (В).
Підставивши значення, отримаємо:
.
Розрахунок СКВ похибки квантування за такою формулою
.
(5.2)
Отримаємо:

Розрахуємо похибку, яка буде виникати за рахунок не досконалості датчика.
Розрахунок СКВ похибки датчика за такою формулою:
.
(5.3)
Підставивши значення, отримаємо:

Розрахуємо загальне СКВ похибки датчиків за такою формулою:
.
(5.4)
Підставивши значення, отримаємо:

Висновки
В даному курсовому проекті була розроблена інформаційно-вимірювальна система визначення температури. В першому розділі ми розглянули можливі методи та засоби вимірювання температури. В другому розділі ми розробляли структурні схеми систем для визначення температури та з них обрали найкращу схему яка по критеріях якості була найбільш оптимальною для розробки інформаційно - вимірювальної системи температури. В третьому розділі ми розробили електричну принципову схему, де підібрали мікроконтролер фірми Texas Instruments, MSP430F149, інтерфейс зв’язку між вимірювальною системою і персональним комп’ютером – RS-485, обрали джерело живлення MC7805 та первинний вимірювальний датчик KTY81-121 фірми NXP Semiconductors.
В четвертому розділі ми зробили розрахунки основних вузлів системи для визначення температури. В п’ятому розділі розрахували основну похибки, а саме похибку первинного вимірювального перетворювача –датчика KTY81-121.
Загалом розроблена нами система є життєздатною та досить дієвою при стандартних умовах.
Перелік посилань
Антропогенные проблемы экологии: Методическое пособие. – К.: Вища школа, 1997. – 144 с.
2. Аксенов И.Я., Аксенов В.И. Транспорт и охрана окружающей среды. – М.: Транспорт, 1986. – 176 с.
3. Желібо Е.П., Заверуха Н.М., Зацарнкий В.В. “Безпека життєдіяльності”. – Вінниця: ВНТУ, 2004. – 185 с.
4. Клименко Л.П. Техноекологія – О: Таврія, 2000. – 542 с.
5. Бреслер П.І. Оптичні абсорбційні газоаналізатори і їх використання.– Л.: Енергія, 1980. - 164с.
6. ДСТУ 4277 – 2004: Норми і методи вимірювань вмісту оксиду вуглицю та вуглеводнів у відпрацьованих газах автомобілів з двигунами, що працюють на бензині або газовому паливі.
7. Ю.Ф. Гутаревич, Д.В. Зеркалов, А.Г. Говорун, А.О. Корпач, Л.П. Мержиєвська Екологія автомобільного транспорту: Навч. Посібник – К.: Основа, 2002. – 312с.
8. Проектирование микропроцесорных измерительных приборов и систем/В.Д. Циделко, Н.В. Нагаец, Ю.В. Хохлов и др.- К.: Техніка, 1984.-215с.
7. http://www.ti.com/
С…+150