Исследование RC–автогенераторов для операционных усилителей с мостом Вина
Федеральное агентство по образованию
Государственное образовательное учреждение
Высшего профессионального образования
«воронежский государственный технический Университет»
(ГОУВПО «ВГТУ»)
Радиотехнический факультет
Курсовая работа
по дисциплине Схемотехника электронных средств
Тема: Исследование RC – автогенераторов для операционных усилителей с мостом Вина
Разработал
студент ФВЗО группы РК-082(У)
А.Ю. Белялов
Руководитель
А.И. Мушта
Воронеж 2011
Техническое задание на курсовую работу
1. Частота генерации f=1,5*N=1,5*18=27 Гц.
2. Структура RC–автогенератора – автогенератор с мостом Вина.
3. Тип усилителя – операционный усилитель К140УД8.
4. Создать модель операционного усилителя К140УД8.
5. Провести анализ АЧХ операционного усилителя К140УД8.
6. Исследовать режим генерации автоколебаний с мостом Вина.
7. Провести спектральный анализ генерируемых колебаний.
8. Диапазон рабочих температур от (-25-N) -430С до (+30+N) +480С.
9. Провести анализ влияния температуры на форму и спектральный состав генерируемых колебаний.
10. Исследовать влияние обратной связи на генерацию колебаний
Введение
Генератором гармонических колебаний называют устройство, которое без постоянного возбуждения преобразует энергию источника питания в энергию гармонических колебаний.
Операционный усилитель – это аналоговая интегральная схема, снабженная, как минимумом, пятью выводами. Два вывода ОУ используются в качестве входных, один вывод является выходным, два оставшихся вывода используются для подключения источника питания ОУ. С учетом фазовых соотношений входного и выходного сигналов один из входных выводов называются неинвертирующим, а другой – инвертирующим [1].
Автогенератор – это узкополосный усилитель с положительной обратной связью.
Автогенератор представляет собой устройство, в котором осуществляется преобразование энергии источника постоянного тока в энергию переменных электрических колебаний без подведения к нему внешнего переменного напряжения.
Для возбуждения колебаний в автогенераторах используется положительная обратная связь или активный прибор, имеющий участок характеристики с отрицательным наклоном [2].
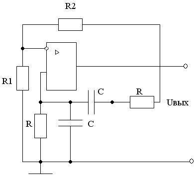
1. Принципиальная схема RC – автогенератора с мостом Вина

Рис.1 RC-генератор с мостом Вина
2. Создание модели операционного усилителя
Для создания модели операционного усилителя К140УД8 мы использовали программу PARTS.
Вводили тип операционного усилителя, выбирали тип транзистора во входном каскаде ОУ и тип его проводимости. [2]
|
Тип транзистора |
2 (полевой с каналом n-типа) |
|
Тип коррекции |
0 (внутренняя коррекция) |
|
+Vpwr |
15 |
|
-Vpwr |
–15 |
|
+Vout |
13 |
|
-Vout |
–13 |
|
+Sr |
0.5e6 |
|
-Sr |
0.5e6 |
|
Pd |
0.21 |
|
Cc |
30e–12 |
|
Ib |
500e–9 |
|
Av-dc |
50e3 |
|
f-OdB |
1e6 |
|
CMRR |
31.62e3 |
|
Phi |
60 |
|
Ro-dc |
100 |
|
Ro-ac |
50 |
|
Ios |
43e–3 |
3. АЧХ операционного усилителя
Коэффициент усиления (К) равен отношению приращения выходного напряжения (тока) к вызвавшему это приращение входному напряжению (току) при отсутствии обратной связи. [2]
Вход (+) (т.е. прямой или неинвертирующий вход) операционного усилителя соединяется с узлом 0 цепи). [2]
Коэффициент усиления операционного усилителя, для данной схемы измерения определяется выражением
K=V(2)/V(1) (1)
Задание на моделирование имеет вид:
*A4H
.lib C:\PSpice\k140ud8.mod
V1 1 0 ac .1v sin(0 1 1000)
V2 6 0 dc 15v
V3 0 7 dc 15v
X1 0 1 6 7 2 k157ud2
.ac dec 10 1 10meg
.probe
.end
Получается следующий график

Рис.2. АЧХ операционного усилителя К140УД8
4. Генерация гармонических колебаний
Для исследования режима генерирования колебаний RC- автогенератора с мостом Вина используется среда Pspice.
С>1>, С>2> выбираем равными 16*10-6, из формулы:
.
(2)
выводим R:
(3)
Подставляем значения f, с в уравнение (3):

Задание на моделирование имеет вид:
*Generator
.lib С:\PSpice\k140ud8.mod
x1 3 1 6 5 4 k157ud2
c1 0 3 16u
c2 3 2 16u
r1 1 0 3.1k
r2 1 4 8k
r3 3 0 348
r4 2 4 348
v1 6 0 dc 15v
v2 0 5 dc 15v
.tran 100m 2s 0 uic
.probe
.end
Получается следующая осциллограмма:

5. Получение спектра генерируемых колебаний
Вывод спектра колебания на экран осуществляется по следующему алгоритму:
1. Запустить задание на моделирование.
2. Войти в меню X_axis.
3. Выбрать пункт Fourier. [2]
График спектра генерируемых колебаний будет выглядеть следующим образом:

Рис.4 Спектр колебаний для ОУ К140УД8
Из спектра видно, что кроме первой гармоники, имеется еще две, на других частотах.
6. Влияние температур на форму и спектральный состав генерируемых колебаний
Для исследования влияния температур на частоту генерации колебаний, необходимо в заданию на моделирование добавить строку, учитывающую диапазон рабочих температур, в частности: .temp -43 48 и запустить задание на моделирование. [2]
*Generator
.lib C:\PSpice\k140ud8.mod
x1 3 1 6 5 4 k140ud8
c1 0 3 16u
c2 3 2 16u
r1 1 0 3.1k
r2 1 4 8k
r3 3 0 348
r4 2 4 348
v1 6 0 dc 15v
v2 0 5 dc 15v
.tran 100m 2s 0 uic
.temp -43 48
.probe
.end
Графики выходных сигналов, с учетом влияния температур:

Спектры колебаний для операционного усилителя К140УД8 с учетом температур выглядят следующим образом:

Рис. 7 Спектр колебаний при температуре -430С

Рис. 8 Спектр колебаний при температуре 480С
7. Влияние обратной связи на генерацию колебаний
Для исследования влияния величины отрицательной обратной связи на генерацию колебаний необходимо в схеме изменить величину сопротивления, например R1, таким образом, чтобы баланс амплитуд не выполнялся:
*Generator
.lib D:\PSpice\k157ud2.mod
x1 3 1 6 5 4 k157ud2
c1 0 3 20u
c2 3 2 20u
r1 1 0 6.1k
r2 1 4 12k
r3 3 0 0.25k
r4 2 4 0.25k
v1 6 0 dc 15v
v2 0 5 dc 15v
.tran 100m 2s 0 uic
.probe
.end

Рис.9 Влияние обратной связи на генерацию колебаний
Из полученного графика видно, что при уменьшении коэффициента обратной связи, генерация становится хуже.
Заключение
В проделанном курсовом проекте смоделировали RC – автогенератор с мостом вина, используя операционный усилитель К140УД8.
Для обеспечения незатухающих колебаний, усилитель должен быть охвачен достаточной положительной обратной связью, т.е. должен быть выполнен баланс амплитуд и баланс фаз.
Сняв АЧХ операционного усилителя, с помощью программы PSpice, удалось увидеть, что коэффициент усиления ОУ имеет максимальное значение равное 72*103 на частоте 1герц.
Спектральный анализ показал, что наличие гармони в выходном сигнале относительно невелико, чему способствует наличие отрицательной обратной связи.
Затухающее колебание происходят в результате того, что условие баланса амплитуд не выполняется. При уменьшение коэффициента обратной связи, генерация становится хуже.
Библиографический список
1. Каяцкас А.А. Основы радиоэлектроники: Учеб. Пособие для студентов вузов по спец. «Констр. и производство радиоаппаратуры».- М.: Высш. шк., 1988.-464 с.: ил.
2. Мушта А.И., Балашов Ю.С., Новожилов О.П. Схемотехническое моделирование аналоговых устройств.: Учебное пособие. 2003. -144с.
3. Степаненко И. П. Основы микроэлектроники: Учебное пособие для вузов. – 2-е изд., перераб. и доп. – М.: Лаборатория Базовых Знаний, 2001. – 488 с.: ил.
1