Інформаційно-вимірювальна система температури
Вступ
Високопродуктивна, економічна і безпечна робота технологічних агрегатів промисловості вимагає застосування сучасних методів і засобів вимірювання величин. Автоматичний контроль є логічно першим ступенем автоматизації, без успішного функціонування якого неможливе створення ефективних АСУ.
В сучасній техніці для вирішення завдань автоматичного контролю все ширше застосовують ЕОМ або мікроконтролери. Всі основні промислові агрегати оснащені різними системами автоматичного контролю і управління за допомогою ЕОМ.. Основними параметрами, які необхідно контролювати є температура різних середовищ; витрати, тиск, склад газів і рідин; склад металів; геометричні розміри прокату. І саме комп`ютерний контроль надзвичайно сильно впливає на ефективність функціонування всіх основних механізмів, оскільки ту велику кількість інформації, що поступає від вимірювальних систем не можливо опрацювати оператору.
Також значно збільшилася кількість вимірювальних систем в побуті. Наприклад, в системах контролю опалення приміщень основну роль відіграють ІВС контролю температури, що значно збільшує енергозбереження. Саме через доцільність таких розробок я вибрав дану тему курсового проекту.
1 Огляд літературних джерел
1.1 Поняття про температуру і про температурні шкали
Температурою називають величину, що характеризує тепловий стан тіла. Згідно кінетичної теорії температуру визначають як міру кінетичної енергії поступального руху молекул. Звідси температура є умовна статистична величина, прямо пропорційна середній кінетичній енергії молекул тіла.
На початку XX століття широко застосовувалися шкали Цельсія і Реомюра, а в наукових роботах - також шкали Кельвіна і водневу. Перерахунки з однієї шкали на іншу створювали великі труднощі і приводили до ряду непорозумінь. Тому в 1933 році було ухвалене рішення про введення Міжнародної температурної шкали (МТШ).
Досвід застосування МТШ показав необхідність внесення в неї ряду уточнень і доповнень, щоб по можливості максимально наблизити її до термодинамічної шкали. Тому МТШ була переглянута і приведена у відповідність із станом знань того часу. У 1960 році було затверджене нове "Положення про міжнародну практичну температурну шкалу 1948 року. Редакція 1960 р.".
1.2 Пристрої для вимірювання температур
Температуру вимірюють за допомогою пристроїв, що використовують різні термометричні властивості рідин, газів і твердих тіл. Існують десятки різних пристроїв, що використовуються в промисловості, при наукових дослідженнях, для спеціальних цілей.
У таблиці 1 приведені найбільш поширені пристрої для вимірювання температури і практичні межі їх застосування.
Таблица 1 - Найбільш поширені пристрої для вимірювання температури
|
Термометрична властивість |
Назва пристрою |
Межі
тривалого застосування,
|
|
|
Нижня |
Верхня |
||
|
Теплове розширення |
Рідинні скляні термометри |
-190 |
600 |
|
Зміна тиску |
Манометричні термометри |
-160 |
60 |
|
Зміна електричного опору |
Електричні термометри опору. |
-200 |
500 |
|
Напівпровідникові термометри опору |
-90 |
180 |
|
|
Термоелектричні ефекти |
Термоелектричні термометри (термопари) стандартизовані. |
-50 |
1600 |
|
Термоелектричні термометри (термопари) спеціальні |
1300 |
2500 |
|
|
Теплове випромінювання |
Оптичні пірометри. |
700 |
6000 |
|
Радіаційні пірометри. |
20 |
3000 |
|
|
Фотоелектричні пірометри. |
600 |
4000 |
|
|
Колірні пірометри |
1400 |
2800 |
1.3 Рідинний та манометричний термометри
Найстаріші пристрої для вимірювання температури - рідинні скляні термометри - використовують термометричну властивість теплового розширення тіл. Дія термометрів заснована на відмінності коефіцієнтів теплового розширення термометричної речовини і оболонки, в якій вона знаходиться (термометричного скла або рідше кварцу).

Рисунок 1 - Рідинний скляний термометр
Рідинний термометр складається з скляних балона 1, капілярної трубки 3 і запасного резервуару 4 (рисунок 1). Термометрична речовина 2 заповнює
балон і частково капілярну трубку. Вільний простір в капілярній трубці і в запасному резервуарі заповнюється інертним газом або може знаходитися під вакуумом. Запасний резервуар служить для оберігання термометра від псування при надмірному перегріві.
Як термометрична речовина найчастіше застосовують хімічно чисту ртуть. Вона не змочує стекла і залишається рідкою в широкому інтервалі зміни температур. Окрім ртуті як термометрична речовина в скляних термометрах застосовуються і інші рідини, переважно органічного походження. Наприклад: метиловий і етиловий спирт, гас, пентан, толуол, галій, амальгама талія.
Основні переваги скляних рідинних термометрів - простота використання і достатньо висока точність вимірювання навіть для термометрів серійного виготовлення. До недоліків скляних термометрів можна віднести: погану видимість шкали (якщо не застосовувати спеціальної збільшувальної оптики) і неможливість автоматичного запису свідчень, передачі свідчень на відстань і ремонту.

Рисунок 2 - Манометричний термометр
Дія манометричних термометрів заснована на використанні залежності тиску речовини при постійному об'ємі від температури. Замкнута вимірювальна система манометричного термометра складається з (рисунок 2) чутливого елементу, що сприймає температуру вимірюваного середовища, - металевого термобаллона 1, робочого елементу манометра 2, що вимірює тиск в системі, довгого з`єднувального металевого капіляра 3. При зміні температури вимірюваного середовища тиск в системі змінюється, внаслідок чого чутливий елемент переміщує стрілку або перо за шкалою манометра, отградуйованого в градусах температури. Манометричні термометри часто використовують в системах автоматичного регулювання температури, як бесшкальні пристрої інформації (датчики).
Манометричні термометри підрозділяють на три основні різновиди:
- рідинні, в яких вся вимірювальна система (термобаллон, манометр і сполучний капіляр) заповнені рідиною;
- конденсаційні, в яких термобаллон заповнений частково рідиною з низькою температурою кипіння і частково - її насиченими парами, а з`єднувальний капіляр і манометр - насиченими парами рідини або, частіше, спеціальною передавальною рідиною;
- газові, в яких вся вимірювальна система заповнена інертним газом.
Перевагами манометричних термометрів є порівняльна простота конструкції і застосування, можливість дистанційного вимірювання температури і можливість автоматичного запису показів. До недоліків манометричних термометрів відносяться: відносно невисоку точність вимірювання (клас точності 1,6; 2,5; 4,0 і рідше 1,0); невелику відстань дистанційної передачі показів (не більше 60 метрів) і складність ремонту при розгерметизації вимірювальної системи.
Перевірка показів манометричних термометрів проводиться тими ж методами і засобами, що і скляних рідинних.
1.4 Термоелектричні термометри
Для вимірювання температури в металургії найбільш широкого поширення набули термоелектричні термометри, що працюють в діапазоні температур від -200 до +2500 0C і вище. Даний тип пристроїв характеризує висока точність і надійність, можливість використання в системах автоматичного контролю і регулювання параметра, що значною мірою визначає хід технологічного процесу в металургійних агрегатах.
Суть термоелектричного методу полягає у виникненні ЕРС в провіднику, кінці якого мають різну температуру. Для того, щоб зміряти дану ЕРС, її порівнюють з ЕРС іншого провідника, що створює з першим термоелектричну пару AB (рисунок 3), в ланцюзі якої потече струм.

Рисунок 3 - Термоелектричний термометр
Результуюча термо-ЕРС ланцюга, що складається з двох різних провідників A і B (однорідних по довжині), рівна
(1.1)
або
(1.2)
де
і
- різниці потенціалів провідників A і B
відповідно при температурах t>2>
і t>1>,
мВ.
Термо-ЕРС даної пари залежить тільки від температури t>1> и t>2> і не залежить від розмірів термоелектродов (довжини, діаметру), величин теплопровідності і питомого електроопору.
Для збільшення чутливості термоелектричного методу вимірювання температури у ряді випадків застосовують термобатарею: декілька послідовно включених термопар, робочі кінці яких знаходяться при температурі t>2>, вільні при відомій і постійній температурі t>1>.
Термоелектричний термометр (ТТ) - це вимірювальний перетворювач, чутливий елемент якого (термопара) розташований в спеціальній захисній арматурі, що забезпечує захист термоелектродов від механічних пошкоджень і дії вимірюваного середовища.
Термоелектричні термометри випускаються двох типів: занурювані, поверхневі. В промисловостіь виготовляються пристрої різних модифікацій, що відрізняються за призначенням і умовам експлуатації, за матеріалом захисного чохла, за способом установки термометра в точці вимірювання, по герметичності і захищеності від дії вимірюваного середовища, по стійкості до механічних дій, по ступеню теплової інерційності і т.п.
В умовах тривалої експлуатації при високих температурах і агресивній дії середовищ з'являється нестабільність градуювальної характеристики, яка є наслідком ряду причин: забруднення матеріалів термоелектродів домішками із захисних чохлів, керамічних ізоляторів і атмосфери печі; випаровування одного з компонентів сплаву; взаємної дифузії через спай. Величина відхилення може бути значною і різко збільшується із зростанням температури і тривалістю експлуатації. Вказані обставини необхідно враховувати при оцінці точності вимірювання температури у виробничих умовах.
Перевірка ТТ зводиться до визначення температурної залежності термо-ЕРС і порівнянні одержаного градуювання із стандартними значеннями.
1.5 Електричні термометри опору
У металургійній практиці для вимірювання температур до 6500С застосовуються термометри опору (ТО), принцип дії яких заснований на використанні залежності електричного опору речовини від температури. Знаючи дану залежність, по зміні величини опору термометра судять про температуру середовища, в яке він занурений. Вихідним параметром пристрою є електрична величина, яка може бути виміряна з досить високою точністю (до 0,020С), передана на великі відстані і безпосередньо використана в системах автоматичного контролю і регулювання.
Як матеріали для виготовлення чутливих елементів ТО використовуються чисті метали: платина, мідь, нікель, залізо і напівпровідники.
Зміна
електроопору даного матеріалу при зміні
температури характеризується температурним
коефіцієнтом опору
,
який обчислюється за формулою
,
(1.3)
де t - температура матеріалу, 0С; R>0> і R>t> - електроопір відповідно при 0 0С і температурі t, Ом.
Опір напівпровідників із збільшенням температури різко зменшується, тобто вони мають негативний температурний коефіцієнт опору практично на порядок більше, ніж у металів. Напівпровідникові термометри опору (ТОНП) в основному застосовуються для вимірювання низьких температур (1,5 - 400 К).
Перевагами ТОНП є невеликі габарити, мала інерційність, високий коефіцієнт . Проте вони мають істотні недоліки:
- нелінійний характер залежності опору від температури;
- відсутність відтворюваності складу і градуювальної характеристики, що виключає взаємозамінюваність окремих ТО даного типу. Це приводить до випуску ТОНП з індивідуальним градуюванням.
Значно рідше в металургійній практиці зустрічаються напівпровідникові термометри опору (ТОНП) для вимірювання температури (-90)…(+180)0С. Їх застосовують в термореле, низькотемпературних регуляторах, що забезпечують високоточну стабілізацію сенсорних елементів газоаналізаторів, хроматографов, корпусів пірометрів, електродів термоелектричних установок для експрес-аналізу складу металу і т.п.
1.6 Безконтактне вимірювання температури
Про температуру нагрітого тіла можна говорити на підставі вимірювання параметрів його теплового випромінювання, що являють собою електромагнітні хвилі різної довжини. Чим вища температура тіла, тим більше енергії воно випромінює.
Термометри, дія яких заснована на вимірюванні теплового випромінювання, називають пірометрами. Вони дозволяють контролювати температуру від 100 до 6000 0С і вище. Однією з головних переваг даних пристроїв є відсутність впливу вимірювача на температурне поле нагрітого тіла, оскільки в процесі вимірювання вони не вступають в безпосередній контакт один з одним. Тому дані методи одержали назву безконтактних.
На підставі законів випромінювання розроблені пірометри наступних типів:
- пірометр сумарного випромінювання (ПСВп) - вимірюється повна енергія випромінювання;
- пірометр часткового випромінювання (ПЧВ) - вимірюється енергія в обмеженій фільтром (або приймачем) ділянці спектру;
- пірометри спектрального відношення (ПСВ) - вимірюється відношення енергії фіксованих ділянок спектру.
Залежно від типу пірометра розрізняються радіаційна, колірна температури та температура яскравості.
Радіаційною температурою реального тіла Т>р> називають температуру, при якій повна потужність АЧТ рівна повній енергії випромінювання даного тіла при дійсній температурі Т>д>.
Температурою яскравості реального тіла Т>я>, називають температуру, при якій щільність потоку спектрального випромінювання АЧТ рівна щільності потоку спектрального випромінювання реального тіла для тієї ж довжини хвилі (або вузького інтервалу спектру) при дійсній температурі Т>д>.
Колірною
температурою реального тіла Т>ц>
називають температуру, при якій відношення
щільності потоків випромінювання АЧТ
для двох довжин хвиль
і
рівні відношенню щільності потоків
випромінювань реального тіла для тих
же довжин хвиль при дійсній температурі
Т>д>.
Принцип дії оптичних пірометрів
заснований на використанні залежності
щільності потоку монохроматичного
випромінювання від температури.
У
фотоелектричних пірометрах з межами
вимірювання від 500 до
1100 0С
застосовують киснево-цезієвий фотоелемент,
а в приладах з шкалою 800 - 4000 0С
вакуумний сурм'яно-цезієвий. Поєднання
останнього з червоним світлофільтром
забезпечує отримання ефективної довжини
хвилі пірометра 0,650,01
мкм,
що приводить до збігу показів
фотоелектричного пірометра з показами
візуального оптичного пірометра.
1.7 Цифрові вимірювачі температури
Загальні особливості побудови цифрових вимірювачів температури (ЦВТ) зв`язані з низьким рівнем сигналів первинних вимірювальних перетворювачів, високим рівнем завад нормального та спільного видів (як правило, співвимірним з корисним сигналом), необхідністю лінеаризації загальної функції перетворення, забезпеченням високої часової стабільності та малих змін їх показів у широкому діапазоні зміни температури довкілля. Спеціальні вимоги випливають з особливостей використання первинних вимірювальних перетворювачів: необхідність компенсації впливу зміни температури вільних кінців термоелектричних перетворювачів, суттєве зменшення похибок від перегріву терморезистивних перетворювачів вимірювальним струмом, забезпечення інваріантності результату вимірювання до значення вимірювального струму, а також опорів з`єднувальних ліній. Для врахування вказаних особливостей ЦВТ виконуються з автоматичною корекцією адитивної складової похибки в цифровій частині приладу ата цифровою лінеаризацією загальної функції перетворення. Значного послаблення завад досягають використанням методу АЦП з ваговим двотактним інтегруванням та гальванічним розділенням аналогової та цифрової частини приладів.
В ЦВТ з термоелектричними перетворювачами (рисунок 4) використовуються аналогова схема компенсації впливу зміни температури вільних кінців, а корекція адитивної похибки здійснюється за методом комутаційного інвертування.

Рисунок 4 – Структурна схема ЦВТ з термоелектричними перетворювачами
Аналогова частина ЦВТ містить перемикач полярності П, масштабний підсилювач МП, перетворювач напруги в інтервал часу ПНЧ, блок опорної напруги Е>0 >та блок керування аналоговою частиною БКА. Ця частина екранована та гальванічно розділена з його цифровою частиною за допомогою блока гальванічного розділення БГР. Цифровачастина складається з блоку керування БК, боку корекції адитивної похибки БКА, блоку цифрової лінеаризації БЦЛ та блоку відображення інформації БВІ.
Код
результату вимірювання
і пропорційний йому показ отримується
за два цикли перетворення при протилежних
полярностях вхідної напруги
,
яка інвертується перемикачем полярності
П,
,
(1.4)
де
Т -
тривалість часу інтегрування вхідної
напруги;
- опорна частота;
- коефіцієнт передачі масштабного
підсилювача МП; Е>0>
– опорна напруга АЦП;
- коефіцієнт перетворення блока цмфрової
лінеаризації.
О
скільки
скореговане за методом комутаційного
інвертування значення адитивної похибки
є нехтовно малим (менше ±0,5 мкВ
і не перевищує половини одиниці молодшого
розряду), то стабільність таких ЦВТ
визначається тільки стабільністю їх
масштабних елементів. Для сучасної
елементної бази нормований час
безперервної роботи приладів без
підстроювання становить 5000 год
(1 календарний рік) у важких промислових
умовах.
Рисунок 5 – Структурна схема ЦВТ з терморезистивними перетворювачами
ЦВТ
з терморезистивними перетворювачами
відрізняються тільки наявністю деяких
блоків в аналоговій частині (рисунок
5). В аналоговій частині є такі відсінні
блоки: перетворювач напруга-струм ПНС,
перетворювач струм-напруга ПСН, суматор
СМ, масштабний резистор
.
Терморезистивні перетворювачі можуть
під`єднуватись до ЦВТ як чотирипровідною
лінією до струмових С1, С2 та потенціальних
П1, П2 входів (ключ S
- в положенні 1), так і трипровідною (ключ
S
– в положенні 2). Корекція адитивной
похибки здійснюється за методом модуляції
вимірювального струму, значення яких
встановлюється перетворювачем
напруга-струм ПНС.
За
умови
код
результату вимірювання для чотирипровідної
лінії зв`язкувизначатиметься як
,
(1.5)
де
- опір терморезистивного перетворювача
при 0
;
- коефіцієнт пертворення напуги на
струм;
- відношення опорів терморезистивного
перетворювача.
Для
трипровідної лінії зв`язку код
результату вимірювання знаходиться як
,
(1.6)
де
,
- опори першого та другого струмових
дротів;
- коефіцієнт передачі суматора за
середнім входом.
При
виконанні коефіцієнта передачі
підстроюваним, трудомістка операція
підгонки різниці опорів (
,
де
- опір резистора підгонки) замінюється
набагато простішою операцією підстроювання
.
Це забезпечує інваріантність результату
вимірювання до опорів три провідної
лінії зв`язку.
В Україні ЦВТ промислового використання типів А565.А56, ЦР7701 серійно випускаються ВАТ «Мукачівприлад». Вони призначені для роботи із всіма стандартними первинними перетворювачами, їх похибка (0,1…0,2)% в декілька разів менша від похибок цих перетворювачів.
2 Техніко-економічне обгрунтування доцільності розробки
На мою думку, розробки інформаційно-вимірювальних систем вимірювання температури в наш час є надзвичайно доцідьними, оскільки у світі настає період енергетичних та палиних криз і все частіше можна почути про доцільність енерго-зберігаючих технологій. А розробка такої технології не можлива без контролю затрат. Наприклад, існують системи автоматичного опалення приміщень. Де інформація про температуру повинна збиратись з декількох точок приміщення. А контроль за цим покладається саме на інформаційно-вимірювальні системи.
Також будь-яка сучасна побутова техніка оснащена сенсорами температури: праски, мікрохвильові пічки, пральні машини тощо. Так не всі дані прилади потребують використання саме ІВС, мікропроцесорної техніки або комп`ютера, але доцільність вимірювання та контролю температури не викликає сумнівів.
При позробці та обранні структурної схеми необхідно враховувати цілі та мету майбутнього пристрою, тобто сферу використання, ціну та якість приладу. Тобто необхідно тверезо оцінити усі недоліки та переваги можливих варіантів структурних схем. При розробці даного проекту я керувався наступними варінтами структурної схеми:

Рисунок 6 - Структурна схема ІВС вимірювання температури без використання шини обміну даними

Рисунок 7 - Структурна схема ІВС вимірювання температури з використанням шини обміну даними

Рисунок 8 - Структурна схема ІВС вимірювання температури з використанням гальванічної розв`язки
На структурних схемах використані наступні позначення:
t0/U – первинний вимірювальний перетворювач температура-напруга (використовується для перетворення температури у постійну напругу);
МХ – мультиплексор, який використовується для комутації двох каналів;
Л/# – аналогово-цифровий перетворювач. Потрібний для перетворення значення температури у цифровий код і передачі на мікроконтролер;
MCU – мікроконтролер;
І – інтерфейс. Потрібний для передачі даних від мікро контролера до ПК.
Проаналізуємо переваги та недоліки усіх трьох варіантів у вигляді порівняльної таблиці:
Таблиця 2 – Порівняння варіантів структурних схем
|
Ознака |
І |
ІІ |
ІІІ |
П |
|
Надійність |
1 |
0 |
1 |
1 |
|
Низька собівартість |
1 |
0 |
0 |
1 |
|
Простота реалізації |
1 |
1 |
0 |
1 |
|
Швидкодія |
0 |
1 |
1 |
1 |
|
Точність |
0 |
1 |
1 |
1 |
|
Мобільність |
1 |
1 |
0 |
1 |
|
Зручність у побуті |
1 |
0 |
0 |
1 |
|
ΣЕ |
5 |
4 |
3 |
7 |
|
|
0,71 |
0,57 |
0,42 |
1 |
Отже, по результатам порівняння ознак обираємо той варіант, який набрав найбільший бал, тобто, перший варіант. Розробку принципової електричної схеми потрібно проводити на основі обраної структурної.
3 Розробка структурної схеми
Мною обрана структурна схема, що зображена на рисунку
Вона є оптимальною, оскільки звідповідає усім поставленим вимогам.

Рисунок 9 - Структурна схема багатоканальної системи вимірювання температури
Роз`яснення основних структурних блоків:

- датчик температури, призначений для вимірювання температури повітря в межах від -450С до +1250С;
-
мультиплексор,
призначений для керування потоками
даних, - для вибору каналу, за якими
проводиться вимірювання та інших задач
пов’язаних с керуванням потоками
інформації;
-
АЦП, призначений
для перетворення вхідної безперервної
величини, що містить вимірювальну
інформацію у цифровий код, який теж
містить дану інформацію;

- мікроконтролер, призначений для обробки вимірювальної інформації, що переставлена у цифровому вигляді, для керування даною інформацією та забезпечення обміну даними між окремими частинами ІВС та зовнішніми пристроями;

- інтерфейс, призначений для обміну даними між ІВС та зовнішніми пристроями, зокрема ЕОМ.
4 Розробка електричної принципової схеми
4.1 Вибір первинного вимірювального перетворювача
В якості первинного вимірювального перетворювача обрано датчик температури на базі схеми LM232 фірми SGS-Thompson Microelectronics. Дана мікросхема має такі основні характеристики:
- температурний коефіцієнт 10 мВ/0C;
- діапазон вимірювання від -400C до +1250C;
- здатність калібрування;
- динамічний опір менше 1 Ом;
- захист від зворотної напруги;
- максимальна похибка 2%;
- лінійність;

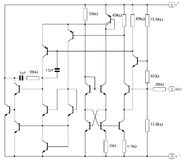
Рисунок 10 – Структурна схема LM235
4.2 Вибір мультиплексора
Для використання в схемі обраний мультиплексор ADG604 фірми Analog Device – 4-х канальний CMOS мультиплексор з ін`єкцією заряду 1 пКл і з низькими струмами витоку
Особливості даного мультиплексора:
– Ін`єкція заряду 1 пКл;
Біполярне живлення від +/- 2.7 В до +/-5.5 В;
Однополярне живлення від +2.7 В до +5.5 В;
Розширений температурний діапазон від -40С до +125С;
Струми витоку 100 пА;
Опір відкритого каналу 85 Ом (тип);
Робота з сигналами від шини до шини живлення;
Малий час комутації;
Типове енергоспоживання менше 0.1 мкВт;
TTL/CMOS- сумісні входи;
Корпус типу 14-Lead TSSOP.

Рисунок 11 - Функціональна блок- схема ADG604

Рисунок 12 – Розташування виводів ADG604
Опис мікросхеми: ІС ADG604 є CMOS, аналоговим мультиплексором, що складається з 4-х одинарних каналів. Він працює від одно- /бі - полярного джерел живлення з напругами від +2.7 В до +5.5 В/ від +/-2.7 до +/- 5.5 В.
ІС ADG604 комутує один з чотирьох входів на загальний вихід D, відповідно до стану управляючих і адресних сигналів A0, A1 і EN. Низький логічний рівень („0”) на вході EN відключає пристрій.
І С ADG604 володіє ультра - низьким рівнем ін`єкції заряду 1 пКл і низькими струмами витоку, менше 250 пА. ІС володіє опором відкритого каналу 85 Ом (тип), і розузгодженням опорів між каналами не більше 8 Ом. ІС ADG604, також має низьке значення розсіюваної потужності при малому часі комутації каналів.
4.3 Вибір аналогово-цифрового перетворювача
Обраний аналогово-цифровий перетворювач AD7476 також фірми Analog Device. 12 бітний 1 MSPS АЦП в 6 вивідному SOT-23 корпусі.
Основні характеристики:
Висока швидкість перетворення: 1 MSPS
Однополярне живлення VDD 2,35 В і 5 В;
Мала споживана потужність:
max 3.6 мВт при 1 MSPS і 3 В живленні;
max 15 мВт при 1 MSPS і 5 В живленні;
– Широка смуга вхідного сигналу:
SINAD = 70 дБ на частоті вхідного сигналу 100 кГц;
Гнучке управління потужністю зміною частоти тактових імпульсів;
Відсутність конвеєрної затримки;
Сумісність з швидкодіючими послідовними інтерфейсам SPI/ QSPI / MICROWIRE/ DSP;
Мале споживання в черговому режимі: 1 мкА max;
6 вивідний SOT-23 корпус.

Рисунок 13 – Функціональна схема AD7476

Рисунок 14 – Розташування виводів AD7476
Загальний опис:
AD7476 - 12 бітовий швидкодіючий малопотужний аналого-цифровий перетворювач послідовного наближення (SAR). Прилад працює від однополярного джерела живлення 2,35 В або 5 В і має швидкість перетворення 1MSPS відповідно. Прилад має малошумовий широкосмуговий диференціальний пристрій вибірки-зберігання (ПВЗ), який може обробляти вхідні сигнали з частотою більше 1 Мгц
Процеси початку перетворення і видачі даних синхронізуються сигналом на вході non CS і послідовними тактовими імпульсами, що дозволяє передавати дані в мікропроцесори або DSP. Вибірка вхідного сигналу, перетворення і видача даних починаються на вході сигналу nonCS. Прилади не мають конвеєрної затримки перетворення. При виготовленні AD7476 використовуються новітні технологічні прийоми, що дозволяють мінімізувати споживану потужність при високій продуктивності.
4.4 Вибір мікроконтролера
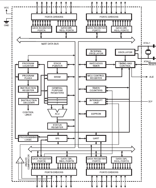
Мною вибраний мікроконтролер AT90S8515 фірми Atmel. Даний мікроконтролер є 8-ми розрядним мікроконтролер з 8 Кб флеш-пам`яттю. Містить внутрішню ОЗУ 512 Кб. Живлення від 2,7 до 6,0 В. Виходи сумісні з RS інтерфейсом.

Рисунок 15 – Блок-схема мікроконтролера AT90S8515

Рисунок 16 - Розташування виводів мікроконтролера AT90S8515
В схемі використовується живлення +5В.
Оскільки усі мікросхеми в даній принциповій схемі живляться напругою 5 В, то я вибрав лінійний стабілізатор напруги MC7805 фірми Motorola. Його характеристики повністю задовольняють вимоги моєї схеми.
5 Електричні розрахунки елементів електричної принципової схеми
Розрахуємо резистор R>1 >та R>2>.
Оскільки
максимальна напруга, що можлива на вході
АЦП становить 5 В, а зміна сигналу датчика
при зміні температури в максимальній
точці вимірювальної напруги становить
1,65 В, то спад напруги на даних резисторах
повинен становити приблизно 2 В. Сила
струму повинна не перевищувати 5 мА.
Тобто,
.
Розрахуємо резистор R>5>.
Встановлюємо
сигнали DTR
та RTS
в рівні логічного нуля, тобто встановлюємо
вихідну напругу на даних виходах +12 В.
За допомогою ввімкнення діодів VD1
та VD2
за схемою «або» досягається
навантажувальна
здатність в 30 мА.
Так як спад напруги на лінійному
стабілізаторі
становить 7 В, то
.
Діоди VD>1> та VD>2> обираємо за умовою
, (5.1)
Таким
параметрам підходить діод BAV17
(
).
Резистори R>1> та R>2> обираємо C5 – 42В. Із стандартного ряду Е24 вибираємо номінал 1,5 кОм.
Підключення мікросхем DD1, DD2, DD4, DD4, DA3 мають свої електричні схеми підключення, які рекомендовані виробниками, тому є не доцільним розрахунок решти елементів. Їх номінали беруться рекомендовані виробником і вони зазначені у додатку.
6 Алгоритмічне забезпечення
Живлення усіх елементів відбувається від послідовного інтерфейсу RS232.
Фіксація температури на датчиках проходить безперервно. Вихідний сигнал датчиків поступає на мультиплексом. Який керується мікро контролером. В залежності від коду сигналів на входах мультиплексора А0 та А1 відбувається комутація вихідного сигналу одного з датчиків на АЦП. Вхід EN мультиплексора вмикає його. Тому в робочому режимі мультиплксора на ньому завжди повинен бути рівень логічної «1». Для того, щоб закомутувати вихід датчика DA2 на АЦП потрібно сформувати на виході AD0 та AD1 рівні логічного нуля. А для комутації датчика DA1 на виході AD0 формується рівень логічної одиниці, а на AD1 формується рівень логічного «0».
Таблиця 3 – Таблиця істинності ADG604
|
A1 |
A0 |
EN |
Відкритий канал |
|
Х |
Х |
0 |
- |
|
0 |
0 |
1 |
S1 |
|
0 |
1 |
1 |
S2 |
|
1 |
0 |
1 |
S3 |
|
1 |
1 |
1 |
S4 |
Після
комутації відповідного датчика на АЦП
DD2,
на його виході формується відповідний
цифровий код. Даний код у відповідний
момент після формування сигналу
на виході
мікроконтролера DD3
зчитується
мікроконтролером. Далі цифровий код
надходить до інтерфейсу RS232
через перетворювач рівнів.
7 Метрологічні характеристики
Похибка вимірювання даного пристрою буде складатися похибки ПВП і похибки квантування АЦП .
Абсолютна максимальна похибка ПВП на всьому діапазоні вимірювань без калібрування Δ=20С;
Розрахуємо середньо-квадратичне відхилення (СКВ) похибки вимірювання ПВП:
(7.1)
Розрахуємо похибку квантування АЦП за формулою:
(7.2)
де
n-
розрядність АЦП ,
- опорна напруга АЦП,
= 5 (В).
В нашому випадку n=12.
При підставленні значень, отримаємо:

Розрахуємо СКВ похибки квантування
.
(7.3)
Підставивши значення, отримаємо:

Далі розрахуємо загальне СКВ похибки системи:
.
(7.4)
При підставленні значеннь, отримаємо:

Отже, абсолютна похибка системи розраховується за формулою:

При підставленні значень, отримаємо
(7.5)
Фактично, вийшло, що похибка нашої системи залежить лише від похибки ПВП, так як Δ>ПВП>>>Δ>АЦП.>
Висновки
В даному курсовому проекті розроблена багатоканальна система вимірювання температури. В огляді літературних джерел були викладені основні поняття про температуру, методи та засоби її вимірювання. Була обґрунтована техніко-економічна доцільність даного проекту та вибрана відповідна структурна схема. Були проведені відповідні розрахунки базових елементів принципіальної схеми та виконані метрологічні розрахунки.
На мою думку даний проект повністю відповідає поставленим вимогам до багатоканальних вимірювальних систем. Даний пристрій може бути використаний для вимірювання температури як в приміщеннях так і ззовні.
Література
Измерения и компьютерно-измерительная техника: Учеб. пособие / В.А. Поджаренко, В.В. Кухарчук. – К.: УМК ВО, 1991. – 240 с. – На укр.яз.
Хазанов Б.И. Интерфейсы измерительных систем.- М.: Энергия, 1979. – 169с.
Метрологическое обеспечение измерительных информационных систем (теория, методология, организация)./Е.Т. Удовиченко, А.А.Брагин, А.Л.Семенюк, В.И.Бородатый, Э.С. Браилов, Ю.И. Койфман, А.Д. Пинчевский. – М.: Изд-во стандартов, 1991.-192 с.
Вострокнутов Н.Н. Цифровые измерительные устройства. Теория погрешностей, испытаний, поверка. –М.: Энергоатомиздат, 1990.-208с.
Проектирование микропроцесорных измерительных приборов и систем/В.Д. Циделко, Н.В. Нагаец, Ю.В. Хохлов и др.- К.: Техніка, 1984.-215 с.
www.analog.com
www.atmel.com
www.alldatasheet.com
Метрологія та вимірювальна техніка: Підручник/ За ред. _роф..Є.С. Поліщука. – Львів: Видавництво «Бескіи Біт», 2003. – 544 с.
Конспект лекцій з дисципліни „Інформаційно-вимірювальні системи”
