Складання радіоелектронних схем та користування вимірювальними приладами
Міністерство освіти і науки України
Первомайський політехнічний коледж
Первомайського політехнічного інституту
Національного університету кораблебудування ім. адмірала Макарова
ЗВІТ
з проходження навчальної практики
Студента групи______________________ ________________________
зі спеціальності 5.05010201 “Обслуговування комп’ютерних систем та мереж”
_____________________________________________________________
(прізвище, ім’я по батькові)
Назва практики__ ____________________________________________
Місце проходження практики __________________________________
Термін практики з __________ по __________
Студент ________________
Керівник практики ________________
Первомайськ 2011
Зміст
Практична робота №1
Практична робота №2
Практична робота №3
Практична робота №4
Практична робота №5
Практична робота №6
Практична робота №7
Практична робота №8
Практична робота №9
Висновок
Література
ПРАКТИЧНА РОБОТА № 1
Тема: Ознайомлення з робочим місцем. Вивчення техніки безпеки при роботі з приладами та під час проведення вимірювань.
Мета роботи: Вивчити техніку безпеки при роботі з електрорадіовимі-рювальними приладами під час проведення вимірювань.
Теоретична частина
1. Вимоги безпеки під час виконання робіт.
Користуватися тільки тими приладами, які передбачені темою заняття.
Проводити низьковольтні з'єднання
при виключених тумблерах
живлення.
Приєднання шлейфів
електро-радіовимірювальних приладів
до джерел досліджувальних сигналів
проводити при відключеному живленні
цих
джерел.
При монтажних роботах з використанням паяльників, які повинні бути низьковольтними (27 - 40 В), повинна працювати витяжна вентиляція.
2. Вимога безпеки в аварійних ситуаціях.
При виникненні загорання вимкнути
всі прилади, виконувати
розпорядження
викладача по ліквідації причин та
наслідків загорання.
При загрозі ураження електрострумом
сповістити викладача,
та негайно
вимкнути прилади. В разі необхідності,
здійснити допомогу
потерпілому.
При опіках захистити уражені місця пов'язкою із стерильного бинту, негайно звернутися в медпункт.
3. Вимоги безпеки після закінчення роботи.
3.1. Прибрати місце, де проводилася робота.
3.2. Вимкнути обладнання відповідно до інструкції з експлуатації
ПРАКТИЧНА ЧАСТИНА
1. Підготовчий етап.
Ознайомився з теоретичною частиною практичної роботи.
2. Виконавчий етап.
ЗАХОДИ БЕЗПЕКИ ПРИ РОБОТІ З мілівольтметрАМИ.

Корпус приладів повинні бути заземлені. Клеми для захисного заземлення знаходиться на задній панелі приладів.
Елементи електричної схеми, за винятком перемикача під діапазонів, вхідного дільника, міліамперметра і трансформатора розташовані на одній друкарській платні, закріпленій до стягувань з лівого боку.
Міліамперметр кріпиться до передньої рами за допомогою утримувачів Екран вхідного дільника кріпиться до стягувань В ньому встановлені схемні елементи вхідного дільника, перемикач під діапазонів S1, гніздо XI, перемикач мережі S2 і утримувач індикатора включення приладу
На задній панелі приладу кріпиться трансформатор Т1, встановлені утримувач плавких вставок Р1, Р2, розетка Х6, гнізда Х4, Х5 і клемі захисного заземлення.
Заходи безпеки при роботі з осцилографАМИ
При експлуатації, ремонті і настройці осцилографа слід враховувати наявність усередині напруг, небезпечних для життя людини, тому категорично забороняється робота приладу із знятими кришками і без заземлення корпусу.
Всі перепаювання в
осцилографі необхідно проводити
при
вимкненому тумблері СЕТЬ, а при
перепаюваннях в блоці живлення, зважаючи
на небезпеку поразки напругою мережі,
необхідно виймати з розетки вилку кабелю
живлення.
При вимірюваннях в
ланцюгах схеми управління ЕПТ необхідно
використовувати високовольтних пробників
через наявність в схемі напруг
920 V і
8000 V. Слід
пям'ятати що напруга 8000 V зберігається
протягом
довгого часу після виключення осцилографа.
Всі блоки осцилографа,
що знаходяться під високою напругою,
мають захисні екрани, маркіровані знаком

Корпус осцилографа слід заземлити через клему захисного заземлення. Заземлення виробляти раніше інших приєднань, від'єднання заземлення - після всіх з'єднань.
ПРАКТИЧНА РОБОТА № 2
Тема: Вимірювання напруги, струму та потужності за допомогою мультиметрів на лабораторному стенді.
Мета роботи: Виміряти напруги та струму за допомогою приладу типу DT830B в блоці живлення ПК.
Теоретична частина

Мультиметр DT830B призначений для вимірювання напруги синусоїдальної форми. Шкала приладу ЖК в середнеквадратичних значеннях синусоїдальної напруги і децибелах. Рівень 0 дБ рівний 0,775 В.
При проведенні зовнішнього огляду встановлено відповідність приладу наступним вимогам:
прилад не повинен мати механічних пошкоджень сполучних елементів, корпусу або інших зовнішніх дефектів, що впливають на його працездатність;
маркіровки повинні бути чіткими;
перемикачі повинні забезпечувати надійну фіксацію
Прилад після розпаковування необхідно витримати протягом 24 год. у вимкненому стані.
ЗАХОДИ БЕЗПЕКИ
За способом захисту людини від поразки електричним струмом прилад відноситься до класу 01 ГОСТ 12.2.007.0-75.
При вимірюванні напруги вище 42 В необхідно дотримуватися правил техніки безпеки.
ПРАКТИЧНА ЧАСТИНА
За відсутності сигналу в замкнутому вході показник приладу може відхилятися від нульового положення до 5% від значення верхньої межі встановленого під діапазону через власні шуми приладу
Визначив метрологічні параметри. Визначив основну погрішність приладу на частоті 1 кГц на під діапазонах 1мВ-30 В шляхом порівняння свідчень випробовуваного і зразкового приладу.
Як зразковий прилад використовуйте генератор імпульсів PCG 10/8016. Погрішність визначите на під діапазонах з верхніми межами, кратними 10, на кінцевих відмітках шкали «10» і на під діапазонах з верхніми межами, кратними 3, на відмітках шкали «30». На під діапазонах з верхніми межами 100 і 300 мВ погрішність визначите на всіх числових відмітках шкали.
Визначив погрішність і зміну свідчень приладу в робочих областях частот на верхніх межах під діапазонів 1 мВ - 1 В на частотах 20; 45 Гц, 1 кГц, 1, 3 і 5 Мгц. Визначив погрішність вихідної напруги перетворювача на під діапазонах 1мВ — 1 В на частоті 1 кГц шляхом подачі на вхід приладу напруги, відповідної кінцевому значенню під діапазонів вимірювання 1 мВ — 1В від генератору імпульсів. Погрішність вихідної напруги перетворювача контролював за допомогою вольтметрів, підключених до вихідних гнізд приладу.
ПРАКТИЧНА РОБОТА № 3
Тема: Демонтаж радіоелементів з плати
Мета роботи: Набуття навичок користуватися демонтажним інструментом та проводити демонтаж радіоелементів з друкованих плат
Теоретична частина
Для демонтажу з друкованої плати резисторів, конденсаторів, транзисторів і інших елементів використовують спеціальний демонтажний інструмент
При роботі пристосування поміщають між вказівним і середнім пальцями руки (як медичний шприц) і великим пальцем натискають на кнопку 1 штока до упору, крюк виходить за межі корпусу. Кінець крюка вводять під висновок ( або корпус), наприклад, резистора, після чого шток плавно відпускають. Пружина пристосування втягує крюк назад, при цьому корпус нижньою кромкою упирається в друковану плату, а висновок резистора виявляється в пазу корпусу. Притримуючи пристосування рукою, розплавляють припій в місці припаювання висновку. Під дією пружини крюк витягає висновок з платні. Тепер можна без утруднень випаяти другий висновок резистора традиційним способом.
Часто з різних причин доводиться демонтувати мікросхеми з готових, деколи дуже складних, плат. Робота ця не з простих, вимагає певного навику і терпіння. Нерідкі випадки, коли один необережний рух паяльником повністю виводить мікросхему з ладу. Описані нижче способи дозволяють уникнути неприємних наслідків.
На висновок впаяної в плату мікросхеми надягають з боку друку фторопластову трубку з внутрішнім діаметром, близьким до товщини висновку. Паяльником розплавляють припій на місці висновку і у міру плавлення припою насувають трубку на висновок до її торкання з поверхнею плати. При цьому трубка відтісняє припій від висновку і звільняє його без пошкодження. Після охолодження припою трубку знімають і переходять до наступного висновку. Після подібної обробки всіх висновків мікросхеми вона легко знімається з плати.
Другий спосіб демонтажу не вимагає застосування паяльника з жалом спеціальної форми, простий в реалізації, не лімітований числом висновків деталей. Паяльником потрібно розплавити припій у висновку мікросхеми і із зусиллям ввести в отвір з боку мікросхеми вістря сталевої голки відповідної товщини так, щоб після охолодження припою і видалення голки з'явився крізний отвір. Потім легким натисненням жала паяльника на кінець висновку з боку платні, протилежній мікросхемі, у бік отвору «відривають» висновок від краю. Так само звільняють решту висновків і знімають мікросхему.
Описаний спосіб дуже зручний, але вимагає придбання навику для чіткого виконання другого етапу процесу. Спосіб дозволяє звільняти заломлені при монтажі висновки, він застосуємо при будь-якій густині монтажу. Хороший він і тим, що після видалення мікросхеми залишаються готові отвори для установки нової.
Досить часто використовуються мікросхеми і інші деталі які знімаються з друкованої плати самої різної апаратури, що відслужила свій вік.
При демонтажі мікросхем з такої плати спочатку скальпелем розрізають провідник на відстані 10...15 мм від висновку мікросхеми і вістрям скальпеля відділяють кут фольги від плати. Потім підводжу край фольги пінцетом і, прогріваючи жалом паяльника провідник від місця розрізу до висновку, знімають з плати відрізану ділянку провідника. При цьому припій, що знаходився на висновку мікросхеми, залишається на знятій ділянці фольги. Після звільнення від припою всіх висновків мікросхеми її можна зняти з плати.
ПРАКТИЧНА ЧАСТИНА
2.1 За допомогою надфілю з набору інструментів, зачищаємо жало паяльника.
2.2 Підключаємо паяльник на 36В до бокової розетки столу.
2.3 Вмикаємо перемикач «мережа»
2.4 Короткочасним натисненням кнопок вмикаємо чотири лампи, залежно від необхідної освітленості.
2.5 Вмикаємо вимикач повітряно-нагнітаючого пристрою. Очищене повітря повинно поступати в камеру столу.
2.6 Після того, як паяльник прогріється, за допомогою каніфолі та олова, залучаємо його жало.
2.7 Перевіряємо справність інструменту в наборі.
2.8 За допомогою паяльника та відсосу випаюємо декілька радіоелементів з плати (резистори, мікросхеми, конденсатори, транзистори, діоди).
2.9 За допомогою мультиметрів перевіряємо на справність випаяні радіоелементи.
2.10 Результати роботи записуємо до щоденнику.
2.11 Вимикаємо стіл за допомогою перемикача «мережа».
2.12 Прибираємо робоче місце.
ПРАКТИЧНА РОБОТА № 4
Тема: Складання мультивібратора на транзисторах
Мета роботи: Закріплення навичок користуватися монтажним інструментом та вмінням читати електричну принципову схему
Теоретична частина
Мультивібратори - це релаксаційні автогенератори напруги прямокутної форми (релаксаційний - такий, що різко відрізняється від гармонійного - синусоїдного; автогенератор - пристрій, що генерує незатухаючі коливання без запуску ззовні і не має стійких станів).
Виконуються мультивібратори на основі електронних приладів, що мають на вольт амперній характеристиці ділянку з негативним опором (наприклад, тунельні діоди, тиристори), а також на підсилювачах постійного струму з додатними зворотними зв'язками (на транзисторах, ОП, цифрових і спеціальних ІМС). Електронні прилади в них працюють у ключових режимах.
Найчастіше вони працюють в автоколивальному режимі, коли мультивібратор має два квазісталих (нестійких) стани рівноваги і переходить із одного стану в інший самочинно під впливом внутрішніх перехідних процесів. У такому режимі мультивібратор використовується як генератор прямокутної напруги.
У чекаючому режимі мультивібратор має один сталий і один квазісталий стани рівноваги. Зазвичай він знаходиться у сталому стані і переходить до квазісталого під дією зовнішнього електричного сигналу.
У режимі синхронізації використовується мультивібратор, що працює в автоколивальному режимі, але його перехід із одного стану в інший забезпечується зовнішньою синхронізуючою напругою.
Загалом, мультивібратори повинні забезпечувати стабільність частоти і довжини імпульсів, а також необхідну (зазвичай, мінімальну) тривалість їх фронтів.
На транзисторах автоколивальний мультивібратор найчастіше будують за симетричною схемою з колекторно-базовими зв'язками.
Він складається з двох однакових каскадів підсилення з СЕ. Для забезпечення додатного зворотного зв'язку, за рахунок якого мультивібратор самозбуджується, вихідна напруга кожного з каскадів подається на вхід іншого.
ПРАКТИЧНА ЧАСТИНА
2.1 За допомогою надфілю з набору інструментів зачищаємо жало паяльника.
2.2 Підключаємо паяльник на 36В до бокової розетки столу.
2.3 Вмикаємо перемикач «мережа» на передній панелі столу.
2.4 Короткочасним натисненням кнопок вмикаємо чотири лампи.
2.5 Вмикаємо повітряно-нагнітаючий пристрій. Очищене повітря повинно поступати в камеру столу.
2.6 Після того, як паяльник прогріється, за допомогою каніфолі та олова, залучаємо його жало.
2.7 Перевіряємо справність інструменту в наборі.
2.8 Виконуємо індивідуальне завдання згідно теми.
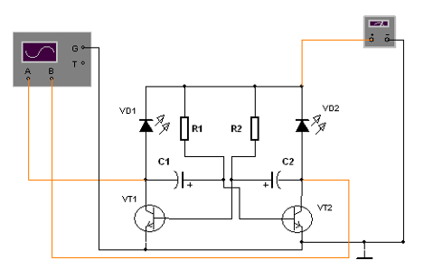
Завдання 1. Схема мультивибратору на транзисторах

Резистори R1, R2 – 4,7 кОм 0,125 Вт.
Конденсатори C1, C2 – 100 мкФ 25 В.
Транзистори VT1, VT2 – КТ315А
Світлодіоди VD1, VD2 – АЛ101В
2.9 В залежності від індивідуального завдання вибираємо необхідні деталі для схеми (резистори, конденсатори, транзистори, світлодіоди ).
2.10 Перед встановленням на друковану плату за допомогою мультиметру перевіряємо справність радіоелементів.
2.11 За допомогою проводів та паяльнику з’єднуємо ножки деталей потрібним чином.
2.12 Після того, як схема буде зібрана, показуємо її викладачу.
2.13 Вмикаємо осцилограф тумблером «Мережа».
2.14 Встановлюємо
перемикачі
,
,
в положення
.
2.15 Встановлюємо перемикач СИНХР РЕЖИМ в положення А.
2.16 Встановлюємо перемикач V/ДЕЛ каналу А в положення 5v.
2.17 Ручкою
встановлюємо лінію розгортки на
центральну горизонтальну лінію шкали
ЕПТ.
2.18 Встановлюємо перемикач V/ДЕЛ каналу Б в положення 5v.
2.19 Суміщаємо лінію розгортки з центральною горизонтальною лінією шкали ЕПТ резистором БАЛАНС А (Б) на нижній кришці приладу.
2.20 Ручкою БАЛАНС на передній панелі осцилографа встановлюємо лінію розгортки променя на центральну горизонтальну лінію шкали ЕПТ.
2.21 Встановлюємо
перемикачі
,
,
в положення
каналу А і Б.
2.22 Встановлюємо вихідну напругу 5 В блоку живлення за допомогою перемикачу «Задача режиму».
2.23 Вмикаємо блок живлення тумблером «Мережа».
2.24 Перевіряємо роботу схеми під’єднавши її за схемою на рисунку 3.
2.25 Результати роботи та осцилограму записуємо до щоденника.
2.26 Вимикаємо стіл за допомогою перемикача «мережа».
2.27 Прибираємо робоче місце.
Осцилограф Блок живлення

Рисунок 3. Схема підключення мультивібратору.
ПРАКТИЧНА РОБОТА № 5
Тема: Складання логічного пробнику на транзисторах та логічних елементах
Мета роботи: Здобуття практичних навичок перевірки логічних елементів за допомогою різних логічних пробників
Теоретична частина
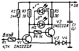
Розвиток цифрової техніки привів до створення логічних пробників. За допомогою логічних пробників яких приведені на рисунках можна визначити рівень напруги на вході і виході логічних елементів, контролювати проходження імпульсів і знайти обрив в електричному ланцюзі. На рисунку 1. приведена схема логічного пробнику на транзисторах
При подачі на вхід пробника логічної 1 транзистор V1 входить в режим насичення, а транзистор V2 закривається; В результаті світиться світлодіод H2 з червоним кольором свічення. Якщо ж на вхід пробника буде поданий логічний 0, то транзистор V1 буде закритий, а V2 - відкритий. При цьому спалахує світлодіод Н2 із зеленим кольором свічення.

Рисунок 1. Схема логічного пробнику на транзисторах
Резистор R3 підібраний так, що за наявності великого опору на вході пробника обидва світлодіоди не світяться.
Проходження імпульсного сигналу прямокутної форми позитивної полярності повинне викликати горіння одного світлодіода, а негативної - іншого.
ПРАКТИЧНА ЧАСТИНА
2. Виконавчий етап.
2.1 За допомогою надфілю з набору інструментів зачищаємо жало паяльника.
2.2 Підключаємо паяльник на 36В до бокової розетки столу.
2.3 Вмикаємо перемикач «мережа» на передній панелі столу.
2.4 Короткочасним натисненням кнопок вмикаємо чотири лампи.
2.5 Вмикаємо повітряно-нагнітаючий пристрій. Очищене повітря повинно поступати в камеру столу.
2.6 Після того, як паяльник прогріється, за допомогою каніфолі та олова, залучаємо його жало.
2.7 Перевіряємо справність інструменту в наборі.
2.8 Виконуємо індивідуальне завдання.
Завдання 2. Схема логічного пробнику

Транзистор VT1 VT2 – КТ315Б
Резистор R1, R3 – 15 кОм 0,25 Вт.
Резистор R4 – 1 кОм 0,125 Вт.
Світлодіод VD1 – АЛ307А
Конденсатори C1 – 330нФ 10 В.
Мікросхема DD1 типу – К155ЛА3
2.9 Вибираємо необхідні деталі для схеми (резистори, конденсатори, транзистори, світло діоди).
2.10 Перед встановленням на друковану плату за допомогою мультиметру перевіряємо справність радіоелементів.
2.11 На монтажній платі встановлюємо радіоелементи та роз’єм для мікросхеми в корпусі DIP14.
2.12 За допомогою проводів та паяльнику з’єднуємо ножки деталей потрібним чином.
2.13 Після того, як схема буде зібрана, показуємо її викладачу.
2.14 Встановлюємо вихідну напругу 5 В блоку живлення за допомогою перемикачу «Задача режиму».
2.15 Вмикаємо блок живлення тумблером «Мережа».
2.16 Перевіряємо роботу схеми під’єднавши її за схемою на прикладі рисунку 5.

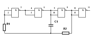
Рисунок 5. Схема перевірки мікросхеми К155ЛА3 логічним пробником
2.22 Подаємо на ножки 1, 2 ,4, 5, 9, 10, 12, та 13 логічний нуль за допомогою перемикача.
2.22 Почергово перевіряємо стан логічного рівня на ніжках 3, 6, 8, та 11.
2.25 Результати роботи та перевірки записуємо у щоденнику.
2.26 Вимикаємо стіл за допомогою перемикача «мережа».
2.27 Прибираємо робоче місце.
ПРАКТИЧНА РОБОТА № 6
Тема: Складання генератора прямокутних імпульсів на мікросхемі К155ЛА3 та К155ТМ2
Мета роботи: Закріплення навичок користуватися монтажним інструментом та вмінням читати електричну принципову схему
Теоретична частина
При побудові цифрових мікроелектронних пристроїв необхідні генератори імпульсів часто будують на таких же ІМС, що й весь пристрій у цілому: на логічних елементах або тригерах. При цьому є велика кількість схемних рішень.
Оскільки для забезпечення генерації треба мати коефіцієнт підсилення відповідного пристрою, більший за одиницю, і фазовий зсув вхідного сигналу на 360 ел. градусів, то мультивібратор може бути побудований на двох логічних елементах з інверсією (НІ) на виході.
На рисунку.1 наведена одна з найпростіших схем генератору, виконаного на елементах ТТЛ-логіки.
До цього часу наголошувалось, що у логічного елемента залежно від комбінації вхідних сигналів (що являють собою 0 або 1) отримуємо певне значення сигналу на виході (також 0 або 1).

Рисунок 1 Генератор на логічних елементах
Виникає питання, при повільній зміні вхідного сигналу від низького рівня напруги до високого - від 0 до 1 (або навпаки), коли саме логічний елемент перестає сприймати вхідний сигнал як 0 і починає сприймати його як 1 ? Яке значення напруги порогу перемикання V> >він має? Це залежить від типу елементної бази, на якій виконано елемент.
На рисунку 2 наведено схему генератору, побудованого на основі комбінованого тригера. Тригер, - як відомо, є, наприклад, двокаскадним підсилювачем з додатними зворотними зв'язками або, як у даному випадку, побудований на логічних елементах.
Часозадаючий RС-ланцюжок підімкнено до прямого виходу {Вих 1) тригера. Напруга з конденсатора С подається на вхід установки тригера в нульовий стан К.
Можливі два способи запуску цього одновібратора. Перший — подачею імпульсу запуску на асинхронний вхід 5.

Рисунок 2 Схему генератору, побудованого на основі комбінованого тригера.
При цьому тривалість імпульсу повинна бути меншою за тривалість
Другий - подачею імпульсу будь-якої тривалості на вхід синхронізації С (тригер реагує тільки на передній фронт імпульсу). На вхід 5 при цьому необхідно подати 0. У вихідному стані на прямому виході - 0. Конденсатор розряджений.
Після подачі імпульсу запуску, тригер переходить в одиничний стан залежно від виду запуску: як асинхронний тригер або як синхронний .D-тригер, на вході якого зафіксовано 1, що подається з інверсного виходу тригера - Вих 2. На прямому виході отримаємо 1.
ПРАКТИЧНА ЧАСТИНА
2.1 За допомогою надфілю з набору інструментів зачищаємо жало паяльника.
2.2 Підключаємо паяльник на 36В до бокової розетки столу.
2.3 Вмикаємо перемикач «мережа» на передній панелі столу.
2.4 Короткочасним натисненням кнопок вмикаємо чотири лампи.
2.5 Вмикаємо повітряно-нагнітаючий пристрій. Очищене повітря повинно поступати в камеру столу.
2.6 Після того, як паяльник прогріється, за допомогою каніфолі та олова, залучаємо його жало.
2.7 Перевіряємо справність інструменту в наборі.
2.8 Виконуємо індивідуальне завдання згідно теми.
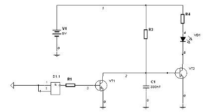
Завдання 3. Схема генератора прямокутних імпульсів на мікросхемі.

Резистор R1, R2 – 15 кОм 0,25 Вт.
Конденсатор C1 – 100 нФ 15В
Мікросхема DD1 типу – К155ЛА3
2.9 Вибираємо необхідні деталі для схеми (резистори, конденсатори, мікросхеми).
2.10 Перед встановленням на друковану плату за допомогою мультиметру перевіряємо справність радіоелементів.
2.11 За допомогою проводів та паяльнику з’єднуємо ніжки деталей потрібним чином.
2.12 Після того, як схема буде зібрана, показуємо її викладачу.
2.13 Вмикаємо осцилограф тумблером «Мережа».
2.14 Встановлюємо
перемикачі
,
,
в положення
.
2.15 Встановлюємо перемикач СИНХР РЕЖИМ в положення А.
2.16 Встановлюємо перемикач V/ДЕЛ каналу А в положення 5v.
2.17 Ручкою
встановлюємо лінію розгортки на
центральну горизонтальну лінію шкали
ЕПТ.
2.18 Встановлюємо перемикач V/ДЕЛ каналу Б в положення 5v.
2.19 Суміщаємо лінію розгортки з центральною горизонтальною лінією шкали ЕПТ резистором БАЛАНС А (Б) на нижній кришці приладу.
2.20 Ручкою БАЛАНС на передній панелі осцилографа встановлюємо лінію розгортки променя на центральну горизонтальну лінію шкали ЕПТ.
2.21 Встановлюємо
перемикачі
,
,
в положення
каналу А і Б.
2.22 Встановлюємо вихідну напругу 5 В блоку живлення за допомогою перемикачу «Задача режиму».
2.23. Під’єднуємо живлення до мікросхеми, «+» на 14 ніжку та «-» на 7 ніжку.
2.24 Вмикаємо блок живлення тумблером «Мережа».
2.25 Перевіряємо роботу схеми, під’єднавши її за схемою на прикладі рисунку 4.
Осцилограф

Рисунок 4. Схема підключення генератору до осцилографу.
2.26 Результати роботи та осцилограму записуємо у щоденник.
2.27 Вимикаємо стіл за допомогою перемикача «мережа».
ПРАКТИЧНА РОБОТА № 7
Тема: Складання електронних ключів на логічних елементах
Мета роботи: Закріплення навичок користуватися монтажним інструментом та вмінням читати електричну принципову схему
Теоретична частина.
Ключ - це елемент, що має два тривалих стани: увімкнутий та вимкнутий. Найближчим за параметрами до ідеального ключа є електромеханічний контакт, що має нескінченний опір в розімкнутому стані і нульовий у замкнутому. В наш час в електронних пристроях у якості ключів найчастіше використовують напівпровідникові діоди, транзистори або тиристори.
Схема найпростішого ключа на електромеханічному контакті та часові діаграми його роботи зображені на рисунку 1.

а) б)
Рисунок 1 Ключ на електромеханічному контакті (а)
і часові діаграми його роботи (б)
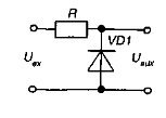
Схема одного з найпростіших діодних ключів та його передатна характеристика зображені на рисунку 2 це паралельний діодний ключ-обмежувач.

Рисунок 2 Ключ на діоді
Для того, щоб виключити зв'язок між вхідним та вихідним колами і забезпечити підсилення, в якості ключа використовують транзистор. Схема транзисторного ключа зображена на рисунку 3.

Рисунок 3. Транзисторний ключ та його передатна характеристика
Найпростішими колами формування імпульсів (формуючими колами) є диференціюючи та інтегруючі RС ланцюжки.
У диференціюю чого ланцюжка, напруга на виході пропорційна похідній за часом вхідної напруги, як це видно з наступних математичних міркувань.
Часові діаграми роботи диференціюю чого ланцюжка наведені на рисунку 4 (для трапецеїдальної форми імпульсів) і рисунку 5, в (для прямокутного імпульсу у випадку коли не виконується умова диференціювання).


Рисунок 4. Рисунок 5.
Підсилення забезпечують елементи, побудовані на основі транзисторних ключів. Наприклад, це інвертор, схема якого наведена на рисунку 6. Подача невеликої від'ємної напруги зміщення забезпечує надійне вимикання транзистора - збільшує завадостійкість елемента.
ПРАКТИЧНА ЧАСТИНА
2.1 За допомогою надфілю з набору інструментів зачищаємо жало паяльника.
2.2 Підключаємо паяльник на 36В до бокової розетки столу.
2.3 Вмикаємо перемикач «мережа» на передній панелі столу.
2.4 Короткочасним натисненням кнопок вмикаємо чотири лампи.
2.5 Вмикаємо повітряно-нагнітаючий пристрій. Очищене повітря повинно поступати в камеру столу.
2.6 Після того, як паяльник прогріється, за допомогою каніфолі та олова, залучаємо його жало.
2.7 Перевіряємо справність інструменту в наборі.
2.8 Виконуємо індивідуальне завдання згідно теми.
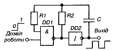
Завдання 4 Схема ключа на логічних елементах

Резистор R1 – 1 кОм 0,5 Вт.
Світлодіод VD1, VD2 – АЛ307А
Мікросхема DD1 типу – К155ЛА3
2.9 В залежності від індивідуального завдання вибираємо необхідні деталі для схеми (резистори, мікросхеми, світлодіоди ).
2.10 Перед встановленням на друковану плату за допомогою мультиметру перевіряємо справність радіоелементів.
2.11 За допомогою проводів та паяльнику з’єднуємо ножки деталей потрібним чином.
2.12 Після того, як схема буде зібрана, показуємо її викладачу.
2.13 Встановлюємо вихідну напругу 5В блоку живлення за допомогою перемикача «Задача режиму».
2.14. Під’єднуємо живлення до мікросхеми, «+» на 14 ніжку та «-» на 7 ніжку.
2.15 Вмикаємо блок живлення тумблером «Мережа».

Рисунок 3. Схема підключення електронного ключа на логічному елементі.
2.16. Почергово перемикаємо перемикачі, для спостереження за роботою схеми.
2.17 Результати роботи записуємо у щоденник.
2.18 Вимикаємо стіл за допомогою перемикача «мережа».
2.19 Прибираємо робоче місце.
ПРАКТИЧНА РОБОТА № 8
Тема: Складання електронних ключів на транзисторах різних типів
Мета роботи: Закріплення навичок користуватися монтажним інструментом та вмінням читати електричну принципову схему
Теоретична частина
Ключ - це елемент, що має два тривалих стани: увімкнутий та вимкнутий. Найближчим за параметрами до ідеального ключа є електромеханічний контакт, що має нескінченний опір в розімкнутому стані і нульовий у замкнутому. В наш час в електронних пристроях у якості ключів найчастіше використовують напівпровідникові діоди, транзистори, тиристори та логічні елементи.
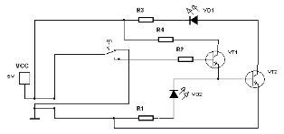
У цьому виді схемотехніки інвертор спрощений до мінімуму - це транзистор з декількома відкритими коллекторами. Не потрібно ніяких внутрішніх опорів, що радикально позначається на щільності компонування ІС, тому що кожний резистор займає площу, раз у десять більшу, ніж транзистор. Керуючий струм бази формується за допомогою транзистора Т1 і зовнішнього опору. Транзистор Т2 з відкритими колекторами, пов'язаний з наступними логічними елементами, пропускає цей струм на загальну шину, коли перебуває у відкритому стані. Перепади напруг малі, що в сполученні з можливістю варіювання статичних струмів дозволяє досягти співвідношень швидкодії й потужності, що роблять схемотехніку И2Л конкурентоспроможної із ТТЛ- і МОП-Схемотехнікою.

Рисунок. 1. Логічний елемент типу И2Л.
nМОП/рМОП/ КМОП-структури
Організація nМОП- і рМОП-логічних елементів аналогічна, вона показана на прикладі nМОП-структури. У схемі, всі МОП-транзистори працюють в режимі збагачення, при якому затвор повинен бути зміщений у прямому напрямку стосовно джерела, щоб транзистор відкрився. Це зручно з погляду функціонування активних транзисторів Т1 і Т2, але не цілком раціонально для транзистора ТЗ, що виконує роль пасивного навантаження. Щоб це навантаження пропускало струм, затвор навантажувального транзистора з'єднаний із джерелом.

Неправильно спроектовані КМОП-схеми можуть стати причиною й іншими видами некоректного функціонування. Якщо входи невикористованих логічних елементів не підключити до якій-небудь із ліній живлення, їх високі вхідні імпеданси в сполученні з паразитними параметрами схеми можуть стати причиною генерації високочастотних коливань, які, проходячи через паразитні зв'язки, можуть спотворювати вхідні сигнали інших елементів.
Ці особливості властиві й інші типи цифрових пристроїв на МОП-структурах. Їх, як правило, не застосовують у вхідних і вихідних каскадах систем. Найбільше поширення МОП-структури одержали при проектуванні запам'ятовувальних пристроїв з довільною вибіркою (ЗУПВ), постійних запам'ятовувальних пристроїв (ПЗП), електрично програмувальних ПЗП (ЕППЗП), у яких вони відділені буферними схемами від зовнішніх пристроїв. Пошук несправностей у цьому випадку здійснюється не на рівні окремих ІС, а на рівні плати з використанням системних сполучних шин.
ПРАКТИЧНА ЧАСТИНА
2.1 За допомогою надфілю з набору інструментів зачищаємо жало паяльника.
2.2 Підключаємо паяльник на 36В до бокової розетки столу.
2.3 Вмикаємо перемикач «мережа» на передній панелі столу.
2.4 Короткочасним натисненням кнопок вмикаємо чотири лампи.
2.5 Вмикаємо повітряно-нагнітаючий пристрій. Очищене повітря повинно поступати в камеру столу.
2.6 Після того, як паяльник прогріється, за допомогою каніфолі та олова, залучаємо його жало.
2.7 Перевіряємо справність інструменту в наборі.
2.8 Виконуємо індивідуальне завдання згідно теми.
Завдання 5 Схема ключа на транзисторах

Транзистори VT1, VT2 – КТ814А
Світлодіоди VD1, VD2 – АЛ103А
Резистори R1, R2, R3,R4 – 4,7 кОм 0,25 Вт.
2.9 Вибираємо необхідні деталі для схеми
2.10 Перед встановленням на друковану плату за допомогою мультиметру перевіряємо справність радіоелементів.
2.11 За допомогою проводів та паяльнику з’єднуємо ножки деталей потрібним чином.
2.12 Після того як схема буде зібрана, показуємо її викладачу.
2.13 Встановлюємо вихідну напругу 5В блоку живлення за допомогою перемикачу «Задача режиму».
2.14 Вмикаємо блок живлення тумблером «Мережа».

Рисунок 4. Схема підключення електронного ключа на транзисторах.
2.15. Вмикаємо перемикач на схемі, для спостереження за роботою схеми.
2.16 Результати роботи записуємо у щоденник.
2.17 Вимикаємо стіл за допомогою перемикача «мережа».
2.18 Прибираємо робоче місце.
ПРАКТИЧНА РОБОТА № 9
Тема: Демонтаж зібраних пристроїв.
Мета роботи: Закріплення навичок з демонтажу радіодеталей з плати за допомогою паяльної станції.
Теоретична частина
Паяльна станція VT-SSD обладнена насосом вакууму, яким електронним способом керується. Насос вакууму забезпечує максимальний всмоктуючий момент 60cm/Hg (23"/Hg) і активізується перемикачем, розміщеним на рукоятці паяльника. Фільтр припою в handpiece може легко бути виключений для профілактичних цілей. Алюмінієва сітка дуже швидко охолоджує і затримує припій в рукоятці паяльника.
VT-SSD електронний паяльник надає можливість споживачу встановлювати паяння температур між 200 і 480°C (400 до 900°F) і desoldering температур між 300 і 450°C (580 до 850°F) при необхідності змінити паяльник або елемент нагрівання. Паяльник містить надзвичайно ізольований, зроблений по японській технології керамічний елемент нагрівання. Паяльник для більшої точності обладнаний провітреним елементом нагрівання. Температура підтримується всередині ± 3°C (± 6°F) через датчик температури PTC і датчик. Елемент нагрівання розігрівається дуже швидко. Нагрівання паяльника виконується швидко : тільки одна хвилина потрібна, щоб досягти температури 650 -750°C (1200 до 1380°. Дизайн ergonomic і рукоятка з гумою silicone покращує для користувача комфорт. Елементи нагрівання гальванічно ізолюються від електричного запасу перетворювачем ізоляції, який перешкоджає системі використовувати максимальну напругу вище, ніж (сейф) 24VAC. Як паяння, так і демонтаж компонентів обладнаний перемикачем терморегулювання, розміщеним під потенціометрами на передній панелі. Цей перемикач надає можливість споживачу виконувати швидкі і точні коректування температури кожного разу, коли необхідно.
ЗАУВАЖЕННЯ
Паяння там демонтаж можна використовувати одночасно.
Особливість збереження енергії автоматично найманні, якщо місце desoldering залишається інертним більш ніж протягом 15 хвилин (вказаний зеленимо індикатором "ПАУЗИ" освітлюють). Температура буде зменшена до 1/3, який продовжує термін використання жала.
Техніка безпеки при роботі
Не торкайтеся металевих частин паяння або паяльника, тоді як одиниця використовується, або тоді як це охолоджує щоб уникнути опіків. Не активізуйте насос вакууму, поки припій не розтопився цілком.
Використовуйте процедуру, накреслену контур нижче, щоб визначити, чи є втрата всмоктуючого завдяки особливості, колекціонеру приспіваю, надає трубчасту форму або вбудовані фільтри.
ПРАКТИЧНА ЧАСТИНА
2.1 Підключаємо паяльну станцію до мережі 220 В.
2.3 Вмикаємо перемикач « 0 » при цьому повинна загорітися сигнальна лампа на передній панелі паяльної станції
2.3 Вмикаємо перемикач « 0 » який розташований з права, для увімкнення паяльника при цьому повинна загорітися сигнальна лампа на передній панелі паяльної станції
2.3 Чекаємо 5 - 10 хв, доки паяльник нагріється
2.4 Короткочасним натисканням кнопки на паяльнику вмикаємо чотири лампи.
2.11 Результати роботи записуємо у щоденник.
2.12 Вимикаємо паяльник а потім саму станцію.
2.11 Прибираємо робоче місце.
Висновок
При проходженні навчальної практики я навчився користуватися такими приладами:
цифровим мультиметром типу DT830B;
аналоговим мультиметром типу SP-110;
прилад для вимірювання LRC-7-12;
осцилограф типу С1- 72;
осцилограф типу С1-117;
прилад для мікросхем типу Л2-54;
прилад типу полупровідників Л2-60.
Також я вивчив техніку безпеки при роботі з цими приладами під час проведення вимірювань. Навчився вимірювати напругу, струм та перевіряти напівпровідники за допомогою специальних вимірювальних приладів.
Навчився користуватися осцилографом та виміряти ним різні електричні сигнали. В цілому можна сказати, що під час навчальної практики я дізнався для себе багато чого нового про вимірювальні прилади, навчився правильно користуватися ними при ремонті та налагодженні персонального комп’ютера.
Література
Цифровая и вычислительная техника. Под ред. Евреинова, М.: - Радио и связь, 1991 г.
Цифровые электронные вычислительные машины. Самофалов К.Г. и др. К.:- Вища школа, 1983 г.
Ю.В. Новиков. Основы цифровой схемотехники. М.: Мир, 2001 г.
Ю.П. Колонтаєвський, А.Г. Соколов. Промислова електроніка та мікросхемотехніка: теорія і практикум. К.:- Каравела, 2003 р.