Полупроводники. Диоды, биполярные и униполярные (МОП) транзи-сторы. Свет. Светочувствительные и светоизлучающие устройства. Оптопары
Лекция 2
Полупроводники. Диоды, биполярные и униполярные (МОП) транзисторы. Свет. Светочувствительные и светоизлучающие устройства. Оптопары
План:
Электропроводимость полупроводников. Образование электронно-дырочной проводимости и ее свойства.
Полупроводниковые диоды, условное обозначение, классификация и основные параметры.
Биполярные и МОП транзисторы.
Светоизлучающие приборы и оптопары.
Ключевые слова:
Электропроводимость, диэлектрик, полупроводник, проводник, электронно-дырочная проводимость, диод, биполярный транзистор, полевой транзистор, МОП-транзистор, фотоэлемент, фотодиод, светоизлучающий диод, оптопара.
1. Электропровидимость полупроводников. Образование электронно-дырочной проводимости и ее свойства
Как известно, на свете существует два вида веществ - проводники и изоляторы. Сопротивление проводников близко к нулю, а изоляторов - к бесконечности. Но резкой грани между этими двумя видами веществ нет, поэтому существуют также вещества, которые уже не проводники, но еще и не изоляторы (или наоборот), и их сопротивление находится где-то посередине между сопротивлениями проводников и изоляторов.
Это "полупроводниковое" состояние вещества крайне неустойчиво, и под воздействием внешних факторов (ничтожные концентрации примесей - один атом примеси на миллиард атомов полупроводника; приложенное к полупроводнику электрическое напряжение; воздействие света, температуры) полупроводник легко переходит в проводник, в изолятор и обратно в полупроводник. Благодаря тому, что на сопротивление полупроводника оказывает влияние, в том числе и электрическое напряжение, стало возможным усиливать и преобразовывать электрические сигналы.
Полупроводниковый материал после получения должен быть модифицирован, чтобы он приобрел качества, необходимые для полупроводниковых устройств.
На рис. 2.1 показана упрощенная схема атома кремния, на которой изображено только четыре электрона на валентной оболочке.
Валентность - это показатель способности атома присоединять или отдавать электроны, она определяет электрические и химические свойства атома.
Материалы, которым необходимы электроны для заполнения их валентной оболочки, являются нестабильными и относятся к активным материалам. Для приобретения стабильности, активные материалы должны добавить электроны в свои валентные оболочки. Атомы кремния способны объединить свои валентные электроны с другими атомами кремния с помощью процесса, который называется ковалентной связью (рис. 2.2). Ковалентная связь - это процесс совместного использования валентных электронов различными атомами, приводящий к образованию кристалла. Каждый атом в такой кристаллической структуре имеет четыре своих собственных электрона и четыре совместно используемых электрона от четырех других атомов, а всего - восемь валентных электронов. Ковалентная связь ввиду своей стабильности не может поддерживать электрическую активность.

Рис. 2.1.
Упрощенная схема атома кремния, на
которой показаны
только
валентные электроны
полупроводник электропроводимость оптопара светоизлучающий

Рис. 2.2. Кристаллическая структура кремния с ковалентными связями
При комнатной температуре кристаллы чистого кремния являются плохими проводниками. Они ведут себя, как изоляторы. Однако если кристаллу сообщить тепловую энергию, то некоторые электроны получат эту энергию и переместятся на более высокую орбиту, нарушая ковалентную связь. Это позволяет кристаллу проводить ток.
диапазон энергий, в котором лежит энергия электрона, удерживаемого ковалентной связью, называется зоной валентности, или валентной зоной.
диапазон энергий, в котором лежит энергия электрона, разорвавшего ковалентную связь и ставшего свободным, называется зоной проводимости.
графическое изображение этих энергетических зон называется зонной энергетической диаграммой.



Рис. 2.3.
Для того, чтобы электрон смог разорвать ковалентную связь и стать свободным, он должен получить энергию, большую ширины запрещённой зоны.
В природе четерехвалентными полупроводниками являются углерод, германий и кремний.
Ge - германий
Si - кремний
Примесная проводимость проводников
Чистые полупроводники (кремний, германий) в электронике используются очень редко. В большинстве приборов используются примесные полупроводники, т. е. в которые добавлено небольшое и очень точно рассчитанное количество определенной примеси. Сам процесс добавления примеси называется легирование, а примесные полупроводники - легированными. В зависимости от рода примеси получаются полупроводники с противоположными свойствами; их еще называют полупроводниками n-типа и р-типа.
Если в полупроводник ввести пятивалентную примесь, то 4 валентных электрона восстанавливают ковалентные связи с атомами полупроводника, а пятый электрон остаётся свободным. За счёт этого концентрация свободных электронов будет превышать концентрацию дырок.

Рис. 2.4.
примесь, за счёт которой ni>pi, называется донорной примесью.
полупроводник, у которого ni>pi, называется полупроводником с электронным типом проводимости, или полупроводником n-типа.
в полупроводнике n-типа электроны называются основными носителями заряда, а дырки - неосновными носителями заряда.
При введении трёхвалентной примеси три её валентных электрона восстанавливают ковалентную связь с атомами полупроводника, а четвёртая ковалентная связь оказывается не восстановленной, т. е. имеет место дырка. В результате этого концентрация дырок будет больше концентрации электронов.

Рис. 2.5.
примесь, при которой pi>ni, называется акцепторной примесью.
полупроводник, у которого pi>ni, называется полупроводником с дырочным типом проводимости, или полупроводником р-типа.
в полупроводнике р-типа дырки называются основными носителями заряда, а электроны - неосновными носителями заряда.
В качестве наглядного примера этих процессов можно избрать очередь в кассу. После того как стоящий самым первым человек (электрон) расплачивается, он отходит и к кассе устремляется второй человек Сразу за ним образуется пустое место (дырка), в которую устремляется третий человек, и т. д. Таким образом, люди (электроны) движутся вперед, а пустые места (дырки) движутся назад. Единственное несовершенство очереди как наглядного примера - в ней дырки, дойдя до последнего человека, исчезают за его спиной, В полупроводнике ничто никуда не исчезает.
Если в исходный полупроводник добавить элемент 5-й группы, то в нем появится избыток электронов, которым "некуда деваться". Такой полупроводник относится к п-типу.
2. Диоды и диодные схемы. Устройство, классификация и основные параметры полупроводниковых диодов
Давайте теперь попытаемся соединить эти два полупроводника. Так как у одного из них недостаток электронов, а у другого - избыток, то электроны и дырки устремляются к границе между этими двумя полупроводниками (рис. 2.6). Встретившиеся электрон и дырка рекомбинируют, т. е, соединяются друг с другом. Процесс рекомбинации продолжается до тех пор, пока не наступит динамическое равновесие, т. е. пока соотношение "количество электронов/количество дырок" не выровняется. В результате у p-n-перехода образуется обедненный свободными носителями двойной слой пространственного заряда. В р-области этот слой создается оставшимися после рекомбинации свободных носителей, связанными с кристаллической решеткой отрицательными ионами акцепторной примеси (т. е. элемента 3-й группы), а в п-области - положительными ионами донорной (в переводе – "дающей", элементы 5-й группы), и образующееся в результате рекомбинации электрическое поле (р-область заряжена отрицательно, п-область - положительно) противодействует дальнейшему перемещению электронов и дырок (р-область заряжается отрицательно, электрон - тоже имеет отрицательный заряд; одноименные заряды отталкиваются), т. е. наступает динамическое равновесие. Слой из рекомбинировавших электронов с дырками между двумя полупроводниками называется "p-n-переход", а разность потенциалов на р-п-переходе - потенциальным барьером. Для кремния он равен примерно 0,6 В, для германия меньше.



Рис. 2.6. р-п-переход
Во всех полупроводниках постоянно образуются и снова рекомбинируют тепловые электронно-дырочные пары, создавая некоторое количество не основных носителей тока (для р-области - электронов, для п-области - дырок). Находящиеся вблизи p-n-перехода не основные носители, прежде чем успеют рекомбинировать с основными для того типа полупроводника, в котором они "родились", могут попасть в электрическое поле потенциального барьера, "перескочить" на полупроводник противоположной проводимости (для него они будут "основными") и послужить тем самым причиной возникновения дрейфового тока (обратный ток). Так как "перескочивший" не основной носитель уменьшает потенциальный барьер, то для "компенсации" сразу же за ним основной носитель "идет с повинной" к p-n-переходу, где и рекомбинирует.
Полупроводниковый прибор с одним р-п-переходом и называется диодом. Отличительная особенность диода (благодаря наличию р-п-перехода) - он пропускает ток только в одном направлении - от n-области к р-области. Благодаря этому диоды нашли широкое применение в выпрямителях переменного напряжения.

Рис. 2.7
Классификация диодов производится по следующим признакам:
1. По конструкции: плоскостные диоды, точечные диоды, микросплавные диоды.
2. По мощности: маломощные, средней мощности, мощные.
3. По частоте: низкочастотные, высокочастотные, СВЧ.
4. По функциональному назначению: выпрямительные диоды, импульсные диоды, стабилитроны, варикапы, светодиоды, тоннельные диоды и так далее.
Условное обозначение диодов подразделяется на два вида:
маркировка диодов;
условное графическое обозначение (УГО) - обозначение на принципиальных электрических схемах.
Новый ГОСТ на маркировку диодов состоит из 4 обозначений:
|
К |
С |
156 |
А |
|
Г |
Д |
507 |
Б |
|
I |
II |
III |
IV |
|
I |
- показывает материал полупроводника: |
Г (1) - германий; К (2) - кремний; А (3) - арсенид галлия. |
|
II |
– тип полупроводникового диода |
Д - выпрямительные, ВЧ и импульсные диоды; А - диоды СВЧ; С - стабилитроны; В - варикапы; И - туннельные диоды; Ф - фотодиоды; Л - светодиоды; Ц - выпрямительные столбы и блоки. |
|
III |
- цифры, показывающие разделение диодов по своим электрическим параметрам |
101...399 – выпрямительные 401…499 – ВЧ-диоды 501…599 - импульсные |
|
IV |
- буква |
показывает модификацию диодов в данной группе |
Рис.
2.8. а) Так обозначают выпрямительные,
высокочастотные, СВЧ,
импульсные и диоды Гана; б) стабилитроны;
в) варикапы; г) тоннельные диоды; д) диоды
Шоттки; е) светодиоды; ж)
фотодиоды; з) выпрямительные блоки
3. Биполярные и МОП-транзисторы
Биполярный транзистор
Биполярный транзистор - полупроводниковый прибор, который управляется током и имеет коэффициент усиления больше единицы. Он имеет два р-п-перехода и три вывода. Эмиттер (Э), база (Б) и коллектор (К). Биполярные транзисторы бывают двух структур- р-n-р и п-р-n.
Для транзисторов структуры р-n-р справедливо все то, что относится и к структуре п-р-п, отличая только в полярности источника питания. Упрощенная структурная схема транзистора нарисована на рис. 2.9. Вывод базы располагается между эмиттером и коллектором, толщина базы очень мала - десятки микрометров (1000 мкм = 1 мм). Благодаря наличию двух р-n переходов, любой транзистор (биполярный) можно представить в виде двух диодов: с большим напряжением пробоя между базой и коллектором и с малым напряжением пробоя между базой и эмиттером. Как видно, коллекторный и эмиттерный р-п переходы по отношению к базе неравнозначны, поэтому "путать" их нельзя.

Рис. 2 9. Структурная и упрощенная схемы строения биполярного транзистора
Существует три схемы включения биполярного транзистора, с общей базой (ОБ), общим коллектором (ОК) и общим эмиттером (ОЭ) При включении транзистора по схеме с ОБ усиливается только напряжение, с ОК - только ток, а с ОЭ - и напряжение, и ток. Схема с ОБ в цифровой технике практически никогда не используется, поэтому здесь она рассматриваться не будет.
При включении транзистора структуры n-p-п на его эмиттер подают отрицательный потенциал, а на коллектор - положительный. При соединении вывода базы с эмиттером, или если базовый вывод попросту "в обрыве" транзистор закрыт и через переход коллектор-эмиттер течет ничтожный ток, при соединении с коллектором он открывается и через транзистор течет довольно большой ток.
Рассмотрим схему включения транзистора с общим эмиттером (рис, 2,10). Эмиттер соединен с общим проводом ("минусовой" вывод источника питания), а коллектор через нагрузку (на схеме - через лампочку) соединен с положительным выводом источника питания. Будем плавно увеличивать напряжение на базе относительно эмиттера (общего провода). Потенциальный барьер перехода база-эмиттер при этом будет понижаться, и его сопротивление уменьшится. Через переход начнет течь ток эмиттера I>Э> обусловленный инжекцией электронов из эмиттера в базу. Но так как база имеет очень маленькую толщину, то большинство инжектированных из эмиттера в базу электронов "по инерции" пролетают потенциальный барьер перехода база-коллектор, захватываются его полем и втягиваются в коллектор, откуда они попадают в нагрузку, где и рекомбинируют с дырками. Благодаря выделяющейся при этом мощности лампочка начинает светиться. Напряжение на коллекторном выводе относительно общего провода уменьшается.

Рис. 2.10. Схема включения биполярного транзистора с общим эмиттером
Так как транзистор представляет собой монолитный кристалл кремния и толщина его базы ни при каких внешних воздействиях не изменяется, то отношение количества электронов, захваченных коллектором, к количеству электронов, выделившихся в базе при неизменном напряжении питания, также неизменно. Это отношение называется статическим коэффициентом передачи тока (коэффициент усиления) и определяется по формуле:

У современных биполярных транзисторов коэффициент передачи тока h>21э> больше 100, т. е. коллекторный ток в 100 раз больше базового.
П
?
ри увеличении напряжения питания увеличивается потенциальный барьер перехода база-коллектор. Поэтому количество электронов, которое может "захватить" коллектор (при неизменном токе базы) уменьшается. Следовательно, будет уменьшаться и коэффициент h>21э>.Если и дальше увеличивать ток базы, то потенциальный барьер эмиттерного перехода будет уменьшаться до тех пор, пока не исчезнет совсем. Электроны смогут беспрепятственно переходить из эмиттера в базу и также беспрепятственно захватываться полем коллектора. Падение напряжения на переходе коллектор эмиттер будет уменьшаться (при увеличении тока базы и неизменном сопротивлении нагрузки и напряжении питания) до тех пор, пока не уменьшится почти до нуля.
Такой режим работы транзистора, несмотря на то, что он требует повышенного тока управления (так как коэффициент h>21э> уменьшается), очень широко используется в цифровой технике.
Полевые транзисторы
Полевые транзисторы - это полупроводниковые приборы, сопротивление канала которых изменяется в широких пределах под воздействием приложенного к управляющему выводу (затвору) напряжения. Таким образом, полевые транзисторы, в отличие от биполярных, управляются не током, а напряжением. Ток же, текущий через управляющий вывод (ток утечки затвора I>УТ>), крайне мал, и у современных полевых транзисторов его смело можно приравнять к нулю.
В зависимости от строения своих "внутренностей" полевые транзисторы делятся на две группы:
с управляющим p-n-переходом (т. е. изоляция затвора выполнена в виде p-n-перехода);
с изолированным затвором (затвор изолирован диэлектриком). Кроме того, транзисторы с изолированным затвором бывают со встроенным или индуцированным каналом.
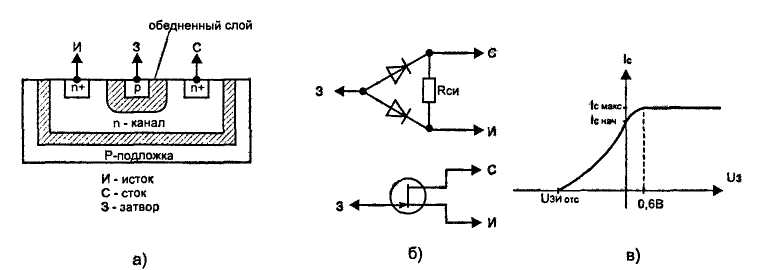
Рассмотрим принцип действия полевого транзистора с управляющим р-п-переходом (рис. 2.11). Транзистор, изображенный на нем, называется п-канальным, и среди биполярных транзисторов ему соответствует транзистор структуры n-p-п. Вывод эмиттера биполярных транзисторов у полевых называется истоком, база - затвором и коллектор - стоком. На этом сходство этих двух классов полупроводниковых приборов оканчиваются, дальше начинаются одни различия.

Рис. 2.11. Полевой транзистор с управляющим р-п переходом (п-канал): а - строение; б - упрощенная схема строения; в - вольт-амперная характеристика
Области стока и истока у полевых транзисторов изготавливают из сильно легированных полупроводников, т. е. из тех, у которых очень большой избыток основных носителей тока - электронов для n-проводника и дырок - для р-проводника. На рисунке эту самую "сильную легированность" обозначают значком "+" после обозначения типа полупроводника (п+, р+).
Свет
Свет - это электромагнитное излучение, видимое человеческим глазом. Свет распространяется подобно радиоволнам. Как и радиоволны, свет имеет свою длину волны.
Свет распространяется в вакууме со скоростью 300 000 000 метров в секунду. В различных средах скорость света меньше. Частота световых колебаний лежит в диапазоне от 300 до 300 000 000 гигагерц (1 гигагерц = 1000000000 герц). Из этого частотного диапазона только небольшая часть видима человеческим глазом. Видимый диапазон простирается примерно от 400000 до 750000 гигагерц. Частота инфракрасного излучения лежит ниже 400000 гигагерц, а частота ультрафиолетового излучения - выше 750000 гигагерц. Световые волны в верхней части частотного диапазона обладают большей энергией, чем световые волны в нижней части диапазона.
Фоторезистор. Внутреннее сопротивление фоторезистора изменяется при изменении интенсивности света. Изменение сопротивления не пропорционально интенсивности света. Фотосопротивления изготовляют из светочувствительных материалов, таких как сульфид кадмия (CdS) или селенид кадмия (CdSe).
Его сопротивление может изменяться от нескольких сотен мегом до нескольких сотен ом. Оно применяется при низких интенсивностях света. Фотосопротивление может выдерживать высокие рабочие напряжения 200-300 вольт при малом потреблении мощности - до 300 милливатт.
На рис. 2.12 показаны схематические
обозначения фотосопротивления. Стрелки
показывают, что это - светочувствительное
устройство. Иногда для обозначения
светочувствительного устройства
используется греческая буква лямбда
(
).
Фотосопротивления используются для измерения интенсивности света в фотографическом оборудовании, в охранных датчиках, в устройствах автоматического открывания дверей, в различном тестирующем оборудовании для измерения интенсивности света.
Фотогальванический элемент (солнечный элемент) преобразует световую энергию непосредственно в электрическую. Батареи солнечных элементов применяются главным образом для преобразования солнечной энергии в электрическую энергию.
Солнечный элемент - это устройство на основе р-п-пе-рехода, выполненное из полупроводниковых материалов.

Рис. 2.12. Схематические обозначения фотосопротивления
Солнечные элементы дают низкое выходное напряжение 0,45 вольта при токе 50 миллиампер. Их необходимо соединять в последовательно- параллельные цепи для того, чтобы получить желаемое выходное напряжение и ток.
Схематические обозначения солнечных элементов показаны на рис. 2.13. Положительный вывод обозначается знаком плюс (+).
Солнечные элементы применяются для измерения интенсивности света в .фотографическом оборудовании, для декодирования звуковой дорожки в кинопроекторах и для зарядки батарей на космических спутниках.
Фотодиод также использует p-n-переход и его устройство подобно устройству солнечного элемента. Он используется так же, как и фотосопротивление в качестве резистора, сопротивление которого меняется при освещении. Фотодиоды - это полупроводниковые устройства, которые изготовляются главным образом из кремния.

Рис. 2.13. Схематические обозначения солнечного элемента.
Это делается двумя способами. Первый способ - создание простого р-п-перехода (рис. 2.14). При другом способе между слоями р-типа и п-типа вставляется слой нелегированного полупроводника, образуя p-i-n фотодиод (рис. 2.15).

Рис. 2.14. Фотодиод с р-п-переходом
Рис. 2.15 p-i-n фотодиод
Преимущество p-i-n фотодиода - его быстрый отклик на изменения интенсивности света, самый быстрый из всех фоточувствительных устройств. Недостаток - низкая выходная мощность по сравнению с другими фоточувствительными устройствами.
Фототранзистор устроен подобно другим транзисторам с двумя p-n-переходами. Он похож на стандартный n-p-n транзистор. Используется так же, как и фотодиод, и имеет корпус как у фотодиода, за исключением того, что у него три вывода (эмиттер, база и коллектор). На рис. 2.16.
показана его эквивалентная цепь. Проводимость транзистора зависит от проводимости фотодиода. Вывод базы применяется редко. Когда он все же используется, на него подается напряжение, открывающее транзистор.

Рис. 2.16. Эквивалентная схема фототранзистора
Фототранзисторы могут давать больший выходной ток, чем фотодиоды. Их отклик на изменения интенсивности света не так быстр, как у фотодиодов. В данном случае за увеличение выходного тока приходится жертвовать скоростью отклика.
На рис. 2.17 изображено схематическое обозначение фототранзистора.
Фототранзисторы применяются в фототахометрах, для управления фотографической экспозицией, в противопожарных датчиках, в счетчиках предметов и в механических позиционерах.

Рис. 2.17. Схематическое обозначение фототранзистора
Светоизлучающие устройства
Светоизлучающие устройства излучают свет при прохождении через них тока, преобразуя электрическую энергию в световую. Светоизлучающий диод (светодиод) - это наиболее распространенное полупроводниковое светоизлучающее устройство. Будучи полупроводниковым устройством, он имеет неограниченный срок службы ввиду отсутствия высокотемпературного нагрева, основной причины выхода из строя обычных ламп.
Любой p-n-переход может испускать свет при прохождении через него тока. Свет возникает, когда свободные электроны рекомбинируют с дырками, и лишняя энергия освобождается в виде света. Частота испускаемого света определяется типом полупроводникового материала, использованного при изготовлении диода. Обычные диоды не излучают свет потому, что они упакованы в непрозрачные корпуса.
Светодиоды - это просто диоды с p-n-переходом, которые излучают свет при прохождении через них тока. Этот свет виден потому, что светодиоды упакованы в полупрозрачный материал. Частота излучаемого света зависит от материала, использованного при изготовлении светодиода. Арсенид галлия (GaAs) излучает свет в инфракрасном диапазоне, который не воспринимается человеческим глазом. Арсенид-фосфид галлия излучает видимый красный свет. Изменяя содержание фосфора, можно получить светодиоды, излучающие свет различной частоты.
На рис. 2.18 показано устройство светодиода. Слой типа р сделан тонким для того, чтобы не препятствовать прохождению света, излучаемого р-n-переходом.

Рис. 2.18. Устройство светодиода
После изготовления светодиод помещается в корпус, который рассчитан на максимальное пропускание света.
Для того, чтобы светодиод излучал свет, на него должно быть подано прямое смещающее напряжение (рис. 2.19). Для того, чтобы через светодиод шел ток, величина прямого смещения должна превышать 1,2 вольта. Так как светодиод легко может быть поврежден большим током или напряжением, последовательно с ним включается резистор для ограничения тока.

Рис. 2.19. Светодиод, смещенный в прямом направлении.
Схематическое обозначение светодиода показано на рис. 2.20.

Рис. 2.20
На рис. 2.21 показан светодиод, образующий вместе с фотодиодом оптопару. Оба устройства размещены в одном корпусе. Оптопара состоит из светодиода и фототранзистора. Они связаны световым лучом, излучаемым светодиодом. Сигнал, поступающий на светодиод, может меняться, что, в свою очередь, изменяет интенсивность излучаемого света. Фототранзистор преобразует изменения света опять в электрическую энергию. Оптопара позволяет передавать сигнал от одной цепи к другой, обеспечивая высокую степень электрической изоляции их друг от друга.

Рис. 2.21. Оптопара
Контрольные вопросы:
1. Что такое полупроводниковый материал?
2. Дайте определения следующим терминам:
а) ковалентная связь.
б) отрицательный температурный коэффициент сопротивления.
3. Почему кремний и германий считаются полупроводниковыми материалами?
4. Почему кремний предпочтительней германия?
3. Что определяет тип проводимости (n-тип или р-тип) легированного полупроводника?
4. Как легирование поддерживает ток в полупроводниковом материале?
5. Чем определяется проводимость полупроводникового материала?
6. Какую основную функцию выполняет диод?
7. Биполярные транзисторы и принцип их работы.
8. МОП-транзисторы и их отличие от биполярного транзистора.
9. Светочувствительные и светоизлучающие элементы.
10. Что такое оптопара?
Литература:
1. Угрюмов Е.П. Проектирование элементов и узлов ЭВМ – М.; Высш. шк., 1987, с.3-5.
2. Схемотехника ЭВМ. Учебник для ВУЗов под редакцией Соловьева Г.Н. – М.; Высш. шк., 1985, с.3-8.
3. Безуглов Д.А., Калиенко И.В. Цифровые устройства и микропроцессоры., Ростов-на-Дону, 2006 г.
4. Хоровиц П., Хилл У. Искусство схемотехники. Изд. 3-е, Москва, Мир, 1986 г.