Радиопередатчик с частотной модуляцией
1. Постановка задачи (задание)
2. Введение
3. Выбор и обоснование структурной схемы
4. Расчет выходного усилителя мощности
4.1 Выбор транзистора
4.2 Расчет электронного режима транзистора
4.2.1 Коллекторная цепь
4.2.2 Базовая цепь
4.3 Расчет элементов схемы усилителя и согласующих цепей
4.3.1 Расчет цепей питания
4.3.2 Расчет входной согласующей цепи
4.3.3 Расчет выходной согласующей цепи
5. Расчет кварцевого автогенератора
5.1 Выбор кварцевого резонатора и транзистора
5.2 Расчет параметров колебательной системы АГ
5.3 Расчет параметров режима работы транзистора
5.4 Расчет параметров элементов цепи питания и смещения
5.5 Расчет варикапа
5.6 Расчет элементов цепи генератора
6. Расчет умножителя частоты
6.1 Выбор типа транзистора и расчет его режима работы
6.2 Расчет элементов схемы
7. Уточнение структурной схемы
8. Схема электрическая принципиальная радиопередатчика
9. Описание конструкции
9.1 Описание корпуса
9.2 Уточнение используемых радиодеталей
9.3 Габаритные размеры радиодеталей и радиокомпонентов
9.4 Расчет катушки индуктивности
1. Постановка задачи (задание)
радиопередатчик модуляция генератор резонатор
Радиопередатчик с ЧМ
1. Назначение устройства: связной.
2. Мощность: Рвых=1,3 Вт
3. Диапазон волн (частот): fвых=310 МГц
4. Характеристики сигналов, подлежащих передаче: частотная модуляция

5. Место установки: носимый
6. Дополнительная нестабильность
частоты

7. Сопротивление нагрузки: 50 Ом
8. Питание батарейное.
2. Введение
Разрабатываемый передатчик (носимый) будет использоваться для связи между группами людей. Например, между поисковыми отрядами и координационным центром, так и между отрядами, для уточнения действий, получения заданий, сообщения об окружающей обстановке. Поэтому передатчик должен обладать следующими качествами: быть достаточно простым и надежным в использовании, иметь достаточно низкие массогабаритные характеристики, иметь продолжительный ресурс работы и возможность замены элементов питания. Исходя из условий эксплуатации (вне помещений) передатчик должен быть защищен от воздействий окружающей среды и устойчив к перепадам температур.
3. Выбор и обоснование структурной схемы
Исходя из требований к передатчику,
выбираем наиболее простую и экономичную
в реализации схему: один генератор,
умножительные и усилительные каскады.
Частотную модуляцию будем осуществлять
простым в реализации прямым методом,
когда изменение частоты производится
в задающем генераторе. Т.к. заданы высокие
требования к допустимой нестабильности
частоты
,
в качестве задающего генератора будем
использовать автогенератор с кварцевым
резонатором, в котором кварц работает
на основной гармонике. Поэтому для
получения на выходе заданной частоты
f>вых>=305
МГц будем использовать каскады умножения
частоты. Использование транзисторных
умножителей частоты позволяет, как
повысить частоту (и девиацию частоты)
в "n"
раз, так и увеличить мощность входного
сигнала, но с ростом коэффициента
умножения частоты "n"
падает выходная мощность и КПД, поэтому
возьмем два каскада умножения частоты
на 2 и на 3. Таким образом, кварцевый
резонатор будет работать на частоте
основной гармоники
МГц. Т.к. оконечный каскад- усилитель
мощности (УМ) потребляет больше всего
энергии, то будем его проектировать с
высоким КПД. Для возбуждения оконечного
каскада и получения требуемой мощности
применим цепочку каскадов УМ. В передатчике
используется батарейное питание, поэтому
нужно стремиться получить высокие
значения КПД каскадов. Расчет начнем с
оконечного каскада УМ. Примем КПД
согласующих цепей η>СЦ>=0.8,
тогда мощность на выходе каскада
,
задаем его коэффициент усилением по
мощности K>P>=9,
тогда мощность возбуждения на входе
должна быть
.
Задаем мощность на выходе кварцевого
генератора:
.
Далее зададим усиление по мощности
каждого из каскадов на основе инженерного
опыта. С учетом согласующих цепей
получаем следующие значения:
Оконечный каскад УМ K>P>=7.5,
.
Буферный усилитель мощности,
для усиления мощности после кварцевого
генератора: K>P>=5,

Умножитель частоты на 2,
,
K>P>=5,

Умножитель частоты на 2,
,
K>P>=5,

Умножитель частоты на 3 K>P>=3,

Получаем, что промежуточный
усилитель должен обеспечить
.
Тогда мощность на входе оконечного
каскада
.
Структурную схему передатчика:
,
Проведем расчет трех каскадов: выходной усилитель мощности, кварцевый генератор и умножителя частоты на 2.
4. Расчет выходного усилителя мощности
Расчет начинаем с выходного усилительного каскада, т.к. он обеспечивает необходимую выходную мощность передатчика: Рвых=1.3 Вт.
Исходные данные берем из предварительного расчета структурной схемы:
- выходная мощность каскада Рвых1=1.625 Вт,
- частота f=310 МГЦ,
- сопротивление нагрузки 50 Ом,
также выбираем транзистор 2Т925А. Его параметры приведены в таблицах:
|
Тип прибора |
Предельные эксплуатационные данные |
||||||||||
|
|
|
|
|
|
|
|
|
|
|
||
|
В |
А |
|
|
|
МГц |
||||||
|
2Т925А |
Э |
36 |
4 |
1,0 |
0,5 |
1.8 |
20 |
150 |
85 |
13.5 |
200..400 |
|
Тип прибора |
Типовой режим |
||||
|
|
|
|
|
|
|
|
МГц |
Вт |
% |
В |
||
|
2Т925А |
320 |
>2 |
6...9.5 |
60…70 |
12.6 |
|
Тип прибора |
Электрические параметры и параметры эквивалентной схемы |
||||||||||||
|
|
|
|
|
|
|
|
|
|
|
|
|
|
|
|
В |
см |
МГц |
пФ |
пФ |
пФ |
Ом |
Ом |
Ом |
нГн |
нГн |
нГн |
||
|
2Т925А |
50 |
0.6 |
0.19 |
600…2400 |
4.5…15 |
5 |
110 |
1 |
0.4 |
1.5 |
2.4 |
1 |
2.4 |
Для получения высокого электронного КПД выберем угол отсечки коллекторного тока θ=90о, тогда коэффициенты разложения для косинусоидального импульса:





Эквивалентная схема транзистора, включенного по схеме с общим эмиттером:

4.2 Расчет электронного режима транзистора
Рвых1=1.625 Вт на рабочей частоте f=310 МГЦ для граничного режима работы.
4.2.1 Коллекторная цепь
1. Напряженность граничного режима:

2. Амплитуда коллекторного напряжения и тока первой гармоники:


3. Постоянные составляющие коллекторного, базового и эмиттерного токов:



4. Максимальная величина коллекторного тока:
,
т.е. меньше максимально допустимой величины.
5. Мощности, потребляемые от источника коллекторного питания и рассеиваемая на коллекторе транзистора:



Рассеиваемая мощность меньше допустимой, транзистор выбран правильно:
6. Электронный КПД коллекторной цепи:
или

7. Эквивалентное сопротивление коллекторной нагрузки току первой гармоники:

8. Максимальная температура коллекторного перехода (радиатор отсутствует):

4.2.2 Базовая цепь
1. Дополнительной сопротивление в базовой цепи:

Так как
,
то в реальной схеме можно не ставить
сопротивление
,
но оно остается в расчетных формулах.
2. Амплитуда базового тока составит:
,
где
3. Максимальное обратное напряжение на эмиттером переходе:

Условие
выполняется и Rд
не надо уменьшить.
4. Напряжение смещения на эмиттером переходе:

5. Активная и реактивная составляющая
входного сопротивления транзистора
.
Для этого рассчитаем элементы в эквивалентной схеме входного сопротивления транзистора: r>вх>, R>вх>, L>вх>, C>вх>.




,
тогда



6. Мощность возбуждения и коэффициент усиления по мощности:


4.3 Расчет элементов схемы усилителя и согласующих цепей

4.3.1 Расчет цепей питания
1. Блокировочная индуктивность во входной цепи автосмещения:

2. Блокировочная индуктивность, развязывающая цепь источника питания по высокой частоте:

3. Для исключения прохождения постоянной составляющей тока в нагрузку:

4. Для исключения прохождения постоянной составляющей тока в источник питания (примем R>ИП>=10 Ом ):

4.3.2 Расчет входной согласующей цепи
Требуется согласовать выходное
сопротивление транзистора УМ по первой
гармонике R>н1>
= 50(Ом) и входное сопротивление транзистора
оконечного каскада
.
Т.к. согласовываем каскад мощного
усилителя (возбуждение током) с малым
входным сопротивлением и
,
то можно использовать простую входную
ВЧ цепь, представляющую ячейку ФНЧ Г-
образного реактивного четырехполюсника,
его эквивалентная схема представлена
на рисунке:
R>1>
Обозначим: R>1>=R`>н1>=50 (Ом), R>2>= r>вх1>, X>2>= x>вх1>.
Рассчитываем необходимую величину добротности Г-звена

-достаточно мала, следовательно, цепь не превратится в колебательный контур и ее можно использовать для согласования.
Рассчитаем цепь с емкостью в параллельной ветви, т.к. она имеет лучшие фильтрующие свойства в отношении высших гармоник, чем цепь с параллельной индуктивностью:

Определяем реактивные сопротивления
Ом;
Ом.
Вычисляем величины индуктивности и емкости с учетом реактивностей выходного сопротивления транзистора УМ и входного сопротивления транзистора рассчитываемого каскада

4.3.3 Расчет выходной согласующей цепи
1. Находим действующее сопротивление:
,
проверяем выполнение условия
иначе, согласование было бы невозможным.
2. Определим реактивные сопротивления:


3. Рассчитываем необходимую величину добротности второго Г-звена:

4. Определяем реактивное сопротивление:


5. Находим последовательное реактивное сопротивление П-цепи:
.
6. Вычислим величину индуктивностей и емкостей:


С учетом емкости С>К>, стоящей параллельно С>1> пересчитаем:
С>1>'=C>1>-C>К>=5.17пФ-4.5пФ=0.67пФ.
.
Основные параметры каскада:
Напряжения питанияU>Ко>=12.6 В
Выходная мощность(до согласующей цепи)Р>ВЫХ> = 1.625 Вт
Рабочая частотаf = 310 МГц
Коэффициент усиления по мощностиKp = 9.229
КПДη = 73%
Мощность, потребляемая от источникаР>0> = 3 Вт
Мощность, рассеиваемая на коллектореР>К> = 1.39 Вт
5. Расчет кварцевого автогенератора
5.1 Выбор кварцевого резонатора и транзистора
Исходными данными для расчета:
рабочая частота f=51.333 МГц,
мощность в нагрузке Р>Н>=0.4 мВт.
Приняв частоту f>кв>=f, выбираем КР желательно с меньшим значением r>кв>*С>о> и выписываем его справочные параметры:
|
Тип резонатора |
Частота f>КВ>, Мгц |
Сопротивление r>КВ>, Ом |
Статическая емкость С>О>, пФ |
Добротность Q>КВ> |
Допустимая мощность рассеяния Р>КВ_ДОП>, мВт |
|
РВ-59 |
51.667 |
40 |
1.25 |
|
1 |
Колебательная мощность генератора
с КР невелика, поэтому АГ будем выполнять
на маломощном транзисторе КТ306Б, с
граничной частотой
.
Его параметрами:
|
Тип транзистора |
|
|
|
|
|
|
|
|
|
Структура транзистора |
|
КТ306Б |
500 |
40 |
40 |
0,6 |
7 |
4 |
0,03 |
0,15 |
1.5 |
n-p-n |
Для расчета выбираем схему частотно модулируемого автогенератора с кварцем, включенным в контур:
Схема с КР в контуре удобна тем, что возбуждение может происходить как на основной частоте, так и на механических гармониках. Так же схема позволяет включить в колебательный контур варикап, для осуществления прямой частотной модуляции.

1. Вычислим нормированную статическую емкость КР:

2. Коэффициенты разложения косинусоидального импульса при угле отсечки θ=60 градусов:
,
,
,
,
3. Режим автогенератора выбираем недонапряженным для уменьшения тока во входной цепи:
,
возьмем

4. Сопротивление резистора R и коэффициент m:
5. Определим мощности, рассеиваемые на кварце и отдаваемая транзистором:
возьмем


6. Параметр

удовлетворяет рекомендованному значению а ≤ 0.25.
7. Максимальное значение импульсного коллекторного тока:

где

Условие
выполняется.
8. Рассчитаем аппроксимированные параметры транзистора:

- крутизна по переходу,
-
сопротивление рекомбинации,
-
крутизна,
-
граничная частота по крутизне,
-
нормированная частота по
,
-
модуль крутизны
на частоте
,а

5.2 Расчет параметров колебательной системы АГ
Рассчитываем параметры колебательной системы АГ (при условии самофазирования):
1) Сопротивление ветвей контура:


2) Ёмкости контура:

3) Эквивалентное реактивное сопротивление КР с учетом резистора R:

Тогда сопротивление плеча контура между коллектором и базой:

4) Оценим индуктивность:
для этого возьмем характеристическое
сопротивление


Из условия
найдем
:

5.3 Расчет параметров режима работы транзистора
Параметры режима работы транзистора:
1) Постоянная составляющая и первая гармоника коллекторного тока:


2) Постоянная составляющая тока базы:

3) Амплитуда напряжения возбуждения:

Модуль коэффициента обратной связи:

4) Амплитуда коллекторного напряжения:

5) Напряжение смещения на базе:

6) Мощности, потребляемая в цепи коллектора, колебательная и рассеиваемая транзистором:



5.4 Расчет параметров элементов цепи питания и смещения
Параметры цепи элементов питания и смещения:
1) Выбираем значения сопротивлений Rэ и Rб из соотношений:
и

2) Напряжение источников коллекторного питания:

3) Начальное напряжение смещения:

4) Сопротивление делителя в цепи питания базы:
Ток делителя выбирается из
соотношения



5) Мощность источника питания:

КПД цепи коллектора:

КПД АГ:

5.5 Расчет варикапа
Для осуществления частотной модуляции в АГ будем использовать варикап КВ109В с параметрами:
|
Тип варикапаа |
|
|
|
Q |
|
КВ109В |
1.9-3.1 |
25 |
50 |
160 |
Так как он обладает высокой добротностью на рабочей частоте.
Возьмем показатель
, зависящий от технологии изготовления
варикапа. Для максимального изменения
емкости варикапа величину
целесообразно принимать из соотношения
:

В режиме запертого p-n перехода
емкость варикапа С>В>
зависит от напряжения модулирующего
сигнала. Средняя емкость варикапа,
соответствующая
равна
,
тогда:

при U>0>=12,5 В.
Обозначим емкость
.
Так как
<
то из схемы исключается
и

Рассчитаем амплитуды высокочастотного и модулирующего напряжений на варикапе, для этого вычислим коэффициент включения варикапа в контур:
,
где



Амплитуда модулирующего напряжения, подаваемого на варикап:

Так как условие:
выполняется,
то продолжаем расчет.
Рассчитаем значения
и
:


Частота девиации будет определяться формулой:


Так как требования к величине коэффициента нелинейных искажений не предъявляются, то оставляем его в пределах рассчитанного значения.
Данный варикап обеспечивает заданную величину девиации частоты.
Основные параметры автогенератора:
Pвых = 0,4 мВт



5.6 Расчет элементов цепи генератора
Расчет блокировочных элементов:
Выбор
,
включенной параллельно сопротивлению
Rэ.
Блокировочные функции этой емкости
осуществляются при условии
.
Но при большой
может возникнуть прерывистоая
автогенерация. Условием ее отсутствия
будет
,
где Q
– добротность колебательной системы
АГ (примем Q=100).
,
,
отсюда
,
примем
.
Полагая, что внутреннее сопротивление источника питания мало(10 Ом):

Блокировочная индуктивность
предотвращает заземление транзистора
по высокой частоте:

Блокировочные индуктивности
развязывающие по частоте
и
частоту модуляции
:
и

Примем
,
тогда:

Блокировочная емкость выбирается из соотношения:


Рассчитаем резистивный делитель в цепи смещения варикап:
-напряжение источника питания
варикапа.
максимальная частота в спектре
модулирующего сигнала.
Зададимся R4=500 Ом, тогда найдем значение R3 из соотношения :

Откуда

6. Расчет умножителя частоты
Генераторные каскады малой мощности РПУ могут выполнять функции умножителей частоты, в основе которых лежит принцип выделения гармоники нужной частоты из импульсов коллекторного тока.
Выходная мощность умножителя
ограничена несколькими факторами. К
ним относятся предельно допустимые
значения обратного напряжения на
эмиттерном переходе
и мощности рассеяния
,
а также критический коллекторный ток
.
При выборе угла отсечки
надо учитывать следующее. Пиковое
обратное напряжение
увеличивается при уменьшении угла
отсечки
,
что может ограничить мощность, отдаваемую
умножителем частоты. При больших углах
отсечки уменьшается КПД и растет мощность
Р>К>, что может
привести к нереализуемости режима
транзистора. Если при оптимизации
мощности УЧ опираться только на
ограничения по коллекторному току,
считая
,
то оптимальный угол отсечки равен
.
При n=2
-
,
а при n=3
-
.
При этих углах отсечки КПД будет
достаточно высоким, но надо не допустить
превышение
.
Поэтому часто угол отсечки и для n=2,
и для n=3
выбирают равным
.
Расчет режима транзистора ведут
на заданную мощность транзистора
на рабочей частоте n*f,
определенную по выходной мощности
умножителя
,
,
,
.
6.1 Выбор типа транзистора и расчет его режима работы
Исходя из заданных
и n*f,
по справочнику выбирается транзистор
с учетом выполнений
и
.
Вследствие больших потерь в материале
коллектора на верхних частотах транзистора
целесообразно выбирать транзистор с
запасом по выходной мощности
примерно в 2..2.5 раза. Выберем транзистор
1Т330А, со следующими параметрами и
характеристиками:
|
Тип прибора |
Электрические параметры и параметры эквивалентной схемы |
|||||||
|
|
|
|
|
|
|
|
|
|
|
В |
см |
МГц |
В |
А |
Вт |
Ом |
||
|
КТ340А |
125 |
0.6 |
0.05 |
300 |
10 |
0,05 |
0,15 |
30 |
|
|
|
|
|
|
|
|
|
60 |
0.218 |
0.391 |
0.276 |
0.109 |
0.196 |
0.138 |
Расчет транзистора будем вести по безынерционной методике , т.к. граничная частота значительно выше заданной частоты.
Режим транзистора полагаем граничным.
Возьмем U>к0>=5 В, S>ГР>=0.05, тогда:

- напряженность граничного режима работы транзистора.
- амплитуда второй гармоники
коллекторного напряжения
- амплитуда второй гармоники
коллекторного тока
- постоянная составляющая
коллекторного тока
- мощность, подводимая к транзистору
от источника питания в коллекторной
цепи
- мощность, рассеиваемая коллектором
транзистора
- эквивалентное сопротивление
коллекторной цепи для второй гармоники
коллекторного тока
- электронный КПД
- амплитуда первой гармоники
напряжения на базе
- напряжение смещения на базе
Постоянная составляющая тока
базы:

Параметры цепей элементов питания и смещения:
Сопротивление делителя в цепи питания базы:
Ток делителя выбирается из соотношения




- мощность возбуждения
Тогда коэффициент усиления по мощности составит:

6.2 Расчет элементов схемы

Расчет элементов контура:
Зададимся характеристическим
сопротивлением контура:

Найдем добротность ненагруженного
контура:

Добротность нагруженного
составит:

Тогда сопротивление потерь составит:


Сопротивление связи:

Емкость связи:

Индуктивность контура:

Общая емкость контура:

Делитель емкости

Расчет блокировочных элементов:
Блокировочные емкости выбираются из принципа:
и

Сопротивления источников питания полагаем равным 10 Ом.


Основные параметры умножителя:
Pвых = 10 мВт



K>p>=5
7. Уточнение структурной схемы
В результате проектирования отдельных каскадов, были рассчитаны выходные мощности, КПД, согласующие цепи, коэффициенты передачи по мощности, используемые активные приборы (транзисторы), а также необходимые напряжения питания для отдельных каскадов. Используя полученные данные, приведем уточненную структурную схему передатчика:

8. Схема электрическая принципиальная радиопередатчика

9. Описание конструкции
Передатчик выполнен в виде отдельных каскадов, расположенных на разных платах: плата задающего генератора, плата модулятора, плата маломощного усилителя (буферный каскад) и первого умножителя частоты, плата второго умножителя частоты, усилителя мощности и выходного каскада . Поэтому для соединения отдельных составных частей в единое целое, а также подключение источника питания ко всем каскадам, необходимо использование проводов. Все каскады питаются от аккумулятора 14(В), напряжение к ним подается через низкоомные маломощные резисторы - R8, R11 и R12. Питание автогенератора поступает от аккумулятора через делитель напряжения и стабилизируется стабилитроном КС133А с параллельно включенным конденсатором, шунтирующим его по переменному току. Толщина проводов будет зависеть от протекающих по ним токов.
Питание цепей передатчика обеспечим с помощью аккумулятора на 14(В). Напряжение на отдельные каскады будет подавать непосредственно с аккумулятора, а для задающего генератора – через делитель напряжения, для обеспечения 5-и вольтового напряжения.
Будем использовать аккумулятор Hander HA-14-6 14(В), 1.2(Ач) с габаритными размерами (70ммХ50ммХ25мм), передатчик может непрерывно работать без подзарядки в течение примерно 2 часов.
9.1 Описание корпуса
Корпус передатчика выполним из алюминиевого сплава для наилучшего отвода тепла от нагревающихся элементов. Он состоит из двух отсеков, в первом располагается плата передатчика, во втором – источник питания (аккумулятор). Плата расположена горизонтально, закреплены на стойках винтами 2 (мм). У корпуса имеется крышка с резиновой прокладкой, обеспечивающая пыле- и влагонепроницаемость. Крышка крепится с помощью винтов диаметром 4(мм). Размеры корпуса 266(мм)Х132(мм)Х50(мм), толщина стенок 1(мм). На корпусе размещаются кнопка включения/выключения передатчика и два разъема, для подключения микрофона и антенны.
9.2 Уточнение используемых радиодеталей
Уточнение используемых радиодеталей для топологического чертежа платы автогенератора.
|
Название элемента |
Рассчитанное значение |
Выбранное значение |
Стандартное название |
|||
|
Обозначение |
значение |
размерность |
значение |
размерность |
||
|
Емкость
|
32 |
пФ |
C>3> |
16…2700 пФ |
пФ |
КМ-5Б |
|
Емкость
|
149 |
пФ |
C>4> |
16…2700пФ |
пФ |
КМ-5Б |
|
Емкость
|
105,2 |
пФ |
C>6> |
16…2700пФ |
пФ |
КМ-5Б |
|
Емкость
|
9 |
нФ |
C>2> |
9,1 нФ |
нФ |
К10-50Б |
|
Емкость
|
1 |
мкФ |
C>5> |
1 |
мкФ |
К50-6 |
|
Емкость
|
0,75 |
нФ |
C>7> |
0,82 |
нФ |
К10-50Б |
|
Индуктивность
|
9 |
мкГн |
L>1> |
9,1 |
мкГн |
- |
|
Индуктивность
|
6.1 |
мкГн |
L>3> |
12.1 |
мкГн |
- |
|
Индуктивность
|
0.6 |
мкГн |
L>2> |
0.6 |
мкГн |
- |
|
Сопротивление R |
2464 |
Ом |
R>4> |
2490 |
Ом |
Р1-71-0.125 |
|
Сопротивление R>1> |
796 |
Ом |
R>1> |
806 |
Ом |
Р1-71-0.125 |
|
Сопротивление R>2> |
346 |
Ом |
R>2> |
348 |
Ом |
Р1-71-0.125 |
|
Сопротивление R>3> |
900 |
Ом |
R>6> |
909 |
Ом |
Р1-71-0.125 |
|
Сопротивление R>4> |
500 |
Ом |
R>7> |
499 |
Ом |
Р1-71-0.125 |
|
Сопротивление R>Б> |
200 |
Ом |
R>3> |
200 |
Ом |
Р1-71-0.125 |
|
Сопротивление R>Э> |
300 |
Ом |
R>5> |
301 |
Ом |
Р1-71-0.125 |
|
Кварц КР |
- |
- |
ZQ1 |
- |
- |
РВ-59 |
|
Транзистор VT>1> |
- |
- |
VT1 |
- |
- |
КТ306Б |
|
Варикап VD |
- |
- |
VD2 |
- |
- |
КВ109В |
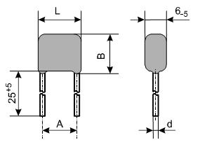
9.3 Габаритные размеры радиодеталей и радиокомпонентов
1. Конденсаторы:

1.1КМ-5Б
L=4.5 мм
B=6.5 мм
А=2.5 мм
d=0.5 мм
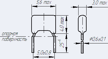
1.2.К10-50Б

1.3.К50-6
h=6
мм
D=4 мм
A=2 мм
2. Резисторы
Р1-71-0.125

l=3.5 мм
d=2 мм
H=31 мм
D=0.5 мм
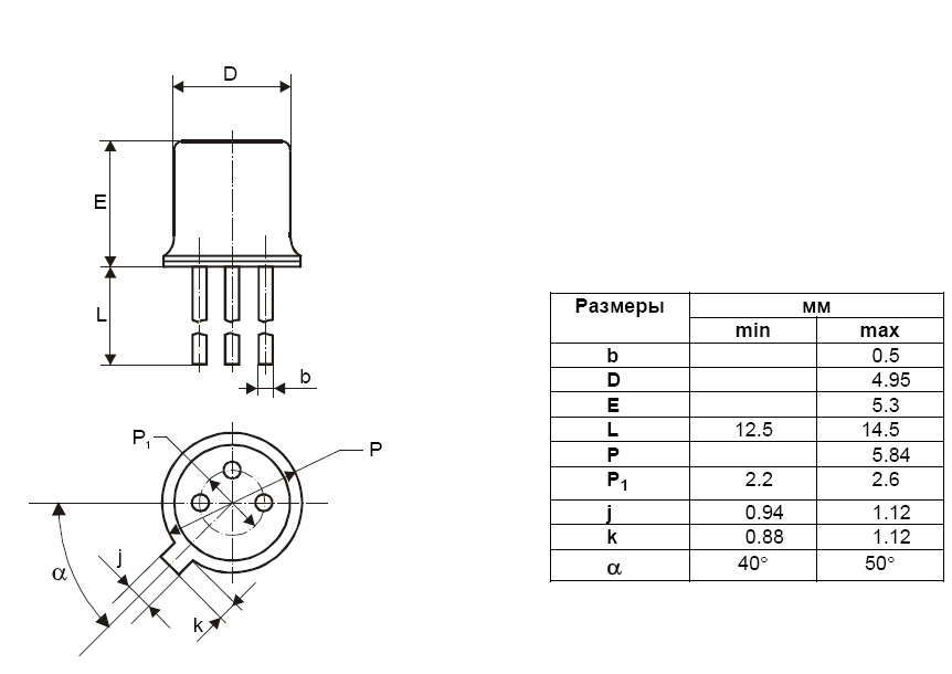
3. Транзистор КТ306Б

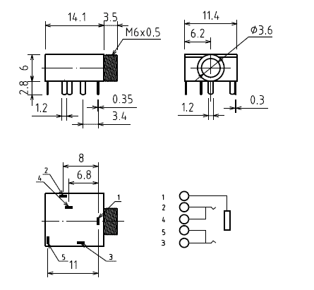
4. КварцРВ-59

5. Варикап КВ109В

6. Разъем для антенны:
GB-116(BNC-7017):

7. Кнопка включения/выключения:
SR-06NR:

8. Аккумулятор:
Hander HA-14-6:

9. Стабилитрон

1N4733A, Uстаб=5,1 +- 5% (В)
10. Транзистор 2Т925А

Для микрофона выберем аудио разьем: AUB 11/2

9.4 Расчет катушки индуктивности
Если катушка бескаркасная, то диаметр провода d должен быть не мене 0.4-0.5(мм), для обеспечения необходимой жесткости при диаметре катушки D не более 1(см) и числе витков N не более 5-10.
Рассчитаем индуктивность L2=0.6 мкГн.
Для намотки будем использовать провод ПЭВ1, толщина которого d=0.5 мм (в изоляции 0.55 мм). Выберем длину намотки l=0.6 см, диаметр намотки D=0.7 см, исходя из оптимального отношения
.
Коэффициент

Тогда число витков:

Шаг намотки:
,
т.е. намотка осуществима.




























































