Базисные структуры электронных схем
Содержание
Введение
1 Одиночные каскады
2. Дифференциальные усилители
3. Классификация способов перестройки параметров. Параметры управителей
4. Цифроуправляемые резисторы параллельной структуры
5. Влияние не идеальности электронных ключей на свойства базисных структур
6. Цифроуправляемые проводимости лестничного типа
Библиографический список
Введение
В общем случае объединение отдельных электронных элементов в систему представляет собой восходящую ветвь проектной процедуры. В этой связи уровень сложности синтеза структуры определяется глубиной детализации ее компонент. Действительно, если в качестве простейших элементов цепи выбрать транзисторы, резисторы и конденсаторы, то число возможных вариантов их объединения в систему оказывается несоизмеримо больше аналогичных вариантов, соответствующих уровню – операционный усилитель, резистор и конденсатор. Увеличение числа возможных вариантов решения конкретной задачи может повысить количество перспективных по совокупности критериев качества схемных конфигураций. В то же время очевидная функциональная полнота в силу чрезвычайно большого числа структурных и иных преобразований, связанных с процессом математических преобразований, заметно повышает степень риска.
Разумным компромиссом в создавшемся положении является стратегия декомпозиции общей задачи синтеза сложно-функциональных (СФ) блоков, выделения набора базисных структур, принцип построения которых базируется на достижениях базовых технологических ограничениях.
Простейшими базисными структурами являются одиночные каскады, дифференциальные усилители и, в первую очередь, операционные усилители (ОУ), а также резистивные и емкостные двухполюсники. При построении перестраиваемых устройств в состав таких структур должны входить управители, обеспечивающие целенаправленное изменение их параметров. Хорошо отработанные технологические процессы в микроэлектронике позволяют создавать как пассивные, так и активные управляющие многополюсники, реализующие принцип переменной крутизны. Исследование параметров и схем замещения таких устройств показывает, что их применение в качестве управителей требует создания специализированных базисных структур и, следовательно, нового класса обобщенных структур.
резистор дифференциальный усилитель
1. Одиночные каскады
Настоящий этап базисных структур необходим для создания обобщенных структур, анализ которых позволяет установить базовые (фундаментальные) ограничения, характерные для микросхемотехники на компонентном уровне. В зависимости от типа полупроводникового прибора (транзистора) различаются группы малосигнальных параметров, которые определяют их основные свойства. Однако всегда такие каскады делятся на инвертирующие, неинвертирующие и повторители напряжения (рис. 1, 2 и 3).

а) б)
Рис. 1. Инвертирующие каскады с общим эмиттером (а) и общим истоком (б)

а) б)
Рис. 2. Неинвертирующие каскады с общей базой (а) и общим затвором (б)

а) б)
Рис. 3. Повторители напряжения:
а) эмиттерный; б) истоковый
Анализ свойств таких каскадов приводит к следующим основным результатам. Во-первых, коэффициенты передачи инвентирующих и неинвертирующих способов подключения источника входного сигнала совпадают и отличаются только знаком (свойство инверсии фазы активного элемента).
Для каскадов на биполярных транзисторах:
;
(1)
– для каскадов на полевых транзисторах:
.
(2)
Во-вторых, для повторителей напряжения:
– для каскада с общим коллектором:
;
(3)
– для каскада с общим стоком:
.
(4)
Независимо от способа включения транзистора в широком диапазоне частот передаточную функцию каскада можно представить в следующем приемлемом для практики виде
,
(5)
где
–
коэффициент передачи каскада, определяемый
одним из соотношений (1–4);
– постоянная времени каскада, которая
в зависимости от типа транзистора
определяется одним из соотношений:
,(6)
,
(7)
где
–
коэффициент передачи эмиттерного тока;
,
–
дифференциальные сопротивления
эмиттерного и коллекторного переходов;
– объемное (эквивалентное) сопротивление
области базы;
–
граничная частота передачи тока эмиттера;
–
емкость коллекторного перехода – для
биполярных транзисторов; S
– крутизна стоко-затворной характеристики;
R>и >– дифференциальное
сопротивление участка цепи сток-исток;
,
– выходная и проходная емкости – для
полевых транзисторов.
Из методических соображений отметим, что в этом случае уменьшается коэффициент передачи любой из схем, но также и увеличивается диапазон рабочих частот. Этот качественный вывод входит в структуру языка аналоговой схемотехники. Достаточно часто с целью упрощения и унификации математических соотношений используется понятие эквивалентной крутизны
или
(8)
и эквивалентного сопротивления нагрузки
или
.
(9)
Тогда
.(10)
В каскадах с разделенной нагрузкой (рис. 4)

а) б)
Рис. 4. Каскады с разделенной нагрузкой:
а) на биполярном и б) полевом транзисторах
Существует достаточно простая связь между соответствующими коэффициентами усиления которая практически всегда упрощает математические преобразования в обобщенных структурах.
,
(11)
Отметим
достаточно важные для формирования
критериев синтеза структур следующие
из приведенных соотношений свойства
простейших каскадов. Во-первых, независимо
от способа увеличения коэффициента
передачи инвертирующего или неинвертирующего
каскада пропорционально уменьшается
его диапазон рабочих частот. Во-вторых,
уменьшение постоянной времени (
)
и, следовательно, расширение диапазона
рабочих частот за счет увеличения
рабочего тока и напряжения имеет
определенный и достаточно часто
технологический предел. Наконец, каскады
с разделенной нагрузкой даже при
равенстве соответствующих коэффициентов
передачи не могут обеспечивать одинаковые
частотные свойства.
2. Дифференциальные усилители
Среди разнообразных базовых узлов функциональных устройств, СФ блоков и аналоговых микросхем среднего уровня интеграции особое место занимают дифференциальные усилители, которые являются базовыми активными элементами более сложных аналоговых и дискретно-аналоговых модулей СнК. Эволюционное развитие схемотехники и технологии этих активных элементов привело к созданию узкоспециализированных, но достаточно дешевых кристаллов либо IP блоков, выполняющих функции операционных усилителей и видеоусилителей.
Современные операционные усилители также представляют собой наиболее массовый класс аналоговых микросхем, который подразделяется на ОУ широкого применения, микромощные ОУ, малошумящие ОУ и высокоскоростные ОУ. Отличие их основных параметров обеспечивается не только применением специальных схемотехнических решений, но и потребляемым от источников питания током (рис. 5–7).

Рис. 5. Шумовые свойства операционных усилителей

Рис. 6. Частотные свойства операционных усилителей

Рис. 7. Скоростные свойства операционных усилителей
Представленные зависимости получены на основании анализа современных ОУ фирмы Analog Devices, являющейся мировым лидером в этом классе аналоговых микросхем и технологии их производства. Как видно из графиков, наиболее «дорогими» с энергетической точки зрения являются высокоскоростные ОУ, характеризуемые в силу схемотехнических особенностей достаточно большим собственным шумом, который соизмерим с шумом микромощных ОУ. В то же время малошумящие ОУ по ряду параметров соизмеримы со своими микромощными и высокоскоростными аналогами.
Существующее соотношение параметров современных операционных усилителей открывает широкие перспективы в области создания на их основе прецизионных и экономичных схем самого широкого функционального назначения. Кроме этого, ОУ класса «широкого применения» практически всегда входят в состав различных БМК и специальных матриц, что позволяет реализовать специализированные микросхемы с уникальными свойствами.
Важный сектор
в классе микромощных операционных
усилителей занимают относительно
дешевые изделия, которые при трехвольтовом
питании потребляют ток от 12 до 500 мкА.
Сравнение базовых параметров таких ОУ
приведено на рис. 8. Показатель
характеризует «экономичность».

Рис. 8. Сравнительные оценки трехвольтовых ОУ
На этом уровне
относительно хорошо выглядит «старый»
отечественный ОУ 140УД12, который при
указанном напряжении питания и приведенном
показателе
за счет программирования обеспечивает
изменение потребляемого тока от 25 до
180 мкА. Рассмотренные активные элементы
имеют относительно невысокие частотные
свойства, их схемотехника всегда
традиционна, а качественные показатели
определяются различными технологиями
и выбором оптимальных режимов работы
компонентов.
С точки зрения решения широкого круга практических задач создания аналоговых и аналого-цифровых интерфейсов необходима схемотехника широкодиапазонных специализированных ОУ, ориентированных на конкретную технологию. Именно здесь оказываются востребованными многие новые архитектуры и структурные методы оптимизации отдельных каскадов [1, 7, 8]. Такие усилители на базе схем с собственной и взаимной компенсацией влияния их частоты единичного усиления обеспечивают принципиально новое качество РЭА [1].
Особое место среди активных элементов занимают видеоусилители, имеющие, как правило, единичный коэффициент передачи при высоких частотных свойствах (рис. 9).

Рис. 9. Частотные и скоростные свойства видеоусилителей
Однако их входное сопротивление по инвертирующему входу значительно меньше, чем по неинвертирующему, что и объясняет невысокий коэффициент ослабления синфазного сигнала. Отличительной особенностью таких активных элементов является также относительно низкий собственный шум (рис. 10), что и привлекает к ним особое внимание.
Достижения субмикронной технологии и микросхемотехники привели к появлению ряда ОУ, обеспечивающих преобразование сигнала в области высоких и сверхвысоких частот. Однако достижение таких качественных показателей сопровождается резким увеличением потребляемой от источников питания мощности (ток покоя превышает 20 мА). Отмеченное делает проблематичным их использование в микросхемах высокого уровня интеграции, где отвод тепла приводит к принципиальным технологическим проблемам.

Рис. 10. Шумовые свойства видеоусилителей
Введенный ранее показатель качества ОУ можно распространить и на другие параметры этих активных элементов. Действительно, характеризуют качество схемотехнических решений. Сравнение рассмотренных ранее активных элементов приведено на рис. 11.
(12)

Рис. 11. Сравнение различных типов ОУ
В реальных системах связи, диагностики и автоматического управления линейные аналоговые устройства взаимодействуют с датчиками и АЦП, поэтому в диапазоне частот до 100 МГц при стандартном уровне опорного напряжения 2,5 В скорость нарастания в 10–100 В/мкс оказывается достаточной.
Так, относительно «старый» ОУ ОР-37 (140УД26), имеющий S=10B/мкс, при напряжении питания 15 В обеспечивает на частоте 1 МГц максимальный уровень выходного напряжения 2,5 В. В этой связи для СнК и СФ блоков необходима разработка нового поколения ОУ, сочетающих широкодиапазонность с энергоэкономичными режимами их работы, а также дальнейшее совершенствование схемотехники функциональных устройств на их основе.
3. Классификация способов перестройки параметров. Параметры управителей
В высококачественных перестраиваемых устройствах целенаправленное изменение характеристик и параметров производится в основном цифроуправляемыми проводимостями (ЦУП), состоящими из набора резисторов и электронных ключей. Такие узлы (управители) в общем случае могут иметь произвольную структуру.
Наиболее технологичными для современной микроэлектроники являются параллельные ЦУП и резистивные лестничные матрицы типа R-2R, которые, наряду с дифференциальными усилителями, должны входить в состав базисных структур.
Принципиально построение перестраиваемых фильтров, корректоров возможно на основе любых схемных решений, выполненных средствами современной технологии. Однако в отличие от устройств с фиксированными параметрами, где относительно высокие качественные показатели можно в ряде случаев обеспечить параметрической оптимизацией в пространстве элементов цепи, в перестраиваемых схемах, это, как правило, достигается применением «хороших» структур. Такие структуры должны иметь высокие потенциальные возможности, обеспечивающие необходимые качественные показатели при любых, даже неблагоприятных, сочетаниях параметров, подвергающихся целенаправленному изменению. Многочисленные исследования показывают, что наилучшими качественными показателями в этом отношении характеризуются схемы с решающими усилителями [6, 11].
В схемах с решающими усилителями основная группа элементов перестройки в силу чрезвычайно низкого рассогласования на инвертирующем входе ОУ (узел b>j>) представляет собой набор источников тока, управляемых напряжением (ИТУН) [6], с крутизной преобразования (S>ki>) (рис. 12).
Узел
принадлежит выходу ОУ или входу схемы.
С точки зрения конечного результата
безразлично, каким путем обеспечивается
изменение
.
(13)

Рис. 12. Особенность управителей в схемах с решающими усилителями
Простейшим ИТУНом является трехполюсник, в продольной ветви которого включается резистор или конденсатор. Такой управитель (рис. 13) обеспечивает прямую перестройку параметров. Сущность «косвенной перестройки» [6] состоит в следующем. Выделим в ветви Y (рис. 13а) изменяемую y>v> и постоянную y>c> части проводимости. Используя теорему о компенсации, перейдем к цепи с управляемым источником ЭДС (рис. 13б):
.
(14)

Рис. 13. Переход от прямой (а) к косвенной (б) перестройке параметров
Для эквивалентности цепей необходимо обеспечить равенство токов и потенциалов.
Так как
,
y = y>c> (1-х>н>), (15)
и, следовательно, изменение эквивалентного значения Y в цепи возможно через (рис. 14а), который обеспечивает предварительное масштабирование напряжения в структуре ИТУНа.

Рис. 14. Косвенная перестройка параметров с масштабированием напряжения (а) и тока (б) в ARC-схемах с решающими усилителями
Аналогично можно
воспроизвести вариант с масштабированием
тока (рис. 14б).
Приведенные выше
соотношения наглядно иллюстрируют
хорошо известное явление деформации
затухания в мостовых RС-цепях
при косвенной перестройке частоты
полюса посредством разделения плеч,
где резистивный делитель и электронный
усилитель не обеспечивают зависимости
от выходного напряжения
.
В схемах с решающими усилителями
=0,
поэтому косвенное изменение эквивалентной
проводимости, как это показано на рис.
14, не приводит к деформации других
параметров. Неидеальность ОУ приводит
к тому, что потенциальный нуль на
инвертирующем входе реализуется только
с определенной степенью точности,
поэтому при данном способе перестройки
изменение других параметров, конечно,
наблюдается. Однако оно проявляется
через влияние основных параметров ОУ
и существенно ослабляется последними.
Масштабирование напряжения (изменение напряжения на входе решающего блока через ае>н>, так же как и масштабирование тока (изменение зарядного или выходного тока через ае>1>) может осуществляться в конкретных случаях либо резистивными делителями, либо усилителями напряжения (тока). Первый путь реализации можно назвать «пассивная косвенная перестройка», а второй – «активная косвенная перестройка». Можно указать еще один (комбинированный) способ управления параметрами, существо которого заключается в одновременном изменении не только х>н >(х>I>), но и проводимости Y>c>.
Наиболее простой, но не гарантирующий получения оптимального решения способ проектирования обсуждаемых устройств опирается на замену решающих усилителей в структурах с фиксированными параметрами на аналогичные блоки с перестраиваемыми параметрами [6]. Для выяснения степени равноценности замены необходимо рассмотреть решающие усилители с преобразователями напряжение-ток обобщенной структуры. Настоящие преобразователи могут использоваться как в цепи прямой передачи (рис. 15а), так и в контуре обратной связи ОУ (рис. 15б). Конкретный способ включения ИТУНа и тип проводимости Y>0> зависят от характера выполняемой операции и в общем случае определяются структурой перестраиваемой схемы.

а)

б)
Рис. 15. Решающие усилители с преобразователями напряжение-ток в цепи прямой передачи (а) и контуре обратной связи (б) ОУ
Передаточные функции для схемы рис. 15а
(16)
и для схемы рис. 15б
(17)
показывают, что, наряду
с крутизной короткого замыкания
(S>k>),
определяющей совместно с Y>0>
математическую операцию S>k>/Y>0>
или Y>0>/S>k>,
важнейшим параметром управителей
является коэффициент их передачи на
холостом ходу (K>x>),
характеризующий степень влияния
коэффициента передачи (
)
и площади усиления (П) ОУ на качественные
показатели проектируемого устройства.
Показатели качества цепи, определяющие ее частотный и динамический диапазон, для исследуемых схем имеют следующий вид:
(18)
(19)
и существенно зависят от значения K>x>, поэтому сопоставление различных управителей должно сопровождаться анализом K>xmin> .
4. Цифроуправляемые резисторы параллельной структуры
Результаты анализа решающих блоков показывают, что минимальное влияние неидеальностей активных элементов обеспечивается применением обычного набора переключаемых резисторов, обеспечивающих прямую перестройку (рис. 16).

Рис. 16. Набор переключаемых проводимостей

Рис. 17. Эквивалентная схема пассивного трехполюсника
Действительно,
(20)
(21)
Однако при
большом диапазоне перестройки (
)
необходимы резисторы, номиналы которых
существенно отличаются друг от друга.
Последнее требование в практическом
отношении часто реализовать затруднительно,
по крайней мере, по двум причинам.
Во-первых, диапазон переключаемых
проводимостей ограничивается конечными
значениями сопротивления электронных
ключей как в открытом, так и в закрытом
состояниях. Во-вторых, технологически
сложно реализовать в микроэлектронном
исполнении разрядные проводимости с
широким диапазоном номиналов.
В этой связи представляется
целесообразным поиск схемных решений,
направленный на устранение настоящих
недостатков.
На рис. 17 представлена эквивалентная схема пассивного трехполюсника, где число параллельно соединенных Т-образных групп (Y>1>,Y>2>,Y>3>) может быть произвольным. Крутизна преобразования при коротком замыкании на выходе определяется выражением, из которого следует, что все проводимости Y>1> или Y>2> зависят от соотношения сопротивлений оставшихся ветвей. Отмеченное позволяет выделить два основных принципа реализации управляющих четырехполюсников с цифроуправляемыми проводимостями (табл. 1).
Таблица 1
Принципы реализации ЦУП
|
№ |
Принципиальная схема управляющего четырехполюсника |
Основные параметры |
|
1 |
|
|
|
2 |
|
|
Первый принцип предусматривает преобразование входного напряжения посредством Y>1> и Y>3>, а ЦУП включаются в ветви Y>0> и Y>2>. В рамках второго принципа происходит масштабирование тока на Y>2> и Y>3>, а ЦУП используется вместо Y>0> и Y>1> [6].
В приведенных
в табл. 1
соотношениях для крутизны короткого
замыкания и коэффициента холостого
хода
>i>
и
>j>
определяют состояния соответствующих
ключей и принимают значения 0 и 1,
а k>1>
и k>2>
– вес отдельных групп
ЦУП, моделирующих Y>0>,Y>2>
и Y>0>,Y>1>.
В общем случае в рамках рассмотренных
принципов целенаправленному изменению
могут подвергаться весовые коэффициенты
k>1>
и k>2>,
устанавливающие, например, поддиапазон
перестройки. При этом целесообразно
применить ЦУП в ветви Y>3>,
т.к. появляется возможность использовать
«заземленные» ключи. Если усиленные
неравенства не выполняются, то остаточные
члены для k>1>
и k>2>:
(22)
необходимо учитывать при определении сопротивлений разрядных резисторов, вводить в закон управления или предусматривать другие меры обеспечения допустимой методической погрешности S>k1> и S>k>>2>:
( 23)
.(24)
Настоящие погрешности зависят от состояния электронных ключей, поэтому при большом диапазоне перестройки целесообразно рассматривать их максимальные значения, численно равные соответствующим остаточным членам (22).
Микроэлектронные резистивные наборы, предназначенные для специализированных устройств контрольно-измерительной техники, содержат проводимости, выполненные по двоичному закону. В этом случае
(25)
как для преобразования напряжения, так и для преобразования тока.
С
оответствующим
изменениям подвергаются выражения для
методической погрешности. С учетом
введенных методических погрешностей
рассмотренные в табл.
1 коэффициенты холостого
хода, определяющие качественные
показатели решающих блоков, примут
следующий вид:
– для четырехполюсника с преобразованием напряжения:
(26)
– для четырехполюсника с преобразованием тока:
(27)
Настоящие
соотношения показывают, что при заданной
методической погрешности
S>1
>или
S>2>
повышение К>х1>
или K>х2>
возможно выбором
>i>
и
>j>.
Однако повышение качественных показателей
решающих усилителей применением
«наилучших» кодовых комбинаций неизбежно
снижает диапазон перестройки схемы,
поэтому практическую оценку влияния
ОУ на частотные характеристики
проектируемых устройств целесообразно
производить для наихудшего случая,
когда
(28)
.(29)

Рис. 18. Зависимость К>х> управляющих четырехполюсников от диапазона перестройки D
На рис. 18
приведены зависимости
от диапазона перестройки D
при n=m
для различных значений максимальной
методической погрешности
S
для ИТУН с преобразованием тока (сплошные
кривые) и с преобразованием напряжения
(пунктирные кривые). Соотношения
(28),
(29)
и их графическая интерпретация наглядно
показывают, что при высокой методической
точности наилучший результат обеспечивается
управляющим четырехполюсником с
масштабированием напряжения, и только
при большом диапазоне перестройки и
достаточно низкой точности можно
использовать принцип преобразования
тока. Целесообразно отметить, что вопрос
выбора необходимой точности
S
должен решаться с учетом реализуемого
шага и закона перестройки.
5. Влияние неидеальности электронных ключей на свойства базисных структур
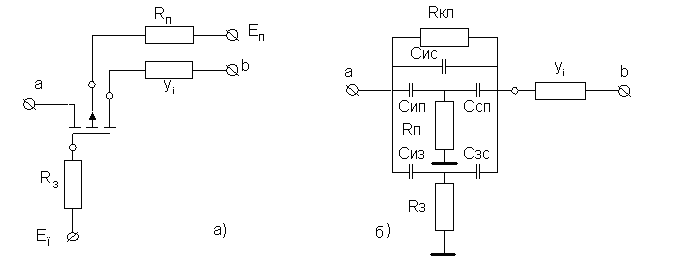
При построении ЦУП в качестве коммутаторов чаще всего используются МДП ключи (рис. 19, 20).

Рис. 19. Принципиальная (а) и эквивалентная (б) схемы i-й ветви ЦУП

Рис. 20. Принципиальная (а) и эквивалентная (б) схемы i-й ветви ЦУП
Широкий диапазон рабочих частот обусловливает в перестраиваемых схемах дополнительный источник погрешности, связанный с влиянием паразитных емкостей настоящих ключей и конечного сопротивления канала полевого транзистора. Рассмотрение эквивалентных схем i-й ветви ЦУП (рис. 19, 20) (26, 27) показывает, что сильное влияние неидеальности электронного ключа проявляется в разомкнутом состоянии последнего, когда сопротивление канала (R0>кл>) очень велико.
Для выяснения степени влияния сложных ЦУП на характеристики проектируемых схем можно использовать «структурно-параметрическую» суперпозицию, когда тот или иной элемент схемы в анализируемой функции заменяется его эквивалентом или более точной математической моделью. Поэтому задача анализа влияния неидеальности электронных ключей на свойства схем заключается в нахождении крутизны преобразования
(30)
через комплексные
проводимости
i-й
и
j-й
ветвей при заданном коэффициенте веса
k.
Эквивалентные схемы, изображенные на рис. 19 и 20, однозначно определяют основную составляющую (19)
(31)
Где

В табл. 2 приведены важнейшие в практическом отношении варианты включения электронного коммутатора на полевом транзисторе.
Таблица 2
Базовые соотношения для i-й ветви ЦУП
|
Схема |
Вариант |
Постоянная времени |
Примечание |
|
|
|
T |
|||
|
|
|
|
|
|
|
|
|
|
Снижение частотных искажений в разомкнутом состоянии, как это видно из |
|
|
Рис. 20 |
|
|
|
(33), (34) и рис. 21, возможно увеличением T. Рост Т без изменения реализуется включением дополнительных корректирующих емкостей между стоком |
|
|
|
|
и общей шиной. Коррекция уменьшает 0>max>. |
|
|
Примечание. Для получения соотношений схемы рис. 20 необходимо поменять местами индексы, обозначающие электроды сток и исток. |
Причем независимо от рассматриваемого случая
(32)
и, следовательно, амплитудно- и фазочастотные характеристики определяются из следующих выражений:
;
(33)
.
(34)
Изучение особенностей АЧХ и ФЧХ (рис. 21) в двух характерных режимах показывает, что:
– для разомкнутого ключа:
; (35)
– для замкнутого ключа:
.
(36)

Рис. 21. Нормированная амплитудно-частотная (а) и фазочастотная (б) характеристика эквивалентной крутизны i-й ветви ЦУП
В общем случае для
расширения диапазона рабочих частот
необходимо увеличивать
,
и(или) уменьшать
,
.
В рамках конкретной ветви увеличение
отношений являющихся некоторой
интегральной оценкой качества ЦУП,
возможно только за счет выбора R>i>.
(37)
Существенное снижение погрешностей крутизны преобразования обеспечивается «переносом» отключаемой проводимости в эквипотенциальные узлы, которыми в схемах с решающими усилителями являются инвертирующий вход ОУ и общая шина устройства.
Один из
возможных способов переключения i-й
(j-й)
ветви ЦУП показан на рис.
22. В разомкнутом состоянии
(>i>=0)
сопротивление канала полевого транзистора
велико (R0>кл1>>>R>i>),
и передача тока в ветвь y>i>
(рис. 22а) ослабляется делителем,
образованным сопротивлением канала
открытого транзистора V2
и Ri
(R1>кл2
><< R>i>).
Аналогичные процессы имеют место при
коммутации тока (рис. 22б). В замкнутом
состоянии (
>i>=1)
«потери» управляющего тока незначительны,
т.к. R1>кл1
><< R>i>>
><< R0>кл2>.

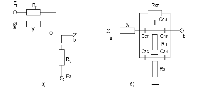
Рис. 22. Принципы и реализация переноса проводимости при коммутации напряжения (а) и тока (б)
Детальный анализ частотных искажений в i-й ветви ЦУП осуществляется через передаточную функцию
.
(38)
Все составляющие
с индексом 1
соответствуют V1
, а с индексом 2
– V2.
Структура постоянных времени
>i>
и Т>i>
указана в табл. 2.
Выражения для T>2>
при различных сочетаниях R>п2>
и R>з2>
приведены в табл. 3.
Таблица 3
Варианты формирования постоянной времени ЦУП
|
Схема |
Вариант |
Т>2> |
|
|
|
|
|
|
|
|
|
Рис. 22а |
|
|
|
|
|
|
|
Примечание. Получение соотношений для схемы рис. 22б осуществляется взаимной заменой индексов, обозначающих электроды сток и исток. |
Линейные искажения крутизны определяются через амплитудно-частотную
(39)
и фазочастотную характеристики
.
(40)
Анализ приведенных соотношений показывает, что значения (рис. 23):
– для разомкнутого
состояния (
>i>=0):
(41)
– для
замкнутого состояния
(>i>=1),
как и асимптоты
(рис. 23):
(42)
оказываются более благоприятными по сравнению с вариантом реализации i-й ветви с одним коммутатором.

(б)
Рис. 23. Нормированная амплитудно-частотная (a) и фазочастотная (б) характеристики эквивалентной крутизны i-й ветви ЦУП
Более детальное рассмотрение показывает, что выбором
(43)
можно по сравнению с ранее
рассмотренным случаем значительно
повысить
и тем самым уменьшить погрешность для
S>ki>
при =0.
Некоторое уменьшение аналогичного показателя при =1
,
(44)
как правило, незначительно и изменяет S>ki> в области частот, превышающих рабочие.
Полученные результаты показывают, что для снижения влияния электронных ключей на характеристики управителей в ЦУП необходимо использовать для каждой ветви индивидуальные ае>н >(ае>I>) при оптимальном сопротивлении их ветвей. Такая структура многополюсника наиболее удачно реализуется в лестничных резистивных матрицах. Однако построение ЦУП с переносом отключаемой проводимости повышает влияние операционного усилителя на характеристики проектируемого устройства. Действительно, подключение проводимости между инвертирующим входом и общей шиной снижает эквивалентное входное сопротивление ОУ.
В этом отношении схема с коммутацией тока (рис. 22б) имеет определенные преимущества, т.к. входная проводимость изменяется только на величину выходной проводимости закрытого ключа, тогда как в схеме с коммутацией напряжения (рис. 22a) y>i> соединяется с общей шиной через замкнутый ключ V2. Целесообразно отметить высокое быстродействие реализации, приведенной на рис. 22б, где ключ коммутирует Y>i> между двумя практически эквипотенциальными узлами. Последнее существенно снижает длительность переходных процессов в резистивной части управителей. Настоящие выводы, однако, не указывают на полное преимущество схемы с коммутацией тока. Более детальное рассмотрение характера подключаемой проводимости указывает на ее емкостный характер, что может снизить в схеме запас устойчивости или даже привести к самовозбуждению. При коммутации напряжения вносимая часть входной проводимости определяется практически только Y>i> (сопротивлением замкнутого ключа V2 можно пренебречь). Отмеченное ранее повышение влияния ОУ можно предотвратить введением дополнительного ключа, как это показано на рис. 24.

Рис. 24. Повышение ресурса цепи в ЦУП с коммутацией напряжения
Действительно, теперь в анализируемом режиме Y>i> подключается ко входу через разомкнутый ключ.
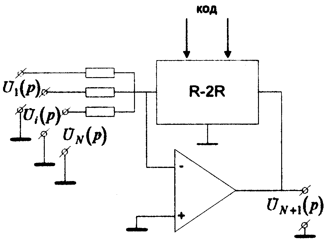
6. Цифроуправляемые проводимости лестничного типа
Ранее были рассмотрены управляющие четырехполюсники с масштабированием напряжения и тока, которые в k раз (см. табл. 1) снижали отношение разрядных сопротивлений. Настоящая величина может быть предельно снижена обеспечением индивидуального значения k для каждого разряда, тогда путем эквивалентных преобразований резистивных делителей можно при сохранении двоичного закона перестройки получить лестничные резистивные схемы типа R-2R (рис. 25, 26). Идентичность физических процессов в рассматриваемых цепях и их аналогах показывает, что управляющий четырехполюсник с суммированием токов (рис. 26) имеет по отношению к варианту, приведенному на рис. 25, такие же преимущества, как и схема с масштабированием напряжения по отношению к схеме с масштабированием тока (табл. 1). Действительно, в управляющем четырехполюснике с масштабированием тока
(45)
где y = 1/R – базовая проводимость лестничной цепи.
В аналогичной лестничной схеме с суммированием токов при той же функциональной зависимости эквивалентной крутизны (S>k>) коэффициент передачи управителя в режиме холостого хода (K>x>) имеет следующее аналитическое выражение:
(46)


Рис. 25. Лестничная резистивная схема в режиме масштабирования тока

Рис. 26. Суммирование токов в лестничной резистивной схеме (режим масштабирования напряжения)
Изучение
приведенных соотношений показывает,
что максимальное влияние параметров
операционных усилителей на характеристики
решающих блоков
(K>xmin>)
достигается при
>n>=1,
>1>=
>2>=...=
>n>>-1>
=0, когда крутизна преобразования
принимает свое минимальное значение.
В лестничной цепи с масштабированием
тока K>x>>1>>min>=21-n,
а в соответствующей реализации с
масштабированием напряжения
K>x>>2>>min>=3/(2n+2n-1),
поэтому использование управителя с
суммированием тока (рис. 26) обеспечивает
практически трехкратное снижение
влияния активных элементов и оказывается
предпочтительным. Кроме этого, характер
функциональной зависимости коэффициента
холостого хода схемы от управляющего
двоичного позиционного кода, как это
видно из рис. 27 на примере четырехразрядного
R-2R,
обеспечивает безусловное преимущество
настоящего варианта включения ЦУП [16].

Рис. 27. Функциональная зависимость коэффициента холостого хода лестничной цепи при масштабировании тока (кривая 1) и при масштабировании напряжения (кривая 2)
Рассматриваемые управители можно аналогично с ЦУП параллельной структуры использовать в схемотехнике решающих блоков (табл. 4) как в цепи прямой передачи сигналов (схемы 1 и 2), так и в контуре обратной связи (схемы 3 и 4).
Таблица 4
Решающие усилители с матрицами R-2R
|
Принципиальная схема. Функциональное назначение |
Передаточная функция |
Показатели качества |
|
|
1 |
2 |
3 |
|
|
|
Точное выражение
Приближенное выражение F(p)=-k, (k=R>ос>S>k>) |
|
|
|
|
Точное выражение
Приближенное выражение F(p)= |
|
|
|
|
Точное выражение
Приближенное выражение
Математическая операция
|
Настоящие выражения справедливы для всех F>i>(p) |
|
|
|
Точное выражение
Приближенное выражение
|
|
А
нализ
приведенных в табл. 4 соотношений
показывает, что с точки зрения выполняемой
математической операции и показателей
качества оба способа включения резистивной
цепи идентичны. Однако применение
управляющих четырехполюсников в
суммирующем усилителе и особенно в
инвертирующем дифференциаторе оказывается
в отдельных структурах невозможным
из-за особенностей замыкания контура
отрицательной обратной связи по
постоянному току.
Библиографический список
Капустян, В.И. Проектирование активных RC-фильтров высокого порядка [Текст] / В.И. Капустян. – М. : Радио и связь, 2009. – 159 с.
Каталог разработок Российско-Белорусского центра аналоговой микросхемотехники [Текст] / под ред. С.Г. Крутчинского. – Шахты : Изд-во ЮРГУЭС, 2006. – С. 96.
Квакернаак, Х. Линейные оптимальные системы управления [Текст] : пер. с англ. / Х. Квакернаак, Р. Сиван. – М. : Мир, 2007. – 650 с.
Коротков, А.С. Микроэлектронные аналоговые фильтры на преобразователях импеданса [Текст] / А.С. Коротков. – СПб. : Наука, 2009. – 416 с.
Красовский, А.А. Алгоритмические основы оптимальных адаптивных регуляторов нового класса [Текст] / А.А. Красовский // Автоматика и телемеханика. – 2006. – № 9. – С 104–116.
Крутчинский, С.Г. Активные R-фильтры СВЧ диапазона [Текст] / С.Г. Крутчинский, Е.И. Старченко, А.И. Гавлицкий // Проблемы современной аналоговой микросхемотехники : труды 6-го Международного НПС. – 2007. – Ч. 1. – С. 126–133.
Крутчинский, С.Г. Аналого-цифровые интерфейсы микроконтроллерных адаптивных регуляторов циклического типа для объектов электроэнергетики [Текст] / С.Г. Крутчинский // Известия РАН. Автоматика и телемеханика. – 2006. – № 5. – С. 163–174.
Крутчинский, С.Г. Аналоговый интерфейс трехкоординатного акселерометра на базе радиационностойкого АБМС [Текст] / С.Г. Крутчинский, А.В. Нефедова // Проблемы современной аналоговой микросхемотехники : труды 6-го Междунар. НПС. – 2007. – Ч. 2. – С. 19–24.
Крутчинский, С.Г. Микросхемотехника сложных аналоговых функциональных блоков систем на кристалле [Текст] / С.Г. Крутчинский // Проблемы современной аналоговой микросхемотехники : труды Междунар. НПС. – 2008. – С. 4–10.
Крутчинский, С.Г. Мультидифференциальные операционные усилители и прецизионная микросхемотехника [Текст] / С.Г. Крутчинский, Е.И. Старченко // Проблемы современной аналоговой микросистемотехники : сборник трудов МНПС. – 2009. – С. 125–137.
Крутчинский, С.Г. Мультидифференциальные операционные усилители и прецизионная микросхемотехника [Текст] / С.Г. Крутчинский, Е.И. Старченко // Электроника и связь. – 2010. – № 20. – С. 37–45.
Крутчинский, С.Г. Мультидифференциальные операционные усилители. Особенности схемотехники и практического применения [Текст] / С.Г. Крутчинский, Е.И. Старченко // Актуальные проблемы твердотельной электроники и микроэлектроники : труды 8-й Междунар. НТК, г. Таганрог, 14–19 сент. 2002 г.
Крутчинский, С.Г. Основы схемотехнического проектирования активных фильтров ВЧ и СВЧ диапазонов [Текст] / С.Г. Крутчинский // Проблемы современной аналоговой микросхемотехники : труды 6-го Междунар. НПС. – 2007. – Ч. 1. – С. 120–125.
Крутчинский, С.Г. Особенности структурного синтеза принципиальных схем микроэлектронных устройств частотной селекции [Текст] / С.Г. Крутчинский // Микроэлектроника. – 2006. – № 4.
Крутчинский, С.Г. Особенность структурного синтеза нестационарных ARC-устройств с цифроуправляемыми проводимостями [Текст] / С.Г. Крутчинский, С.Г. Чибизов // Проблемы современной аналоговой микросхемотехники : труды Междунар. НПС. – Ч. 2. – С. 147–151.
Крутчинский, С.Г. Повышение точности перестраиваемых ARC-схем с ЦАП [Текст] / С.Г. Крутчинский, В.В. Черников // Избирательные системы с обратной связью. – Таганрог, 2007. – Вып. 6. – С. 55–60.
Крутчинский, С.Г. Прецизионные программируемые усилители аналогового интерфейса [Текст] / С.Г. Крутчинский, И.П. Щербинин // Электроника и связь. – 2009. – № 14. – С. 112–116.
Крутчинский, С.Г. Прецизионный сенсорный интерфейс интеллектуальных датчиков [Текст] / С.Г. Крутчинский, И.П. Щербинин, В.Д. Гура // Проблемы современной аналоговой микросхемотехники : труды Междунар. НПС. – 2006. – С. 10–15.
Крутчинский, С.Г. Проектирование низкочувствительных звеньев с нулевыми цепями [Текст] / С.Г. Крутчинский // Радиоэлектроника. – 2007. – № 5.
Крутчинский, С.Г. Расширение диапазона перестройки аналоговых ARC-фильтров [Текст] / С.Г. Крутчинский, Ю.И. Иванов // Электроника и связь : тем. выпуск по материалам Междунар. НТК «Проблемы физической и биомедицинской электроники». – Киев, 2009.
Крутчинский, С.Г. Расширение диапазона рабочих частот ограничителей спектра с низким дрейфом нуля [Текст] / С.Г. Крутчинский, Д.А.Щекин // Проблемы современной аналоговой микросхемотехники : сборник материалов Междунар. науч.-практ. семинара. – Шахты, 2009. – С. 83–89.
Крутчинский, С.Г. Расширение диапазона рабочих частот перестраиваемых ARC-устройств [Текст] / С.Г. Крутчинский // Радиоэлектроника. – № 11. – Т. 31. – С. 74–76.
Крутчинский, С.Г. Синтез структур аналоговых интерфейсных ус-ройств [Текст] / С.Г. Крутчинский // Электроника и связь. – 2010. – № 8. – Т. 2. – С. 320–324.








































