Методы проектирования и моделирования усилителей
Содержание
1. Введение
2. Расчёт коэффициента усиления напряжения разомкнутого усилителя
3. Статический расчёт
3.1. Выходной каскад
3.2. Входной каскад
4. Расчёт емкостных элементов
5. Расчет элементов обратной связи
6. Расчет реально достигнутого в схеме коэффициента усиления K разомкнутого усилителя в области средних частот
7. Построение характеристики Moc()
8. Моделирование
Заключение
Список литературы
1. Введение
Значительные изменения во многих областях науки и техники обусловлены развитием электроники. В настоящее время невозможно найти какую-либо отрасль промышленности, в которой не использовались бы электронные приборы. Одними из таких приборов являются усилители электрических сигналов. Частный случай управления энергией, при котором путём затраты небольшого её количества можно управлять энергией, во много раз большей, называется усилением. При этом необходимо, чтобы процесс управления являлся непрерывным, плавным и однозначным. Устройство, осуществляющее такое управление, называется усилителем.
Если управляющая и управляемая энергии являются электрическими, то такой усилитель называют усилителем электрических сигналов. Эти усилители широко используются во всех областях техники.
По роду усиливаемых сигналов их подразделяют на усилители гармонических сигналов и усилители импульсных сигналов.
П
о
характеру изменения усиливаемого
сигнала во времени усилители делят на
усилители медленно изменяющихся
сигналов, которые часто называют
усилителями постоянного тока, и усилители
переменного тока, подразделяемые на
усилители низкой частоты, высокой
частоты, широкополосные, избирательные,
универсальные многофункциональные и
пр.
Рис.1 Структурная схема усилителя.
В зависимости от характера нагрузки и назначения различают усилители напряжения, тока, мощности. Такое разделение условно, так как в любом случае, в конечном счете, усиливается мощность.
В зависимости от типа используемых в усилителе активных элементов различают усилители ламповые, полупроводниковые, магнитные, оптоэлектронные, диэлектрические.
В ряде случаев усилители выполняют комбинированными с применением активных элементов различных типов. Кроме того, их иногда подразделяют на усилители прямого усиления и усилители с преобразованием усиливаемого сигнала.
Примерная структура усилителя представлена рис.1. В качестве приёмника может использоваться другой усилитель или какое-либо исполнительное устройство.
У
силители,
как правило, содержат несколько
усилительных каскадов соединённых
последовательно и разделённых цепями
связи (рис.2).
Рис.2.
Задачей данной курсовой работы является ознакомление с методами проектирования усилителей и их разработкой с использованием САПР.
метод проект модель усилитель
2. Расчёт коэффициента усиления напряжения разомкнутого усилителя
Коэффициент усиления разомкнутого усилителя определяется соотношением,

где K>oc> коэффициент усиления замкнутого усилителя, который определяется по формуле
.
Здесь U>н>>m> это амплитуда выходного напряжения определяется по данным в таблице исходных данных значениям P>н> и R>н> по следующим формулам:
,
;
,

,

.
K-находится из характеристики М>ОС> ().Предположим, что усилитель реализовывается на одном каскаде n=1 тогда характеристика имеет следующий вид:
;
.
Получаем следующее квадратное уравнение, которое решаем относительно К.


>
>
>
>




Принимаем отрицательное значение
.
Тогда коэффициент усиления будет равным
.
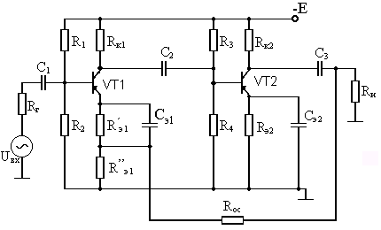
Так как К10 то структура с одним каскадом неприемлема. Предположим теперь что число каскадов усилителя n=2.
Тогда функция М>ОС> () для верхних и нижних частот будет выглядеть следующим образом:

,
.
Получаем следующее квадратное уравнение, которое решаем относительно. К.




Принимаем отрицательное значение
.
Тогда коэффициент усиления будет равным
.
Так как К100,
то принятое число каскадов n=2
полностью подходит. Примерная схема
усилителя показана на рис.3

Рис.3.Двух каскадный усилитель с ООС.
3. Статический расчёт
3.1 Выходной каскад
а) Выбор рабочей точки транзистора.
Выбор рабочей точки А транзистора, когда входной сигнал отсутствует, сводится к выбору тока коллектора I>КА> и напряжения U>КЭА> в схеме рис.4 в первоначальном предположении R>Э2>=0, т. е. При заземлённом эмиттере.

Рис.4
Точка покоя выбирается исходя из данных значений амплитуды напряжения на коллекторе U>m> и тока коллектора I>m>, которые по заданным значениям U>н> и I>н> определяются, как
и
.
Для режима класса А координаты рабочей точки А должны удовлетворять неравенствам:
;
(1)
для каскада на БТ, где
,
- напряжение на коллекторе, соответствующее
квазигоризонтального участка выходных
ВАХ;
- коэффициент запаса. Для транзисторов
малой мощности рекомендуется принять
=1-2В,
для мощных транзисторов -
=2-4В.
Выбираем значения
,
=1,5В
тогда получим

Далее строится предположительная область ВАХ транзистора каскада, ограниченная значениями
,
(2)
и гиперболой
(3)
максимально рассеиваемой мощности на коллекторе.



Затем по справочникам выбираем
транзистор, удовлетворяющий при заданной
следующим
требованиям:
тип проводимости транзистора p-n-p
справочные величины максимально
допустимых мощностей

справочные величины максимально допустимых токов и напряжений
,
.
Выбранный транзистор ГТ405А обладает следующими параметрами:
диапазон рабочих температур - 40..+550С



ВАХ транзистора показаны в приложение1.
Из ряда напряжений выберем
значение питающего напряжения Е
удовлетворяющего условию
в
данном случае примем Е=24В.
б) Выбор сопротивлений R>k>>2> , R>Э2> .
Для усилительного каскада на БТ
значение сопротивления R>к2>
вычисляется как
,
(4)
где U>KA>-потенциал
коллектора принимается равным
расчитаному по (1).

На семействе выходных ВАХ может быть построена линия нагрузки R>к2> (см. приложение2).
Сопротивление R>Э
>находим из соотношения
.
Положение линии распределённой нагрузки после фиксации значений R>К2>, R>Э2> может быть определено из следующих соотношений:
Подставив значения R>К2>, R>Э2> и Е в (5) получим линию нагрузки
которая наносится на семейство
выходных ВАХ (см. приложение2). По этой
линии можно уточнить положение рабочей
точки А’.Положение
рабочей точки относительно А изменяется
несущественно поэтому коррекцией можно
пренебречь. Через точку А отмечается
характеристика с параметром I>бА>=0,51мА.
Далее через точку А проводится линия
динамической нагрузки под углом
.
Линию можно построить по двум точкам
одна из которых точка А, а другая имеет
координаты (U>КЭА>+U;0)
,где
(6)
Потом проверяются значения амплитуд тока I>н>>m> и напряжения U>н>>m>. значение U>н>>m> не удовлетворяет исходным данным следовательно необходимо включить каскад с ОК(рис5).
Р
ис.
5.
Построим новую линию динамической нагрузки. Где в качестве нагрузки выступает входное сопротивление каскада с ОК.
(7)
Возьмём =40 тогда,

По формуле (6)
.
Построение (см. приложение3) показывает,
что значение U>н>>m>
удовлетворяет исходным данным. Переходим
к расчёту элементов фиксации рабочей
точки.
в) Расчёт элементов фиксации рабочей точки.
Фиксация рабочей точки А осуществляется резистивным делителем R>3>, R>4 >.Связь между напряжениями и токами транзистора в режиме покоя для схемы рис.4 определяется следующими выражениями:
(8)
U>бЭА>=0,46В
определяется по входным ВАХ транзистора
(приложение4) при токе I>бА>=0,51мА,
а ток
;
.
Ток делителя из (8) находится как
.
(9)
Сопротивление R>3> из (8) и (9) равно:
.
(10)
Для определения R>4> используется связь его значения с коэффициентом нестабильности N равным для схемы рис.4
,
(11)
где I>K>, I>К0> – температурные изменения соответствующих токов;=h>21Э> в схеме с ОЭ определяется в области рабочей точки по выходным ВАХ (приложение3).
;
.
Температурные изменения
I>K>=(0,001-0,01)I>m>;
I>K>=
.
Величина I>К0> расчитывается по эмпирическому соотношению:
,
(12)
где I>K>>0>(t>0>)=25мкА-тепловой ток коллекторного перехода в схеме с ОБ заданный в справочнике при температуре t>0>=55; для германиевых транзисторов А=2. Из (12) получаем
,
тогда N вычесленное по (11) будет равно:
.
Согласно (11) рассчитаем значение R>4>:
.
(13)

Подставив в соотношение (10) значение R>4> получим:

Оценим корректность расчёта вычислением тока I>Д> по (9).

Соотношение
выполняется, следовательно, значение
сопротивлений можно считать приемлемым.
Можно перейти к расчёту входного каскада.
Исходными данными для него будут являться
входное напряжение и ток выходного
каскада, а так же входное сопротивление.
,
где К=10;

,
где
,
определяется по входным ВАХ транзистора
(приложение4).
,
,
.
3.2 Входной каскад
а) Выбор рабочей точки транзистора.
Выбор рабочей точки А транзистора аналогично проделанному выше для выходного каскада, когда входной сигнал отсутствует, сводится к выбору тока коллектора I>КА> и напряжения U>КЭА> в схеме рис.6 в первоначальном предположении R>Э1>=0, т. е. При заземлённом эмиттере.

Рис.6
Снова точка покоя выбирается
исходя из данных значений амплитуды
напряжения на коллекторе
и тока коллектора
.
Для режима класса А координаты рабочей
точки А должны удовлетворять неравенствам
(1). Выбираем
,
=1,5В
тогда получим

Далее строится предположительная область ВАХ транзистора каскада, ограниченная значениями (2) и гиперболой (3) максимально рассеиваемой мощности на коллекторе.



Выбранный ранее транзистор удовлетворяет условиям:
-тип проводимости транзистора p-n-p
справочные величины максимально допустимых мощностей

справочные величины максимально допустимых токов и напряжений
,
.
ВАХ транзистора показаны в приложение 1.
б) Выбор сопротивлений R>k>>1> , R>Э1> .
Для усилительного каскада на БТ
значение сопротивления R>к1>
вычисляется по формуле (4).

На семействе выходных ВАХ может быть построена линия нагрузки R>к1> (см. приложение5).
Сопротивление R>Э
>находим из соотношения
.
Положение линии распределённой нагрузки после фиксации значений R>К1>, R>Э1> может быть определено из соотношений (5).
Подставив значения R>К1>,
R>Э1>
(вместо R>К2>,
R>Э2>
) и Е в (5) получим линию нагрузки
которя наносится на семейство выходных
ВАХ (см. приложение5). По этой линии можно
уточнить положение рабочей точки А’.
Положение рабочей точки относительно
А изменяется несущественно, поэтому
коррекцией можно пренебречь. Через
точку А отмечается характеристика с
параметром I>бА>=0,05мА.
Далее через точку А проводится линия
динамической нагрузки под углом
.
Где в качестве сопротивления нагрузки
используем входное сопротивление
выходного каскада. Линию можно построить
по двум точкам одна из которых точка А,
а другая имеет координаты (U>КЭА>+U;0)
,где U
вычисленное по (6) равно:
.
Потом проверяются значения амплитуд тока I>н>>m> и напряжения U>н>>m>.
Построение (см. приложение5) показывает что значение U>н>>m> удовлетворяет исходным данным. Переходим к расчёту элементов фиксации рабочей точки.
в) Расчёт элементов фиксации рабочей точки.
Фиксация рабочей точки А осуществляется резистивным делителем R>1> , R>2 >.Связь между напряжениями и токами транзистора в режиме покоя для схемы рис.6 определяется выражениями (8).
U>бЭА>=0,15В
определяется по входным ВАХ транзистора
(приложение6) при токе I>бА>=0,05мА,
а ток
;
.
;
.
Тогда согласно (13) рассчитаем значение R>2>:

Подставив в соотношение (10) значение R>2> (вместо R>4)> получим:

Оценим корректность расчёта вычислением тока I>Д> по (9).

Соотношение
выполняется, следовательно, значение
сопротивлений можно считать приемлемым.
4. Расчёт емкостных элементов
Для каскадов на БТ значения емкостей конденсаторов расчитываются Расчет разделительных емкостей рассчитывается по формуле:
,
где R>г> — выходное сопротивление предыдущего каскада (или внутреннее сопротивление генератора), R>н> — входное сопротивление следующего каскада (или сопротивление нагрузки),а >н> =2f>н>.
Пренебрегая выходным сопротивлением повторителей, получаем:
;
h>11Э>= 3000(Ом)
R>вх1>=2286(Ом)
Емкости в цепи эмиттера рассчитывается по формуле:
С>э>=
,
где h>11э> и h>21э> — соответственно входное сопротивление транзистора и , рассчитываемые по входной и выходной ВАХ в окрестности рабочей точки. Для транзистора в первом каскаде h>11э>=3000 Ом, h>21э>=85, а для транзистора второго каскада h>11э>=902 Ом, h>21э>=20.
5. Расчет элементов обратной связи
Для усилителя с последовательной отрицательной обратной связью по напряжению выполняется соотношение:
,
где
составляет 5—10 Ом и отделяется от Rэ>1>.
Вычислим по известным K и K, рассчитанным в 2:
=K/K=-0.922/48,05=0,02.
Назначим
=10
Ом. Тогда Rос=
;
R>ОС>=
6. Расчет реально достигнутого в схеме коэффициента усиления K разомкнутого усилителя в области средних частот
В области средних частот реально развиваемый коэффициент усиления одного каскада определяется формулой:
,
где
Rг — выходное сопротивление предыдущего каскада или внутреннее сопротивление генератора, R>1> и R>2> — сопротивления делителя,
Rн — сопротивление нагрузки или входное сопротивление последующего каскада, если каскад не имеет повторителя, или входное сопротивление повторителя, равное (1+)Rн/2
Пренебрегая выходным сопротивлением повторителя, получаем:
=0,97
=
18,9
K=KвыхKвх=18,5<48,05, следовательно необходимо добавить каскад с общим коллектором, тогда получим:


K=KвыхKвх=625,3>48,05 следовательно расчёт схемы окончен.
7. Построение характеристики Moc()
Характеристика Moc() для двухкаскадного усилителя с отрицательной обратной связью описывается выражением:

Оно имеет одинаковый вид для нижних и верхних частот, но предполагает подстановку разных значений x: x=>н>/ для области нижних и средних частот, x=/>в> для средних и верхних частот.


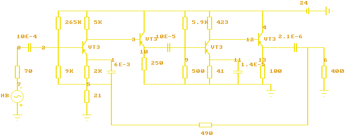
8. МОДЕЛИРОВАНИЕ
М
оделирование
выполняется с помощью пакета
схемотехнического моделирования
MicroCap
III.
В результате моделирования получим
переходные и частотные характеристики
как отдельных каскадов усилителя, так
и всей структуры в целом. Целью
моделирования является установление
корректности расчета и степени
соответствия расчетных параметров
требованиям технического задания. В
процессе моделирования при необходимости
корректируются значения элементов
схемы.
На втором каскаде получена следующая характеристика.
Tranient

Входной каскад.
На входном каскаде получаем следующий график.


Получим следующую общую схему усилителя.
И её характеристики.
Transient.
А
С

При моделировании схемы была произведена корректировка элементов схемы. Данные об элементах схемы приведены в спецификации (приложение8).
Заключение
В результате данной работы мы ознакомились с методами расчёта усилителей и их моделирования с использованием программы MikroCap III. И получили усилитель, обеспечивающий заданные параметры.
Список литературы
1. Расчет электронных схем. Примры и задачи. М. “Высшая школа”, 1987. Г. И. Изъюрова, Г. В. Королев и др.
2. Справочник по полупроводниковым приборам В. Ю. Лаврененко, А. В. Голомедов и др.
3. Справочная книга радиолюбителя-конструктора А. А. Бокуняев, Н. М. Борисов и др. Под ред. Н. И. Чистякова. М. “Радио и связь”, 1990.
1