Структурный синтез устройств с мультидифференциальными операционными усилителями
Размещено на http://www.
Содержание
1. Постановка задачи
2. Принципы построения мультидифференциальных ОУ
3. Обобщенная структура и основные свойства электронных схем с мультидифференциальными ОУ
4. Собственная компенсация влияния частотных свойств мультидифференциальных ОУ
5. Звенья активных фильтров с мультидифференциальными ОУ
6. Мультидифференциальные ОУ в аналоговых интерфейсах и портах ввода
Выводы и рекомендации
Библиографический список
1. Постановка задачи
мультидифференциальный операционный усилитель аналоговый
Создание широкодиапазонных аналоговых устройств и IP блоков как с фиксированными, так и управляемыми параметрами связано либо с совершенствованием технологии производства активных компонентов, либо с построением низкочувствительных принципиальных схем, в рамках которых путем параметрической оптимизации удается в несколько раз (иногда на порядок) уменьшить влияние частоты единичного усиления (f>1>) этих компонентов на результирующие характеристики изделия. Указанные структуры и соответствующие им принципиальные схемы характеризуются собственной компенсацией влияния указанного параметра на чувствительность передаточной функции Ф(р).
В этом случае активная чувствительность электронной схемы будет иметь следующий вид:
, (1)
где
– локальная передаточная функция
идеализированной схемы при подаче
сигнала на вход i-го
активного элемента;
– передаточная функция, реализуемая
идеализированной схемой на выходе i-го
активного компонента;
– локальная передаточная функция
идеализированной схемы на выходе i-го
активного компонента при подаче сигнала
в общем случае на его инвертирующий
вход.
Указанные в
соотношении (1) приращения локальных
передаточ-ных функций
и
достигаются благодаря введению в схему
дополнительных (компенсирующих) обратных
связей, связывающих диф-ференциальный
вход i-го
активного элемента с дополнительным
входом (узлом) схемы. Такая связь является
достаточной для создания разностных
членов и единственной. Для сохранения
неизменным набора идеализированных
передаточных функций
и Ф(р) (все входящие в структуру активные
элементы идеальны) необходимо обеспечить
высокое по сравнению с другими резистивными
элементами входное сопротивление
четырехполюсника, обеспечивающего
указанную дополнительную обратную
связь.
Ранее на многочисленных примерах показано, что успех применения принципа собственной компенсации связан со степенью свободы исходной схемы, которая определяется числом неиспользуемых (исходно заземленных) входов дифференциальных активных элементов. В большинстве случаев это не выполняется и приходится применять дополнительные операционные усилители (ОУ), решающие задачу согласования дифференциального входа i-го активного элемента и масштабирования сигнала для реализации необходимых параметрических условий собственной компенсации.
Анализ схемотехники современных ОУ показывает, что более 50 % потребляемых этими активными элементами тока приходится на выходной каскад, а попытки изменить это соотношение приводят к большому выходному сопротивлению ОУ и, следовательно, в целом ряде случаев – к ухудшению многих качественных показателей функциональных устройств. Например, в активных фильтрах гарантированное затухание в области верхних частот непосредственно определяется соотношением выходного сопротивления и сопротивления частотно-задающих цепей.
Одним из выходов из сложившегося положения является создание для современной аналоговой микросхемотехники мультидифференциальных ОУ (МОУ) – операционных усилителей, имеющих несколько инвертирующих и неинвертирующих входов, создающих необходимое для принципа собственной компенсации число степеней свободы практически без увеличения потребляемой мощности.
2. Принципы построения мультидифференциальных ОУ
Для построения указанного типа активных элементов достаточно изменить структуру входного дифференциального каскада (рис. 1), при этом такая модификация не должна существенно влиять на коэффициент ослабления синфазного сигнала [8].

Рис. 1 Функциональная (а) и структурная (б) схемы
многовходового ОУ
В частности, такой ОУ может иметь n равноправных инвертирующих и m равноправных неинвертирующих входов. На один из инвертирующих входов включается цепь отрицательной обратной связи (ООС), задающая масштабный коэффициент усиления. Коэффициент передачи по каждому из входов при охватывании такого усилителя цепью ООС можно найти из следующих выражений (при условии, что остальные входы заземлены и K>i>K>5> >>1):
(2)
где
–
коэффициент передачи по напряжению
соответствующего каскада ОУ;
;
(3)
(4)
Из выражений (2)–(4) следует, что если коэффициенты передачи К>1> ÷ К>4 >равны между собой по абсолютной величине, то результирующий коэффициент усиления по напряжению для такого многовходового ОУ, охваченного цепью ООС, совпадает с классическим для типового инвертирующего и неинвертирующего включений, а коэффициент передачи для дополнительного инвертирующего входа отличается от неинвертирующего только знаком.
Вариант построения схемы ОУ, соответствующего структурной схеме рис. 1, приведен на рис. 2.
Если считать, что коэффициент передачи повторителя тока на транзисторах VT5, VT6 равен единице, то коэффициенты передачи по напряжению К>1 >- К>4> и К>2>- К>4 >попарно равны и определяются следующим образом:
;
(5)
,
(6)
где R>ВХ>
– входное сопротивление промежуточного
усилителя на транзи-сторах VT7,
VT8;
r>Э>>i>
– дифференциальное сопротивление
перехода база-эмиттер транзистора
соответствующей дифференциальной пары;
– ко-эффициент передачи тока базы
соответствующего транзистора
дифферен-циальной пары.
Сопротивления резисторов R3, R4 можно выбирать одинаковыми или различными; если отношение сопротивлений не равно единице, появляется дополнительная возможность масштабирования коэффициентов усиления по входам 2 и 3. Однако такое дополнительное масштабирование определенным образом влияет на частотную характеристику усилителя. Действительно, если считать, что коэффициенты передачи К>1> и К>5> соответствующих каскадов усиления ОУ описываются передаточными функциями первого порядка, а влиянием частотной зависимости можно пренебречь, то для входа 1 коэффициент передачи ОУ, охваченного цепью ООС, можно представить как

,
(7)
где
– постоянная времени дифференциального
каскада;
– постоянная времени промежуточного
каскада;
– соответствующие
коэффициенты передачи цепи обратной
связи, имеющие тот же смысл, что и в (2).

Рис. 2. Упрощенная принципиальная схема
мультидифференциального ОУ
При подаче входного сигнала на вход 2 (база транзистора VT3, рис. 2), при условии, что постоянные времени каналов К>2> и К>1> идентичны, по аналогии с (7) можно записать:
.
(8)
Из сопоставления
выражений (7) и (8) следует, что они, по
сути, идентичны при выполнении условия
К>2> = К>1>.
При попытке увеличить коэффициент
усиления за счет уменьшения глубины
обратной связи эквивалентная постоянная
времени также увеличивается, так как
коэффициент
входит в знаменатель
выражений (7) и (8), что приводит к уменьшению
частоты среза, то есть спад частотной
характеристики замкнутого и разомкнутого
усилителей практически совпадает.
Иная ситуация возникает при выполнении условия К>2> > К>1>. В этом случае эквивалентная постоянная времени определяется петлевым усилением, частота среза остается неизменной, а частота единичного усиления возрастает. То есть возрастает площадь усиления ОУ, охваченного цепью ООС. Эта ситуация подтверждается результатами моделирования (рис. 3) схемы, приведенной на рис. 2. По стандартному инвертирующему включению К>U>>1>=1, а при R>3> = 2R>4 >коэффициент передачи К>2 > 2К>1> с точностью до конечного сопротивления r>Э> (см. (5)–(6)).
Графики, приведенные на рис. 3, показывают, что частота единичного усиления при подаче сигнала на вход 2 (или 3) возрастает примерно в два раза, что определяется принятым соотношением К>2 > 2К>1>. Естественно, такое расширение полосы возможно лишь при определенной коррекции частотной характеристики усилителя: коррекция ОУ осуществляется конденсатором С>К> (рис. 2) так, чтобы его передаточная функция соответствовала апериодическому звену второго порядка и постоянная времени промежуточного каскада была много меньше постоянной времени входного каскада.
Точностные характеристики такого ОУ (в частности, напряжение смещения, приведенное ко входу) хуже, чем у обычного, т.к. ошибки, возникающие в каждом дифференциальном каскаде, в общем случае складываются. В ОУ может быть предусмотрена балансировка напряжения смещения, например, за счет изменения коэффициента передачи повторителя тока на транзисторах VT5, VT6.
Динамический диапазон многовходового ОУ определятся, с одной стороны, динамическим диапазоном активной работы каждого дифференциального каскада, с другой – максимальным выходным напряжением, поскольку такой каскад осуществляет суммирование входных сигналов. Поэтому должно выполняться следующее условие:
.

Рис. 3. Амплитудно-частотные характеристики
многовходового ОУ при подаче сигнала на вход 1 (□),
вход 2 (◊) и разомкнутого усилителя ()
Другой вариант построения многовходового ОУ приведен на рис. 4а), а функциональная схема, ему соответствующая, – на рис. 4б). На рис. 4в приведена функциональная схема, к которой может быть преобразован ОУ, если поменять местами точки подключения коллектора транзистора VT4 и объединенных коллекторов транзисторов VT1 – VT3.
С учетом того, что ток эмиттера транзистора VT4 в три раза больше токов эмиттеров каждого из транзисторов VT1–VT3, а также в предположении, что коэффициент передачи повторителя тока на транзисторах VT5–VT6 близок к единице, по инвертирующим входам коэффициент передачи входного каскада составит:

,
(9)
где R>ВХ> – входное сопротивление промежуточного каскада на транзисторе VT6; R>i> – сопротивление резистора R1–R3; r>Э4> – дифференциальное сопротивление эмиттера транзистора VT4.
Для неинвертирующего входа, при условии, что сопротивления резисторов R1–R3 равны, коэффициент усиления можно записать как
.
(10)

Рис. 4. Упрощенная принципиальная схема мультидифференциального каскада (а) и возможные варианты его функциональных схем (б), (в)
Следовательно, по аналогии с выражением (7) для стандартного инвертирующего включения ОУ (при остальных заземленных входах) можно записать
,
где К>ПК> – коэффициент усиления промежуточного каскада.
По аналогии с (8) для коэффициента усиления по любому из неинвертирующих входов, на который не подана обратная связь, можно записать
.
По неинвертирующему входу для рассматриваемого случая



.
Следует отметить, что напряжение смещения, приведенное ко входу у усилителя, представленного на рис. 4а, практически совпадает с аналогичным параметром обычного ОУ с одиночным дифференциальным каскадом на входе, но при условии, что плотность токов эмиттеров транзисторов VT1–VT4 одинакова. Это достигается тем, что площадь эмиттера транзистора VT4 должна быть в три раза больше площади эмиттера транзисторов VT1–VT3. Как и в предыдущем случае, балансировку нуля по выходу ОУ можно осуществить изменением коэффициента передачи повторителя тока на транзисторах VT5–VT6.
При функциональном построении
мультидифференциального ОУ по схеме
рис. 4в коэффициент усиления при
стандартном инвертирующем включении
на низких частотах будет определяться
по аналогии с выражением (2), а для
неинвертирующего включения
,
то есть в три раза меньше, чем для случая
функциональной схемы рис. 4б.
Естественно, частота единичного усиления в этом случае также уменьшается в три раза по сравнению с частотой единичного усиления разомкнутого усилителя.
При введении нескольких контуров ООС в МОУ происходит взаимное влияние цепей обратной связи на результирующий коэффициент передачи. При включении ОУ инвертирующего усилителя по обеим входам выражения для коэффициентов передачи по каждому входу в области низких частот будут выглядеть следующим образом:
(11)
(12)
где
;
;
K>i> –
коэффициент передачи соответствующего
плеча дифференциального каскада (рис.
1б).
При условии, что все K>i> равны по абсолютной величине, что легко выполнимо, выражения (11) и (12) можно представить как
;
(13)
.
(14)
Для неинвертирующего включения мультидифференциального ОУ по каждому из неинвертирующих входов коэффициент передачи можно представить как
(15)
(16)
Из выражений (11)–(16) следует, что при
использовании многоконтурных ООС
глубина обратной связи возрастает, в
частности, в классическом ОУ для
неинвертирующего включения при
= 0,5 коэффициент усиления будет близок
к двум, а в рассматриваемом случае при
>1>
=
>2>
= = 0,5 коэффициент усиления будет близок
к единице.
Очевидно, что при одновременном использовании инвертирующих и неинвертирующих входов выходное напряжение ОУ можно определить согласно принципу суперпозиции, если сопротивление источников сигналов будет много меньше входных сопротивлений соответствующих входов.
Поскольку коэффициенты К>i> – комплексные и, в общем случае, постоянные времени высоких частот каждого дифференциального каскада различны, передаточная функция для случая неинвертирующего включения ОУ будет иметь вид:
(17)
поэтому обеспечение устойчивости такого усилителя может оказаться сложной, но решаемой задачей.
Ток потребления стандартного ОУ складывается из следующих составляющих (если входной одиночный дифференциальный каскад выполнен аналогично рис. 2):
I>ОУ> = I>ВК> + I>1> + 2I>0> 2I>1> + 2I>0>, (18)
где I>ВК>, I>1>, 2I>0> – токи, потребляемые выходным, промежуточным и входным дифференциальным каскадами.
Для схем мультидифференциальных ОУ, представленных на рис. 2 и 4 соответственно
I>ОУ> = I>ВК> + 2I>1> + 4I>0>, (19)
I>ОУ> = I>ВК> + 2I>1> + 6I>0>, (20)
откуда следует, что ток МОУ возрастает весьма незначительно по сравнению с классическим.
3. Обобщенная структура и основные свойства электронных схем с мультидифференциальными ОУ
Увеличение числа входов дифференциальных каскадов, как это было показано ранее, приводит к снижению коэффициента ослабления синфазного сигнала, причем он может зависеть от требуемого количества входов. Кроме этого, необходим поиск особенностей функционально-топологиче-ских принципов введения в схему дополнительных (компенсирующих) обратных связей и, следовательно, анализ основных свойств электронных схем с МОУ.
Для решения поставленной задачи воспользуемся обобщенной структурой электронных схем с МОУ (рис. 5).

Рис. 5. Обобщенная структура с мультидифференциальными ОУ
Из векторного сигнального графа (рис. 6) этой структуры следует система векторно-матричных уравнений:
(21)
Смысл векторов
следует из рис. 6. Векторы
,
размерностью N1
описывают расщепитель входного сигнала
x>0> и связывают
его с инвертирующим (-) и неинвертирующим
(+) входами
мультидифференциальных ОУ
.
Матрицы
,
образованы локальными пе-редаточными
функциями пассивной подсхемы,
обеспечивающей передачу и преобразование
сигнала со входа i-го активного элемента
на j-й инвертирующий или неинвертирующий
входы l-го МОУ. Активные элементы
описываются диагональными матрицами
размера (NN):
,
(22)
компоненты которых являются передаточными функциями i-го МОУ по j-му инвертирующему (-) и неинвертирующему (+) входам.

Рис. 6. Векторный сигнальный граф обобщенной структуры
Связь выходов активных элементов с нагрузкой осуществляется через сумматор, локальные передачи которого образуют вектор T = [t>i>] размера (N1). Для учета влияния ослабления синфазного сигнала по различным входам введем в общем случае функции:
,
(23)
характеризующих неидентичность каналов усиления входного сигнала. Тогда
(24)
(25)
Решение системы (21) приводит к следующему вектору выходных сигналов МОУ:
, (26)
где
(27)
; (28)
; (29)
. (30)
Из (26) может быть получена передаточная функция любого электронного устройства с МОУ:
.
(31)
Реально коэффициенты ослабления синфазного сигнала достаточно велики, поэтому при анализе их влияния на функцию (31) можно исключить мультипликативные составляющие, представляющие собой величины второго порядка малости.
Рассмотрим влияние j-го коэффициента для инвертирующего входа i-го активного элемента. Индекс j соответствует номеру матрицы:
. (32)
Тогда по методу Дуайра и У>0> [2] (метода пополнения при обращении матрицы) получим:
,
(33)
где
.
Следовательно,
. (34)
В выражении (34)
(35)
является
локальной передаточной функцией системы
при подаче сигнала на j-й вход i-го
активного элемента, представляет собой
передаточную функцию при условии, что
вектор Т образован компонентами i-й
строки матрицы
,
а
(36)
является передаточной функцией системы при подаче сигнала на j-й вход i-го МОУ при условии, что вектор Т образован указанным выше способом.
Аналогичный
результат получается и для
.
Однако, как это следует из (27) и (28), в
соответствующих выражениях необходимо
изменить знак слагаемых. С учетом
структуры вектора (28) полное приращение
передаточной функции системы будет
иметь следующий вид
(37)
Здесь и далее
;
(38)
;
(39)
;
(40)
;
(41)
;
(42)
,
(43)
где
– вектор-столбец размером (N
1), имеющий отличную от нуля и равную
единице компоненту, соответствующую
j-му неинвертирующему (инвертирующему)
входу i-го МОУ (см. структуру вектора
(30);
– передачи пассивной подсхемы от
источника сигнала к j-му неинвертирующему
(инвертирующему) входу i-го усилителя;
–
коэффициент ослабления синфазного
сигнала i-го МОУ по j-му неинверти-рующему
входу;
–
коэффициент относительной неидеальности
i-го МОУ j-му
инвертирующему входу (см. (23)).
В соотношениях (37)–(43) индекс j характеризует номер матрицы, входящей в ряд (29).
Структура приращения передаточной функции (37) указывает на возможность взаимной компенсации влияния неидентичности каналов мультидифференциальных ОУ. Кроме этого, последние две составляющие ряда (37) могут быть направлены на компенсацию влияния выходного сопротивления применяемых активных элементов на амплитудно-частот-ные характеристики фильтров.
Примененный метод пополнения при обращении матрицы можно использовать и при анализе влияния площади усиления МОУ. Из соотношения (31) следует приращение передаточной функции, вызванное влиянием площади усиления (П>i>) МОУ:
(44)
Здесь
(45)
является передаточной функцией идеализированной обобщенной схемы модели при подключении источника сигнала к одному из неинвертирующих входов i-го МОУ;
(46)
есть передаточная функция на выходе i-го МОУ, а
(47)
– аналогичная функция при условии подключения источника входного сигнала к его неинвертирующему входу.
В приведенных
соотношениях векторы
имеют только одну единицу на позиции,
соответствующей номеру i-го
усилителя. Другие их компоненты равны
нулю. Таким образом,
(48)
Дифференцированием можно определить активную чувстви-тельность модели
,
(49)
где локальные
передаточные функции
,
определяются аналогично с учетом влияния
частотных свойств активных элементов
структуры.
, (50)
. (51)
Приведенные соотношения устанавливают связь активной составляющей чувствительности схемы с границами ее динамического диапазона. Действительно, спектральная плотность мощности шума на выходе цепи определяется как
, (52)
где
– эквивалентная спектральная плотность,
приведенная ко входу i-го
МОУ, а максимальный уровень выходного
напряжения
;
, (53)
при условии,
что
.
В противном случае
и максимальное выходное напряжение
активных элементов совпадают. Таким
образом, уменьшение модуля активной
составляющей чувствительности и
расширение диапазона рабочих частот
схемы за счет уменьшения модуля локальной
функции (51) приводит к «перенапряжению»,
которое и уменьшает максимальный уровень
выходного сигнала. Следовательно,
единственным способом расширения
диапазона рабочих частот и динамического
диапазона схемы является уменьшение
модуля локальной функции (50) при сохранении
неизменными функций (51) и
.
4. Собственная компенсация влияния частотных свойств мультидифференциальных ОУ
Соотношение (44) с учетом структуры идеализированной передаточной функции
(54)
можно интерпретировать сигнальным графом, изображенным на рис. 7. С учетом выражений (54), (44), (46) и (47) можно получить векторный сигнальный граф (рис. 8) системы с учетом влияния i-го МОУ. Наличие узла
(55)
не изменяет структуру и смысл локальной
функции, т.к. любую компоненту вектора
можно рассматривать как равную единице
разность передач пассивной части цепи
на инвертирующий и неинвертирующий
входы.
Из рассмотрения векторного сигнального
графа следует важный в теоретическом
отношении вывод: изменение локальных
передаточных функций
и
при фиксированной передаточной функции
возможно тогда и только тогда, когда
дифференциальный вход x>i>
i-го МОУ связан с
дополнительным входом схемы.
Для доказательства этого утверждения введем вектор
,
.
(56)
В этом случае рассматриваемая структура будет описываться следующей системой уравнений:
(57)
где
.

Рис. 7. Сигнальный граф электронной схемы при влиянии i-го МОУ

Рис. 8. Векторный сигнальный граф электронной системы
при влиянии i-го входа МОУ
Решение системы уравнений (57) приводит к следующему результату:
,
(58)
.
При обращении матрицы
воспользуемся
методом пополнения:
. (59)
Следовательно, передаточная функция структуры
, (60)
где
; (61)
. (62)
Таким образом, введение вектора W
обеспечивает изменение только локальных
функций
и
,
со-храняя при этом неизменными передаточную
функцию идеализированной системы Ф>u>(p)
и передаточную функцию на выходе i-го
активного элемента F>i>(p).
Изменение знака в (61) и (62), как это видно
из (56), достигается за счет дифференциальных
свойств активных элементов схемы.
Полученный результат имеет достаточно
простую физическую трактовку. При
идеальном активном элементе (
)
дифференциальный входной сигнал x>i>
не зависит от частоты, а при бесконечном
статическом коэффициенте усиления этот
сигнал равен нулю и дополнительный
контур обратной связи прекращает свое
действие, что в конечном счете и сохраняет
неизменным не только идеализированную
передаточную функцию, но и локальную
функцию F>i>(p).
Таким образом, получение топологических
условий собственной компенсации является
достаточным.
Покажем их единственность. Из соотношений
(46) и (57) следует, что для сохранения
функций Ф>u>(p)
и F>i>(p)
необходимо сохранить не только матрицы
В и В, но и набор
векторов Т, А, >
>А,
.
Единственная незафиксированная
составляющая набора предложенных
функций u>i>
связывает вход i-го
активного элемента источником x.
Действительно,
,
(63)
.
Этот вывод подтверждается и рассмотрением векторного сигнального графа (рис. 8). Создание параллельного пути передачи от узла x>i> к выходу схемы возможно только его соединением с дополнительным входом схемы и, следовательно, как это видно из (21), со входами активных элементов. Таким образом, сформулированное условие является единственным.
Ответ на вопрос об уровне компенсации в общем случае остается открытым, так как зависит от структуры матрицы [В + В] и вектора W. Из (63) видно, что в общем случае полную компенсацию обеспечить невозможно в силу неосуществимости условия
. (64)
В этой связи применение настоящего результата при решении практических задач связано с анализом структуры поправочных полиномов электронных схем различного функционального назначения.
5. Звенья активных фильтров с мультидифференциальными ОУ
При построении активного интерфейса современных систем радиоэлектронного назначения особое место занимают активные фильтры, обеспечивающие предварительную частотную селекцию сигналов сенсорных элементов. Именно точность реализации необходимых частотных характеристик и динамический диапазон этих устройств непосредственно определяют основные качественные показатели многих микрокомпьютерных систем автоматического управления и технической диагностики. В основе построения как многопетлевых, так и каскадных фильтров лежат звенья, реализующие передаточную функцию второго порядка. Использование принципа собственной компенсации влияния площади усиления дифференциальных ОУ практически всегда связано с увеличением в схеме их числа и, следовательно, к увеличению потребляемой мощности [9]. Покажем эффективность использования в их структуре мультидифференциальных ОУ.
В общем случае звено второго порядка должно реализовать следующую передаточную функцию:
, (65)
где
и
– соответственно частота и затухание
полюса.
Влияние площади усиления ОУ приводит к приращению знаменателя этой функции на следующий полином:
, (66)
где
– коэффициенты, обратно пропорциональные
площади усиления ОУ.
Именно поэтому в рабочем диапазоне частот это приводит к изменению как затухания, так и частоты полюса звена:
, (67)
.
(68)
Приведенные соотношения показывают,
что относительное изменение затухания
полюса пропорционально реализуемой
добротности
и для высокоселективных устройств может
достигать больших значений, включая и
потерю устойчивости. В то же время, как
это хорошо известно из теории фильтров,
отклонение частоты полюса от желаемого
значения в
раз
сильнее влияет на изменение реализуемых
частотных характеристик. Именно поэтому
обеспечение высоких качественных
показателей связано со стабилизацией
как затухания, так и частоты полюса
звеньев второго порядка.
Рассмотрим основные подходы к решению этой задачи. Из (47) и (62) видно, что в рамках принципа собственной компенсации относительные изменения полинома
(69)
должны компенсироваться введением дополнительных связей, образующих следующее приращение
. (70)
Тогда
,
(71)
. (72)
Соотношения (71) и (72) показывают, что
выбором
и знаков k>i>
можно обеспечить любой уровень собственной
и взаимной компенсаций влияния площади
усиления активных элементов на частоту
и затухание полюса. Вытекающие из этих
выражений функциональные признаки
приведены в табл. 1.
Приведенные результаты показывают, что в случае реализации на выходе i-го ОУ передаточной функции
. (73)
возможна одновременная компенсация изменений частоты и затухания полюса. Однако в этом случае дополнительная обратная связь характеризуется положительным возвратным соотношением, что при большой добротности полюса может существенно уменьшить запас устойчивости. Именно поэтому первый вариант компенсации изменения затухания полюса (табл. 1) более предпочтителен [5].
Рассмотрим применение полученных результатов для построения схемы звена второго порядка с собственной и взаимной компенсацией. На рис. 9 приведена принципиальная схема низкочувствительного звена полосового типа. Указанные на принципиальной схеме соотношения параметров пассивных элементов являются оптимальными по критерию влияния площади усиления ОУ. В этом случае
,
(74)
где
;
;
(75)
;
(76)
(77)
При подаче входного сигнала на неинвертирующий вход первого ОУ на выходах ОУ реализуются следующие передаточные функции:
;
(78)
;
(79)
.
(80)
Таблица 1
Основные правила построения схем
|
Компенсируемые параметры |
Функционально-топологический признак |
Правило построения схемы |
|
|
Реализация на выходе ОУ переда-точной функции полосового типа |
Дифференциальный
вход ОУ x>i>
соединяется с таким высокоимпедансным
входом схемы, который реализует на
выходе этого ОУ функцию полосового
типа с отрицательным коэффициентом
передачи
|
|
|
Реализация на выходе ОУ переда-точной функции нижних частот (вариант 1) |
Дифференциальный
вход ОУ x>i>
соединяется с таким высокоимпедансным
входом схемы, который реализует на
выходе этого ОУ функцию фильтра нижних
частот с положительным коэффициентом
передачи
|
|
|
Реализация на выходе ОУ переда-точной функции верхних частот (вариант 2) |
Дифференциальный
вход ОУ x>i>
соединяется с таким высокоимпедансным
входом схемы, который реализует на
выходе этого ОУ функцию фильтра верхних
частот с отрицательным коэффициентом
передачи
|

Рис. 9. Низкочувствительное звено полосового типа
Таким образом, при замене первого ОУ на МОУ можно обеспечить введение в схему двух дополнительных компенсирующих контуров, обеспечивающих уменьшение влияния активных элементов как на частоту полюса, так и на затухание в соответствии с первым вариантом (табл. 1). Принципиальная схема звена с активной компенсацией приведена на рис.
Для этого случая при

; (81)
. (82)

Рис. Низкочувствительное звено полосового типа с активной компенсацией
Следовательно, при идентичности частотных свойств активных элементов их влияние на реализуемые параметры пренебрежимо мало.
Результаты моделирования фильтров, выполненных по схемам рис. 9 и 10, приведены на рис. 11. Эти результаты наглядно показывают преимущество фильтра с активной компенсацией. Так, полосовой фильтр, АЧХ которого представлена кривой, отмеченной символом (), выполнен на усилителях с частотой единичного усиления f>1> = 30 МГц; кривая, отмеченная символом (), иллюстрирует АЧХ фильтра, выполненного на усилителях с частотой единичного усиления 300 кГц. Частота единичного усиления усилителей фильтра, выполненного по схеме рис. 10, также составляет 300 кГц. Сопоставительную оценку энергетических и других характеристик полосовых фильтров можно провести по данным табл. 2. В частности, выигрыш в токопотреблении полосового фильтра с цепями активной компенсации превышает два порядка при прочих соизмеримых характеристиках.

Рис. 11. Амплитудно-частотные характеристики полосового фильтра
без цепей активной компенсации (U>out>>2> и U>out>>3>) и при их наличии (U>out>>1>)
Таблица 2
Результаты моделирования R-фильтров
|
Вариант фильтра |
f>0>, % |
Q, % |
K, % |
f>1 >, МГц |
I>потр>, мА |
|
Рис. 9 |
0,16 |
1 |
0,2 |
30 |
3,2 |
|
Рис. 9 |
0,46 |
24 |
23,7 |
2,5 |
0,052 |
|
Рис. 9 |
4 |
72 |
72 |
0,3 |
0,027 |
|
Рис. 9 |
0,03 |
3.3 |
2 |
0,3 |
0,029 |
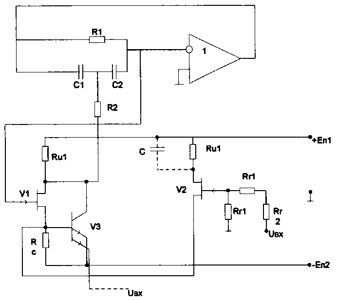
Рассматриваемые мультидифференциальные усилители можно также непосредственно использовать и в схемотехнике R-фильтров. R-звенья с собственной компенсацией обеспечивают более высокий динамический диапазон всего устройства, однако их частота полюса непосредственно определяется общим коэффициентом передачи. Снятие указанных структурных противоречий требует применения дополнительной общей отрицательной обратной связи и, следовательно, мультидифференциальных ОУ. Принципиальная схема такого звена приведена на рис. 12.

Рис. 12. Звено R-фильтра с собственной компенсацией
и общей обратной связью
При сохранении оговоренного условия параметры звена определяются из следующих соотношений
(83)
В этом случае локальные передаточные функции, определяющие уровни динамического диапазона схемы, имеют вид
;
(84)
, (85)
где
параметры (84) при
.
При выполнении условия идентичности максимальное выходное напряжение будет иметь следующий вид:

. (86)
Анализ модулей локальных функций (85) в диапазоне рабочих частот приводит к следующему результату:
;
(87)
. (88)
Именно поэтому
при большой добротности (
)
. (89)
Таким образом, введение общей отрицательной обратной связи позволяет реализовать дополнительную параметрическую степень свободы, обеспечивающую необходимый компромисс между различными уровнями динамического диапазона.
6. Мультидифференциальные ОУ в аналоговых интерфейсах и портах ввода
Для обеспечения предметной универсальности СБИС «система на кристалле» необходимо обеспечить возможность использования в РЭА мостовых датчиков различного типа. Именно поэтому входные цепи портов должны обеспечивать высокое подавление синфазного сигнала. Принципиальная схема типового аналогового интерфейса (рис. 13) представляет собой классический инструментальный усилитель на ОУ1–ОУ3 и простейший фильтр нижних частот, действие которого направлено на ограничение спектра в структуре АЦ-преобразования.

Рис. 13. Принципиальная схема интерфейса AD 8555
При идентичности ОУ схема имеет не зависимый от дифференциального коэффициента усиления (К) коэффициент передачи синфазного напряжения (К>СН>). Однако для этого необходимо согласование всех резисторов при воздействии различных дестабилизирующих факторов. Анализ cхемы приводит к следующим результатам:
,
(90)
, (91)
, (92)
где К>СС>
– коэффициент передачи синфазного
сигнала ОУЗ;
– статический коэффициент усиления
ОУЗ;
,
– относительная погрешность сопротивления
резисторов; f>ГР>,
f>1>,
– граничная частота инструментального
усилителя и частота единичного усиления
ОУ1, ОУ2.
Таким образом, для реализации относительно небольшого К>СН>= - 75 дБ необходимо обеспечить достаточно высокую точность идентичности сопротивления резисторов порядка 0,01 % при воздействии всего комплекса дестабилизирующих факторов. Иногда для решения этой проблемы используется периодическая настройка схемы за счет изменения коэффициента передачи резистивного делителя. Однако в этом случае возникает дополнительная погрешность:
. (93)
Эта погрешность ограничивает результирующую точность интерфейса. Из (91) следует, что для управления дифференциальным коэффициентом усиления необходимо варьировать сопротивление резистора r при условии согласования его временных и температурных дрейфов с базовым номиналом R. Кроме этого, на выходах ОУ1 и ОУ2 действует достаточно большое синфазное напряжение U>C>> >, которое и ограничивает максимальное выходное напряжение схемы и, следовательно, не позволяет использовать низковольтные ОУ.
Таким образом, традиционная схема предполагает использование технологически сложно реализуемых резисторов и трех высококачественных, потребляющих от источников питания большую мощность, операционных усилителей. Анализ схем современных ОУ показывает, что 50 % потребляемого ими тока приходится на выходной каскад, а попытки изменить это соотношение приводят к ухудшению многих качественных показателей функциональных устройств. Одним из выходов из сложившегося положения является создание для современной аналоговой микросхемотехники мультидифференциальных ОУ [4, 5].
Структура входных цепей специально созданных МОУ не только обеспечивает относительно высокое ослабление синфазного входного напряжения U>C>, но и позволяет организовать необходимые для реализации заданного коэффициента передачи автономные контуры обратной связи. Принципиальные схемы непрограммируемого (а) и программируемого (б) инструментальных усилителей показаны на рис. 14.

а) б)
Рис. 14. Принципиальные схемы инструментальных усилителей с МОУ
Для каждой из схем
. (94)
Отличие заключается в способе реализации дифференциального коэффициента усиления:
,
(95)
,
(96)
где
>к>
– состояние k-го ключа
резистивной матрицы R-2R;
N – число разрядов матрицы.
В силу того, что суммирование сигналов осуществляется во входных цепях МОУ, удается уменьшить число резисторов схемы и осуществить достаточно простое цифровое управление (рис. 14б) без применения прецизионных базовых номиналов. Однако при этом наблюдается зависимость коэффициента передачи синфазного сигнала от реализуемого коэффициента усиления схемы.
При создании экономичных аналоговых интерфейсов основной проблемой является расширение диапазона рабочих частот, который в первую очередь определяется частотой единичного усиления f>1>. Решение этой задачи без увеличения потребляемого тока может осуществляться применением принципа собственной компенсации влияния инерционных свойств аналоговых элементов. Вызванное влиянием частоты единичного усиления МОУ приращение передаточной функции любого устройства определяется следующим соотношением
,
(97)
где
– площадь усиления i-го
МОУ; F>i>(p)
– передаточная функция, реализуемая
на выходе i-го
МОУ; H>i>(p)
– передаточная функция устройства при
подаче сигнала на любой неинвертирующий
вход; F>ii>(p)
– передаточная функция на выходе i-го
МОУ при подаче сигнала на его неинвертирующий
вход.
Из приведенного
соотношения следует, что при использовании
одного активного элемента F>i>=
H>i>=F>ii>=К,
поэтому реализуемое приращение однозначно
определяется дифференциальным
коэффициентом передачи рассматриваемого
устройства. Однако при N=2,
3, …. минимизация указанной погрешности
реализации теоретически возможна. При
этом перспективными представляются
следующие соображения [4]. Во-первых, при
i=1
H>i>=K>м>,
поэтому уменьшение влияния
первого усилителя на общую
передаточную функцию возможно только
минимизацией F>i>=F>ii>.
Во-вторых, для i
1
(второй и последующие каскады усиления)
минимизация H>i>
и F>ii>
может выполняться независимо в
пространстве различных пассивных
компонентов схемы. С точки зрения
уменьшения потребляемого тока наибольший
практический интерес представляет
случай N=2,
который имеет следующие ограничения:
F>2>=H>1>=K.
Следовательно, решение задачи возможно
минимизацией F>1>=F>11>
и H>2>=F>22>
.
Следуя [3], составим матрицы
, (98)
где b>ij> – передача с выхода i-го активного элемента к инвертирующему (-) или неинвертирующему (+) входам j-го ОУ. Отсюда
; (99)
; (100)
,
(101)
где
.
Поэтому
;
(102)
;
(103)
где
.
Таким образом, функции (100), (101) минимизируются при выполнении следующих условий:
.
(104)
В этом случае
при

получим
.
Принципиальная схема инструментального
усилителя, соответствующая этим условиям,
приведена на рис. 15.

;
;

Рис. 15. Инструментальный усилитель с расширенным диапазоном рабочих частот

Рис. 16. Результаты моделирования АЧХ инструментальных
усилителей с МОУ:
1 – АЧХ рис. 14а; 2 – АЧХ рис. 15

Рис. 17. Влияние дрейфа нуля ОУ на ЭДС смещения инструментального усилителя
Минимизация H>2>
(
)
снижает также вклад ОУ>2>
не только в собственный шум схемы, но и
в смещение нулевого уровня выходного
напря-жения. На рис. 16 и 17 приведены
результаты испытания устройства при
использовании аналогового
базового кристалла [7]. Сравнение кривых
1 (АЧХ инструментального усилителя на
базе МОУ при К=70) и 2 (инструментального
усилителя рис. 14) показывает высокую
эффективность использования принципа
собственной компенсации для расширения
диапазона рабочих частот. На рис. 17
приведена зависимость дрейфа нуля схемы
усилителя от приведенного ко входу ЭДС
смещения ОУ2. Приведенные результаты
показывают, что дрейф нуля и коэффициент
ослабления синфазного напряжения
определяются только мультидифференциальным
операционным усилителем.
Соотношения (90), (94) показывают, что основным преимуществом классической структуры инструментального усилителя (рис. 12) является независимость коэффициента передачи синфазного сигнала от дифференциального коэффициента усиления. Более детальный анализ статической погрешности этой схемы показывает, что:
,
(105)
где
– дрейф нуля на выходе схемы;
– дрейф, вносимый i-м
уси-лителем.
При обеспечении высокой идентичности элементов дрейф будет оп-ределяться параметрами выходного усилителя:
,
(106)
где
– приведенная к входу ЭДС смещения
третьего ОУ;
– температурный коэффициент
;
–
рабочий температурный диапазон.
Отметим, что для инструментальных усилителей, построенных на основе МОУ, дрейф на выходе будет определяться дрейфом МОУ и коэффициентом усиления схемы:
.
(107)
Минимизировать дрейф на выходе инструментальных усилителей можно в рамках структуры с активной компенсацией влияния этих параметров ОУ. Принципиальная схема такого инструментального усилителя приведена на рис. 18.

Рис. 18. Принципиальная схема инструментального усилителя
со взаимной компенсацией дрейфа нуля ОУ
Анализ усилителя приводит к следующим результатам:
;
(108)
;
(109)
; (110)
.
(111)
Таким образом, как видно из выражения (111), при идентичности элементов выходной дрейф системы будет определяться конечной разностью не только ЭДС смещения однотипных ОУ, но и их температурных коэффициентов. Достаточно высокая идентичность будет обеспечиваться при реализации всех элементов на одном кристалле, как это сделано, например, в АБMK. Кроме того, в этой схеме осуществляется двукратное расширение диапазона частот по сравнению с классическим инструментальным усилителем.
Высокие функциональные возможности МОУ позволяют спроектировать на одном активном элементе не только инструментальный усилитель, но и ограничитель спектра более высокого порядка по сравнению с изделием AD8555. На рис. 19 показана принципиальная схема такого устройства.

Рис. 19. Принципиальная схема аналогового интерфейса
Коэффициенты усиления и ослабления синфазного сигнала такого устройства определяются следующими соотношениями
.
(112)
Граничная частота f>ГР> при условии, что f>ГР><1.5 f>1>/K, C>2>>>C>УВХ> и неравномерность амплитудно-частотной характеристики интерфейса, определяется параметрами фильтра нижних частот:
, (113)
.
(114)
При
имеет место максимально плоская
амплитудно-частот-ная характеристика
интерфейса в целом.
Результаты испытаний настоящего устройства на базе компонентов базового кристалла [7] приведены в таблице 3.
Таблица 3
Основные параметры аналогового интерфейса
Параметр |
К, дБ |
К>СН> дБ |
f>ГР>, кГц |
λ, дБ |
λ>Т>, дБ |
U>ш.,> мкВ |
δ, дБ |
I>0>, мкА |
|
Значение |
10 |
94 |
1 |
110 |
90 |
2 |
0,02 |
15 |
|
Примечания.
|
Мультидифференциальные ОУ по энергетическим характеристикам практически идентичны традиционным активным элементам этого класса. Именно поэтому они в силу функционального и структурного многообразия в электронных устройствах могут оказаться наиболее перспективными. Действительно, как показывает приведенный выше пример активного фильтра, многие чрезвычайно полезные качественные показатели изделий могут быть получены без увеличения потребляемой мощности, а в ряде случаев позволяют использовать экономичные режимы работы активных элементов. Последнее наиболее важно при создании СБИС типа «система на кристалле». Именно поэтому представляется актуальным пересмотр ранее полученных схемо-технических решений различных функциональных устройств, ориентированных на микроэлектронную реализацию, например, как это сделано в секторе инструментальных усилителей [8].

Выводы и рекомендации
Изложенные выше результаты показывают, что предложенными методами структурного синтеза и оптимизации электронных схем, ориентированных на полупроводниковую технологию, можно всегда существенно уменьшить требования к соответствующим элементам и компонентам при сохранении других качественных показателей конечного продукта. Внимательный читатель и опытный схемотехник обратили внимание на то, что эти методы приводят к новым структурам; когда собственно микросхемотехника только начинается, необходимо внимательно изучить основные требования к базовым узлам структуры, разработать их схемотехническую реализацию под конкретную технологию, выполнить параметрическую оптимизацию с учетом иных ограничений и, наконец, осуществить схемотехническую интеграцию изделия в целом. Указанный комплекс задач выходит за рамки поставленной автором проблемы. Их естественность показывает, что монография может помочь только профессиональному схемотехнику, для которого понятийный аппарат и язык современной микросхемотехники являются «родной стихией». И тем не менее, этот тезис нуждается в определенных комментариях, пояснить которые можно на простом примере, которым и предшествовала книга.
Для уменьшения влияния частоты единичного усиления ОУ и соответствующей параметрической чувствительности необходимо использовать цепи собственной компенсации, а в качестве одного из примеров, демонстрирующих эффективность метода получения схема низкочувствительного звена полосового типа с двумя ОУ (рис. 1).
Рис. 1. Низкочувствительное звено полосового типа с собственной компенсацией
Пусть на базе указанной схемы необходимо реализовать избирательный усилитель (селективную часть СФ блока) с добротностью Q = При этой добротности, как видно из
(1)
,
(2)
где
условия собственной компенсации влияния
частоты единичного усиления на частоту
и затухание полюса совпадают, и требуемый
коэффициент усиления неинвертирующего
масштабного усилителя
Именно поэтому в практических схемах
его можно заменить на повторитель
напряжения, у которого частота единичного
усиления значительно превышает
соответствующий параметр ОУ. Таким
образом, как это видно из (1) и (2) при
,
условие компенсации выполняется при

.
(3)
Приведенная оценка хорошо согласуется с теми погрешностями реализации параметров схемы, которые обусловлены влиянием второго полюса ОУ. Таким образом, при создании ОУ и повторителя напряжения можно руководствоваться как полученной оценкой чувствительности основы параметров полюса, так и условием низкого влияния повторителя напряжения (f>2>>5f>1>). Кроме этого, как видно из рис. 1, настоящий повторитель может иметь несогласованные уровни постоянного напряжения на своих входах и выходе. Именно эти особенности позволяют упростить схемотехническую реализацию избирательного усилителя. Так, цепь компенсирующей обратной связи можно выполнить на базе простейшего дифференциального каскада с коэффициентом усиления, равным единице по каждому из входов. Однако для реализации требуемой добротности:
.
(4)
И минимальное численное значение сопротивления R>2> будет ограничиваться влиянием выходного сопротивления того каскада. В этой связи наиболее приемлемое решение общей задачи схемотехнического проектирования связано с применением в компенсирующей цепи схемы с глубокой отрицательной обратной связью. Одно из возможных схемотехнических решений приведено на рис. 2.

Рис. 2. Избирательный усилитель с собственно компенсацией влияния f>1> ОУ
Если R>c> >> h>11>>O>>Э>, то
(5)
(6)
и при использовании блокирующего конденсатора С (R>и2>>>=0) точность реализации требуемого К>0> определяется в основном идентичностью режимов работы V1 и V2 (стабильностью отношения крутизны S>1> и S>2>). При К>0><2Q2–1 это свойство обеспечивается глубокой обратной связью через R>и2> V2.
Рассмотренным примером возможные схемотехнические способы реализации структуры не ограничиваются. Так, при необходимости иметь низкое входное сопротивление (токовое управление) можно в структуре V3 использовать дополнительный эмиттер, тогда:
.
(7)
Конечно, таких особенностей практического использования новых структур может быть достаточно много.
Не менее важную проблему, возможно методологического характера, составляют новые задачи синтеза оптимальных или рациональных структур при иных исходных предпосылках, но в рамках существующей парадигмы. Более чем полувековой опыт развития схемотехники показывает, что эволюция технологии компонент очень часто заставляет пересматривать критерии схемотехнического проектирования, поэтому завершать исследования набором рекомендаций просто нецелесообразно. И все же один важный вывод, непосредственно относящийся в проблеме структурного синтеза, схемотехники дают. Практически важные и технологически приемлемые свойства схем обеспечивает обратная связь. Можно достаточно уверенно утверждать, что обратная связь оказалась «верным другом» схемотехники. И чем больше контуров обратной связи, тем больше параметрических «степеней свободы» и выше качественные показатели конечного устройства. Но обратные связи нужно использовать аккуратно, грамотно и целенаправленно, так, чтобы взять из их сочетаний только лучшее и парировать негативные последствия. Действительно, компенсирующие обратные связи как на компонентном, так и на функциональном уровнях часто являются положительными, а точнее – имеют положительное возвратное отношение. И если не рассматривать их в совокупности с другими контурами и не анализировать их предельную глубину, то можно выделить много специфических негативных последствий и в конечном итоге просто не решить вполне конкретную задачу схемотехнического проектирования. Однако, когда решение в рамках процедуры структурного синтеза найдено, легко установить, что глубина таких контуров в целом зависит от конкретного «паразитного» параметра, а негативы «степеней свободы» проявляются далеко за пределами полосы расширенной области частот. Однако в электронике любое новое качество сопровождается определенными потерями. Важно сохранить суммарный позитивный результат. Материал настоящей монографии этот тезис только подтверждает.
Именно этот непротиворечивый вывод и позволяет на сформулированную проблему смотреть с определенным оптимизмом. При возникновении принципиально новых задач необходимо предварительно решать ряд вспомогательных проблем. Во-первых, путем сопоставительного анализа элементного и компонентного базиса выделить те схемотехнические и топологические конфигурации, которые можно рассматривать в качестве базисных структур. Именно эти структуры составят фундамент будущей схемотехники. Детальное изучение таких структур позволит также выделить те побочные «негативные» факторы технологических процессов и физических принципов преобразования сигнала, которые являются доминирующими и влияние которых на качественные показатели изделий необходимо впоследствии минимизировать. При кажущейся простоте эта задача характерна рядом «подводных камней»: сложность моделей компонент, их идентификация, проблемы адекватности физических моделей и т.п. Однако современные схемотехнические САПР и средства моделирования, самостоятельность их развития позволяют достаточно эффективно осуществить ранжирование базисных структур по практическим приоритетам и показателям качества. Законы физики подсказывают, что таких структур не может быть много. Если такая задача решена, то дальнейшие исследования можно значительно формализовать.
Во-вторых, из приоритетных базисных структур необходимо получить обобщение структуры электронных схем, которые образуют полный сигнальный граф. При этом дополнительная (коммутирующая) часть обобщенной структуры может состоять из пассивных компонентов, осуществляющих суммирование сигналов – напряжений или токов на входах базисных структур. Такие обобщенные структуры должны обладать свойством полноты. Именно это свойство гарантирует, что любые частные решения задачи могут быть получены из обобщенной структуры методом усечения – устранение тех связей, которые не приводят к решению поставленной задачи. Конкретизация процедуры усечения и составляет существо задачи структурного синтеза.
В-третьих, из целей проекта необходимо сформировать меру различия схем – свертку критериев качества. Несмотря на то что этот этап является подготовительным, он требует детального анализа задачи синтеза. Неверно сформулированный критерий, противоречивый, без необходимых параметрических ограничений, свойств реализуемости и т.п. не позволяет достичь цели проекта. В этом отношении важное значение приобретает изучение (детальный анализ) обобщенных структур и выявление их фундаментальных свойств, связанных с сущностью базовой задачи. Здесь уместно напомнить, что, как было показано в монографии, чувствительность реализуемой передаточной функции Ф(р) и ее приращение, вызванное конечностью усиления сигнала базисной структуры K>t>(p), всегда устанавливают связь некоторого набора локальных передаточных функций Hi(p), F>t> (p), F>u>(p):
(8)
.
(9)
Изучение степени влияния этого набора на базовые критерии проекта позволят не только уменьшить их число и снять основные противоречия, но и при необходимости обосновать целесообразность пересмотра базисных структур, придав им предварительно некоторые свойства, отображаемые в функциях К>i>(р). Важным аргументом в реализации такого подхода является возможность более строгой формализации процедуры усечения. В некоторых случаях, как это было показано в монографии, общая задача значительно упрощается и сводится к модернизации эвристических схем путем добавления (расширения) новых функциональных связей, которые придают схеме необходимые свойства. Важно отметить, что такие достаточно общие выводы обогащают общую теорию электронных схем в ее поступательном развитии.
Библиографический список
Айзерман, М.А. О некоторых структурных условиях устойчивости систем автоматического регулирования [Текст] / М.А. Айзерман // Автоматика и телемеханика. – 2008. – Т. 9, № 2.
Айзинов, М.М. Избранные вопросы теории сигналов и теории цепей [Текст] / М.М. Айзинов. – М. : Связь, 2011. – 348 с.
Анисимов, В.И. Операционные усилители с непосредственной связью каскадов [Текст] / В.И. Анисимов, М.В. Капитонов, Н.Н. Прокопенко, Ю.М. Соколов. – Л. : Энергия, 2009. – 148 с.
Балабанян, Н. Синтез электрических цепей [Текст] / Н. Балабанян ; под ред. Г.И. Атабекова. – М. : Госэнергоиздат, 2009. – 416 с.
Блажкевич, Б.И. Использование алгебры логики совместно с методом направленных графов для синтеза трехполюсных подсхем [Текст] / Б.И. Блажкевич, А.Ю. Воробкевич, Е.Д. Михайлова // Теоретическая электротехника. – 2010. – Вып. 10. – С. 56–68.
Блажкевич, Б.И. Топологический метод поиска минимальных структур RLC-цепей [Текст] / Б.И. Блажкевич, Е.Д. Михайлова // Теоретическая электротехника. – 2008. – Вып. 14. – С. 14–19.
Блажкевич, Б.И. Физические основы алгоритмов анализа электронных цепей [Текст] / Б.И. Блажкевич. – Киев : Наукова думка, 2009. – 240 с.
Богатырев, В.Н. Проектирование и разработка ОУ на основе КМОП КНИ технологии [Текст] / В.Н. Богатырев [и др.] // Проблемы разработки перспективных микроэлектронных систем : материалы Всерос. науч.-техн. конф. – Подмосковье, 2007. – С. 290–297.
Бунза, Дж. Основные направления развития автоматизации проектирования в 1990-х годах [Текст] / Дж. Бунза, Г. Хоффман, Эд. Томсон // Электроника. – 2010. – № 2. – С. 39–47.
Виляев, Л.Ю. Аналого-цифровой БМК «Рапира» и библиотека функциональных элементов на его основе [Текст] / Л.Ю. Виляев, Ю.Н. Владимиров, В.В. Полевиков, И.Н. Шагурин // Актуальные проблемы микроэлектроники и твердотельной электроники : труды IV Всерос. НТК с междунар. участием. – 2007. – С. 123–124.
Гадахабадзе,
Н.Г. Оптимальное проектирование
электронных схем методом
-преобразований
[Текст] / Н.Г. Гадахабадзе, Н.К. Джибладзе,
В.К. Чичинадзе // Автоматика и телемеханика.
– 2007. – № 4. – С. 86–94.
Гантмахер, Ф.Р. Теория матриц [Текст] / Ф.Р. Гантмахер. – М. : Наука, 2006. – 576 с.
Гехер, К. Теория чувствительности и допусков электронных цепей [Текст] / К. Гехер. – М. : Сов. радио, 2009. – 315 с.
Глориозов, Е.Л. Информационно-поисковая система для структурного синтеза логических электронных схем [Текст] / Е.Л. Глориозов // Радиоэлектроника. – 2006. – Т. 24, № 6. – С. 17–23.
Глориозов, Е.Л. Метод структурного схемотехнического синтеза электронных схем [Текст] / Е.Л. Глориозов // Радиоэлектроника. – 2009. – Т. 22, № 6. – С. 7–13.
Глориозов, Е.Л. Структурный схемотехнический синтез электронных схем [Текст] / Е.Л. Глориозов, В.П. Панферов // Изв. вузов. Радиоэлектроника. – 2011. – Т. 24, № 6. – С. 80–84.
Глориозов, Е.Л. Эволюционное моделирование в проблеме поиска новых схемотехнических решений [Текст] / Е.Л. Глориозов // Радиоэлектроника. – 2008. – Т. 28, № 6. – С. 49–53.
Гудинаф, Ф. Интегральные программируемые фильтры, программируемые напряжением [Текст] / Ф. Гудинаф // Электроника. – 2010. – № 5. – С. 14–17.
Гудинаф, Ф. Новая технология производства высокочастотных линейных ИС [Текст] / Ф. Гудинаф // Электроника. – 2007. – № 7–8. – С. 48–54.
Гудинаф, Ф. Новое поколение низковольтных аналоговых ИС – у порога рынка [Текст] / Ф. Гудинаф // Электроника. – 2009. – № 5. – С. 8–18.
Гутников, В.С. Интегральная электроника в измерительных устройствах [Текст] / В.С. Гутников. – Л. : Энергия, 2010. – 248 с.
Зааль, Р. Справочник по расчету фильтров [Текст] / Р. Зааль ; пер. с нем. под ред. Н. Слепова. – М. : Сов. радио, 2007. – 752 с.
Знаменский, А.Е. Активные RC-фильтры [Текст] / А.Е. Знаменский, И.Н. Теплюк. – М. : Связь, 2008. – 279 с.
Иванов, Ю.И. Увеличение гарантированного затухания в полосе задерживания RC-фильтров второго порядка [Текст] / Ю.И. Иванов // Проблемы современной аналоговой микросхемотехники : сборник трудов МНПС. – Шахты, 2008. – С. 95–101.
Ильин, В.Н. Интеллектуализация САПР [Текст] / В.Н. Ильин // Известия вузов. Радиоэлектроника.– 2007. – Т. 30, № 6. – С. 5–13.
Капустян, В.И. Активные RC-фильтры высокого порядка [Текст] / В.И. Капустян. – М. : Радио и связь, 2006. – 248 с.
Капустян, В.И. О возможности увеличения рабочих частот активных RC-фильтров на операционных усилителях [Текст] / В.И. Капустян, Н.Н. Савков // Избирательные системы с обратной связью. – 2008. – Вып. 4. – С. 62–65.
Капустян, В.И. Оптимизация структур активных фильтров высокого порядка [Текст] / В.И. Капустян, С.А. Букашкин, В.С. Денисов // Радиотехника. – 2008. – № 8. – С. 51–53.
Капустян, В.И. Проектирование активных фильтров высокого порядка [Текст] / В.И. Капустян. – М. : Радио и связь, 2009. – 160 с.
Капустян, В.И. Проектирование активных RC-фильтров высокого порядка [Текст] / В.И. Капустян. – М. : Радио и связь, 2007. – 159 с.
Каталог разработок Российско-Белорусского центра аналоговой микросхемотехники [Текст] / под ред. С.Г. Крутчинского. – Шахты : Изд-во ЮРГУЭС, 2006. – С. 96.
Квакернаак, Х. Линейные оптимальные системы управления [Текст] : пер. с англ. / Х. Квакернаак, Р. Сиван. – М. : Мир, 2007. – 650 с.
Коротков, А.С. Микроэлектронные аналоговые фильтры на преобразователях импеданса [Текст] / А.С. Коротков. – СПб. : Наука, 2009. – 416 с.
Красовский, А.А. Алгоритмические основы оптимальных адаптивных регуляторов нового класса [Текст] / А.А. Красовский // Автоматика и телемеханика. – 2008. – № 9. – С 104–116.
1




–
гарантированное затухание в полосе
режекции;
