Усилитель с обратной связью (работа 1)
Министерство образования Российской Федерации
Рязанская государственная радиотехническая академия
Кафедра САПР ВС
УСИЛИТЕЛЬ С ОБРАТНОЙ СВЯЗЬЮ
Пояснительная записка к курсовой работе по дисциплине «Электроника и электротехника»
Рязань 2002
Содержание
Введение
1. Расчетная часть
1.1 Расчет коэффициента усиления напряжения и числа каскадов
1.2 Расчет статического режима
1.2.1 Выбор рабочей точки
1.2.2 Расчет сопротивлений в цепи коллектора и эмиттера
1.2.3 Расчет элементов фиксации рабочей точки
1.2.4 Расчет элементов повторителя
1.2.5 Расчет предыдущего каскада
1.2.6 Выбор рабочей точки
1.2.7 Расчет сопротивлений в цепи коллектора и эмиттера
1.2.8 Расчет элементов фиксации рабочей точки
1.2.9 Расчет элементов повторителя
1.3 Расчет емкостных элементов
1.4 Расчет элементов обратной связи
1.5 Расчет реально достигнутого в схеме коэффициента усиления K разомкнутого усилителя в области средних частот
1.6 Построение характеристики Moc()
2. Моделирование
2.1 Основные параметры, выставляемые в библиотеке
2.1.1 Параметры транзисторов
2.1.2 Параметры генератора синусоидального напряжения
2.2 Основные параметры, выставляемые в лимитах
2.3 Корректировка значений элементов схемы
2.4 Результаты моделирования
2.4.1 Переходная характеристика входного каскада
2.4.2 Переходная характеристика выходного каскада
2.4.3 Переходная характеристика усилителя без ООС
2.4.4 Переходная характеристика усилителя в целом
2.4.5 Частотные характеристики усилителя
2.4.6 Схема усилителя
Заключение
Приложение
Библиографический список
Введение
Усилителями называются электронные устройства, предназначенные для усиления сигнала по мощности.
Основными параметрами усилителя являются коэффициент усиления, входное и выходное сопротивление усилителя и частотные характеристики: АЧХ и ФЧХ.
В данной курсовой работе проводится проектирование многокаскадного усилителя переменного тока с обратной связью. При проектировании рассчитываются статические и динамические параметры усилителя, а затем проводится его моделирование на ЭВМ с использованием программного продукта Microcap3. При моделировании усилителя производится корректировка его параметров.
1. РАСЧЕТНАЯ ЧАСТЬ
1.1 Расчет коэффициента усиления напряжения и числа каскадов
Найдем коэффициент усиления усилителя по напряжению:

Предположим, что усилитель состоит из одного каскада, тогда из уравнения
можно найти К, решая его как квадратное, причем нас интересует только отрицательный вещественный корень уравнения: К=-0.0681.
Тогда К=Кос(1—К)=221.0681=23.5>10, следовательно, усилитель нельзя построить на одном каскаде.
Усилитель на двух каскадах описывается формулой:

Отсюда К=-0.506. K=22(1 — К)=221.506=33.123<100
Следовательно, усилитель можно построить на двух каскадах.
1.2 Расчет статического режима
1.2.1. Выбор рабочей точки
Рабочую точку выбираем по формулам:
мА.
Uк>А>=Um>н>+Umin=
В
Pк>А>=Uк>А>Iк>А>=100 мВт
Выбираем транзистор с параметрами: Iк>max>=22 мА, Uк>max>=18 В, P>max>=400 мВт.
Таким транзистором может быть КТ339А.
Этой рабочей точке соответствует ток базы 275 мкА, и напряжение Uэб=0.68 В
1.2.2 Расчет сопротивлений в цепи коллектора и эмиттера
Выбираем напряжения питания: 36 В.
Ом Rэ=0.1Rк=245
Ом
1.2.3 Расчет элементов фиксации рабочей точки
N=
=
Iко

=0.003IкаN=
R2=Rэ(N—1)=2451.4=343 Ом.

1.2.4 Расчет элементов повторителя
Ом.
1.2.5 Расчет предыдущего каскада
Входное сопротивление оконечного каскада рассчитывается по формуле:
Rвх=R1||R2||h11э, где h11э — входное сопротивление транзистора, вычисляемое по входной характеристике в окрестности рабочей точки, и равно 500 Ом.
Rвх=1/(1/3218+1/343+1/500)=190 Ом.
Назначим коэффициент усиления оконечного каскада Квых=5, тогда Квх=4.5.
Тогда Uвх>m>=Uвых>m>/Квых=5.6
/5=1.58
1.6,
Iвх>m>=Uвх>m>/Rвх=8.3
мА.
Рассчитываем входной каскад аналогично оконечному, с параметрами Uвых=1.6 В, Iвых=8.3 мА.
1.2.6 Выбор рабочей точки
мА.
Uка=Umн+Umin
В
Pка=UкаIка=40 мВт
Выбираем транзистор с параметрами: Iк.max=20 мА, Uк.max=8 В, Pmax=160 мВт.
Таким транзистором может быть КТ315Б.
Этой рабочей точке соответствует ток базы Iб>А>=130 мкА, и напряжение Uбэ>А>=0.5 В
1.2.7 Расчет сопротивлений в цепи коллектора и эмиттера
Ом Rэ=0.1Rк=310
Ом
1.2.8 Расчет элементов фиксации рабочей точки
N=
=
Iко

=0.0033Iка
N=
R2=Rэ(N—1)=3101.4=434 Ом.

Входное сопротивление входного каскада: Rвх=R1||R2||h11э, где h11э — входное сопротивление транзистора, вычисляемое по входной характеристике в окрестности рабочей точки, и равно 600 Ом.
Rвх=3846||434||600=1/(1/3846+1/434+1/600)=236 Ом.
1.2.9 Расчет элементов повторителя
Ом.
1.3 Расчет емкостных элементов
Расчет разделительных емкостей рассчитывается по формуле:
,
где R>г> — выходное сопротивление предыдущего каскада (или внутреннее сопротивление генератора), R>н> — входное сопротивление следующего каскада (или сопротивление нагрузки), а >н> =2f>н>.
Пренебрегая выходным сопротивлением повторителей, получаем:
С>1>=
4
мкФ. С>2>=
6
мкФ. С>3>=
1.5
мкФ.
Емкости в цепи эмиттера рассчитывается по формуле:
С>э>=
,
где h>11э> и h>21э> — соответственно входное сопротивление транзистора и , рассчитываемые по входной и выходной ВАХ в окрестности рабочей точки. Для КТ339А h>11э>=500 Ом, h>21э>=50, а для КТ315Б h>11э>=600 Ом, h>21э>=80.
Сэ>вых>=
340
мкФ Сэ>вых>=
450
мкФ
1.4 Расчет элементов обратной связи
Для усилителя с последовательной отрицательной обратной связью по напряжению выполняется соотношение:
,
где
составляет 5—10 Ом и отделяется от Rэ>1>.
вычислим по известным K и K, рассчитанным в 2.1: =K/K=-0.506/33.1=-0.0153
Назначим
=10
Ом. Тогда Rос=
/
—
=10/0.0153—10640
Ом.
1.5 Расчет реально достигнутого в схеме коэффициента усиления K разомкнутого усилителя в области средних частот
В области средних частот реально развиваемый коэффициент усиления одного каскада определяется формулой:
где
Rг — выходное сопротивление предыдущего каскада или внутреннее сопротивление генератора,
R>1> и R>2> — сопротивления делителя,
Rн — сопротивление нагрузки или входное сопротивление последующего каскада, если каскад не имеет повторителя, или входное сопротивление повторителя, равное (1+)(R||Rн)
Пренебрегая выходным сопротивлением повторителя, получаем:
=220
=26
K=KвыхKвх=5720>33.123, следовательно расчет усилителя окончен.
1.6 Построение характеристики Moc()
Характеристика Moc() для двухкаскадного усилителя с отрицательной обратной связью описывается выражением:

Оно имеет одинаковый вид для нижних и верхних частот, но предполагает подстановку разных значений x: x=>н>/ для области нижних и средних частот, x=/>в> для средних и верхних частот.
усилитель электронный ток моделирование
2. МОДЕЛИРОВАНИЕ
Моделирование выполняется с помощью пакета схемотехнического моделирования MicroCap III. В результате моделирования получим переходные и частотные характеристики как отдельных каскадов усилителя, так и всей структуры в целом. Целью моделирования является установление корректности расчета и степени соответствия расчетных параметров требованиям технического задания. В процессе моделирования при необходимости корректируются значения элементов схемы.
2.1 Основные параметры, выставляемые в библиотеке
2.1.1 Параметры транзисторов
|
Название параметра в библиотеке |
Параметр |
КТ399А (Q0) |
КТ315Б (Q1) |
|
BF |
Коэффициент |
50 |
80 |
|
CJC |
Емкость перехода база-коллектор, Ф |
2Е-12 |
7Е-12 |
|
CJE |
Емкость перехода база-эмитер, Ф |
2Е-12 |
7Е-12 |
|
RB |
Сопротивление тела базы, Ом |
1 |
1 |
|
RC |
Сопротивление тела коллектора, Ом |
1 |
1 |
|
VJE |
Напряжение база-эмитер, В |
0.68 |
0.5 |
|
TF |
Время включения, с |
2.5Е-11 |
5Е-10 |
2.1.2 Параметры генератора синусоидального напряжения
|
Название параметра в библиотеке |
Параметр |
Значение |
|
F |
Частота, Гц |
10000 |
|
A |
Амплитуда, В |
0.36 |
|
RS |
Внутреннее сопротивление, Ом |
60 |
2.2 Основные параметры, выставляемые в лимитах
|
Simultation time |
1E-4 |
|
Display time |
1E-4 |
|
Maximum change |
1 |
|
Temperature |
50 |
2.3 Корректировка значений элементов схемы
При моделировании была произведена корректировка значений элементов схемы: скорректированы значения сопротивления обратной связи для обеспечения необходимого коэффициента усиления, и значения разделительных емкостей для выполнения условия Moc(>н>)=0.73. Кроме того, значения емкостей и сопротивлений приведены к ряду стандартных значений Е24 согласно ГОСТ 10318—80. Этот ряд включает 24 значения: 1; 1.1; 1.2; 1.3; 1.5; 1.6; 1.8; 2; 2.2; 2.4; 2.7; 3; 3.3; 3.6; 3.9; 4.3; 4.7; 5.1; 5.6; 6.2; 6.8; 7.5; 8.2; 9.1, которые можно умножать на любой порядок. Полученные после корректировки значения приведены в спецификации (см. Приложения).
2.4 Результаты моделирования
2.4.1 Переходная характеристика входного каскада

2.4.2 Переходная характеристика выходного каскада

2.4.3 Переходная характеристика усилителя без ООС

(примечание: вследствие большого коэффициента усиления усилителя без ООС, на выход подается не 0.36, а 0.1 В).
2.4.4 Переходная характеристика усилителя в целом

2.4.5 Частотные характеристики усилителя


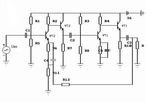
2.4.6 Схема усилителя

ЗАКЛЮЧЕНИЕ
В результате выполнения данной курсовой работы были изучены методы проектирования и разработки электронных устройств в соответствии с данными технического задания. Был произведен расчет статических и динамических параметров электронных устройств. А также было изучено практическое применение ЭВМ для схемотехнического проектирования электронных устройств. Для моделирования был использован пакет схемотехнического моделирования MicroCap III. В ходе курсового проектирования было проведено моделирование многокаскадного усилителя с отрицательной обратной связью в соответствии с техническим заданием.
БИБЛИОГРАФИЧЕСКИЙ СПИСОК
1. Перепелкин А.И., Баскакова И.В. Усилительные устройства: Методические указания к курсовой работе. - Рязань. : РГРТА, 1997. 36 с.
2. Справочник по полупроводниковым приборам. В.Ю. Лавриненко. Техника, 1980. 464 с.
3. Транзисторы для аппаратуры широкого применения: Справочник / К.М. Брежнева, Е.И. Гантман, Т.И. Давыдова и др. Под редакцией Б.Л. Перельмана. – М.: Радио и связь, 1981. – 656 с., ил.
4. Н.А. Кажакин, А.В. Захаров. Машинный анализ линейных схем: Методические указания к практическим занятиям. - Рязань.: РРТИ, 1993. 28 с.