Модуляция и её разновидности
Федеральное агентство связи.
Государственное образовательное учреждение.
Высшее учебное заведение.
«Сибирский государственный университет телекоммуникации и информатики».
Кафедра БИС.
ДПР по основам телекоммуникации на тему: модуляция и её разновидности.
Выполнил: студент I курса,
МРМ, Гр-пы С-07
Водичев Александр.
Новосибирск -2010.
Содержание
Введение
Понятие модуляции
Виды модуляции
Импульсная модуляция
Демодуляция сигналов
Смешанные виды модуляции
Особенности импульсной модуляции
Спектр сигнала АИМ
Модуляция случайными функциями
Заключение
Список используемой литературы
Введение
В своём реферате я опишу свойства модуляции и её виды. Опишу, что такое модуляция, что можно с её помощью делать.
Если говорить своими словами, то модуляция-это процесс преобразования оного сигнала в другой, для того чтобы передать сообщение в нужное место. А ещё есть процесс обратный модуляции, и называется он демодуляцией. И заключается он в том, чтобы преобразовать принятое сообщение в первоначальный вид. Отсюда следует, что процесс полной передачи сообщения состоит из трёх основных этапов: первый этап, это процесс изменения сигнала для того, чтобы его передать; второй этап, это передача сообщения; и третий этап, это возвращение сообщения в его начальный вид. И даже есть разные виды переносчиков. И для каждого вида переносчика есть различные виды модуляции.
Ещё есть система связи. Система связи, она же система передачи информации, в неё входят передатчик, канал и приёмник. Передатчик – средство для передачи сообщений. Канал передачи – это технические устройства и физическая среда, в которой сигналы распространяются от передатчика к приёмнику. А приёмник – это средство для приема сообщений и сигналов.

Так выглядит система передачи сообщений.
В процессе передачи на сообщения воздействуют различные помехи. Все помехи для упрощения условно объединены в одном источнике помех.
Характеристики системы связи можно разделить на внешние и внутренние. К внешним характеристикам, по которым получатель оценивает качество связи, относят верность, скорость и своевременность передачи. Внутренние характеристики позволяют оценить степень использования предельных возможностей системы. К ним относятся помехоустойчивость и эффективность.
Перечисленные важнейшие характеристики систем передачи тесно связаны между собой. Эффективность использования существующих систем и обоснованность выбора принципов построения новых систем во многом будут зависеть от того, насколько полно разработчики аппаратуры используют свойства сообщений, сигналов и помех, а также особенности их преобразований в каналах и различных свойствах системы.
Цель работы
Цель моей работы понять, что такое модуляция, разобрать все её свойства, особенности и все существующие виды. Понять, как передаются сообщения и принимаются, зашифровываются и расшифровываются. Рассмотреть, как воздействуют помехи на качество передаваемых сообщений. Узнать какими приборами сигналы преобразуются из одного вида в другой.
Понятие модуляции
Процесс преобразования первичного сигнала заключается в изменении одного или нескольких параметров несущего колебания по закону изменения первичного сигнала (то есть в наделении несущего колебания признаками первичного сигнала) и называется модуляцией.
Перенос сигнала из одной точки пространства в другую осуществляет система электросвязи. Электрический сигнал является, по сути, формой представления сообщения для передачи его системой электросвязи.
Обычно в качестве переносчика используют гармоническое колебание высокой частоты – несущее колебание. Гармоническое колебание, выбранное в качестве несущего, полностью характеризуется тремя параметрами: амплитудой, частотой и начальной фазой. Модуляцию можно осуществить изменением, любого из трёх параметров по закону передаваемого сигнала. Источник сообщения формирует сообщение а(t), которое с помощью специальных устройств преобразуется в электрический сигнал s(t). При передаче речи такое преобразование выполняет микрофон, при передачи изображения – электронно-лучевая трубка, при передаче телеграммы – передающая часть телеграфного аппарата.
Чтобы передать сигнал в системе электросвязи, нужно воспользоваться каким-либо переносчиком. В качестве переносчика естественно использовать те материальные объекты, которые имеют свойство перемещаться в пространстве, например, электромагнитное поле в проводах (проводная связь), в открытом пространстве (радиосвязь), световой луч (оптическая связь).
Таким образом, в пункте передачи первичный сигнал s(t) необходимо преобразовать в сигнал v(t), удобный для его передачи по соответствующей среде распространения. В пункте приёма выполняется обратное преобразование. В отдельных случаях (например, когда средой распространения является пара физических проводов, как в городской телефонной связи) указанное преобразование сигнала может отсутствовать.
Доставленный в пункт приёма сигнал должен быть снова преобразован в сообщение (например, с помощью телефона или громкоговорителя при передаче речи, электронно-лучевой трубки при передаче изображения, приёмной части телефонного аппарата при передачи телеграммы) и затем передан получателю.
Передача информации всегда сопровождается неизбежным действием помех и искажений. Это приводит к тому, что сигнал на выходе системы электросвязи s(t)и принятое сообщение a(t) могут в какой-то мере отличаться от сигнала на входе s(t)и переданного сообщения а(t). Степень соответствия принятого сообщения переданному называют верностью передачи.
Для различных сообщений качество их передачи оценивается по-разному. Принятое телефонное сообщение должно быть достаточно разборчивым, абонент должен быть узнаваемым. Для телевизионного сообщения существует стандарт (хорошо известная всем телезрителям таблица на экране телевизора), по которому оценивается качество принятого изображения.
Количественной оценкой верности передачи дискретных сообщений служит отношение числа ошибочно принятых элементов сообщения к числу переданных элементов – частота ошибок (или коэффициент ошибок).
Спектр модулированной несущей или угловой модуляции даже при гармоническом первичном сигнале s(t) состоит из бесконечного числа дискретных составляющих, образующих нижнюю и верхнюю боковые полосы спектра, симметричные относительно несущей частоты и имеющие одинаковые амплитуды. Иногда отдельно рассматривают модуляцию гармонического несущего колебания по амплитуде, частоте или фазе дискретными первичными сигналами s(t), например телеграфными или передачи данных.
Модуляцию гармонического несущего колебания первичным сигналом s(t) называют непрерывной, так как в качестве переносчика выбран непрерывный периодический сигнал v0(t).
Сравнение различных видов непрерывной модуляции позволяет выявить их особенности. При амплитудной модуляции ширина спектра модулированного сигнала, как правило, значительно меньше, чем при угловой модуляции (частотной и фазовой). Таким образом, на лицо экономия частотного спектра: для амплитудно-модулированных сигналов можно отводить при передачи более узкую полосу частот.
Чтобы правильно выбрать канал связи для передачи по нему модулированных сигналов, необходимо знать такие характеристики последних, как пиковая и средняя мощность, а также энергетический спектр. Эти характеристики модулированных сигналов отличаются от аналогичных характеристик сообщений, которыми производится модуляция. Для различных видов модуляции соотношения между характеристиками сообщения и модулированного сигнала различны. Например, ширина спектра сигнала ЧМ больше, чем ширина спектра сигнала АМ, хотя модуляция производится одним и тем же сообщением.
Сообщения представляют собой некоторые случайные процессы, поэтому сигналы, получающиеся в результате модуляции, также являются случайными, и для отыскания упомянутых выше характеристик сигналов следует использовать методы теории случайных процессов.
Однако в подавляющем большинстве случаев более наглядное представление о свойствах модулированных сигналов можно получить, предположив, что модуляция производится некоторыми детерминированными функциями, такими, как гармоническое колебание или периодическая последовательность импульсов известной формы. Эти функции можно рассматривать, как отдельные реализации из ансамбля возможных сообщений.
модуляция передача сигнал гармонический
Виды модуляции
Существует два вида переносчиков: гармонический и импульсный.
Для гармонического переносчика возможны три вида модуляции: амплитудная модуляция (АМ), фазовая (ФМ) и частотная (ЧМ).
Для импульсного переносчика возможны четыре вида модуляции: амплитудно-импульсная, или высотно-импульсная модуляция (АИМ),когда по закону передаваемого сигнала изменяется амплитуда импульсов, фазо-импульсная, или время-импульсная (ФИМ)-изменяется фаза импульсов, широтно-импульсная или модуляция по длительности (ШИМ), когда изменяется ширина импульсов и, наконец, либо частотно-импульсная (ЧИМ)-изменяется частота следования импульсов, либо интервально-импульсная (ИИМ).
Модуляцию ФИМ и ЧИМ объединяют во временно-импульсную (ВИМ). Между ними существует связь, аналогичная связи между фазовой и частотной модуляцией синусоидального колебания.
Спектры ШИМ, ЧИМ, и ФИМ имеют более сложный вид чем спектр сигнала АИМ.
Импульсные последовательности АИМ, ШИМ, ЧИМ, и ФИМ называются последовательностями видеоимпульсов. Если позволяет среда распространения, то видеоимпульсы передаются без дополнительных преобразований (например, по кабелю). Однако по радиолиниям передать видеоимпульсы невозможно. Тогда сигнал подвергают второй ступени преобразования (модуляции).
Модулируя с помощью видеоимпульсов гармоничное несущее колебание достаточно высокой частоты, получают радиоимпульсы, которые способны распространяться в эфире. Полученные в результате сочетания первой и второй ступеней модуляции сигналы могут иметь названия АИМ-АМ, ФИМ-АМ, ФИМ-ЧМ и др.
Сравнение импульсных видов модуляции показывает, что АИМ имеет меньшую ширину спектра по сравнению с ШИМ и ФИМ. Однако последние более устойчивы к воздействию помех. Для обоснования выбора метода модуляции в системе передачи необходимо сравнить эти методы по различным критериям: энергетическим затратам на передачу сигнала, помехоустойчивости (способности модулированных сигналов противостоять вредному воздействию помех), сложности оборудования и др.

Модулированные по ширине (ШИМ) и по фазе (ФИМ) видеоимпульсы.
Воздействие сообщения на модулируемый параметр может повлечь за собой изменение других параметров. Например, частотная модуляция гармонического переносчика сопровождается изменением начальной фазы, и наоборот. Однако одновременное воздействие на несколько параметров может осуществляться преднамеренно. В этом случае модуляция называется смешанной. Возможны, например, амплитудно-частотная и амплитудно-фазовая модуляции гармонического переносчика.
При многоканальной передаче на разные параметры могут воздействовать различные сообщения.
Иногда модуляция осуществляется в несколько этапов: сперва исходное сообщение модулирует некоторое поднесущее колебание, затем модулированный сигнал воздействует на основной переносчик. Примерами могут служить система ЧМ-АМ, в которой сообщение а(t) модулирует поднесущее колебание по частоте, а затем ЧМ колебание модулирует основной переносчик по амплитуде, АМ-ЧМ, ШИМ-ФМ и т.д. Некоторые системы многоступенной модуляции (например, АМ-АМ, АИМ-АМ) эквивалентны одноступенчатой модуляции сообщением a(t) некоторого условного переносчика, который можно сформулировать, модулируя переносчиком первой ступени переносчик следующей ступени.
Импульсная модуляция
Часто в качестве переносчика используют периодическую последовательность сравнительно узких импульсов. Последовательность прямоугольных импульсов одного знака v0(t) характеризуется параметрами: амплитудой импульсов; длительностью (шириной) импульсов; частотой следования (или тактовой частотой) fT =1/T, где Т – период следования импульсов; положением (фазой) импульсов относительно тактовых (отсчётных) точек. Отношение периода следования импульсов к длительности импульсов называется скважностью импульса.
По закону передаваемого первичного сигнала можно изменять (модулировать) любой из параметров импульсной последовательности. При этом модуляция называется импульсной.

Периодическая последовательность узких импульсов.
Демодуляция сигналов
До сих пор мы рассматривали преобразования сигнала в пункте передачи. В пункте приёма необходимо извлечь первичный сигнал из переносчика, т.е. осуществить демодуляцию принятого сигнала.
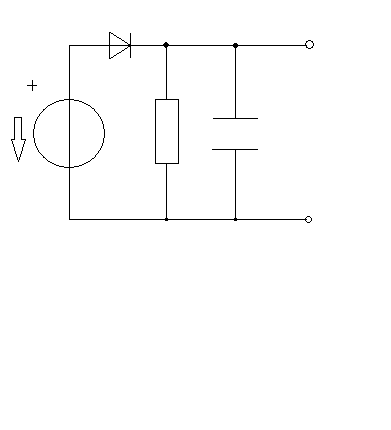
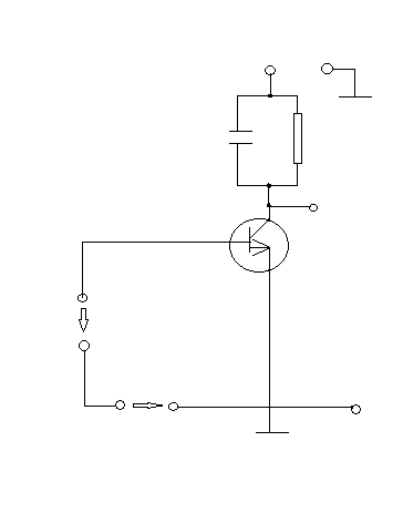
Например, при демодуляции АМ–сигнала необходимо выделить закон изменения амплитуды модулированного несущего сигнала, т.е. его огибающую.эта операция выполняется с помощью амплитудного детектора. При линейном детектировании на вход детектора с линейной вольт-амперной характеристикой подаётся АМ-сигнал, и последовательность импульсов тока детектора оказывается промодулированной по амплитуде. Высокочастотные составляющие тока отфильтровываются RC-цепью; падение напряжения на резисторе R создаёт только постоянная составляющая тока.
Амплитудные детекторы: транзисторный (а), диодный (б)
В модулированном колебании амплитуде медленно меняется, следовательно, амплитуда выделяемой на резисторе R постоянной составляющей тока также будет медленно меняться во времени. Таким образом, выходное напряжение амплитудного детектора пропорционально исходному (модулирующему) сигналу.
Один из способов демодуляции ЧМ-колебаний состоит в превращении его в АМ-колебания и последующем детектировании с помощью амплитудного детектора.
Преобразование ЧМ-сигнала в АМ-сигнал выполняется с помощью расстроенного колебательного контура. Предположим, что на колебательный контур, настроенный на определенную резонансную частоту, подаются ЧМ-колебания с постоянной амплитудой и меняющейся со временем частотой w(t).
Полное сопротивление контура при каждой мгновенной частоте принимает своё определенное значение, так что амплитуда напряжения, выделяемого на контуре, будет изменяться во времени с изменением частоты входного ЧМ-сигнала.
Таким образом, амплитуда ЧМ-колебания на выходе колебательного контура изменяется во времени пропорционально модулирующему сигналу, т.е. частотно модулированный сигнал стал модулированным и по амплитуде ЧМ-сигнала на амплитудный детектор.
Аналогичным образом выделение закона изменения закона фазы ФМ-сигнала осуществляется фазовым детектором.
Существуют и способы демодуляции импульсно-демодулированного сигнала. Все устройства, предназначенные для демодуляции сигналов, будут рассмотрены дальше при изучении конкретных систем передачи и аппаратуры, входящей в состав этих систем.
Смешанные виды модуляции
Рассмотрение смешанной модуляции представляет интерес с различных точек зрения. В некоторых приборах (например, магнетронах) при изменениях амплитуды колебания наблюдается изменение частоты генерации. Поэтому при использовании таких устройств в качестве модуляторов выходной сигнал оказывается модулированным как по амплитуде, так и по частоте по одному и тому же закону.
Частотная и фазовая модуляции также обычно сопровождаются паразитной амплитудной модуляцией, возникающей вследствие несовершенства реальных модуляторов. Сигналы амплитудной модуляции вследствие изменений несущей частоты, обусловленных нестабильностью частоты задающего генератора передатчика, также оказываются модулированными как по амплитуде, так и по частоте.
При одновременной модуляции по амплитуде и частоте происходит изменение амплитуд спектральных составляющих сигнала, и при определённых условиях некоторые из них могут быть полностью подавлены. Необходимость такого полного подавления составляющих, образующих нижнюю (или верхнюю) боковую полосу модулированного сигнала, возникает при однополосной модуляции (не обязательно амплитудной). Поэтому смешанная модуляция может рассматриваться как практический способ получения сигналов однополосной модуляции.
Смешанную модуляцию, наконец, в определенных условиях можно использовать как средство ослабления мешающего действия помех. Действительно, если помехи таковы, что они производят независимую паразитную модуляцию параметров сигнала, то применение одновременной
модуляции нескольких параметров переносчика одним и тем же сообщением и суммирование напряжений на выходе соответствующих демодуляторов приёмника приведёт ослаблению помехи.
Особенности импульсной модуляции
Характерной особенностью импульсных систем передачи является то, что энергия сигнала излучается не непрерывно, а в виде коротких импульсов, длительность которых обычно составляет незначительную часть периода их повторения. Благодаря этому энергия импульсного сигнала во много раз меньше энергии непрерывного сигнала (при одинаковых пиковых значениях). Различие в энергиях импульсного и непрерывного сигналов зависит от соотношения между длительностью и периодом повторения. Большие временные интервалы между импульсами используются для размещения импульсов других каналов, т.е. для осуществления многоканальной связи с временным разделением каналов.
Частоту повторения импульсов определяют, исходя из допустимой точности восстановления непрерывного сообщения при его демодуляции. Минимальное значение частоты повторения импульсов
F0мин = 1/T0макс =2Fа,
где Fa – максимальная частота в спектре передаваемого непрерывного низкочастотного сообщения a(t).
В большинстве случаев высокочастотный сигнал импульсной модуляции создаётся в два этапа: сначала сообщение модулирует тот или иной параметр периодической последовательности импульсов постоянного тока (или видеоимпульсов), затем видеоимпульсы модулируют (обычно по амплитуде) непрерывное высокочастотное несущее колебание. Тем самым осуществляется перенос спектра модулированных видеоимпульсов на частоту несущего колебания f0. Энергия высокочастотного импульсного сигнала сконцентрирована в полосе частот вблизи несущей f0.
Спектр сигнала АИМ
Перейдём к рассмотрению спектров сигналов импульсной модуляции. Немодулированную последовательность видеоимпульсов, выполняющую роль промежуточного переносчика, можно представить рядом Фурье. Амплитудная модуляция вызывает появление около каждой из составляющих спектра немодулированных видеоимпульсов боковых полос, повторяющих спектр сообщения Sa(w). Таким образом, спектр сигнала АИМ представляет собой как бы многократно повторённый спектр обычной АМ, в котором роль «несущих частот» выполняют гармоники частоты следования импульсов.
Рассмотрение спектра сигнала АИМ позволяет пояснить соотношение, определяющее выбор частоты повторения импульсов. Значение F0мин = 2Fа определяет то минимальное значение частоты повторения, при котором не происходит наложения спектров соседних боковых полос. Структуру, подобную спектру сигнала АИМ, но несколько более сложную, имеют и спектры сигналов при других видах импульсной модуляции. Характерной особенностью спектров сигналов импульсной модуляции является наличие около w=0 составляющих, соответствующих частотам передаваемого сообщения. Это указывает на возможность демодуляции фильтром нижних частот, пропускающим на выход лишь составляющие с частотами от 0 до 2пи Fа и отфильтровывающим все остальные. Демодуляция не будет сопровождаться искажениями, если в полосу пропускания фильтра нижних частот (ФНЧ) не попадут составляющие ближайшей боковой полосы, т. е. нижней боковой полосы. И при демодуляции сигнала АИМ, искажения будут отсутствовать, когда спектры соседних боковых полос не перекрываются, а для этого надо, чтобы частота повторения импульсов была бы F0 больше либо равно 2Fа. Из этого рассмотрения вытекает также необходимость предварительной фильтрации передаваемого сообщения a(t) таким образом, чтобы ширина спектра его ограничивалась некоторой частотой Fа.
Модуляция случайными функциями
До сих пор рассматривалась модуляция гармонического переносчика детерминированными сообщениями. Это позволило получить важные для анализа систем сведения, относящиеся к спектрам модулированных сигналов. Полученные результаты, однако, не дают полного представления о характеристиках модулированных сигналов, относящихся ко всей совокупности возможных модулирующих сообщений. Такое представление можно получить лишь из рассмотрения совокупностей возможных сообщений и модулированных сигналов, как некоторых случайных процессов.
Практический интерес представляет рассмотрение энергетического спектра модулированных сигналов не только в том случае, когда случайным является лишь модулирующее воздействие, а переносчиком служит детерминированная функция, но также, когда и переносчик – некоторый случайный процесс (обычно узкополосный). Такой переносчик называется шумовым несущим колебанием. Необходимость рассмотрения переносчика, как узкополосного шумового колебания, возникает в некоторых оптических системах связи с некогерентным излучением. Применение шумового несущего колебания даёт возможность ослабить мешающее действие замираний уровня сигналов в каналах с многолучевым распространением радиоволн.
Заключение
В моем реферате я рассказал, что такое модуляция. Рассказал о её видах, о том, как и чем, передают сообщения из одного мечта в другое. Как при передачи сообщения подвергаются воздействию различных помех, и как сделать так, чтобы уменьшить это воздействие до минимума. Ещё я рассмотрел особенности модуляции. Каналы по которым передаётся информация. Рассмотрел спектры различных сигналов. Рассказал, что модуляция – это преобразование сигнал из одного вида, в другой, для того чтобы было возможно передать сообщение. И, что демодуляция, это наоборот, процесс преобразования поступившего сигнала в первоначальный вид. И что есть такие приборы, как амплитудные детекторы, которые и производят эту демодуляцию. И что они бывают двух видов: транзисторный (а) и диодный (б).

Я выполнил всё, что задумывал сделать. Тема эта мне эта понравилась. Я узнал много нового для себя.
Список используемой литературы
1. Крук Б.И., Попантонопуло В.Н., Шувалов В.П.: телекоммуникационные системы и сети, том1, с.28-40, стр.647.
2. Назаров И.В., Кувшинов Б.И., Попов О.В.: теория передачи сигналов, с.112-147,стр.368.