Приемник радиовещательный 1 класса
МИНИСТЕРСТВО ОБЩЕГО И ПРОФЕССИОНАЛЬНОГО
ОБРАЗОВАНИЯ РОССИЙСКОЙ ФЕДЕРАЦИИ
РЯЗАНСКАЯ ГОСУДАРСТВЕННАЯ РАДИОТЕХНИЧЕСКАЯ АКАДЕМИЯ
КАФЕДРА РАДИОТЕХНИЧЕСКИХ УСТРОЙСТВ
ПОЯСНИТЕЛЬНАЯ ЗАПИСКА
К КУРСОВОМУ ПРОЕКТУ ПО ДИСЦИПЛИНЕ
«Устройства приема и обработки сигналов’’
на тему Приемник радиовещательный 1 класса
Автор работы: Степанов В.В.
Специальность 2007
Группа 414
Руководитель:
доц. Богданов А.С.
РЯЗАНЬ
СОДЕРЖАНИЕ
1. Введение
2. Разработка и расчет структурной схемы РПУ
2.1 Расчет полосы пропускания приемника
Выбор первых каскадов приемника
Выбор средств обеспечения избирательности
Распределение усиления по каскадам
3. Расчет принципиальной схемы приемника
Расчет Y-параметров МС 174ПС1
Расчет входной цепи
Расчет УРЧ
Расчет элементов, обеспечивающих режим
Расчет колебательной системы УРЧ
Расчет колебательной системы смесителя
4. Метод обеспечения перестройки по частоте
5. Конструктивная разработка УРЧ и смесителя
6. Заключение
Список использованных источников
1. ВВЕДЕНИЕ
Угловая модуляция (общий термин, объединяющий ЧМ и ФМ) обладает несколькими важными достоинствами. Так, мощность передатчика не изменяется при модуляции, она постоянна и равна пиковой,, тогда как при АМ, например, мощность несущей должна быть в четыре раза меньше пиковой. Усилитель мощности передатчика с угловой модуляцией работает при постоянной амплитуде сигнала, поэтому к его линейности не предъявляется никаких требований. Он может работать в режиме класса С, т.е. с максимальным кпд. Отсутствие серьезных требований к линейности особенно важно для транзисторных устройств. Передатчик не требует для модуляции большой мощности звукового сигнала, по схеме и конструкции он получается заметно проще АМ, а тем более SSB передатчика.
Постоянство мощности ЧМ и ФМ сигналов — существенное преимущество в связи с развитием сети ретрансляторов. Ведь ультракороткие волны слабо огибают земную поверхность, поэтому дальность действия УКВ передатчиков в обычных условиях не намного превосходит дальность прямой видимости. Дальность значительно увеличивается при наличии ретранслятора, а тем более — цепочки ретрансляторов, установленных на возвышенных местах. Из-за нелинейности усилительных каскадов ретранслятора слабые сигналы подавляются в нем сильными. Если к тому же сильный сигнал модулирован по амплитуде, то в ретрансляторе возникнет перекрестная модуляция и слабый сигнал так же окажется промодулирован, связь нарушится. При использовании угловой модуляции перекрестная модуляция не возникает. Наличие сильного сигнала приводит лишь к уменьшению коэффициента усиления ретранслятора (забитие), но не нарушает возможности проведения связи. По этой же причине передатчики с угловой модуляцией практически не создают помех телевизионному и радиоприему и значительно меньше мешают близко расположенным радиостанциям по сравнению с АМ и SSB передатчиками.
2. РАЗРАБОТКА И РАСЧЕТ СТРУКТУРНОЙ СХЕМЫ РПУ
2.1 РАСЧЕТ ПОЛОСЫ ПРОПУСКАНИЯ ПРИЕМНИКА
приемник радиовещательный частота
Ширина полосы пропускания линейного тракта складывается из ширины спектра радиочастот принимаемого сигнала, доплеровского смещения частоты сигнала и запаса полосы, требуемого для учета нестабильности и неточности настроек приемника, т. е.

Величина нестабильности определяется по формуле
,
где
— нестабильность частоты сигнала
— нестабильность частоты
гетеродина
— неточность настройки гетеродина
— неточность настройки УПЧ
При использовании
синтезатора частот нестабильности
частоты гетеродина очень малы ( порядка
),
поэтому полная величина нестабильности
настроек так же будет малой.
Нестабильность настройки гетеродина зависит от шага сетки синтезатора и составляет 10 кГц. Неточность настройки УПЧ составляет 30 кГц.
Так как по ТЗ условия эксплуатации радиоприемника заданы как стационарные, а радиовещательные центры и радиоретрансляторы стоят неподвижно, то, очевидно, что доплеровское смещение частоты будет равно 0.
Ширина спектра принимаемого радиосигнала будет равна
,
где
— индекс модуляции
— максимальная девиация частоты
сигнала (установлена равной 50 кГц)
— максимальная частота
модулирующего сигнала (12500 Гц для
приемников 1 класса).
кГц.
Таким образом, полоса пропускания РПУ составляет примерно 215 кГц.
2.2 ВЫБОР ПЕРВЫХ КАСКАДОВ ПРИЕМНИКА
Вычислим допустимый коэффициент шума
,
где
— минимально допустимое отношение
эффективных напряжений с/ш на входе
приемника (обычно 2)
— внутреннее сопротивление
приемной антенны (75 Ом).
Если не учитывать внешние шумы, то получим

В качестве
преобразователя частоты выберем
специализированную микросхему К174ПС1—
двойной балансный перемножитель функций.
Она содержит два канала логарифмирующего
преобразования входных сигналов X и Y
(рабочая частота до 100 МГц ) и суммирующего
обратного преобразователя Z, позволяющего
получить на выходе напряжение до 300 мВ,
пропорциональное произведению напряжения
входных сигналов.
Коэффициент шума смесителя 8 дБ (2.5)
,
т.е.
( 2.5
< 10.3
).
Таким образом в качестве первого каскада
можно было бы использовать смеситель,
но если принимать во внимание внешние
шумы,
то допустимый коэффициент шума будет
значительно меньше.
Поэтому в качестве первого каскада
выберем УРЧ на транзисторе КТ368 по схеме
с общим эмиттером.
— коэффициент передачи тока
эмиттера
— статический коэффициент
передачи тока в схеме с ОЭ


Ом




Теперь, получив достаточно малый коэффициент шума, можно рассчитывать, что при влиянии атмосферных помех радиосвязь не будет нарушаться (чушь собачья).
Активная составляющая входной проводимости будет равна

Реактивная составляющая входной проводимости

Активная составляющая выходной проводимости

Выходная емкость

На средней частоте диапазона, равной 69.4 МГц они составят


Ф


2.3 ВЫБОР СРЕДСТВ ОБЕСПЕЧЕНИЯ ИЗБИРАТЕЛЬНОСТИ ПРИЕМНИКА
Промежуточная частота для УКВ ЧМ определена ГОСТом, поэтому сразу выберем структурную схему преселектора с учетом требований ТЗ по методике, изложенной в [1].
— эквивалентное затухание
контура
Обобщенная расстройка зеркального канала:


дБ.
По графику на рисунке 2 находим ослабление зеркального канала, которое может обеспечить преселектор.

Частотная характеристика преселектора
В качестве главного фильтра УПЧ выберем ФСС ФП1П049(а). Его параметры:
Полоса пропускания на ур-не 6 дБ — 220 кГц.
Ослабление при отстройке на 250 кГц — 26 дБ.
Ослабление в полосе прозрачности не более — 10 дБ.




Таким образом, этот фильтр дает ослабление по соседнему каналу 18.5 дБ. 1.5 дБ надо получить в контуре преселектора.
РАСПРЕДЕЛЕНИЕ УСИЛЕНИЯ ПО КАСКАДАМ
При ЧМ амплитуда сигнала не несет никакой информации, т. к. принимаемый сигнал необходимо пропустить через ограничитель, что бы избавиться от паразитной амплитудной модуляции. Поэтому обычно в радиоприемниках ЧМ-сигналов АРУ не применяются.
В качестве УПЧ и детектора выберем специализированную микросхему К174ХА6. Она представляет собой усилитель-ограничитель, синхронный демодулятор, предварительный УНЧ с электронной настройкой усиления, узлы бесшумной настройки и усилителя постоянного тока для управления индикатором настройки, а также схему выработки управляющего напряжения системы АПЧГ.
Требуемый уровень сигнала на входе детектора

Усиление линейного тракта

Коэффициент усиления преселектора



Возьмем


Коэффициент усиления преобразователя частоты К174ПС1


— сопротивление контура в
нагрузке преобразователя.
Зададимся


Зададимся



С учетом ослабления сигнала при прохождении фильтра (10 дБ) коэффициент усиления УПЧ

схема радиоприемника приведена на рисунке 3.

Структурная схема радиоприемника
Цифрами обозначены:
Входная цепь.
Усилитель радиочастоты.
Смеситель.
Главный фильтр УПЧ.
Усилитель промежуточной частоты.
Детектор ЧМ сигналов.
Генератор управляемый напряжением.
Синтезатор сетки частот.
РАСЧЕТ ПРИНЦИПИАЛЬНОЙ СХЕМЫ ПРИЕМНИКА
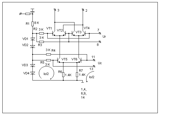
РАСЧЕТ Y-ПАРАМЕТРОВ МС 174ПС1

Принципиальная схема МС К174ПС1
Расчет режима по постоянному току.
Пренебрегая падением напряжения на R5=3 КОм, будем считать, что падение напряжения на транзисторах VD3 и VD4 равно 0,6 В. Определим то задаваемый R6, R7.


VT5,VT6:

VT1...VT4:

Расчет входных Y-параметров.
,
где
— входная проводимость одного транзистора
Будем считать, что параметры интегральных транзисторов совпадают с параметрами бескорпусного транзистора КТ324Е-1.
;
;
;
;
;
.















Расчет выходных Y-параметров.






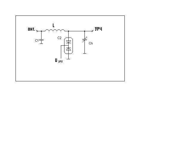
РАСЧЕТ ВХОДНОЙ ЦЕПИ

Принципиальная схема входной цепи
Связь с антенной и УРЧ внутриемкостная. Она обеспечивает примерное постоянство коэффициента передачи по диапазону.
В качестве элемента перестройки контура выберем варикапную матрицу КВС111А.

Коэффициент перекрытия по частоте меньше 1.2, поэтому расчет будем вести на среднюю частоту диапазона 69.4 МГц.
1.) Коэффициент трансформации, обеспечивающий согласование фидера и входного сопротивления УРЧ

Выбираем


Полная емкость схемы

Индуктивность контура


Максимальный коэффициент передачи по напряжению

Эквивалентная резонансная проводимость контура с учетом вносимых сопротивлений со стороны входа и выхода





Полоса пропускания

Коэффициент передачи по мощности входной цепи совместно с антенной и кабелем

Избирательность по зеркальному каналу



Избирательность по каналу прямого прохождения


Диапазон изменения напряжения на варикапе
нетрудно убедиться,
что


Таким образом


По справочнику находим диапазон изменения напряжения на варикапе — 2...4 В.
Конденсаторы:
С1 — типа ПМ-1 емкостью
200 пФ

Cп — типа КПД с пределом изменения емкости 2-8 пФ.
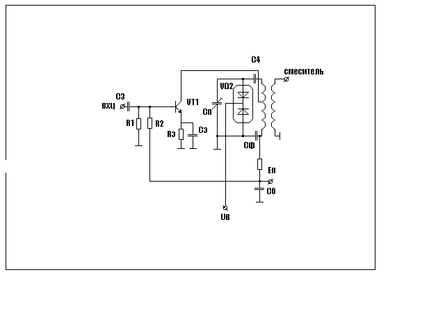
РАСЧЕТ УРЧ
РАСЧЕТ ЭЛЕМЕНТОВ, ОБЕСПЕЧИВАЮЩИХ РЕЖИМ
Изменение обратного тока коллектора

Тепловое смещение напряжения базы

Необходимая нестабильность коллекторного тока








Принципиальная схема УРЧ
В УРЧ будем использовать транзистор КТ368, включенный по схеме с ОЭ.
Конденсаторы:
Cб — типа ПМ-1 с емкостью 4 пФ ±10%
Сф — типа ПМ-1 с
емкостью 240 пФ
.
Резисторы типа МЛТ-0,125 :
Rэ — 330 Ом ±10%
Rф — 470 Ом ±10%
Rд1 — 20 кОм ±5%
Rд2 — 5.1 кОм ±5 %.
РАСЧЕТ КОЛЕБАТЕЛЬНОЙ СИСТЕМЫ УРЧ


Требуемая добротность контура

Характеристическое сопротивление контура

Эквивалентная контурная емкость

Допустимый коэффициент включения транзистора в контур
выберем

Сопротивление, вносимое в контур со стороны транзистора

Емкость, вносимая со стороны транзистора

Сопротивление потерь

9.) Добротность ненагруженного контура

Эквивалентное сопротивление потерь

Допустимое сопротивление, вносимое со стороны смесителя

возьмем

Величина взаимной индуктивности

14.) Емкость, вносимая в контур со стороны смесителя

15.)

16.)

Добротность нагруженного контура
18.)
Коэффициент усиления каскада

19.) Полоса пропускания УРЧ

20.) Избирательность по зеркальному каналу


21.) Избирательность по каналу прямого прохождения


22.) Коэффициент передачи по мощности

3.4 РАСЧЕТ КОЛЕБАТЕЛЬНОЙ СИСТЕМЫ СМЕСИТЕЛЯ
Входное сопротивление фильтра ФП1П049а составляет 330 Ом. Рассчитаем коэффициент включения, при котором обеспечивается согласование смесителя и фильтра.

Схема замещения колебательной системы смесителя
Зададимся добротностью
нагруженного контура
,
контурная емкость
.
Характеристическое сопротивление контура

Проводимость нагруженного контура


Коэффициент включения фильтра в контур

Проводимость ненагруженного контура

Добротность ненагруженного контура

Избирательность по соседнему каналу


4. МЕТОД ОБЕСПЕЧЕНИЯ ПЕРЕСТРОЙКИ ПО ЧАСТОТЕ
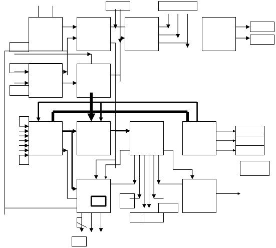
Для формирования управляющих сигналов для перестройки радиоприемника по частоте используется специализированная микросхема КА1508ХЛ1. Она обеспечивает автоматический поиск и настройку на частоту радиостанции, запоминание и смену частот семи радиостанций по выбору пользователя в каждом диапазоне (СВ,УКВ). Микросхема вырабатывает звуковые сигналы различного тона и длительности, оповещающие о смене диапазона рабочих частот, достижении верхней и нижней границы диапазона.
Структурная схема синтезатора представлена на рисунке 8.

Структурная схема БИС КА1508ХЛ1
Внешние управляющие сигналы IV1, IV2, поступающие на ДПКД со сканирующего счетчика, позволяют осуществлять сканирование диапазона приема с определенным шагом в ручном или автоматическом режиме.
При настройке на станцию код, задающий коэффициент деления делителя петли ФАПЧ, записывается в ОЗУ БИС с последующим использованием для быстрой настройки на станцию (фиксированная настройка). Число запоминаемых станций зависит от объема ОЗУ.
БИС выполнена по низкопороговой КМОП технологии с металлическим затвором.
В УКВ диапазоне ДПКД с целью расширения диапазона синтезируемых частот разбит на 2 счетчика А и В, обеспечивающих двухкоэффициентное деление.
После окончания
деления на число a,
записанное в А,
на внешний предварительный делитель,
имеющий переменный коэффициент деления
Р или Р+1 и большее по сравнению с БИС
быстродействие,
подается управляющий сигнал,
который изменяет его коэффициент деления
Р+1,
когда А работает в режиме вычитания
(обратного счета) и Р,
когда А останавливается,
а В продолжает счет до вычитания остальной
части импульсов запрограммированного
в нем значения b(
).

Опорная частота
поступает на вход ЧФД,
где она сравнивается с частотой F,
получаемой в результате деления
на коэффициент деления N делителя с
переменным коэффициентом деления.
Сигнал ошибки детектора подается через соответствующий ФНЧ на перестраиваемый генератор, замыкая петлю ФАПЧ.
В режиме фазовой синхронизации F и Fo на входах ЧФД равны и обеспечивают рабочую частоту синтезатора
.
Изменяя коэффициенты
a
и b
можно осуществлять дискретную настройку
,
с шагом равным Fo.
Изменяя М можно изменять шаг перестройки по диапазону.
КОНСТРУКТИВНАЯ РАЗРАБОТКА УРЧ И СМЕСИТЕЛЯ
При конструктивной разработке узла УРЧ и смесителя была использована САПР PCAD-4.5.
Вид печатной платы с проводниками и сборочный чертеж приведены в графическом приложении.
ЗАКЛЮЧЕНИЕ
В ходе выполнения курсового проекта была разработана линейная часть УКВ тюнера I-класса.
Достоинством схемы является достаточно малое число элементов, что произошло благодаря использованию интегральных микросхем. Разработка обладает неплохими показателями по чувствительности и избирательности, а использование синтезатора частоты позволяет перестраиваться по диапазону с малым шагом и большой точностью. Все эти достоинства, несомненно, могли бы привлечь потенциальных покупателей, если бы не тот факт, что в диапазоне 65.8-73 МГц работает очень мало станций (пиздобольство) и поэтому приобретение радиоприемника с диапазоном 87.5-108 МГц будет предпочтительнее.
СПИСОК ИСПОЛЬЗОВАННЫХ ИСТОЧНИКОВ.
Проектирование радиоприемных устройств: Учебное пособие для вузов. Под. ред. А.П. Сиверса. М.: Сов. Радио, 1976.
Радиоприемные устройства. Под. ред. Л. Г Барулина.— М.: Радио и связь,1984.
Расчет электронных схем на транзисторах/ Бочаров Л. Н. и др.—М.: Энергия, 1978.
Цифровые и аналоговые интегральные микросхемы: Справочник. Под. ред. С. В. Якубовского.—М.: Радио и связь, 1989.
Хоровиц П., Хилл У. Искусство схемотехники: В 2-х томах. Пер. с англ.— М.: Мир,1983.—Т. 1.