Об'єднання цифрових потоків
Об'єднання цифрових потоків
1. Способи об'єднання цифрових потоків
При часовому групоутвореннi в передавальній частині цифрових систем передачі (ЦСП) здійснюється об'єднання компонентних цифрових потоків, що сформовані системами передачі більш низького порядку, у груповий (агрегатний) потік, а в приймальнiй частині здійснюється роз'єднання агрегатного потоку на компонентні.
Об'єднання (мультиплексування) цифрових потоків може бути синхронним або асинхронним. Якщо генератори ЦСП, що формують компонентні потоки, синхронізовані з генератором ЦСП, що формує агрегатний потік, то виконується синхронне об'єднання компонентних цифрових потоків. Якщо ж зазначена взаємна синхронізація відсутня, то здійснюється асинхронне об'єднання цифрових потоків. Синхронне об'єднання є окремим випадком асинхронного.
Мультиплексування компонентних потоків в агрегатний у принципі може бути побітовим (порозрядним), побайтовим (поканальним) і поцикловим (посистемним). На практиці використовується побітове об'єднання, що вимагає найменший обсяг пристрою пам’яті (ПП).
У ЦСП синхронній цифровій ієрархії (SDH) потоки, які поєднуються, синхронні, а в ЦСП ієрархії PDH – майже синхронні (тактові частоти компонентних систем за рахунок нестабільності генераторів незначно, але все-таки відрізняються одна від одної).
Процес об'єднання як синхронних, так і асинхронних цифрових потоків передбачає запис компонентних потоків у пристрій пам’яті (ПП) блока спряження (БС), відведеного для кожного з потоків. Запис здійснюється з тактовою частотою компонентного потоку, а зчитування – з частотою, кратною тактовій частоті агрегатного потоку. Спрощена структурна схема устаткування об'єднання цифрових потоків наведена на рис. 1.

Рисунок 1
2. Об'єднання синхронних цифрових потоків
цифровий потік агрегатний плезіосинхронний
На рис. 2 зображено
послiдовностi iмпульсiв запису (ЗП) і
зчитування (СЧ). В принципі співвідношення
між частотами запису (
)
і зчитування (
)
може бути як незмінною, так і змінною
величиною. Якщо
(
),
то інтервал між імпульсами запису і
зчитування
буде постійним, незмінним за часом.

Рисунок 2
Якщо ж частоти
і
розрізнюються між собою на постiйну
величину (
),
то після кожного зчитування часовий
інтервал
між моментами запису і зчитування
змінюватиметься.
У випадку
величина
зменшується від деякого максимального
значення до нуля, а при черговому
зчитуванні величина
знову виявляється максимальною. На рис.
3 наведено послідовності сигналів запису
і зчитування (для конкретності прийнято
,
вiдповiдно
).

Рисунок 3
Оскільки частота
імпульсів зчитування
перевищує частоту імпульсів запису
,
то ПП «спустошується» до моменту
=0, тобто деякі імпульси зчитування
виявляються зайвими і їх необхідно
вилучити, інакше будуть зчитанi «нулі»
і передані як інформаційні, що реально
відсутні у загальному інформаційному
потоці. Часові позиції, що звільнилися
(позитивнi часовi зміщення), можна
використовувати для передачі службової
інформації. На приймальній стороні
службові сигнали виділяються за ознакою
сталості їхньої частоти проходження.
У випадку
часовий інтервал
між моментами запису і зчитування
збільшується до деякого максимального
значення, а при черговому зчитуванні
він виявляється мінімальним. На рис. 4
наведено послідовності сигналів запису
і зчитування для випадку
,
вiдповiдно
.

Рисунок 4
Оскільки при
ПП переповнюється, то виникають моменти,
якi характеризуються двома інформаційними
імпульсами, що приходяться на один
імпульс зчитування. Для забезпечення
нормального процесу об'єднання потоків
необхідно в потік імпульсів зчитування
вводити додаткові імпульси (негативнi
часовi зміщення). Сталість частоти
проходження часових зміщень дозволяє
правильно відновлювати інформаційні
сигнали, передані в моменти виникнення
негативних часових зміщень.
Частота часових зміщень у зчитаної послідовності імпульсів залежить від співвідношення частот запису і зчитування. Чим більшою мірою вони відрізняються, тим частіше формуються часові зміщення. Кількість інформаційних символів (R) між сусідніми часовими зміщеннями визначається співвідношенням
,
де
– ціла частина а з надлишком.
Період появлення
часових зміщень
визначається співвідношенням
,
а частота їх виникнення
– співвідношенням
.
Так, для наведених на
рис. 3 і рис. 4 послідовностей з позитивними
i негативними часовими зміщеннями,
значення R,
і
відповідно дорівнюють

для позитивних часових зміщень (рис. 3) i

для негативних часових зміщень (рис. 4).
Таким чином, при
об'єднанні синхронних цифрових потокiв
співвідношення мiж частотами запису i
зчитування незмiннi. Завдяки цьому при
об'єднанні розглядуваних потоків часові
зміщення формуються через визначену i
суворо постійну кількість інформаційних
імпульсів (R = const). Частота i періодичність
появлення часових зміщень також незмiнні
(
=
const;
=
const).
Потоки, у яких часові зміщення (стафінги) формуються чітко через визначену і незмінну кількість інформаційних імпульсів, є однорідними.
3. Об'єднання асинхронних цифрових потоків
Цифрові потоки
плезіосинхронної ієрархії не синхронні.
Тому у реальних умовах відношення
змінюється за рахунок нестабільності
частот запису i зчитування. У результаті
чітко періодичність появи часових
зміщень порушується – виникають
неоднорідності, що призводять до того,
що кількість інформаційних імпульсів
між сусідніми часовими зміщеннями не
постійна. Тому значенням
визначається дробове число. Ці
неоднорідності з'являються з періодичністю,
що визначається співвідношенням
,
де L – кількість часових зміщень, що складають цикл неоднорідностей;
n – кількість неоднорідностей у цьому циклі.
Знаки (+) і (–) вказують
напрямок зміни часового інтервалу між
часовими зміщеннями. Позитивний знак
вказує на збільшення, а негативний –
на зменшення цього інтервалу. Такі
потоки є неоднорідними. На рис. 5 наведено
послідовності імпульсів запису і
зчитування для двох варіантів
співвідношення мiж частотами запису і
зчитування :
і
відповідно.

Рисунок 5
З рис. 5,а видно, що за
величина
імпульсу, а
.
Отже, між сусідніми часовими зміщеннями R=3 імпульси, цикл неоднорідностей L=4, включаючи одну неоднорідність у циклі (n=1). Негативний знак вказує на зменшення інтервалу між сусідніми часовими зміщеннями під час виникнення неоднорідністі. У розглянутому прикладі значення R змінюється вiд 3-х до 2-х.
За
значення
,
а
.
Цьому відповідає потік, зображений на рис. 5,б, у якому між сусідніми часовими зміщеннями кількість інформаційних імпульсів R=7, цикл виникнення неоднорідностей L=2, включаючи одну неоднорідність у циклі. Значення R змінюється від 7-ми до 6-ти.
Отже, положення часових зміщень і кількість неоднорідностей змінюється під час зміни співвідношень між частотами запису і зчитування. Якщо на рис. 5, а при заданому співвідношенні мiж частотами запису і зчитування виникає одна неоднорідність, то за інших співвідношеннях цих частот з'являється інша кількість неоднорідностей.
Наприклад, за
величина
,
а
.
Отримані результати вказують на те, що в циклі з L=5 часових зміщень міститься n=2 неоднорідності, значення R змінюється від 3-х до 2-х.
Слід зазначити, що в
реальних умовах співвідношення між
частотами запису і зчитування змінюється
у невеликих межах. Разом з тим очевидно,
що змiщення положення часових зсувiв у
послідовності імпульсів необхідно
компенсувати, щоб забезпечити передачу
службової інформації на визначених і
незмінних часових позиціях. Зазначена
компенсація можлива або виключенням
на передавальній стороні «зайвих»
імпульсів зчитування інформаційних
символів із ПП (за
),
або їхнім додаванням (за
).
У результаті відбувається узгодження
швидкості компонентного потоку зі
швидкістю агрегатного в перерахунку
на один компонентний потік. Iнформування
приймальної сторони про всі операції
(виключення – додавання імпульсів
зчитування) здійснюється передачею
команд узгодження швидкостей (КУШ). Крім
того, в асинхронних системах для циклової
синхронізації приймального устаткування
агрегатної системи в складі службових
сигналів передаються синхросигнали.
Прийнятий агрегатний потік розділяється
на компонентні, кожен з яких записується
у «свiй» ПП тактами агрегатної системи
з перерахунком на компонентну, а
зчитування здійснюється тактами
компонентної системи.
У європейському
варіанті плезіосинхронної цифрової
ієрархії (PDH) значення кратності частоти
зчитування дорівнює чотирьом, тобто
,
де
− тактова частота групового (агрегатного)
потоку. Так, наприклад, при об'єднанні
4-х первинних потоків (Е1) у вторинний
(Е2) частота запису кожного з потоків Е1
складає значення
кГц,
а частота зчитування кожного з цих
потоків
кГц. Перевищення частоти зчитування
над частотою запису дає можливість
передавати в агрегатному потоці службову
інформацію, що необхідна для забезпечення
нормальної роботи агрегатної системи.
Таким чином,
,
де
,
а
− частота (швидкість) передачі службових
сигналів у розрахунку на один компонентний
потiк. Наприклад, у ЦСП ІКМ-120 для кожної
компонентної системи (ІКМ-30) частота
запису
кГц,
а частота зчитування
кГц.
Тому частота передачі службових сигналів
кГц
у розрахунку на один компонентний потік.
В агрегатному потоці частота передачi
службових сигналів у чотири рази вище:
кГц,
а швидкiсть передачi агрегатного потоку
складає В=4·2048+256=8448 кбіт/c.
Слід підкреслити, що номінальна частота зчитування при об'єднанні асинхронних цифрових потоків завжди вибирається вище частоти запису. Часові зміщення, що з'являються за рахунок різниці номінальної частоти зчитування і частоти запису, є нормованими, тому вони не потребують передачі інформації про їхню наявність. Часовi зміщення, якi порушують нормоване спiввiдношення частоти запису і номінальної частоти зчитування, сприймаються як неоднорiдностi i усуваються, про що інформує приймальна сторона.
У побудові апаратури об'єднання цифрових потоків передбачена можливість як позитивного, так і негативного узгодження швидкостей, тобто двостороннього (позитивно-негативного) узгодження швидкостей.
4. Структурна схема устаткування об'єднання (роз'єднання) асинхронних цифрових потоків
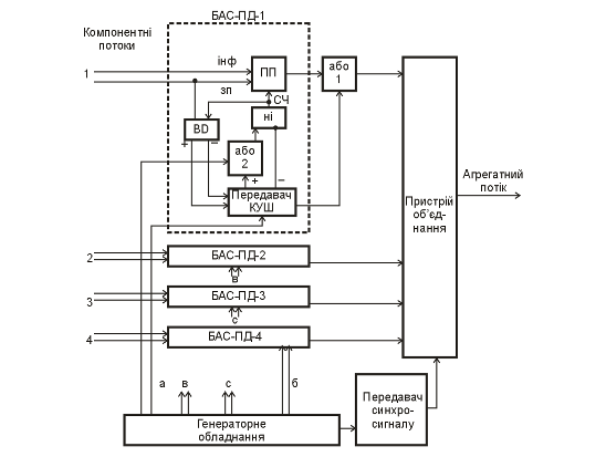
Структурна схема устаткування об'єднання асинхронних цифрових потоків наведена на рис. 6.
У кожному з блоків асинхронного спряження (БАС-1 … БАС-4) компонентний потік, що надходить, записується в ПП тактами компонентних потоків (систем передачі). Сигнали зчитування надходять на ПП кожного з БАС з відповідних виходів генераторного обладнання (ГО) передавача агрегатної системи.
Якщо співвідношення
між частотами запису і зчитування (
) незмінне, то сигнали зчитування
надходять на вхід БАС через елементи
АБО-2 і НІ без будь-яких змін.
Якщо ж задане співвідношення змінюється в ту або іншу сторону і різниця між послідовностями імпульсів запису та зчитування досягає періоду зчитування, то часовий дискримінатор (ЧД), що визначає моменти появи і знак неоднорідності, видає відповідний сигнал у передавач команд узгодження швидкостей (КУШ). За цим сигналом у потік імпульсів зчитування або додається імпульс зчитування через схему АБО-2, або виключається один з імпульсів зчитування шляхом заборони за командою з передавача КУШ проходження імпульсу через схему НІ (схему заборони).

Рисунок 6
Формування агрегатного потоку здійснюється шляхом об'єднання вихідних сигналів блоків асинхронного спряження і службових сигналів.
На приймальній стороні агрегатний потік розділяється на компонентні потоки. Структурна схема устаткування роз'єднання прийнятого потоку на компонентні наведена на рис.7.
Агрегатний потік надходить на пристрій роз’єднання, що складається зі схем збігу І1...І4. Під дією імпульсних послідовностей з ГО відбувається розподіл прийнятого потоку між приймальними блоками асинхронного спряження (БАС-ПМ-1...БАС-ПМ-4). У цих блоках здійснюється відновлення швидкості (тактової частоти) компонентних потоків. Для цього в кожному БАС-ПМ цифрова послідовність, виділена в пристрої роз’єднання, надходить у ПП. Сигнали запису надходять у ПП з відповідних виходів ГО через АБО-2 і НІ. Зчитування з ПП здійснюється сигналами, що формуються пристроєм фазового автопідстроювання частоти (ФАПЧ). Частота зчитування дорівнює середньому значенню частоти запису. До складу ФАПЧ входять часовий дискримінатор (ЧД), генератор, керований напругою (ГКН), і схема керування (СК). ФАПЧ формує сигнал, що відповідає поточному значенню часового інтервалу між моментами запису і зчитування.

Рисунок 7
Якщо у складі прийнятого цифрового потоку відсутні КУШ, то сигнали запису з ГО надходять у ПП без будь-яких змін. У випадку появи КУШ про наявність позитивного часового зсуву (один з імпульсів зчитування виключений на передавальній стороні) приймач КУШ видає сигнал на забороняючий вхід схеми НІ, у результаті чого забороняється запис у ПП. При одержанні КУШ про наявність негативного часового зсуву (на передавальній стороні зроблено зчитування інформації зі ПП додатковим імпульсом) приймач КУШ формує сигнал, що проходить через АБО1, відкриває елемент І1, проходить через АБО2 і НІ як додатковий сигнал запису. Крім того, цей додатковий сигнал запису надходить на вхід ЧД схеми ФАПЧ. На другий вхід ЧД надходять сигнали зчитування з ГКН. На виході ЧД формується напруга постійного складового сигналу, яким і здійснюється керування частотою ГКН.
Об’єднання синхронних цифрових потокiв є окремим випадком об’єднання асинхронних цифрових потокiв, за яким частота зчитування кратна частотi запису. Тому iмпульснi позиції часових зсувiв можна повнiстю використовувати для передачi службової та iншої iнформацiї.
Перехід у синхронний режим роботи дозволяє спростити обладнання об’єднання цифрових потоків. Зокрема, оскільки в цьому режимi завжди підтримується незмінне співвідношення мiж частотами запису і зчитування, то в передавальній частині обладнання (рис. 6) стають непотрібними передавач КУШ, схема АБО На забороняючий вхід схеми НІ керуючий сигнал надходить з часового дискримінатора. У приймальному обладнаннi (рис. 7) прийняті сигнали після розподілу надходять у ПП, у якому зчитування здійснюється з частотою, рівній частоті запису сигналу в ПП передавальної частини обладнання. Тому відпадає необхідність у пристрої ФАПЧ, приймачі КУШ, елементах АБО, НІ.