Оптимальная фильтрация сигналов
Рязанская государственная радиотехническая академия
Кафедра теоретических основ радиотехники
Курсовая работа
ОПТИМАЛЬНАЯ ФИЛЬТРАЦИЯ СИГНАЛОВ
Пояснительная записка к курсовой работе
по дисциплине РТЦиС
Исполнитель: Иванов Д.А.
Допущена к защите,
Руководитель: Авдеев
Рязань 2003 г.
Содержание
Исходные данные к расчету
Краткие теоретические сведения
Расчет амплитудного и фазового спектров заданного сигнала
Расчет АКФ и ВКФ
Расчет параметров согласованного фильтра
Синтез структурной схемы СФ2
Перечень элементов принципиальной схемы
Выводы
Список используемой литературы
Исходные данные к расчету
Вариант №4
N = 10 - число элементов кода
{a>k>}N = 1,1,-1,1,1,-1,1,-1,1,1 B - кодовая последовательность
>o>= 7.7мкс - длительность единичного импульса
Pш = 4.4 В2 - мощность шума
В =0,1 МГц/В - коэффициент пропорциональности
Ho = 1 - коэффициент усиления ФНЧ
Краткие теоретические сведения
Любую радиотехническую систему необходимо спроектировать так, чтобы она обладала наилучшей помехоустойчивостью, Но помехоустойчива связь была и остаётся проблемой радиотехники.
Для теории цепей и сигналов особый интерес представляет возможность ослабления вредного действия помехи с помощью линейной фильтрации, основанных на использовании линейных частотных фильтров. На протяжение длительного времени к частотным фильтрам предъявлялось требование: более равномерного пропускания спектра сигнала и возможно более полного подавления частот вне этого спектра. Поэтому идеальной считалось П-образная АЧХ у фильтра.
Позже стало видно, что указанная выше трактовка имеет следующие недостатки:
1. не учитывалась форма сигнала (она может быть различной при одной и той же ширине спектра сигнала).
2. не учитываются статистические свойства помех.
В зависимости от решаемой задачи - обнаружение сигнала, измерение его параметров или разрешение (различение) сигналов - критерии оптимальности могут быть различные. Для задачи обнаружения сигналов в шумах наибольшее распространение получил критерий максимума отношения сигнал / шум на выходе фильтра.
Согласованный фильтр - это линейный фильтр, на выходе которого максимально возможное отношение сигнал / шум при приеме сигнала известной формы на фоне белого шума.
Оптимальный фильтр - стационарная линейная частотно-избирательная система, выполняющая обработку аддитивной смеси сигнала и шума наилучшим образом, т.е. (с/ш) = max.
(1)
отношение сигнал/шум на выходе линейной цепи в t=to.
Чтобы (С/Ш) вых =max нужно выполнить следующие условия:
1. to + sвх () + = 0 следовательно ФЧХ оптимального фильтра равна: ноф ( = - sвх () - to (2)
2. H () ~ Sвх () следовательно АЧХ оптимального фильтра равна: Hоф) = a Sвх () (3)
Из уравнения (2) видно, что оптимальный фильтр компенсирует начальные фазы всех гармонических составляющих входного сигнала Sвх (t). При t = 0 все гармоники сигнала принимают амплитудное значение. Слагаемое - wto, входящее в выражение для ФЧХ означает сдвиг всех гармоник составляющих сигнала на to. В результате при такой ФЧХ на выходе фильтра в t = to формируется пик сигнала, равный сумме амплитуд всех гармоник.
Из уравнения (3) видно, что АЧХ амплитудного фильтра не равномерна и повторяет по форме амплитудный спектр сигнала. Любой сигнал является по сравнению с белым шумом узкополосным. Это приводит к существенному уменьшению мощности шума. Неравномерная АЧХ с другой стороны может ослабить сигнал на выходе. Если учесть, что заметно ослабляются в фильтре лишь слабые гармоники, которые большой роли в образование пика сигнала не играют, то можно считать, что соотношение (3) является наиболее подходящим.
Так как
,
где

Эsвх - энергия входного сигнала, тогда
(4)
Из этого выражения видно, что отношение (c/ш) вых оф определяется только энергией входного сигнала сигнала и спектральной плотностью шума, и не зависит от параметров и формы сигнала.
gоф = aSвх (to-t) - импульсная характеристика линейного согласованного фильтра.
Она с точностью до коэффициента “a” представляет собой зеркальное изображение сигнала.
Условия физической реализуемости фильтра:
переходного процесса или протяженность импульсной характеристики реального фильтра является величиной конечной. так как отклик фильтра не может появиться раньше чем придет воздействие то to Tc.
длительность
Tc < оптимальная фильтрация применима лишь для импульсных сигналов.
При синтезе СФ в качестве входного аналогового сигнала в курсовой работе используется импульсный сигнал, построенный в соответствии с какой либо бинарной кодовой последовательностью. Такие сигналы широко используются при формировании сложных фазомодулированных радиоимпульсов с двумя значениями начальных фаз: 0 и . Комплексная огибающая таких ФКМ - радиоимпульсов представляет собой последовательность положительных и отрицательных импульсов.
ФКМ - сигнал является сложным сигналом с внутриимпульсной модуляцией, база которого, т.е. произведение длительности на эффективную ширину спектра, значительно превышает базу простого сигнала.
Расчет амплитудного и фазового спектров заданного сигнала
Входной сигнал, в соответствии с заданной кодовой последовательностью {a>n>}N={1,1,-1,1,1,-1,1,-1,1,1} имеет вид:

Вычислить амплитудный спектр и фазовый спектр можно непосредственным интегрированием (преобразование Фурье):

Используя свойства преобразования Фурье, спектральную функцию ФМК - сигнала можно определить из соотношения:

есть спектральная функция единичного импульса 1>0> (t).
Для вычисления |S () | и >S> () ФМК - сигнала более целесообразно свести путем дифференцирования исходного сигнала к линейной комбинации дельта-функций (t-k>0>), спектр которых вычисляется элементарно.
Выражение для спектральной функции сигнала примет вид:
,
где b>k> - значение величины скачка напряжения исходного сигнала S (t) с обозначением полярности в моменты времени k>0> (k=0,1,…,N).

Выражение для спектральной функции представим в виде:
S () =A () - jB (),
тогда амплитудный и фазовый спектры можно записать следующим образом:





Для контроля частично определяются |S (2f) | и >S> (2f) для трех значений частоты f, взятых в интервале 0<f<f>а>, где

активная ширина спектра ФКМ - сигнала (ширина главного лепестка амплитудного спектра).
|
F, кГц |
20 |
80 |
|
S (2f), В/мГц |
25,42 |
6,35 |
|
>S> (2f), рад. |
-87,51 |
-92,5 |
Точки отмечены крестиками.
Для самоконтроля вычислим очевидные соотношения:

Таким образом, можно убедится в правильности найденных спектров.
Верхняя граничная частота спектра сигнала f>В> определяется при помощи ЭВМ или по графику по амплитудного спектра из условия |S (2f) |0.1|S (2f) | при ff>В>. f>В>=264.39 кГц.
Энергия сигнала определяется в соответствии с равенством Парсеваля.
помеха фильтрация сигнал частотный

Расчет АКФ и ВКФ
АКФ сигнала определяется выражением

Т.к. используемые в курсовой работе ФКМ - сигналы имеют дискретный характер, то вычисление можно существенно упростить, воспользовавшись дискретным аналогом АКФ, т.е. вычислить АФ в узловых точках, по формуле:

где n=0,N-1, и i и n - номера позиций; а>i>, a>i>>->>n> - значения сигнала и его сдвинутой копии на каждой позиции. Учитывая что АКФ функция четная, нам необходимо вычислить значения K>S> (n) для n<0.
{a>k>}N = 1 1 1 - 1 - 1 1 - 1 - кодовая последовательность
Ks (0) = 7; Ks (1) = 0; Ks (2) = - 1; Ks (3) = 0; Ks (4) = - 1;
Ks (5) = 0; Ks (6) = - 1; Ks (7) = 0;

Соединяя точки соседних отсчетов значений Ks (n) прямой линией, можно найти форму АКФ.
Дискретный аналог ВКФ сигналов s (t) и u (t) определяется в соответствии с выражением:

s (t) - заданный сигнал
u (t) - сигнал, с измененной кодовой последовательностью.
{u >k>}N={1,1,1,1,1,1,-1,}

Ks (-7) = 0; Ks (-6) = - 1; Ks (-5) = 0; Ks (-4) = 1; Ks (-3) = 4; Ks (-2) = 3; Ks (-1) = 0; Ks (0) = 3 Ks (1) = 0; Ks (2) = - 1; Ks (3) = - 2; Ks (4) = - 1; Ks (5) = 0; Ks (6) = - 1; Ks (7) = 0;

Соединяя точки соседних отсчетов значений Ksu (n) прямой линией, можно найти форму ВКФ.
Расчет параметров согласованного фильтра
Комплексный коэффициент передачи Hopt () определяется выражением:
Hopt () =B S>1>* () exp (-jt>0>)
Где t>0> - время, при котором отношение сигнал/шум на выходе СФ становится максимально возможным. Для физически осуществимого СФ t>0>>и> [t>0>=7 мкс]
АЧХ согласованного фильтра:

ФЧХ согласованного фильтра:

Импульсная характеристика согласованного фильтра: gopt = B s (to-t)

Форма полезного сигнала на выходе и его пиковое значение:
S (9t) = Bks (t-to) ks (0) = 710-5
s2 (to) = Bks (0) s2 (0) = 70 (В)

Если на входе СФ действует "квазибелый" шум с конечной дисперсией 2>X> (средней мощностью P>Ш>), то односторонняя спектральная плотность шума (спектр мощности шума) на входе Fx (f) определяется в виде:


АКФ шума на выходе согласованного фильтра в соответствии с преобразованием Виннера - Хинчина.


Отношение пикового значения сигнала S2 (t) к среднеквадратичному значению шума y на выходе СФ.

В результате получаем что в реальных РТС применение СФ дает выигрыш в отношении сигнал/шум в 5,012 раза. АКФ шума на входе СФ в соответствии с преобразованием Виннера-Хинчина.

Величина вероятности превышения выходным шумом порогового напряжения, равно 0,5S>2> (t>0>), считая входной шум гауссовым.
P{Y>Y (t>0>) }=1/2-Ф>0> (Z>0>), где

Т.о. вероятность превышения входным шумом порогового значения напряжения мала. Форма сигнала на выходе СФ, если на его вход подать сигнал u (t).
u2 (t) = B1 Ksu (t-to)

Синтез структурной схемы СФ1
Структурную схему согласованного фильтра можно получить непосредственно по комплексному коэффициенту передачи пологая t>0>=N>0>


Входящий в выражение множитель B/i реализуется идеальным интегратором.

Множитель

устройством вычитания к которому сигнал подходит без задержки и с задержкой >0>

Третий множитель

это устройство суммирования к которому сигнал подается от многоотводной линии задержки с шагом >0> и N отводами. Коэффициенты а>k> реализуются в усилителях с коэффициентом передачи а>k>
Синтезируем структурную схему СФ для заданной кодовой последовательности.

Исходя из этого выражения и вышесказанного получим структурную схему:


Принципиальная схема СФ1.
Принципиальную схему СФ1 можно реализовать на базе активных RC - фильтров и операционных усилителей, которые с удовлетворительной точностью обеспечивают интегрирование, усиление, суммирование сигналов и развязку отдельных звеньев фильтра.

Расчет элементов:
1) Интегратор
величина сопротивления R1 выбирается исходя из следующих соображений: оно недолжно быть слишком маленьким, чтобы через него не тек большой ток и не слишком большим чтобы не было больших потерь, пусть R1=1 кОм, B=0,1 МГц/В, то

С1=10нФ
2) Вычитатель
Для любого аналогового сумматора (в частности разностного сумматора) сначала задаются сопротивлением обратной связи. Оно определяется в интервале от 10 кОм до 100 кОм.
Пусть R>ОС>=R4=10кОм;
Далее по заданным коэффициентам передачи каждого из входов определяют сопротивления на входе:
R=R>OC>/A, где А - коэффициент передачи.
После этого определяют сопротивления R>0> - и R>0>+ которые включаются между положительным и отрицательным входами ОУ и общим проводом.
Для этого надо найти суммарные проводимости каждого из входов ОУ;
1/R>>+=1/R1++1/R2++…+1/Rn+
1/R>>-=1/R>ОС>+1/R1-+1/R2-+…+1/Rn-
далее возможны три случая:
а) 1/R>>+=1/R>>-, то можно исключить R>0>+ и R>0>-
б) 1/R>>+1/R>>-, то можно исключить R>0>-, а 1/R>0>+=1/ R>0>--1/R>0>+
в) 1/R>>+1/R>>-, то можно исключить R>0>+, а 1/R>0>-=1/ R>0>+-1/R>0>-
т.к. коэффициенты передачи равны 1, то R2=R3=R4=10 кОм
1/R>>+1/R>>-, то R>0> - исключаем, а 1/R>0>+=2/10-1/10=1/10 1/кОм
R5=10 кОм.
3) Сумматор
т.к. коэффициенты передачи по всем входам равны 1, то выбираем R6=R7=R8=R9=R10=R11=R12=R13=10кОм
1/R-=5/10>1/R+=3/10 то R>0> - исключаем, а 1/R>0>+=1/R - 1/R+=2/10 R>0>+=R14=5 кОм
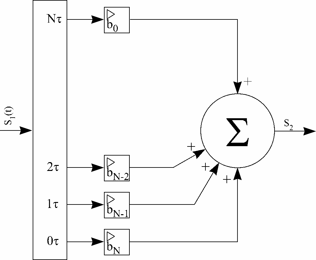
Синтез структурной схемы СФ2
Подставляя в выражение для комплексного коэффициента передачи


Входящий в выражение множитель - B/i реализуется идеальным интегратором.
Второй множитель

это устройство суммирования к которому сигнал подается от многоотводной линии задержки с шагом >0> и N отводами. Коэффициенты b>k> реализуются в усилителях с коэффициентом передачи b>k>

Перечисленные устройства соединяются каскадно и считаются развязанными.
Подставляя коэффициенты получаем:


Принципиальная схема СФ2.

Расчет элементов:
1) Интегратор
пусть R1=1 кОм, то

С1=10 нФ
2) Сумматор
Выбираем Rос=R7=10 кОм, R2=Rос/A1=10 кОм
R3=Rос/A2=5 кОм
R4=Rос/A3=5 кОм
R5=Rос/A4=5 кОм
R6=Rос/A1=10 кОм
1/R-=3/10>1/R+=2/10,то R>0> –
исключаем, а 1/R>0>+=1/R - 1/R+=1/10 R>0>+=R7=10 кОм

Перечень элементов принципиальной схемы
СФ1.
|
Поз.Обозна-чение |
Наименование |
Кол. |
Примечание |
|
Резисторы |
|||
|
R1 |
МЛТ - 0,125-1 кОм 5% |
1 |
|
|
R2 - R13 |
МЛТ - 0,125 - 10 кОм 5% |
11 |
|
|
R14 |
МЛТ - 0,125 - 5 кОм 5% |
1 |
|
|
Конденсаторы |
|||
|
К31-11 - 10нФ 2% |
СФ2.
|
Поз.Обозна-чение |
Наименование |
Кол. |
Примечание |
|
Резисторы |
|||
|
R1 |
МЛТ - 0,5-1 кОм 5% |
1 |
|
|
R2, R6, R7 |
МЛТ - 0,5 - 10 кОм 5% |
3 |
|
|
R3, R5, R6 |
МЛТ - 0,5 - 5 кОм 5% |
3 |
|
|
Конденсаторы |
|||
|
К31-11 - 10нФ 2% |
Операционный усилитель - K140УД7
Uпит1 = +15, Uпит2 = - 15 - напряжение питания
Ку = 50000 - коэффициент усиление
Rвх = 0,4 Мом
Rн = 2 кОм
Т.к. Uпит < S2 (0), то, коэффициент пропорциональности надо брать на порядок меньше т.е. В1=0,1 МГц/В.
Выводы
При выполнении курсовой работы мы учились методами: спектрального и корреляционного анализа определенного класса сигналов; синтеза линейных цепей; реализации синтезированных СФ и ФНЧ на базе активных RC-фильтров с операционными усилителями.
Полученные нами выражения, определяющие частотную и импульсную характеристики, дали возможность найти физическую структуру устройства для оптимальной фильтрации сигнала известной формы.
Мы синтезировали структурную схему СФ двумя способами. Реализовать СФ по первому способу будет сложнее, чем по второму, но зато перестроить его на другую последовательность проще.
В электрической схеме был использован операционный усилитель K140УД7, так как он удовлетворял нужным нам требованиям.
Список используемой литературы
Гоноровский И.С. “Радиотехнические цепи и сигналы”. - М: Радио и связь. 1986 г.
Баскаков С.И. “Радиотехнические цепи и сигналы”. - М: Высшая школа 1983 г.
Воробьев Н.И. “Проектирование электронных устройств”. - М: Высшая школа 1989 г.
“Методическое указание к курсовой работе по дисциплине "Радиотехнические цепи и сигналы"”.
“Лекции по РТЦиС”. Филимонов Б.И.