Разработка цифрового блока управления
Размещено на http://www.
Содержание
Условие
1 Функциональная схема ЦБУ
2 Принцип действия
3 Импульсный датчик
4 Формирователь импульсов
5 Счетчик импульсов
6 Командные триггеры
7 Импульсные усилители мощности
Список используемой литературы
Условие
Объект разработки
Разработать цифровой блок управления (ЦБУ), резьбонарезным шпинделем обеспечивающим автоматически заданное количество оборотов метчика при прямом и обратном ходе, реверсирование и останов шпинделя. Пуск шпинделя должен осуществляться кнопкой или внешним импульсным сигналом. Приводом шпинделя является реверсивный двигателем постоянного тока последовательным возбуждением и двухсекционной обработкой (серии СЛ).
ЦБУ должен содержать фотоэлектрический импульсный датчик, формирователь импульсов, счетчик импульсов с предустановкой, командный триггер и импульсный усилитель мощности.
Исходные данные (Вариант № 33):
1. Элементная база – КМОП
2. Количество оборотов:
прямой ход k>п>=5+n=5+3=8;
обратный ход k>о>=6+n=6+3=9;
3. Относительный световой ток фотодиода

где I>C> - световой ток, I>T> - темновой ток
4. Напряжение питания электродвигателя U>ЭД>=110 В
5. Ток электродвигателя I>ЭД>=0,2*(n+1)=0.2*(3+1)=0.8 А
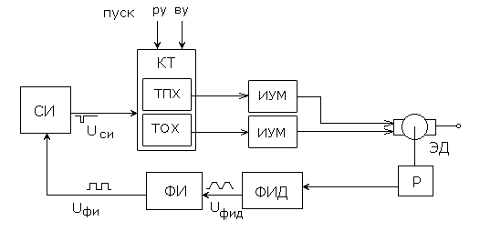
1 Функциональная схема ЦБУ

Рисунок 1 - Функциональная схема
На рисунке 1 изображена функциональная схема, в состав которой входят:
ФИД - фотоэлектрический импульсный датчик. Датчик представляет собой оптрон, преобразующий поток излучения светодиода в импульсы тока фотодиода за счет периодического прерывания потока излучения вращающимся щелевым диском, установленным на выходном валу шпинделя.
Светодиод выбирается с ИК-спектром излучения для уменьшения влияния окружающего светового фона.
ФИ - формирователь импульсов. Формирователь импульсов выполняется на триггере Шмитта, в виде интегральной микросхемы и должен быть согласован по входному сопротивлению с фотоэлектрическим датчиком. На статистической характеристике формирователя Uвых =f(Uвх) необходимо определить уровни его срабатывания (Uср) и отпускания (Uот), а также уровни светового (Uс) и темнового (Uт) напряжений датчика.
СИ- счетчик импульсов. Счетчик обеспечивает подсчёт числа импульсов датчика, сформированных компаратором, и выдает на командный триггер сигнал после поступления заданного числа импульсов. Он может выполняться на одной или двух интегральных микросхемах.
КТ - командные триггеры ТПХ и ТОХ выполняются по схеме асинхронных RS- триггеров на ЛЭ «ИЛИ-НЕ» или «И-НЕ». ТПХ должен иметь два входа «Пуск» для кнопки ручного управления (РУ) и внешнего управления (ВУ). В схеме ЦБУ необходимо предусмотреть цепи «обнуления» командных триггеров и счетчика импульсов при включении напряжения питания.
ИУМ - импульсный усилитель мощности. Импульсный усилитель мощности выполняется на силовых транзисторах, работающих в ключевом режиме. Тип каждого транзистора выбирается по заданным значения напряжения и тока электродвигателя, а так же необходимому значению коэффициента передачи ß, определяемому по максимально возможному выходному току триггеров Iвых≤2мА.
ЛЭ - логические элементы. Они как вспомогательные устройства выбираются с минимальным количеством корпусов ИС и могут совмещаться по выполняемым функциям с триггером Шмита.
Р – редуктор, предназначен для уменьшения скорости вращения и увеличения крутящего момента.
2 Принцип действия
До начала работы требуется обнулить командные триггеры ТПХ и ТОХ. Далее, после подачи команды «пуск» от РУ или ВУ, командный триггер ТПХ переходит в состояние логической единицы.
Через импульсный усилитель мощности этот сигнал подается на электродвигатель. ЭД начинает вращаться, в прямом направлении. Импульсный датчик количества оборотов приводного вала начинает вырабатывать импульсы тока в соответствии с количеством оборотов.
Формирователь импульсов увеличивает крутизну фронта и среза импульсов датчика, обеспечивая требуемые сигналы на входе счетчика импульсов.
СИ считает количество импульсов. При подаче 8-го импульса ТПХ и 1-ый счётчик обнуляются, переключая триггер ТОХ в единичное состояние. При счете 15-го импульса вырабатывается сигнал, который обнуляет командный триггер ТОХ в логический ноль и сбрасывает 2-ой счетчик. Двигатель останавливается.
Для реализации устройства используем ИС серий К1554 и К1561.
Параметры ИС серии К1554:
U>п >>min>, В 2
U>п >>max>, В 6
При U>п> = 5,0 В±10%:
U1>вх >>min>, В 3,15 - 3,85
U0>вх >>max>, В 1,35 – 1,65
I>вых >>max>, мА 24
Параметры ИС серии К1561:
U>п >>min>, В 3
U>п >>max>, В 18
При U>п> = 5,0 В±10%:
U1>вх>, В 4,95
U0>вх>, В 0,05
I>вых >>max>, мА 24
Рассмотрим каждый элемент функциональной схемы.
3 Импульсный датчик
Импульсный датчик изготавливается из излучателя и фотоприемника. Их располагают по обе стороны диска, установленного на валу редуктора. Диск имеет одно отверстие.
В качестве излучателя используем инфракрасный светодиод минимального габарита и максимальной мощности VD1 АЛ107Б с параметрами : U>пр.макс>=1.85 В I>пр.макс>=100 мА Р>Е>= 9 мВт l>МИН>=940 нм l>МАКС>=965 нм

Рисунок 2 - Схема принципиальная фотоэлектрического импульсного датчика.
цифровой блок управление датчик
ИК спектр излучения дает возможность совместно с ИК светофильтром на фотоприемнике исключить влияние фоновой засветки на выходной сигнал ФИД.
Резистор R>1> задает номинальный ток
I>ПР.НОМ.>=0,15*I>ПР.МАКС.>=15 (мА)
Такой выбор позволит увеличить срок службы излучателя, а также обеспечить необходимый уровень потока излучения.

При U>п>=5 В
Выберем R>1> из стандартного ряда Е24:
R>1>=220 Ом ±5% тип МЛТ 0.25
В качестве фотоприемника выбираем кремниевый фотодиод КДФ111Г2, который имеет сравнительно небольшой темновой ток I>т>=1 мкА и большую термостабильность.
Определим I>c>=18*I>т> = 18 мкА.
Выбор R>2> обуславливается необходимым выходным сигналом датчика. Так как элементная база КМОП, то для получения необходимого уровня логической единицы требуется напряжение примнрно 3,5 В
Следовательно:
U1>ФИД.ВЫХ>=U1>ФИ.ВХ>= 3,5 В

Выберем R>2> из стандартного ряда Е24:
R>2>= 200 КОм ±5% тип МЛТ 0.25
Учтем, что излучатель и приемник надо жестко, соосно зафиксировать. Ширина же диска нам не известна. Вынесем светодиод и фотодиод за пределы печатной платы, оставив лишь резисторы R1 и R2. Для этого сделаем на монтажной схеме 2 входа: VD1, VD2.
Определим выходные сигналы ФИД:
1. Темновой сигнал: Uт=Iт·R>2>=1·10-6·200·103=0,2 В
2. Световой сигнал: U>c>=I>c>·R>2>=18·10-6·200·103=3,6 В
4. Формирователь импульсов
Формирователь импульсов можно изготовить на основе триггера Шмитта, который имеет пороги срабатывания и отпускания, между которыми существует зона гистерезиса 2,6 В.
Таким образом, передаточная (статическая) характеристика элемента Шмитта двухпороговая. Она показана на рисунке 3.

Рисунок 3
Выбираем микросхему К1561ТЛ1, в корпусе которой содержится четыре двухвыводных элемента «И-НЕ». Так как в формирователе импульсов используем только один, три других можно применять, как обычный логический элемент.

Для нормальной работы ФИ, должно выполняться 2 условия:
В данном случае

Следовательно, условия выполняются:

Рисунок 4 Схема формирователя импульсов.
5. Счетчик импульсов
Для построения счетчика импульсов используем режим обратного счета с предварительной записью. Используем 4-х разрядный реверсивный двоичный счетчик с асинхронной предустановкой, с асинхронным сбросом и разделенными тактовыми входами - К1554ИЕ7. Используем 2-а таких счетчика(т.е. один для прямого, другой для обратного счета хода метчика).
Диапазон начальных значений Кп и Ко отображен в следующей таблице:
|
Номер счётчика |
К>Д>(10) |
К>Д>(2) (записываемое в счетчик число) |
|||
|
D0 |
D1 |
D2 |
D3 |
||
|
DD1 |
8 |
1 |
0 |
0 |
0 |
|
DD2 |
6 |
0 |
1 |
1 |
0 |
Подавая импульс кнопкой SB1, записываем число 8 в счетчик DD1 и начинаем обратный счет. При счете ≤0 импульс, сигналом с выхода займа, обнуляем командный триггер ТПХ, устанавливаем логическую единицу на триггере ТОХ, а так же подаем разрешающий сигнал на запись 8 во второй счетчик DD2. Второй счетчик работает в режиме прямого счета. При счете ≥15 импульса сигнал с выхода переноса счетчика обнуляет ТОХ и счетчик DD2
6. Командные триггеры
В начальный момент времени для стабильной работы ЦБУ необходимо обнулить командные триггеры:

Рисунок 5 – Схема формирования сигнала сброса.
Для ЛЭ серий К1554 и К1561
Время задержки приблизительно равно Τ=3,5 нс на вентиль, таким образом для гарантированного сброса все микросхем T= 20 мс.
Выберем R>4> из стандартного ряда Е24:
R>4>= 10 КОм ±5% тип МЛТ 0.25
T=R>4>∙C>1>; => C>1>=T/R>4>=(20∙10-3)/(10∙103)=2 мкФ
Выберем С>1> из стандартного ряда Е24:
С1= 2 мкФ ±5%
Командный триггер строим на основе логического элемента К1554ЛА4 (используем для однородности схемы). Эта интегральная схема содержит три элемента «3И-НЕ», осуществляющих операцию логического умножения с инверсией. RS – триггер, построенный на основе этих элементов, управляется нулем. ТПХ состоит из двух ЛЭ «3И-НЕ» на базе К1554ЛА4 а ТОХ из одного ЛЭ «3И-НЕ» на базе К1554ЛА4 и одного «2И-НЕ» на базе К1561ТЛ1. Сигналы на командный триггер поступают с кнопок «ПУСК», также с внешних устройств (ВУ) и со счетчика импульсов (СИ ≤0). При нажатии кнопки «ПУСК», сигнал низкого уровня будет подаваться на вход разрешения записи в счетчик импульсов, производя запись кода для начала отсчета количества импульсов. С ТПХ подается сигнал на импульсный усилитель мощности (ИУМ1).
При достижении заданного кода на СИ на ТПХ подается сигнал логического нуля, который сбрасывает его в ноль, при этом ТОХ переключается в единицу, так же происходит подключение счетчика обратного хода. Когда количество импульсов станет равным коду, выставленному на втором счетчике, счетчик выдаст сигнал логического ноля, произойдет переключение ТОХ в ноль и остановка двигателя.
С кнопки «ПУСК» и с внешнего устройства ВУ подается импульс для записи количества импульсов в счетчик импульса. Запись в счетчик будет закончена намного раньше того как придет первый счетный импульс, так как в цепи запуска электродвигателя есть элементы создающие задержку сигнала (логический элемент, ФИД, ФИ), а также сам двигатель обладает инерционными свойствами, поэтому ошибок в системе, связанных с записью кода быть не должно.
7. Импульсные усилители мощности
Оба усилителя мощности абсолютно одинаковы поэтому рассчитываем только один из них.
Определение VT1
Выберем транзистор VT1 из следующих условий
Выходной транзистор, согласующий ЛЭ с нагрузкой, выбирается по току коллектора
I>К. НАС.>=I>П> и мощности Р>К.НАС>=I>К.НАС>∙U>К.НАС>;
соответствующих режиму насыщения транзистора, а также по коэффициенту передачи β.
Необходимое значение коэффициента β определяется из условия

где
k>H>=(2 – 4) - коэффициент форсировки насыщения;
I1>ВЫХ.МАКС> - максимальный выходной ток ЛЭ.
Примем k>H>=2 а I>Б.НАС>=I1>ВЫХ>=20 мА тогда

|
КТ864A |
|
|
Uкэ.макс, В |
200 |
|
Iк.макс, А |
10 |
|
Рк.макс, Вт |
100 |
|
H31Э |
40÷200 |
Выберем транзистор КТ864А с β=80, U>КЭ.МАКС>=200 В, I>К.МАКС>=10 А, P>К.МАКС>=100 Вт
Проверим его на работоспособность
U>КЭ.МАКС>≥1.25∙U>П>=1,25∙110=137,5 В
I>К.МАКС>≥1.25∙I>К.НАС>=1,25∙0,8=1 А
P>К.МАКС>≥1.25∙P>К.НАС>=1.25∙I>К.НАС>∙U>К.НАС> у данного транзистора U>К.НАС>≈2 В P>К.МАКС>≥1.25∙I>К.НАС>∙U>К.НАС>=1,25∙0,8∙2=2 Вт
По всем значениям данный транзистор полностью удовлетворяет нашей схеме.
Определение R>Б>
Сопротивление резистора R>Б> в цепи базы транзистора равно

где U1>ВЫХ>=4,5 (В) а U>БЭ.НАС>≈2 В

Выберем сопротивление из стандартного ряда
R>Б>=150 Ом ±5% МЛТ 0,25
Отсюда следует что:
R5=150 Ом ±5% МЛТ 0,25
R6=150 Ом ±5% МЛТ 0,25
Список литературы
1. Юшин А.М. Оптоэлектронные приборы и их зарубежные аналоги: Справочник. В 5 т. Т.1. – М., 2000
2. Юшин А.М. Оптоэлектронные приборы и их зарубежные аналоги: Справочник. В 5 т. Т.3. – М., 2000
3. Петровский И.И., Прибыльский А.В., Троян А.А., Чувелев В.С. Логические ИС КР1533, КР1554. Справочник. В двух частях. Часть 1. – M., «Бином», 1993.
4. Петровский И.И., Прибыльский А.В., Троян А.А., Чувелев В.С. Логические ИС КР1533, КР1554. Справочник. В двух частях. Часть 2. – M., «Бином», 1993.
5. Богданович М.И., Грель И.Н., Прохоренко В.А., Шалимо В.В. Цифровые интегральные микросхемы. Справочник. – Минск, «Беларусь», 1991.
6. Полупроводниковые приборы: транзисторы. Справочник /В.Л. Аронов, А.А. Баюков, А.А. Зайцев и др. Под общ. Ред. Н.Н. Горюнова. – 2-е изд., перераб. – М.: Энергоатом издат, 1985.
Размещено на http://www.