Расчет амплитуд цифровых сигналов яркости и цветности при передаче элементов белого и желтого цвета
Размещено на http://www.
АЛМАТИНСКИЙ УНИВЕРСИТЕТ ЭНЕРГЕТИКИ И СВЯЗИ
Кафедра Радиотехники
Дисциплина Телевидение
КУРСОВАЯ РАБОТА
Специальность: 050719 – Радиотехника, электроника и телекоммуникации
Выполнила: Даутова М.Е.
Группа МРС-07-3
Руководитель:
Лановенко Л.В.
Алматы 2010
СОДЕРЖАНИЕ
ЗАДАНИЕ
ИСХОДНЫЕ ДАННЫЕ
ВВЕДЕНИЕ
1. Расчет амплитуды аналоговый сигналов яркости и цветности, при передаче элементов определенной цветности.
2. Представление аналоговых сигналов в цифровой форме, т. е. в виде двоичных кодовых комбинаций в соответствии с рекомендацией ITU 601.
3. Графики изменения сигналов яркости и цветности во времени в строчном периоде для текстового изображения «градационный клин» .
4. Цветовой треугольник внутри локуса
5. Ответ на теоретический вопрос
ЗАКЛЮЧЕНИЕ
СПИСОК ЛИТЕРАТУРЫ
ЗАДАНИЕ
Рассчитать амплитуды аналоговых сигналов яркости и цветности при передаче элементов определенной (вариантом задания) цветности. Нарисовать матрицу на девяти сопротивлениях для формирования Ey и E>R>>->>Y> ; E>B>>->>Y>> >сигналов, рассчитать коэффициенты матрицирования.
Перевести рассчитанные амплитуды сигналов яркости и цветности в цифровую форму, согласно Рекомендации ITU 601.
Построить графики изменения этих сигналов во времени в строчном периоде для тестового изображения «градационный клин» и отметить рассчитанные значения амплитуд сигналов.
Отметить на цифровом треугольнике (внутри локуса) точку с заданными вариантом координатами.
Ответить на теоретический вопрос. (Вариант 5: почему ТВ-сигнал при построчном принципе формирования растра является избыточным?).
ИСХОДНЫЕ ДАННЫЕ
Таблица 1 – Исходные данные к заданию 1-3
|
№ варианта |
Сигналы |
Цвета |
|
68 |
E>R-Y>; EB-Y |
Пурпурный,голубой |
Таблица 2 – Исходные данные к заданию 4
|
Вариант |
x |
Y |
|
8 |
0.35 |
0.4 |
ВВЕДЕНИЕ
В 1900 году русским военным инженером К. Д. Перским на IV Международном электротехническом конгрессе был впервые введен термин «телевидение». Телевидение – это область современной радиоэлектроники, которая занимается изучением вопросов передачи и приема движущихся и неподвижных изображений, предметов, расположенных в пространстве, электрическими средствами связи в измененном масштабе времени.
В основе телевидения лежат три физических процесса: преобразование световой энергии из оптического изображения в электрические сигналы; передача этих сигналов по каналам связи; преобразование принятых сигналов в оптическое изображение.
В общем виде задача телевидения состоит в дистанционном отображении в сознании людей явлений и событий, информация о которых поступает к нам в зрительном и звуковом виде.
Первыми появились аналоговые стандарты: сначала черно-белые, затем цветные (SECAM, PAL, NTSC). Сегодня быстрыми темпами развивается цифровое телевидение.
1. Расчет амплитуды аналоговый сигналов яркости и цветности, при передаче элементов определенной цветности
Расчет амплитуды аналоговых яркостного и цветоразностного сигналов при воспроизведении синего и голубого цвета.
Формула для расчета аналогового сигнала яркости:
Е>Y>=0.3·Е>R>+0.59·Е>G>+0.11·Е>B>. (1)

Рисунок 1. Формирование сигналов различных цветов
При воспроизведении пурпурного цвета (рисунок 1):
E>R>=1; E>G>=0; E>B>=1
Е>R-Y> => >E>R >– E>Y >= E>3>-0.3Е>R>-0.59Е>G>-0.11Е>B>
E>R-Y>=0.7E>R> -0.59E>G >-0.11E>B>
E(n)=0.7-0.11=0.59 (амплитуда пурпурного цвета)
При воспроизведении голубого цвета (рисунок 1):
E>R>=0; E>G>=1; E>B>=1
E>R-Y> =0.7·Е>R>-0.59·Е>G>-0.11·Е>B>
E(n)=-0.59-0.11=-0.7 (амплитуда голубого цвета)
Формула для расчета аналогового сигнала цветности:
E>B>>->>Y>= E>B>-E>Y>= E>B>-0.3·Е>R>-0.59·Е>G>-0.11·Е>B>
E>B>>->>Y>= -0.3·Е>R>-0.59·Е>G>+0.89·Е>B>
E(n) = 0.89-0.3=0.59(амплитуда пурпурного цвета)
Е(n) = 0.89-0.59=0.3(амплитуда голубого цвета)
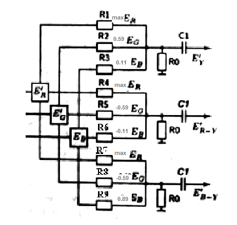
Матрица на девяти сопротивлениях для формирования Ey и E>R>>->>Y>; E>B>>->>Y>> >сигналов, расчет коэффициентов матрицирования.

Рисунок 2. Структурная схема кодирующей матрицы
При воспроизведении пурпурного цвета (рис.3)
Е>Y> =0.3Е>R>+0.59E>G>+0.11E>B>
E>R-Y> = 0.7 Е>R>-0.59E>G>-0.11E>B>
E>B-Y> = -0.3Е>R>-0.59E>G>+0.11E>B>

Рисунок 3. Структурная схема кодирующей матрицы при воспроизведении синего цвета
При воспроизведении голубого цвета (рис.4)
Е>Y> = 0.3E>R>+0.59Е>G>+0.11Е>B>
E>R>>->>Y> = 0.7E>R>-0.59Е>G>-0.11Е>B>
E>B>>->>Y> = -0.59·Е>G>+0.89·Е>B>+0.59E>R>

Рисунок 4. Структурная схема кодирующей матрицы при воспроизведении голубого цвета
2. Представление аналоговых сигналов в цифровой форме, т. е. в виде двоичных кодовых комбинаций в соответствии с рекомендацией ITU 601.
Рекомендация ITU 601:
n – количество разрядов квантования;
разрядов квантования n = 8, что дает уровней квантования N>КВ> = 28;
Уровень черного Ey - 16-й уровень квантования;
Уровень белого - 235-й уровень квантования;
Уровней квантования - 16 снизу и 20 сверху;
Резервные зоны на случай выхода значений аналогового сигнала яркости за пределы номинального диапазона на 0-м и 255-м уровнях квантования - сигналы синхронизации.
АЦП сигнала яркости:
Y=219·Е'>Y>+16, (3)
где Е'>Y> — аналоговый сигнал яркости, меняющийся 0... 1В
Y- цифровой сигнал яркости, меняющийся от 16 до 235.
При воспроизведении пурпурного цвета Е'>Y> = 0.59 В, т. е.:
Y=219·Е'>Y>+16=219·0.59+16=145.21=1001 0001
При воспроизведении голубого цвета Е'>Y> = 0.3 В, т. е.:
Y=219·Е'>Y>+16=219·0.3+16=81=1010001
У цветоразностных сигналов резервные зоны по 16 уровней квантования сверху и снизу. На АЦП поступает компрессированный цветоразностный сигнал, формируемый:
E'>CB>=0.564·E'>B>>->>Y>, (4)
где E'>CB> изменяется от -0.5 до 0.5 В.
АЦП цветоразностного сигнала:
C>B>=224·E'>CB>+128=126.336·E'>B-Y>+128=126·E'>B-Y>+128, (5)
где 128-й уровень квантования соответствует нулевому значению цветоразностного сигнала.
При воспроизведении пурпурного цвета E'>B>>->>Y> = 0.59, т. е.:
C>B>=126·E'>B>>->>Y>+128=202=11001010
При воспроизведении голубого цвета E'>B>>->>Y> =0.3, т. е.:
C>B>=126·E'>B>>->>Y>+128=165.8=10100101
3. Графики изменения сигналов яркости и цветности во времени в строчном периоде для текстового изображения «градационный клин»


Рисунок 5. Графики изменения сигналов яркости и цветности во времени.
4. Цветовой треугольник внутри локуса
X=0.35; Y=0.4

Рисунок 6. - Цветовой треугольник внутри локуса.
R=0.4
G=0.41
B=0.5
5. Ответ на теоретический вопрос
Область применения построчного, черезстрочного и с кратностью деления на «3» принципа формирования растра
цветность яркость аналоговый сигнал растр
В настоящем разделе анализируются основные законы развертки изображения, принципы формирования построчного и чересстрочного растров, особенности построения синхрогенератора.
Получение чересстрочного растра
В телевидении используется линейная развертка, т. е. развертка с постоянной скоростью вдоль строк и по кадру. При перемещении луча по горизонтали прочерчиваются строки растра, а перемещением луча по вертикали из совокупности строк образуется растр. При построении построчного растра за время развертки по вертикали (TK) прочерчивается z строк. Частоты кадрового и строчного отклонений при построчном способе разложения оказываются связанными друг с другом следующим соотношением:
fz = z · fK, (2.1)
где fz – частота строчной развертки; fK – частота кадровой развертки.
Как известно, максимальная частота ТВ сигнала определяется соотношением fmax = kz2 fK /2, где k = 4/3 – формат кадра, а z = 625 – число строк. С целью сокращения fmax частоту кадровой развертки выбирают минимально возможной, и определяется она минимально необходимым числом фаз в передаче движущегося изображения, при котором движение воспринимается непрерывным. Экспериментально установлено, что для этого частота смены кадров должна быть не менее 16–20 Гц. Именно поэтому для большинства существующих стандартов вещательного телевидения fK= 25 Гц.
Однако при таком значении кадровой частоты оказывается сильно заметным мелькание яркости экрана, поскольку критическая частота мелькания для средней яркости телевизионного изображения равна 48–50 Гц. Эффективным способом увеличения частоты мелькания телевизионного изображения при сохранении неизменной кадровой частоты является применение чересстрочного растра. Кадр чересстрочного растра образуется из совокупности двух полукадров (полей). В первом полукадре развертываются все нечетные строки растра: 1, 3, 5 и т. д., а во втором – четные: 2, 4, 6 и т. д. За период кадра, таким образом, изображение сменится дважды. С этой целью частоту развертки по вертикали увеличивают по сравнению с частотой смены кадров в 2 раза:
fn = 2 fK
где fn - частота развертки по вертикали, т. е. частота полей (полукадров).
При формировании чересстрочного растра основным требованием является размещение строк одного полукадра строго между строками другого. Наиболее просто эта задача решается при нечетном числе строк в растре :
z =2k+1, где k = 1, 2, 3, 4... .
В этом случае в одном полукадре изображения оказываются развернутыми k строк и еще половина строки (рис. 2.1), а так как при развертке одной строки электронный луч успевает переместиться по вертикали на толщину двух строк, строки второго полукадра, начинающиеся с прочерчивания второй половины последней строки первого полукадра, попадут в середины промежутков между строками этого полукадра.
Таким образом, при нечетном числе строк в растре и удвоенной частоте вертикального отклонения по сравнению с построчной разверткой чересстрочный растр формируется автоматически.
Следует иметь в виду, что качество чересстрочного растра, определяемого расположением строк одного поля строго посередине в промежутках строк другого поля, зависит от точности частот генераторов строчного и кадрового отклонения, которая должна удовлетворять соотношению
Нарушение этого соотношения приводит к спариванию строк или даже полному слипанию строк двух полей, что в свою очередь приводит к потере четкости изображения по вертикали.
Особенности структуры синхрогенератора
Для синхронной и синфазной работы развертывающих устройств последние ставятся в режим принудительной синхронизации, для чего в устройстве, называемом синхрогенератором, формируются синхронизирующие импульсы, управляющие работой разверток. Частоты синхронизирующих импульсов определяются стандартом развертки в соответствии с полученными выше соотношениями.
При построчной развертке частота вертикального отклонения равна кадровой частоте fK .
Синхроимпульсы с такими частотами вырабатываются устройством со структурой. Получение синхронизирующих импульсов от одного общего задающего генератора гарантирует жесткую связь их частот в соответствии с соотношением , а это в свою очередь обеспечивает постоянство числа строк в растре даже при нестабильности частоты задающего генератора.
При чересстрочной развертке, как указывалось, частота полей должна быть увеличена вдвое по сравнению с кадровой частотой, и, следовательно, частота кадровых синхроимпульсов связана с частотой вертикального отклонения.
Значение частоты колебаний задающего генератора, равное 2fz , является минимально необходимым. В современных синхрогенераторах задающий генератор настраивается на частоту, во много раз большую 2fz . При этом, однако, выдерживается условие кратности частоты задающего генератора двойной строчной частоте.
Чересстрочная развертка
Произведенный в ранее анализ выражения для высшей частоты fB спектра телевизионного сигнала показал, что пути для уменьшения fB якобы отсутствуют. Однако использование особенностей зрительного восприятия мельканий позволяет сократить ширину спектра телевизионного сигнала. Так, критическая частота мельканий практически не зависит от четкости изображения и снижается с уменьшением его размеров.
Указанные свойства зрения нашли отражение в чересстрочной развертке с кратностью 2:1, при которой каждый кадр изображения передается двумя полукадрами (полями). Вначале передаются нечетные строки — первое поле, а затем четные — второе поле. Два последовательных поля образуют один кадр с полной четкостью. Если частоту передачи полей выбрать больше критической частоты мельканий, например fпол=50 Гц, то изображение будет казаться слитным, без мельканий яркости.
Для получения fB, равной 6 МГц при построчной развертке с zK = 625, необходимо, взять число кадров, равное 25. С целью упрощения построчный растр содержит не 625 строк, а только 7. Однако при такой частоте кадров будут наблюдаться мелькания яркости.
Для их устранения нужно увеличить вдвое частоту вертикальной развертки, чтобы она стала равной 50 Гц. Тогда электронный луч за 1/50 с начертит растр, содержащий только нечетные строки (1, 3, 5-ю и половину 7-й), которые образуют первое поле.
2) Строчной гасящий импульс
Строчные гасящие импульсы подаются на управляющую сетку.
Полный телевизионный сигнал черно-белого изображения. Вершины строчных гасящих импульсов передаются на уровне черного и запирают кинескоп на время обратного хода луча по строке. Поскольку обратный ход строчной развертки в различных экземплярах телевизоров может несколько отличаться, для надежного запирания кинескопа длительность строчного гасящего импульса всегда берется больше длительности обратного хода. Гасящий импульс запирает кинескоп несколько раньше обратного хода и отпирает - позже.
Частоты телевизионных каналов. Продолжительность строчного гасящего импульса составляет 10 - 11 мксек, строчного синхронизирующего импульса 4 4 - 5 1 мксек, кадрового гасящего импульса 1 500 - 1 600 мксек, кадрового синхронизирующего импульса 192 мксек и уравнивающего импульса 2 56 мксек.
На строчных гасящих импульсах размещаются строчные синхроимпульсы с уровнем 25 % размаха сигнала. Длительность гасящих импульсов выбирают большей длительности синхроимпульсов, чтобы на экране телевизора не были видны неравномерности начала и конца строк.
На строчных гасящих импульсах размещаются строчные синхронизирующие импульсы, занимающие остающиеся 25 % размаха сигнала.
Для наблюдения вышеуказанным способом строчного гасящего импульса в телевизоре с АПЧиФ необходимо внести в его схему ряд изменений.
Ключевая схема АРУ. Ль В моменты поступления строчных гасящих импульсов телевизионного сигнала отрицательной полярности катодный ток лампы Л ( резко уменьшается, следовательно, падение напряжения на резисторе RI также резко уменьшается. Лампа Л2 при этом отпирается.
Построчный растр, образуемый электронным лучом передающей ( приемной трубки на прямом ( а и обратном ( б ходу кадровой развертки.| Пилообразные колебания строчных ( а и кадровых ( б отклоняющих токов ( или напряжений. На кинескоп также необходимо подавать строчные гасящие импульсы, чтобы на экране не видны были линии обратного хода.
СИС); f б - строчные гасящие импульсы ( СГИ1); 17 - строчные гасящие импульсы ( СГИ2); 18 - строчные синхронизирующие импульсы ( ССИ); 19-строчные синхронизирующие импульсы ( ССИ1); 20-сигнал синхронизации приемника; 21 - С-вход интегрирующей цепи ( ССП) 22 - выход на интегрирующую цепь ( ССП1) 23 - вход тактового сигнала ( 2 125 МГц) 24 - напряжение питания.
При цветной телевизионной передаче на заднем уступе строчного гасящего импульса передается сигнал цветовой синхронизации, называемый также сигналом цветовой вспышки, в виде 9 периодов колебаний поднесущеи частотой 3 58 МГц. Этот опорный сигнал служит для синхронизации генератора поднесущеи той же частоты в телевизионном приемнике. Генератор воспроизводит в приемнике цветовую поднесущую, которая была подавлена в передатчике. Восстановленная в приемнике поднесущая добавляется к сигналу боковых полос, что необходимо для правильного детектирования сигналов цветности.
При наличии телевизионного сигнала в моменты прохождения строчных гасящих импульсов, когда они совпадают по времени с импульсами обратного хода строчной развертки, лампа Л б отпирается. При этом в ее анодной цепи возникает ток, заряжающий конденсатор С58 таким образом, что его левая по схеме обкладка получает отрицательный потенциал, а правая - положительный. По окончании импульса обратного хода лампа запирается, и конденсатор С58 медленно разряжается через сопротивления R7a, R72, R35, Rss и обмотку ТВС. Создаваемое током разряда конденсатора С5 падение напряжения и используется для АРУ.
Рекомендованная RETMA форма сигналов на выходе синхрогенератора ( пересмотрена 9 октября 1946 г.. Длительность края равна или меньше длительности края строчного гасящего импульса ( см. прим.
В течение этого времени на передающую трубку подаются строчные гасящие импульсы, которые запирают ее для того, чтобы не передавалось изображение.
Спектр частот телевизионного сигнала ( стандарт, одноканальная передача. В конце передачи телевизионных сигналов каждой строки посылаются строчные гасящие импульсы. Их величина строго фиксируется на уровне 75 % полного размаха ( максимальной амплитуды) сигнала. На строчных гасящих импульсах размещаются строчные синхронизирующие импульсы, занимающие остающиеся 25 % размаха сигнала.
Форма сигнала от серого однородного монохромного поля за время передачи одной строки ( включая строчные синхронизирующие импульсы.| Составляющие сигнала за время полного. Он имеет трапецеидальную форму, расположен несимметрично на строчном гасящем импульсе, его амплитуда равна 80 % амплитуды трапецеидального сигнала яркости.
Для этого через суммирующее устройство 3 в микросхеме D1 на нее подаются кадровые и строчные гасящие импульсы.
С) 2, 2R33, положительный импульс приходится на заднюю площадку строчного гасящего импульса, к уровню которого и производится привязка.
Формирование управляющего импульса для схемы фиксации уровня черного. Чтобы схема, изображенная на рис. 12 6, фиксировала видеосигнал на уровне строчных гасящих импульсов, необходимо сформировать специальный управляющий импульс, сдвинутый во времени на 5 - 6 мкс относительно строчного синхроимпульса. Длитель-ность сформированного импульса должна быть меньше длительности задней площадки строчного гасящего импуль4 са, чтобы фиксация видеосигнала происходила строго в пределах этой площадки.
Положительный выброс продифференцированного импульса, совпадающий во времени с моментом прохождения заднего фронта строчного гасящего импульса, через проходной конденсатор 2С15 поступает на диоды 2Д5, 2Д6 и открывает их. При этом разделительный конденсатор 2С14 заряжается по цепи: 7R8a, 7R9, корпус, 7R13, 2R29, 2Д6, 2Д5 до напряжения, соответствующего амплитуде гасящего импульса таким образом, что на его выводе, подключенном к управляющей сетке лампы 2Л1, возникает положительное напряжение.
Сформированный дифференцирующей цепочкой 2С12, 2R33, положительный импульс приходится на заднюю площадку строчного гасящего импульса, к уровню которого и производится привязка.
Таким образом, полный телевизионный сигнал состоит из видеосигнала ( рис. 4.5), строчных гасящих импульсов, кадровых гасящих импульсов, строчных и кадровых синхроимпульсов. Выбирая форму полного телевизионного сигнала, исходят из условия максимального упрощения приемника при одновременном обеспечении устойчивой синхронизации и высокой помехоустойчивости телевизионного приема. Для удовлетворения этого условия во всех вещательных телевизионных системах сигналы синхронизации передаются во время обратного хода строчной и кадровой разверток. Импульсы синхросмеси размещаются на гасящих импульсах за пределами уровня черного и могут быть легко отделены от сигнала изображения методами амплитудной селекции. Возможность выполнить различными по длительности строчные и кадровые синхроимпульсы позволяет сравнительно просто разделить их методами временной селекции, например при помощи дифференцирующих и интегрирующих цепочек. Как видно из рис. 4.6 а б, применение синхросигнала такой формы не обеспечивает синхронизации генератора строчной развертки в период прохождения кадрового синхроимпульса. Поэтому после окончания кадрового синхроимпульса процесс установления частоты генератора строчной развертки происходит не сразу, что может привести к срыву нескольких строк.
УИ отпирают диоды Д1 и Д2 в моменты прохождения задней а и передней площадок строчного гасящего импульса. В остальное время диоды заперты и сигнал проходит через конденсатор С без всяких искажений.
СИС); f б - строчные гасящие импульсы ( СГИ1); 17 - строчные гасящие импульсы ( СГИ2); 18 - строчные синхронизирующие импульсы ( ССИ); 19-строчные синхронизирующие импульсы ( ССИ1); 20-сигнал синхронизации приемника; 21 - С-вход интегрирующей цепи ( ССП) 22 - выход на интегрирующую цепь ( ССП1) 23 - вход тактового сигнала ( 2 125 МГц) 24 - напряжение питания.
Лампы Л и Л17 предназначены для формирования острых отрицательных пиков напряжения, соответствующих заднему фронту строчных гасящих импульсов. Гасящие импульсы с лампы Л2в ( рис. 12 - 9) поступают на Л, дважды усиливаются, проходят через каскад задержки с длинной линией, дифференцируются цепочкой С49, Яш и ограничиваются лампой Ли. С анода правого триода Лп импульсы отрицательной полярности подаются на сетку мультивибратора Л &. До прихода запускающих импульсов левая половина лампы отперта, а правая - заперта. Отрицательный запускающий импульс опрокидывает мультивибратор, обеспечивая перепад напряжения, соответствующий фронту формируемого сигнала. По истечении определенного времени, определяемого параметрами цепи разряда емкости Css, мультивибратор возвращается в исходное состояние.
Поступающий на вход R импульс устанавливает его в нулевое состояние, что соответствует началу формирования строчного гасящего импульса. На инверсном выходе триггера получаются положительные гасящие импульсы длительностью 12 мкс.
Квадратурные составляющие СЦ и их боковые частоты ( модуляция синусоидой.| Цветовая диаграмма в системе. Для подстройки с точностью до фазы местного генератора под-несущей в сигнале t / цтв на задних площадках строчных гасящих импульсов ( см. рис. 3.15) передается сигнал цветовой синхронизации ( СЦС), который представляет собой 8 - 10 периодов колебаний под-несущей частоты.
Телевизионный растр со строками одного поля. С целью устранения этого нежелательного явления в системе предусмотрено пересчегное устройство, которое осуществляет коммутацию головок во время строчного гасящего импульса, когда переход не будет заметен на изображении. Чтобы не происходило накапливания ошибки ( если каждый раз отсчитывать вместо 15 6 строк - 16, то в результате разница в 0 4 длины строки будет суммироваться при переходе от одной магнитной дорожки на другую), пересчетное устройство должно отсчитывать попеременно то 15, то 16 строк так, чтобы переход с магнитной дорожки осуществлялся во время строчного гасящего импульса. Выполнить поставленное условие можно лишь в том случае, если при записи часть строчек, записанных в конце одной магнитной дорожки, повторяется в начале следующей магнитной дорожки. Перекрытие записанных сигналов происходит примерно около двух строк.
Детектор работает только во время прохождения сигналов вспышки, представляющих собой пакеты немодулированных поднесущих, размещенные на задней площадке строчных гасящих импульсов.
Отрицательные выбросы этих импульсов шунтируются диодом Д4, а положительные, совпадающие но времени с моментом прохождения задних площадок строчных гасящих импульсов полного телевизио.
Воспроизведение ТВ сигнала с постоянной составляющей. По ТВ сигналам без ПС ( рис. 2.23) можно убедиться, что информация о составляющей косвенно заключена в размахе строчных гасящих импульсов.
Приведенная на рис. 12, б схема управляемой привязки позволяет осуществить привязку не только верхушек синхроимпульсов, но и уровня строчного гасящего импульса к любому необходимому потенциалу.
Принципиальная схема модуля выходного видеоусилителя М2 - 4 телевизора Шилялис Ц-401.
Для исключения ее нежелательного изменения при регулировке контрастности или смене передаваемого сюжета осуществляется стробк-рование видеосигнала в момент, соответствующий спаду строчного гасящего импульса; этим обеспечивается привязка к уровню черного в ПЦТС.
Новые обозначения интервалов времени кадрового гасящего и. Длительности отдельных участков строчных гасящего и синхронизирующего импульсов и допуски на них выбраны такими, что минимальная длительность задней площадки строчного гасящего импульса составляет не менее 5 мксек, что необходимо для хорошей работы схем фиксации уровня черного и для размещения цветовой вспышки в системе цветного телевидения при поднесущей частоте не ниже 4 43 Мгц.
За счет интегрирования достигается некоторая задержка формируемого импульса во времени, что обеспечивает его более точное совмещение с плоской частью задней площадки строчного гасящего импульса.
Схема используется в цветных телевизионных приемниках для синхронизации генератора цветовой поднесущей сигналом в виде 9 периодов колебаний, передаваемым на заднем уступе строчного гасящего импульса.
Что касается возможностей дальнейшего развития, то система НИИР имеет два преимущества для передачи через космические спутники: не имея вспышек на строчных гасящих импульсах, она позволяет легче передавать звуковое сопровождение в одном канале с изображением; кроме того, в сравнении с NTSC и PAL она менее критична к изменению частоты поднесущей за счет эффекта Доп-плера, вызванного движением спутника.
Формирователь сигналов цветовой синхронизации, на который поступают сигналы от генератора частотой 3 58 МГц, вырабатывает 9-периодный сигнал частотой 3 58 МГц, который передается на заднем уступе строчного гасящего импульса и служит для синхронизации генератора поднесущей в приемнике ( см. разд. Все сигналы, включая синхронизирующие сигналы и гасящие импульсы строк и полей, складываются в сумматоре. Сформированный таким образом полный телевизионный сигнал подается на усилитель-модулятор, где при необходимости он усиливается, и затем поступает на оконечный модуляционный каскад, работающий в режиме усиления класса С. Как и в других передатчиках с AM, здесь используется генератор с кварцевой стабилизацией. Сигналы с этого генератора умножаются по частоте, усиливаются и подаются на усилитель класса С. Для передачи сигналов звукового сопровождения используется отдельный передатчик с ЧМ. Таким образом, в телевизионном передающем устройстве используются два передатчика: один с амплитудной, а другой с частотной модуляцией.
Схема ограничения тока лучей с использованием дифференциального усилителя.| К пояснению особенностей фиксации уровня черного. В телевизоре ЗУСЦТ информация об установленной яркости передается с помощью специально установленного опорного уровня ( площадки), который не зависит от уровня черного и белого в передаваемом изображении и создается на участке телевизионного сигнала, отведенного для передачи строчного гасящего импульса. Площадка формируется в усилителе канала яркости 1.2 ИС D1 ( рис. 4.2), куда через вывод 3 с контакта 11 соединителя Х4 ( A3) и резистор R28 поступают импульсы обратного хода строчной развертки.
Обеспечить выполнение условия (10.5) чрезвычайно трудно, а в ряде случаев практически и невозможно из-за малой допустимой величины At / и, как следствие, из-за большого Rin - Поэтому постоянная времени заряда получается сравнительно большой и конденсатор Cg не успевает зарядиться за время действия строчного гасящего импульса или импульса видеосигнала. Rin изменение уровня фиксации практически незначительно.
Полный цветовой телевизионный сигнал отрицательной полярности. ЗГСР ог фронта гасящих импульсов с изломом вертикальных линий на экране телевизора ( при ограничении сигнала с уменьшением 3 - размаха СИ); 3 - излом вертикальных линий при ограничении строчных СИ; 4 - стробирование в устройстве привязки к уровню черного; 5 - сигнал цветности синей строки; 6 - строчной гасящий импульс; 7 - строчный СИ ( в канал синхронизации); 8 - номинальный уровень синхронизации; ( уровень срабатывания ключевой АРУ); 9-в устройство построчной цветовой синхронизации; 10-номинальный уровень черного; II - в канал яркости; 12-в канал цветности; 13 - номинальный уровень белого.
Для наблюдения строчных синхронизирующего и гасящего импульсов следует отключить схему АПЧиФ, для этого замкнуть конденсатор 4С28 ( в телевизоре УЛТ-47 / 59 / 61 - П-3 / 4), регулятор Частота строк установить так, чтобы на экране кинескопа по горизонтали были видны два неполных изображения, отделенные друг от друга широкой серой вертикальной полосой, соответствующей строчному гасящему импульсу. На серой полосе имеется еще черная полоса, соответствующая синхронизирующему импульсу. При правильном соотношении уровней в видеосигнале гасящий импульс несколько темнее черных деталей изображения, а синхронизирующий импульс значительно темнее гасящего импульса.
В системе Орбита, как и в системе спутниковой связи Мол-ния - 1, применен импульсный метод передачи звукового сопровождения, не требующий расширения полосы частот радиоканала п основанный на использовании избыточности телевизионных сигналов. Во время строчных гасящих импульсов передаются импульсы, несущие информацию о звуке. На приемном конце космической линии связи эти импульсы выделяются из телевизионного сигнала и преобразуются специальным устройством в звуковой сигнал.
Стандарт формы сигнала на выходе передатчика изображения ( стандарт RETMA. На 1 - 3 строчной масштаб не выдержан.
Передний и задний края строчного гасящего импульса должны быть достаточно крутыми, чтобы соответствовать указанным минимальной и максимальной величинам ( х у) и ( i) при любом содержании изображений. Площадь уравнивающего импульса должна быть равна 0 45 - 0 5 площади строчного синхроимпульса. Объяснения и допуски указаны в тексте. Величина х не определена, но изменяется в зависимости от характера изображения.
На рис. 6.9 проиллюстрированы различные телевизионные синхросигналы. Строчные синхроимпульсы находятся на строчных гасящих импульсах, благодаря чему линий обратного хода не видно. Видеоинформация передается в интервалы времени между строчными гасящими импульсами. При передаче кадровых синхроимпульсов также необходимо гасить экран, но уже на более длительное время, чем при передаче строчных синхроимпульсов. Однако в течение времени запирания трубки кадровым гасящим импульсом необходимо осуществлять синхронизацию генератора строчной развертки, так как иначе по окончании действия кадрового гасящего импульса невозможно засинхронизовать генератор строчной развертки. Уравнивающие импульсы имеют слишком малую длительность, чтобы запустить генератор кадровой развертки, однако они обеспечивают синхронизацию генератора строчной развертки.
Формирование ступенчатого видеосигнала. Импульсы мультивибратора через усилительный каскад поступают на мультивибратор 2 и синхронизируют его на частоте nfz. Смеситель 2 предназначен для заведения строчных гасящих импульсов с мультивибратора / и сигнала цветовой поднесущей, подаваемого на вход прибора.
Другой вариант применения двойного триода для получения смеси строчных и кадровых гасящих импульсов Изображен на рис. 12.23. Принцип работы этой схемы основан на том, что при поступлении на управляющую сетку кадрового гасящего импульса на общей катодной нагрузке образуется напряжение, запирающее правую половину двойного триода. Так как на управляющую сетку правой половины двойного триода подаются строчные гасящие импульсы, то с анода будет сниматься комбинация импульсов требуемой формы.
Упрощенная форма телевизионного сигнала. Полный телевизионный сигнал, передаваемый на приемную сторону, достаточно сложен. Он включает в себя видеосигнал, кадровые и строчные синхронизирующие импульсы, а также кадровые и строчные гасящие импульсы.
Униполярность видеосш нала обусловливает необходимость передачи его средней составляющей, изменяющейся при смене сюжета с частотой до нескольких герц. Как уже отмечалось, передача столь низких частот в телевидении осуществляется косвенным методом посредством амплитудной модуляции строчных гасящих импульсов. Это позволяет в любом месте телевизионного тракта восстановить среднюю составляющую сигнала путем фиксации уровня черного, соответствующего вершинам гасящих импульсов.
Вершины строчных гасящих импульсов передаются на уровне черного и запирают кинескоп на время обратного хода луча по строке. Поскольку обратный ход строчной развертки в различных экземплярах телевизоров может несколько отличаться, для надежного запирания кинескопа длительность строчного гасящего импульса всегда берется больше длительности обратного хода. Гасящий импульс запирает кинескоп несколько раньше обратного хода и отпирает - позже.
ЗАКЛЮЧЕНИЕ
В данной работе был разработан телевизионный приемник. Для него были рассчитаны амплитуды цифровых сигналов яркости и цветности при передаче элементов белого и желтого цвета.
Для матрицы на девяти сопротивлениях для формирования Е>Y> и Е>R>>->>Y>, Е>B>>->>Y> сигналов рассчитаны коэффициенты матрицирования. Рассчитанные амплитуды цифровых сигналов яркости и цветности переведены в цифровую форму, согласно Рекомендации ITU 601.
Также были построены графики изменения этих сигналов во времени в строчном периоде для тестового изображения «градационный клин» и отмечены рассчитанные значения амплитуд сигналов.
В процессе выполнения курсовой работы проведено уяснение принципа формирования цифрового треугольника.
СПИСОК ЛИТЕРАТУРЫ
1. Основы радиосвязи и телевидения. Конспект лекций. С. В. Коньшин, А. Д. Сартбаев. – АИЭС. Алматы, 2003. – 80 с.
2. Радиовещание и электроакустикс: Учебное пособие/А. З. Айтмагамбетов, Г. Г. Сабдыкеева. – АИЭС. Алматы, 1998. – 80 с.
3. Телевидение: Учебник для вузов. Под ред. В. Е. Джаконии. – М.: Радио и связь, 2004. – 616 с.
4. Смирнов А. В. Основы цифрового телевидения: Учебное пособие. – М.: Горячая линия – Телеком, 2001. – 224 с.
5. Смирнов А. В. Пескин А. Е. Цифровое телевидение: от теории к практике. – М.: Горячая линия – Телеком, 2005. – 352 с.