Средства постановки помех и помехозащиты (работа 1)
ФЕДЕРАЛЬНОЕ АГЕНТСТВО ПО ОБРАЗОВАНИЮ
РЯЗАНСКИЙ ГОСУДАРСТВЕННЫЙ РАДИОТЕХНИЧЕСКИЙ УНИВЕРСИТЕТ
КАФЕДРА РАДИОТЕХНИЧЕСКИХ СИСТЕМ
ПОЯСНИТЕЛЬНАЯ ЗАПИСКА
к курсовой работе по дисциплине
«Теоретические основы радиоэлектронной борьбы»
Тема
«СРЕДСТВА ПОСТАНОВКИ ПОМЕХ И ПОМЕХОЗАЩИТЫ»
Рязань 2007г.
ЗАДАНИЕ НА КУРСОВУЮ РАБОТУ
по дисциплине «Теоретические основы радиоэлектронной борьбы»
Студент Артемов Игорь Витальевич код ________ группа 311
Тема: «СРЕДСТВА ПОСТАНОВКИ ПОМЕХ И ПОМЕХОЗАЩИТЫ РЛС»
Срок представления курсовой работы к защите « 10 » мая 2007 г.
Исходные данные для проектирования:
а). Исходные данные к курсовой работе:
Тип РЛС: РЛ головка самонаведения;
Параметры РЛС: дальность обнаружения цели не менее
R= 200+10*1=210км (7 –номер по журналу);
определяемые координаты цели: угловые координаты, скорость
Параметры цели:
ЭПР цели Е=(7 1/5)= 6.8 м2, максимальная скорость цели V=(1000-10*1)= 990 м/с;
Виды применяемых помех: помеха от земной поверхности, помеха радиовзрывателю;
б). Требования к проекту
Разработать алгоритмы, структурные схемы постановщика помех и средств помехозащиты радиолокационной станции, провести анализ эффективности применения средств помехопостановки и помехозащиты.
1. Введение
В современных условиях развитие и использование вооружений и военной техники характеризуются высокой насыщенностью их радиоэлектронным оборудованием, обеспечивающим решение задач автоматического или автоматизированного ведения разведки, связи, управления и наведения оружия. Последние региональные конфликты (Ирак, Югославия) подтверждают высокую боевую эффективность высокоточного оружия (ВТО).
В настоящее время ВТО позволяет оперативно, с минимальными потерями уничтожить большинство наземных, морских, воздушных, а в ближайшем будущем и космических целей. Такая высокая эффективность современного оружия обеспечивает, например, уничтожение до 80% самолетов противника в первой проводимой воздушной операции.
В связи с этим, данная работа представляет собой огромнейший интерес, в плане изучения аспектов реальной радиоэлектронной войны. Дается возможность для самостоятельного проектирования РЭС обеих сторон радиоэлектронного конфликта, приобретения навыков оценки преимуществ и недостатков тех или иных способов радиоэлектронного подавления, и радиоэлектронной защиты.
2. Анализ задачи и её формализация
В данной курсовой работе необходимо произвести эскизный расчёт параметров РЛ головки самонаведения, в соответствии с параметрами этой ГСН разработать алгоритмы работы и структурные схемы оборудования постановки помехи от земной поверхности, а также помех радиовзрывателю, установленному на этой ГСН и устройств защиты для этой РЛ ГСН.
Такой тип ГСН применяется, например, в зенитных управляемых ракетах (ЗУР), для обеспечения поражения воздушных целей (самолетов, крылатых ракет). Непосредственно до цели, ракета может лететь по наведению с так называемого, радиолокатора подсветки и наведения (РПН), с помощью командной системы теленаведения; а уже непосредственно, за 40-50 км до цели включается радиолокатор на самой ракете. Это позволяет значительно увеличить точность попадания ракеты в цель при стрельбе на больших дальностях.
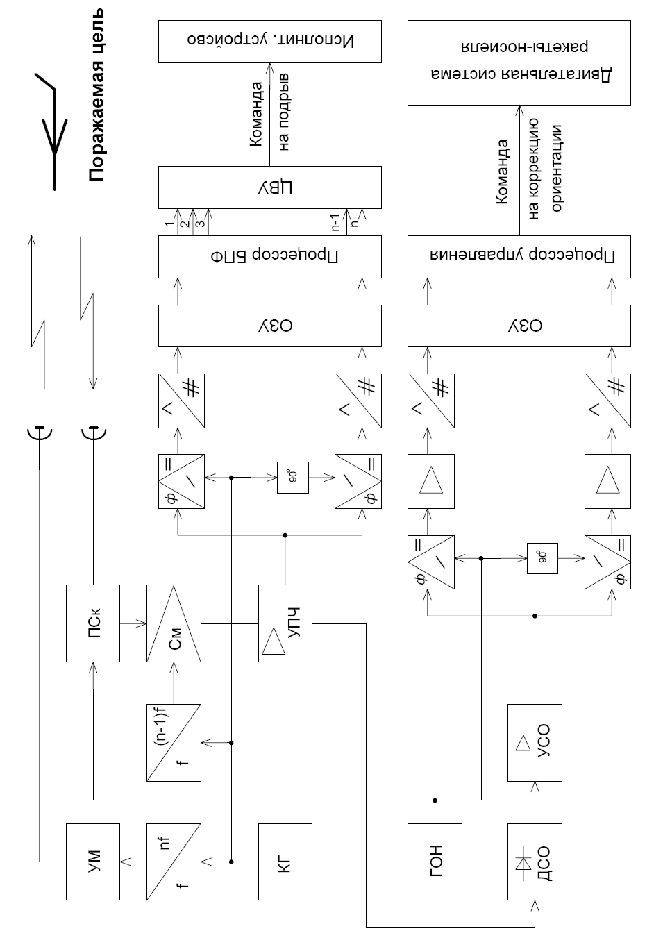
В соответствии с ТЗ ГСН должна определять угловые координаты цели и скорость, без измерения дальности до цели. Это значит, что можно применять режим непрерывного излучения. Технически это можно реализовать с помощью следящего измерителя углового положения с коническим сканированием. Для сокрытия частоты сканирования целесообразно применить две независимые на прием и передачу антенны. Непосредственно сканирование, осуществляет приемная антенна, которая имеет более узкую ДН, передающая антенна же, излучает в более широком секторе. Хотя это уменьшит точность наведения ракеты, из-за уменьшения в два раза глубины амплитудной модуляции, зато исключит возможность измерения противником частоты сканирования, и в целом, эффективность системы, при воздействии помех увеличится.
Измерение скорости поражаемой цели основано на эффекте Доплера. Доплеровский измеритель скорости можно выполнить по алгоритму быстрого преобразования Фурье (БПФ). Команда на подрыв боевой части ракеты будет выдана вычислительным устройством исполнительному устройству, при одновременном выполнении двух условий: превышении сигналом от цели порога, в каком то из каналов по скорости и понижении частоты Доплера ниже частотного порога.
В соответствии с ТЗ ЭПР цели (E= 6.8 м2), что характерно для тяжелого истребителя-бомбардировщика. Максимальная скорость цели V>max>=990 м/с (около трех скоростей звука) является реально достижимой существующими средствами воздушного нападения (СВН) вероятного противника. Предлагаемый техническим заданием тип помех, это помеха от земной поверхности и помеха радиовзрывателю.
Первый тип помех заключается в отражении сигнала ГСН от подстилающей поверхности. Сигнал принимается приемным устройством ГСН, при этом возможна ситуация, когда этот ложный сигнал будет принят за истинный и ракета перенацелившись на «ложную цель», собьётся с курса (Рис.1).

Второй тип помех подразумевает прием сигнала разведывательными средствами, и оценку ими параметров излучения ГСН, с последующим излучением сигнала помехи в направлении ГСН. При этом возможны некоторые вариации, например, аппаратура постановки помех данного типа может находиться как на самом атакуемом ЛА, так и в отстреливаемых, в направлении ГСН ловушках. Один из вариантов предполагает преждевременное срабатывание радиовзрывателя, в этом случае, сигнал помехи должен имитировать превышение порога сигналом от реальной цели, но на дальности недостаточной для гарантированного уничтожения. В другом случае помеха как бы исключает срабатывание радиовзрывателя, что обеспечивается смещением частоты колебаний помехи на частоту Доплера относительно измеренного в приемном устройстве значения частоты (Рис.2).

Эскизный расчёт параметров РЛ головки самонаведения.
Как уже упоминалось ранее, для
конструирования ГСН был принят метод,
использующий непрерывное излучение.
Для данного типа ГСН характерен
сантиметровый диапазон рабочих частот
от 1 до 10 сантиметров. В соответствии с
атмосферными окнами прозрачности и
допустимыми размерами раскрыва антенной
системы приемлема длина волны
.
На этих частотах, как правило, можно
создать достаточно узкие ДН. Достаточная
ширина ДН приемной антенны
.
Сканирование будет осуществляться в
секторе ±15º. Достаточная ширина ДН
передающей антенны будет равна
.
Рассчитаем раскрыв передающей антенны
необходимый для формирования заданной
ширины ДН:
,
где
-
коэффициент, учитывающий величину
амплитудных искажений.
Рассчитаем коэффициент усиления передающей антенны:

Рассчитаем раскрыв приемной антенны:

Коэффициент усиления приемной антенны:

Эквивалентная площадь приемной антенны:

Определим максимально возможную частоту Доплера, которая может возникнуть в том случае, если ракета и цель сближаются на встречных курсах с максимальными скоростями. Максимальная скорость существующих образцов ЗУР порядка 4-5 скоростей звука, выберем V>missle>=1310 м/с.

Выберем число каналов по скорости N=1000. Соответственно разрешение по частоте Доплера будет равно:
Для реализации каналов скорости необходимо применить N-точечное быстрое преобразование Фурье.
Вероятность правильного
обнаружения задается
.
Вероятность ложной тревоги на всю
систему
.
Вероятность ложной тревоги в одном
канале

Рассчитаем пороговое отношение сигнал/шум:

Эффективная полоса приемного устройства:

Рассчитаем мощность шума:
,
где
-
постоянная Больцмана, К>ш>-коэффициент
шума приёмного устройства. Минимальная
мощность сигнала необходимая для его
обнаружения:
.
Рассчитаем среднюю мощность
РЛС, исходя из обеспечения необходимой
энергетической дальности, применив
основное уравнение радиолокации (Рис.3).
Необходимую энергетическую дальность
выберем
,
до этого расстояния ГСН, ведется командной
системой наведения. Это позволяет
оттянуть момент пеленгации ракеты
пассивными средствами радиотехнической
разведки противника, и повысить живучесть
ЗУР.


Подрыв боевой части происходит, если ЗУР приблизилась к цели на расстояние необходимое для гарантированного подрыва. Например, зенитно-ракетный комплекс С-300, поражает цель с помощью одной ЗУР с вероятностью 0.9 при попадании ракеты в зону радиусом 100 м от цели. Исходя из этих соображений, необходимо рассчитать порог срабатывания радиовзрывателя, установленного в ГСН. Расчет производиться исходя из основного уравнения радиолокации. Необходимая пороговая мощность на входе приемного устройства ГСН для срабатывания исполнительного устройства равна:
Эта пороговая мощность требуется для дальнейших расчетов, в частности, расчета необходимой мощности передатчика помех радиовзрывателю.
3. Расчёт параметров помехопостановщика (мощность передатчика помех, средств создания помех, параметров помех)
Аппаратура постановки помех для преждевременного срабатывания радиовзрывателя, как правило, устанавливается на вероятный объект атаки, в данном случае, истребитель-бомбардировщик. Это в свою очередь, накладывает массогабаритные ограничения на данную аппаратуру, что ограничивает возможную максимальную мощность выставляемой помехи.
Как уже упоминалось ранее для
преждевременного подрыва необходимо,
чтобы мощность сигнала на входе приемного
устройства ГСН превысила пороговое
значение
.
Надо учитывать что самолет, являющийся
целью находится в условиях априорной
неопределённости по отношению к
направлению пуска в него ЗУР, поэтому
диаграмма направленности АС аппаратуры
постановки помех должна быть достаточно
широка. Зададимся коэффициентом усиления
G>пап>
порядка 10.
Исходя из этих условий можно рассчитать и построить зависимость необходимой мощности передатчика помех от расстояния между ракетой и целью на котором может произойти преждевременный подрыв P>пап>(R>detonate>) (Рис.4).

На рисунке 4 хорошо видно, что для обеспечения подрыва на дальностях свыше 2.5 км на борту самолета необходимо иметь передатчик помех мощностью свыше 1 кВт.

С другой стороны (Рис.5), наибольшее расстояние, на котором самолет может быть уничтожен это приблизительно 100 м. При увеличении расстояния вероятность уничтожения быстро падает, можно с уверенностью сказать, что, начиная с 200-300 метров, она практически уменьшается до нуля. Отсюда видно, что, в принципе, на борту достаточно иметь передатчик мощностью, ориентировочно 150-300 Вт, что вполне удовлетворяет массогабаритным требованиям, и практически реализуемо.
Еще один очень важный момент заключается в том, что одновременно с превышением порога, сигнал должен попасть в тот скоростной канал приемного устройства, который соответствует пороговому значению частоты Доплера, или более низкому по частоте каналу. Это необходимо учитывать из-за того, что радиовзрыватель выдает команду на подрыв при выполнении этих двух условий (Рис.6).

Согласование моментов времени в данном случае очень затруднено. Применяют гораздо более надежный способ. На рисунке 7,а приведена схема устройства преобразования частоты, при котором начальный сдвиг частоты может быть равен нулю, но скорость перемещения спектральных линий остается высокой. В этом устройстве используются два фазовых модулятора, соединенных последовательно. В первом фазовая модуляция осуществляется положительным пилообразным сигналом со случайным изменением частоты в интервале от fa до fв (рис.7,б). Величины fa и fв могут быть выбраны достаточно высокими (от 100 до 200 кГц).

У второго модулятора фазовая модуляция производится пилообразным сигналом фиксированной частоты (fa + fв)/2, как показано на рисунке 7,в. Отрицательный наклон пилообразного напряжения этого сигнала сдвигает частоту в область низких частот, так что центральная частота спектра помехи по скорости теперь совместится с частотой входного РЛ сигнала ГСН.
Помеха от земной поверхности отличается тем, что её частота Доплера определяется только скоростью движения самой ракеты, например, для


4. Расчёт зон прикрытия помехами (пассивными и активными)
Зададимся мощностью передатчика P>пап >= 150 Вт. По приведенным в пункте 3 графикам можно нарисовать примерную зону прикрытия самолета-цели активной помехой радиовзрывателю (Рис.8).

Видно, что максимальная дальность преждевременного подрыва составляет около 1.1 км. На рисунке также показана минимальная дальность подрыва, при которой самолет-цель гарантированно остается невредимым. Непосредственно зона прикрытия составляет кольцо шириной до 900 метров, так как ближе 200 метров говорить о каком либо прикрытии смысла не имеет, так как вероятность уничтожения начинает увеличиваться.
5. Расчёт параметров средств помехозащиты (алгоритма помехозащиты, структуры и параметров)
Как уже было сказано ранее, проектируемая РЛ головка самонаведения произведет подрыв боевой части ракеты при выполнении двух условий, превышения сигнала по амплитуде и нахождении этого сигнала в скоростном канале ниже по частоте Доплера, чем пороговый, или в самом пороговом канале.

На практике ракета сбивает цель, не точно попадая в нее, а взрываясь на некотором расстоянии ΔR. На рисунке 9 видно, что чем больше составляет этот промах ΔR, тем менее круто идет зависимость частоты Доплера от времени. Таким образом, возможны различные ситуации, в зависимости от направления сближения, ракеты с целью.
Борьба с помехой радиовзрывателю, использующей псевдослучайную модуляцию, выполняется программно. Применяется когерентное накопление на БПФ. Применяется система автоматического сопровождения по скорости (АСС). В целом, разработка такой системы является очень сложной задачей.
Система АСС берет на сопровождение цели, имеющие первоначально постоянную частоту Доплера, и ведет их, отслеживая изменение частоты. Таким образом, если, сигнал возникнет внезапно, в пороговом канале по скорости, то он будет принят за ложный. На рисунке 10 показано сигнал, не состоявший на автосопровождении, но выполнивший оба условия подрыва, был правильно квалифицирован как ложный.

Борьба с помехой от земной поверхности основана на том, что доплеровское смещение отраженного от подстилающей поверхности сигнала будет зависеть только от скорости ракеты относительно земли. Таким образом, сигнал этой помехи постоянно будет находиться в канале БПФ-фильтра, соответствующем скорости ракеты. В данном случае номер канала будет равен:

Алгоритм борьбы сводиться к вычислению номера канала скорости, на основании данных датчика скорости (Рис.11) и бланкирования данного канала процессором БПФ по команде с вычислительного устройства.

6. Анализ эффективности применения комплекса помех и средств помехозащиты
Анализ эффективности применения помех и комплекса помехозащиты представляет собой сложную математическую задачу, выходящую за рамки данной курсовой работы, решаемую с помощью методов математического моделирования.
Эффективность помехи радиовзрывателю, будет тем выше, чем точнее будут измерены параметры сигнала РЛ ГСН, и чем точнее помеха будет приближаться по своим характеристикам к реальному сигналу.
Надо отметить, что при мощности передатчика помех в 150 Вт, при уменьшении расстояния между ракетой и целью с 1.1 км, до 200 метров вероятность преждевременного срабатывания радиовзрывателя увеличивается. Так, например, если на расстоянии 1.1 км мощность помехи на входе РЛ ГСН находится на пороговом уровне (Рис.4,5), то уже на расстоянии в 450 метров эта мощность превышает его уже в пять раз. Сигнал такого уровня заставит сработать автоматическую регулировку усиления (АРУ) РЛ ГСН, что в свою очередь может подавить сигнал от реальной цели.
7. Оценка требований к программно-аппаратным ресурсам средств конфликтующих сторон
Обработка РЛИ в рассматриваемой РЛ головке самонаведения, как и обработка развединформации в устройстве постановки помех, должна осуществляться в режиме реального времени, это предполагает предъявление соответствующих требований к быстродействию устройств осуществляющих эту обработку.
Цифровая обработка РЛИ требует предварительного преобразования сигналов в цифровую форму с помощью АЦП. В таких устройствах производиться дискретизация по времени, с дискретом

В соответствии с теоремой Котельникова. Например, в нашем случае, дискрет АЦП в канале измерения скорости

что может быть реализовано на современной элементной базе. Быстродействие АЦП определяется затратами на преобразование, которые должны быть меньше длительности временного дискрета

где m- число разрядов АЦП. Если быстродействия АЦП не хватает, то переходят к устройству с двумя квадратурными каналами, в которых включены два АЦП.
Аналогичные требования предъявляются и к быстродействию АЦП РПрУ устройства постановки помех.
8. Выбор и технико-экономическое обоснование технологической базы для реализации проекта
Техническая реализация фильтровых устройств возможна на фильтрах с быстрым преобразованием Фурье (БПФ), а также на микропроцессорах DSP. Всё большую роль в цифровой обработке РЛИ начинают играть программируемые логические интегральные микросхемы (ПЛИС), которые обладают гибкой структурой и возможностью смены программы, в отличие, например от микропроцессоров.
Несколько слов об АЦП. В настоящее время быстродействие использующихся образцов характеризуется частотой дискретизации

например, АЦП AD 6644 фирмы Analog Device (США) имеет

при 14 разрядах кода, динамическом диапазоне 73 дБ и частоте входного сигнала до 39 МГц.
9. Составление структурной схемы устройства и описание её работы
Упрощённая структурная схема устройства постановки помех радиовзрывателю изображена на рис.12. В разведывательном радиоприёмном устройстве (РПрУ) производиться измерение параметров подавляемой РЛ ГСН. Генератор (Г), генерирует колебания несущей частотой равной несущей РЛ ГСН.

В дальнейшем, промодулированный соответствующим образом сигнал, поступает на модулятор и излучается в пространство.
Сигнал о наличии приближения ракеты передается на блок управления, который во взаимодействии с бортовой цифровой вычислительной машиной (БЦВМ) всего самолета, принимает решение на включение всех составных частей устройства, для генерации помехи радиовзрывателю.
зенитный ракета радиолокационный помехозащита
10. Заключение
В результате выполнения курсовой работы было эскизное проектирование радиолокационной головки самонаведения зенитной управляемой ракеты, средства постановки помех радиовзрывателю данной ЗУР, а также были разработаны алгоритмы защиты от помех.
В связи с этим можно сказать, что все требования ТЗ были осуществлены в полной мере и все поставленные курсовой работой цели были выполнены.
11. Список использованных источников
Бакулев П.А. Радиолокационные системы. - М.,: Радиотехника, 2004 г.
Радзиевский В.Г., Сирота А.А. Теоретические основы радиоэлектронной разведки. - М.,: Радиотехника, 2004 г.
Перунов Ю.М., Фомичев К.И., Юдин Л.М. Радиоэлектронное подавление информационных каналов систем управления оружием. – М.: Радиотехника, 2003 г.
Кошелев В.И. Теоретические основы радиоэлектронной борьбы. – Конспект лекций.
12. Графические материалы
Общая структурная схема радиолокационной головки самонаведения, имеет вид
