Полупроводниковые приборы (работа 1)
Содержание
Полупроводниковые приборы
Полупроводниковый диод
Туннельный диод
Стабилитрон
Полупроводниковый стабилитрон
Варикап
Транзистор
Полевой транзистор
Тиристор
Полупроводниковые приборы
Это электронные приборы, действие которых основано на электронных процессах в полупроводниках. В электронике П. п. служат для преобразования различных сигналов, в энергетике - для непосредственного преобразования одних видов энергии в другие.
Известно много разнообразных способов классификации П. п., например по назначению и принципу действия, по типу материала, конструкции и технологии, по области применения. Однако к основным классам П. п. относят следующие: электропреобразовательные приборы, преобразующие одни электрические величины в др. электрические величины (полупроводниковый диод, транзистор, тиристор); оптоэлектронные приборы, преобразующие световые сигналы в электрические и наоборот (оптрон, фоторезистор, фотодиод, фототранзистор, фототиристор. полупроводниковый лазер, светоизлучающий диод, твердотельный преобразователь изображения - аналог видикона и т.п.); термоэлектрические приборы, преобразующие тепловую энергию в электрическую и наоборот (термоэлемент, термоэлектрический генератор, солнечная батарея, термистор и т.п.); магнитоэлектрич. приборы (датчик, использующий Холла эффект, и т.п.); пьезоэлектрический и тензометрический приборы, которые реагируют на давление или механическое смещение. К отдельному классу П. п. следует отнести интегральные схемы, которые могут быть электропреобразующими, оптоэлектронными и т.д. либо смешанными, сочетающими самые различные эффекты в одном приборе. Электропреобразовательные П. п. - наиболее широкий класс приборов, предназначенных для преобразования (по роду тока, частоте и т.д.), усиления и генерирования электрических колебаний в диапазоне частот от долей гц до 100 Ггц и более; их рабочие мощности находятся в пределах от < 10-12 вт до нескольких сотен вт, напряжения - от долей в до нескольких тыс. в и ток - от нескольких на до нескольких тыс. а. В зависимости от применяемого полупроводникового материала различают германиевые, кремниевые и др.П. п. По конструктивным и технологическим признакам П. п. разделяют на точечные и плоскостные; последние, в свою очередь, делят на сплавные, диффузионные, мезапланарные, планарные (наиболее распространены, см. Планарная технология), эпипланарные и др. В соответствии с областью применения различают высокочастотные, высоковольтные, импульсные и др.П. п.
П. п. выпускают в металлостеклянных, металлокерамических или пластмассовых корпусах, защищающих приборы от внешних воздействий; для использования в гибридных интегральных схемах выпускаются т. н. бескорпусные П. п. (см. Микроэлектроника). Номенклатура П. п., выпускаемых во всех странах, насчитывает около 100 000 типов приборов различного назначения.

Рис.1. Полупроводниковый диод с р-n - переходом (структурная схема)

Рис.2. Вольтамперная характеристика полупроводникового диода с р-n – переходом
Полупроводниковый диод
Полупроводниковый диод, двухэлектродный электронный прибор на основе полупроводникового (ПП) кристалла. Понятие "П. д." объединяет различные приборы с разными принципами действия, имеющие разнообразное назначение. Система классификации П. д. соответствует общей системе классификации полупроводниковых приборов. В наиболее распространённом классе электропреобразовательных П. д. различают: выпрямительные диоды, импульсные диоды, стабилитроны, диоды СВЧ (в т. ч. видеодетекторы, смесительные, параметрические, усилительные и генераторные, умножительные, переключательные). Среди оптоэлектронных П. д. выделяют фотодиоды, светоизлучающие диоды и ПП квантовые генераторы.
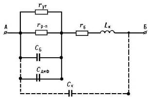
Наиболее многочисленны П. д., действие которых основано на использовании свойств электронно-дырочного перехода (р-n-перехода). Если к р-n-переходу диода (рис.1) приложить напряжение в прямом направлении (т. н. прямое смещение), т.е. подать на его р-область положительный потенциал, то потенциальный барьер, соответствующий переходу, понижается и начинается интенсивная инжекция дырок из р-области в n-область и электронов из n-области в р-область - течёт большой прямой ток (рис.2). Если приложить напряжение в обратном направлении (обратное смещение), то потенциальный барьер повышается и через р-n-переход протекает лишь очень малый ток неосновных носителей заряда (обратный ток). На рис.3 приведена эквивалентная схема такого П. д.
На резкой несимметричности вольтамперной характеристики (ВАХ) основана работа выпрямительных (силовых) диодов. Для выпрямительных устройств и др. сильноточных электрических цепей выпускаются выпрямительные П. д., имеющие допустимый выпрямленный ток I>в> до 300 а и максимальное допустимое обратное напряжение U*>обр >от 20-30 в до 1-2 кв.П. д. аналогичного применения для слаботочных цепей имеют I>в>> >< 0,1 а и называются универсальными. При напряжениях, превышающих U*>o6p>, ток резко возрастает, и возникает необратимый (тепловой) пробой р-n-перехода, приводящий к выходу П. д. из строя. С целью повышения U*>обр >до нескольких десятков кв используют выпрямительные столбы, в которых несколько одинаковых выпрямительных П. д. соединены последовательно и смонтированы в общем пластмассовом корпусе. Инерционность выпрямительных диодов, обусловленная тем, что время жизни инжектированных дырок (см. Полупроводники) составляет > 10-5-10-4 сек, ограничивает частотный предел их применения (обычно областью частот 50-2000 гц).
Использование специальных технологических приёмов (главным образом легирование германия и кремния золотом) позволило снизить время переключения до 10-7-10-10 сек и создать быстродействующие импульсные П. д., используемые, наряду с диодными матрицами, главным образом в слаботочных сигнальных цепях ЭВМ.

Рис.3. Полупроводниковый диода с р-n – переходом

Рис.4. Вольтамперные характеристики туннельного и обращенного диодов
При невысоких пробивных напряжениях обычно развивается не тепловой, а обратимый лавинный пробой р-n-перехода - резкое нарастание тока при почти неизменном напряжении, называется напряжением стабилизации Ucт. На использовании такого пробоя основана работа полупроводниковых стабилитронов. Стабилитроны общего назначения с U>c>т от 3-5 в до 100-150 в применяют главным образом в стабилизаторах и ограничителях постоянного и импульсного напряжения; прецизионные стабилитроны, у которых встраиванием компенсирующих элементов достигается исключительно высокая температурная стабильность Ucт (до 1×10-5 - 5×10-6 К-1), - в качестве источников эталонного и опорного напряжений.
В предпробойной области обратный ток диода подвержен очень значительным флуктуациям; это свойство р-n-перехода используют для создания генераторов шума. Инерционность развития лавинного пробоя в р-n-переходе (характеризующаяся временем 10-9-10-10 сек) обусловливает сдвиг фаз между током и напряжением в диоде, вызывая (при соответствующей схеме включения его в электрическую цепь) генерирование СВЧ колебаний. Это свойство успешно используют в лавинно-пролётных полупроводниковых диодах, позволяющих осуществлять генераторы с частотами до 150 Ггц.

Рис.5. Полупроводниковые диоды (внешний вид)
Для детектирования и преобразования электрических сигналов в области СВЧ используют смесительные П. д. и видеодетекторы, в большинстве которых р-n-переход образуется под точечным контактом. Это обеспечивает малое значение ёмкости Св (рис.3), а специфическое, как и у всех СВЧ диодов, конструктивное оформление обеспечивает малые значения паразитных индуктивности Lk и ёмкости Ск и возможность монтажа диода в волноводных системах.
При подаче на р-n-переход обратного смещения, не превышающего U*обр, он ведёт себя как высокодобротный конденсатор, у которого ёмкость Св зависит от величины приложенного напряжения. Это свойство используют в варикапах, применяемых преимущественно для электронной перестройки резонансной частоты колебательных контуров, в параметрических полупроводниковых диодах, служащих для усиления СВЧ колебаний, в варакторах и умножительных диодах, служащих для умножения частоты колебаний в диапазоне СВЧ. В этих П. д. стремятся уменьшить величину сопротивления rб (основной источник активных потерь энергии) и усилить зависимость ёмкости Св> >от напряжения Uo6p.
У р-n-перехода на основе очень низкоомного (вырожденного) полупроводника область, обеднённая носителями заряда, оказывается очень тонкой (~ 10-2 мкм), и для неё становится существенным туннельный механизм перехода электронов и дырок через потенциальный барьер (см. Туннельный эффект). На этом свойстве основана работа туннельного диода, применяемого в сверхбыстродействующих импульсных устройствах (например, мультивибраторах, триггерах), в усилителях и генераторах колебаний СВЧ, а также обращенного диода, применяемого в качестве детектора слабых сигналов и смесителя СВЧ колебаний. Их ВАХ (рис.4) существенно отличаются от ВАХ других П. д. как наличием участка с "отрицательной проводимостью", ярко выраженной у туннельного диода, так и высокой проводимостью при нулевом напряжении.
К П. д. относят также ПП приборы с двумя выводами, имеющие неуправляемую четырёхслойную р-n-р-n-структуру и называют динисторами (см. Тиристор), а также приборы, использующие объёмный эффект доменной неустойчивости в ПП структурах без р-n-перехода - Ганна диоды. В П. д. используют и др. разновидности ПП структур: контакт металл - полупроводник (см. Шотки эффект, Шотки диод) и р-i-n-структуру, характеристики которых во многом сходны с характеристиками р-n-перехода. Свойство р-i-n-структуры изменять свои электрические характеристики под действием излучения используют, в частности, в фотодиодах и детекторах ядерных излучений, устроенных Т.о., что фотоны или ядерные частицы могут поглощаться в активной области кристалла, непосредственно примыкающей к р-n-переходу, и изменять величину обратного тока последнего. Эффект излучательной рекомбинации электронов и дырок, проявляющийся в свечении некоторых р-n-переходов при протекании через них прямого тока, используется в светоизлучающих диодах. К П. д. могут быть отнесены также и полупроводниковые лазеры.
Большинство П. д. изготавливают, используя планарно-эпитаксиальную технологию (см. Планарная технология), которая позволяет одновременно получать до нескольких тысяч П. д. В качестве полупроводниковых материалов для П. д. применяют главным образом Si, а также Ge, GaAs, GaP и др., в качестве контактных материалов - Au, Al, Sn, Ni, Cu. Для защиты кристалла П. д. его обычно помещают в металло-стеклянный, металло-керамический, стеклянный или пластмассовый корпус (рис.5).
В СССР для обозначения П. д. применяют шестизначный шифр, первая буква которого характеризует используемый полупроводник, вторая - класс диода, цифры определяют порядковый номер типа, а последняя буква - его группу (например, ГД402А - германиевый универсальный диод; КС196Б - кремниевый стабилитрон).
От своих электровакуумных аналогов, например кенотрона, газоразрядного стабилитрона, индикатора газоразрядного, П. д. отличаются значительно большими надёжностью и долговечностью, меньшими габаритами, лучшими техническими характеристиками, меньшей стоимостью и поэтому вытесняют их в большинстве областей применения.
С развитием ПП электроники совершился переход к производству наряду с дискретными П. д. диодных структур в ПП монолитных интегральных схемах и функциональных устройствах, где П. д. неотделим от всей конструкции устройства.

Рис.1 Энергетические диаграммы электронно-дырочного перехода туннельного диода

Рис.2 Вольтамперные характеристики туннельных диодов
Туннельный диод
Туннельный диод, двухэлектродный электронный прибор на основе полупроводникового кристалла, в котором имеется очень узкий потенциальный барьер, препятствующий движению электронов; разновидность полупроводникового диода. Вид вольтамперной характеристики (ВАХ) Т.д. определяется главным образом квантово-механическим процессом туннелирования (см. Туннельный эффект), благодаря которому электроны проникают сквозь барьер из одной разрешенной области энергии в другую. Изобретение Т.д. впервые убедительно продемонстрировало существование процессов туннелирования в твёрдых телах. Создание Т.д. стало возможно в результате прогресса в полупроводниковой технологии, позволившего создавать полупроводниковые материалы с достаточно строго заданными электронными свойствами. Путём легирования полупроводника большим количеством определённых примесей удалось достичь очень высокой плотности дырок и электронов в р - и n - областях, сохранив при этом резкий переход от одной области к другой (см. Электронно-дырочный переход). Ввиду малой ширины перехода (50-150 Å) и достаточно высокой концентрации легирующей примеси в кристалле, в электрическом токе через Т.д. доминируют туннелирующие электроны. На рис.1 приведены упрощённые энергетические диаграммы для таких р - n - переходов при четырёх различных напряжениях смещения U. При увеличении напряжения смещения до U>1> межзонный туннельный ток (i>t> на рис.1, б) возрастает. Однако при дальнейшем увеличении напряжения (например, до значения U>2>, рис.1, в) зона проводимости в n-oбласти и валентная зона в р-области расходятся, и ввиду сокращения числа разрешенных уровней энергии для туннельного перехода ток уменьшается - в результате Т.д. переходит в состояние с отрицательным сопротивлением. При напряжении, достигшем или превысившем U>3> (рис.1, г), как и в случае обычного р - n-перехода, будет доминировать нормальный диффузионный (или тепловой) ток.
Первый Т.д. был изготовлен в 1957 из германия; однако вскоре после этого были выявлены др. полупроводниковые материалы, пригодные для получения Т.д.: Si, InSb, GaAs, InAs, PbTe, GaSb, SiC и др. На рис.2 приведены ВАХ ряда Т.д. В силу того что Т.д. в некотором интервале напряжений смещения имеют отрицательное дифференциальное сопротивление и обладают очень малой инерционностью, их применяют в качестве активных элементов в высокочастотных усилителях электрических колебаний, генераторах и переключающих устройствах.

Рис.1. Схема включения стабилитрона в параметрическом стабилизаторе напряжения

Рис.2. Вольтамперная характеристика стабилитрона
Стабилитрон
Стабилитрон [от лат. stabilis - устойчивый, постоянный и (элек) трон], двухэлектродный газоразрядный или полупроводниковый прибор, напряжение на котором при изменении (в определённых пределах) протекающего в нём тока изменяется незначительно.С. применяют для поддержания постоянства напряжения на заданном участке электрической цепи, например в стабилизаторах напряжения (см. Стабилизатор электрический) - параметрических (рис.1) либо компенсационных (в качестве опорного элемента), в импульсных устройствах, ограничителях уровня напряжения и т.д. Коэффициент стабилизации напряжения К, характеризующий относительное изменение напряжений на входе и выходе участка цепи [К = (DUвх/Uвх): (DUвых/Uвых)], определяется видом вольтамперной характеристики С. (рис.2) и величиной сопротивления балластного резистора Rб; чем характеристика положе, тем сильнее стабилизирующий эффект.
Действие газоразрядных С. основано на свойствах тлеющего разряда и коронного разряда.С. тлеющего разряда выполняются в виде коаксиальной или плоскопараллельной системы электродов, помещенных в баллон, наполненный инертным газом под давлением несколько кн/м2. Область значений стабилизируемого напряжения у таких С.60-150 в, рабочий диапазон токов 5-40 ма.С. коронного разряда выполняются обычно в виде коаксиальной системы электродов с анодом малого радиуса и катодом большого радиуса (отношение радиусов ~ 5-10); баллон С. наполнен газом (водородом) под относительно высоким давлением - от нескольких кн/м2 до давлений, превышающих атмосферное (100 кн/м2). Они предназначены для стабилизации высоких напряжений (~3Ї102-3Ї104 в) при малых токах (от ~10-2 до 1-1,5 ма).
Полупроводниковый стабилитрон
Полупроводниковый стабилитрон, полупроводниковый диод, на выводах которого напряжение остаётся почти постоянным при изменении в некоторых пределах величины протекающего в нём электрического тока. Рабочий участок вольтамперной характеристики П. с. находится в узкой области обратных напряжений, соответствующих электрическому пробою его р-n-перехода. При напряжениях пробоя U>np> <5 в механизм резкого возрастания тока (пробой) связан с туннельным эффектом, а при U>np> > 6,5 в - с лавинным умножением носителей заряда; при промежуточных напряжениях генерируемые первоначально (вследствие туннельного эффекта) носители заряда создают условия для управляемого лавинного пробоя. В СССР выпускаются (1975) кремниевые П. с. на различные номинальные напряжения стабилизации в диапазоне от 3 до 180 в.П. с. применяют главным образом для стабилизации напряжения и ограничения амплитуды импульсов, в качестве источника опорного напряжения, в потенциометрических устройствах.
Варикап
[англ. varicap, от vari (able) - переменный и cap (acity) - ёмкость], конденсатор в виде полупроводникового диода, ёмкость которого нелинейно зависит от приложенного к нему электрического напряжения. Эта ёмкость представляет собой барьерную ёмкость электронно-дырочного перехода и изменяется от единиц до сотен пф (у отдельных В. практически в 3-4 раза) при изменении обратного (отрицательного знака) напряжения на несколько десятков вольт.В. обладает высокой добротностью (малыми потерями электрической энергии), малым температурным коэффициентом ёмкости, независимостью от частоты практически во всём диапазоне радиочастот, стабильностью параметров во времени.В. изготавливают на базе кремния, германия, арсенида галлия (см. Полупроводниковые материалы). В радиоэлектронных устройствах свойство нелинейности изменения ёмкости В. применяют для получения параметрического усиления, умножения частоты и др., а возможность электрического управления значением ёмкости - для дистанционной и безынерционной перестройки резонансной частоты колебательного контура и др.
полупроводниковый прибор электронный полупроводник
Транзистор

Рис.1 Транзисторы (схема)
Транзистор (от англ. transfer - переносить и resistor - сопротивление), электронный прибор на основе полупроводникового кристалла, имеющий три (или более) вывода, предназначенный для генерирования и преобразования электрических колебаний.
Изобретён в 1948 У. Шокли, У. Браттейном и Дж. Бардином (Нобелевская премия, 1956).Т. составляют два основных крупных класса: униполярные Т. и биполярные Т.
В униполярных Т. протекание тока через кристалл обусловлено носителями заряда только одного знака - электронами или дырками (см. Полупроводники). Подробно об униполярных Т. см. в ст. Полевой транзистор.

Рис.2а Внешний вид сверхвысокочастотных транзисторов в металлокерамических корпусах

Рис.2б Бескорпусные транзисторы

Рис.2в Сверхвысокочастотный малошумящий транзистор
В биполярных Т. (которые обычно называют просто Т.) ток через кристалл обусловлен движением носителей заряда обоих знаков. Такой Т. представляет собой (рис.1) монокристаллическую полупроводниковую пластину, в которой с помощью особых технологических приёмов созданы 3 области с разной проводимостью: дырочной (p) и электронной (n). В зависимости от порядка их чередования различают Т. p-n-p-типа и n-p-n-типа. Средняя область (её обычно делают очень тонкой) - порядка нескольких мкм, называется базой, две другие - эмиттером и коллектором. База отделена от эмиттера и коллектора электронно-дырочными переходами (р-n-переходами): эмиттерным (ЭП) и коллекторным (КП). От базы, эмиттера и коллектора сделаны металлические выводы.
Рассмотрим физические процессы, происходящие в Т., на примере Т. n-p-n-типа (рис.1, а). К ЭП прикладывают напряжение U>бэ>, которое понижает потенциальный барьер перехода и тем самым уменьшает его сопротивление электрическому току (то есть ЭП включают в направлении пропускания электрического тока, или в прямом направлении), а к КП - напряжение U>kб>, повышающее потенциальный барьер перехода и увеличивающее его сопротивление (КП включают в направлении запирания или в обратном направлении). Под действием напряжения U>бэ> через ЭП течёт ток i>э>, который обусловлен главным образом перемещением (инжекцией) электронов из эмиттера в базу. Проникая сквозь базу в область КП, электроны захватываются его полем и втягиваются в коллектор. При этом через КП течёт коллекторный ток i>k>. Однако не все инжектированные электроны достигают КП: часть их по пути рекомбинирует с основными носителями в базе - дырками (число рекомбинировавших электронов тем меньше, чем меньше толщина базы и концентрация дырок в ней). Так как в установившемся режиме количество дырок в базе постоянно, то это означает, что часть электронов уходит из базы в цепь ЭП, образуя ток базы i>б> таким образом, i>э >= i>k >+ i>б>. Обычно i>б><< i>k>, поэтому i>k> " i>э> и Di>k> " Di>э>. Величина a = Di>k>/Di>э> называется коэффициентом передачи тока (иногда - коэффициентом усиления по току), зависит от толщины базы и параметров полупроводникового материала базы и для большинства Т. близка к 1. Всякое изменение U>бэ> вызывает изменение i>э> (в соответствии с вольтамперной характеристикой p-n-перехода) и, следовательно, i>k>. Сопротивление КП велико, поэтому сопротивление нагрузки R>н> в цепи КП можно выбрать достаточно большим, и тогда Di>k> будет вызывать значительные изменение напряжения на нём. В результате на R>н> можно получать электрические сигналы, мощность которых будет во много раз превосходить мощность, затраченную в цепи ЭП. Подобные же физические процессы происходят и в Т. р-n-p-типа (рис.1, б), но в нём электроны и дырки меняются ролями, а полярности приложенных напряжений должны быть изменены на обратные. Эмиттер в Т. может выполнять функции коллектора, а коллектор - эмиттера (в симметричных Т.), для этого достаточно изменить полярность соответствующих напряжений.
В соответствии с механизмом переноса не основных носителей через базу различают бездрейфовые Т., в базе которых ускоряющее электрическое поле отсутствует и заряды переносятся от эмиттера к коллектору за счёт диффузии, и дрейфовые Т., в которых действуют одновременно два механизма переноса зарядов в базе: их диффузия и дрейф в электрическом поле. По электрическим характеристикам и областям применения различают Т. маломощные малошумящие (используются во входных цепях радиоэлектронных усилительных устройств), импульсные (в импульсных электронных системах), мощные генераторные (в радиопередающих устройствах), ключевые (в системах автоматического регулирования в качестве электронных ключей), фототранзисторы (в устройствах, преобразующих световые сигналы в электрические с одновременным усилением последних) и специальные. Различают также низкочастотные Т. (в основном для работы в звуковом и ультразвуковом диапазонах частот), высокочастотные (до 300 Мгц) и сверхвысокочастотные (свыше 300 Мгц).
В качестве полупроводниковых материалов для изготовления Т. используют преимущественно германий и кремний. В соответствии с технологией получения в кристалле зон с различными типами проводимости (см. Полупроводниковая электроника) Т. делят на сплавные, диффузионные, конверсионные, сплавно-диффузионные, мезатранзисторы, эпитаксиальные, планарные (см. Планарная технология) и планарно-эпитаксиальные. По конструктивному исполнению Т. подразделяются на Т. в герметичных металлостеклянных, металлокерамических или пластмассовых корпусах и бескорпусные (рис.2); последние имеют временную защиту кристалла от воздействия внешней среды (тонкий слой лака, смолы, легкоплавкого стекла) и герметизируются совместно с устройством, в котором их устанавливают. Наибольшее распространение получили планарные и планарно-эпитаксиальные кремниевые Т.
С изобретением Т. наступил период миниатюризации радиоэлектронной аппаратуры на базе достижений быстро развивающейся полупроводниковой электроники. По сравнению с радиоэлектронной аппаратурой первого поколения (на электронных лампах) аналогичная по назначению радиоэлектронная аппаратура второго поколения (на полупроводниковых приборах, в том числе на Т.) имеет в десятки и сотни раз меньшие габариты и массу, более высокую надёжность и потребляет значительно меньшую электрическую мощность. Размеры полупроводникового элемента современного Т. весьма малы: даже в самых мощных Т. площадь кристалла не превышает нескольких мм2. Надёжность работы Т. (определяется по среднему статистическому времени наработки на один отказ) характеризуется значениями ~105 ч, достигая в отдельных случаях 106 ч. В отличие от электронных ламп Т. могут работать при низких напряжениях источников питания (до нескольких десятых долей в), потребляя при этом токи в несколько мка. Мощные Т. работают при напряжениях 10-30 в и токах до нескольких десятков а, отдавая в нагрузку мощность до 100 вт и более.
Верхний предел диапазона частот усиливаемых Т. сигналов достигает 10 Ггц, что соответствует длине волны электромагнитных колебаний 3 см. По шумовым характеристикам в области низких частот Т. успешно конкурируют с малошумящими электрометрическими лампами. В области частот до 1 Ггц Т. обеспечивают значение коэффициента шума не свыше 1,5-3,0 дб. На более высоких частотах коэффициент шума возрастает, достигая 6-10 дб на частотах 6-10 Ггц.
Т. является основным элементом современных микроэлектронных устройств. Успехи планарной технологии позволили создавать на одном кристалле полупроводника площадью 30-35 мм2 электронные устройства, насчитывающие до нескольких десятков тыс.Т. Такие устройства, получившие название интегральных микросхем (ИС, см. Интегральная схема), являются основой радиоэлектронной аппаратуры третьего поколения. Примером такой аппаратуры могут служить наручные электронные часы, содержащие от 600 до 1500 Т., и карманные электронные вычислительные устройства (несколько тыс. т.). Переход к использованию ИС определил новое направление в конструировании и производстве малогабаритной и надёжной радиоэлектронной аппаратуры, получившее название микроэлектроники. Достоинства Т. в сочетании с достижениями технологии их производства позволяют создавать ЭВМ, насчитывающие до нескольких сотен тыс. элементов, размещать сложные электронные устройства на борту самолётов и космических летательных аппаратов, изготовлять малогабаритную радиоэлектронную аппаратуру для использования в самых различных областях промышленности, в медицине, быту и т.д. Наряду с достоинствами Т. (как и др. полупроводниковые приборы) имеют ряд недостатков, в первую очередь - ограниченный диапазон рабочих температур. Так, германиевые Т. работают при температурах не свыше 100°С, кремниевые 200°С. К недостаткам Т. относятся также существенные изменения их параметров с изменением рабочей температуры и довольно сильная чувствительность к ионизирующим излучениям. См. также Дрейфовый транзистор, Импульсный транзистор, Конверсионный транзистор, Лавинный транзистор.
Полевой транзистор
Полевые транзисторы (схематическое изображение):

Полевой транзистор это канальный транзистор, полупроводниковый прибор, в котором ток изменяется в результате действия перпендикулярного току электрического поля, создаваемого входным сигналом. Протекание в П. т. рабочего тока обусловлено носителями заряда только одного знака (электронами или дырками), поэтому такие приборы называются униполярными (в отличие от биполярных). По физической структуре и механизму работы П. т. условно делят на 2 группы. Первую образуют П. т. с управляющим р-n-переходом (см. Электронно-дырочный переход) или переходом металл - полупроводник (т. н. барьером Шотки, см. Шотки эффект), вторую - П. т. с управлением посредством изолированного электрода (затвора), т. н. транзисторы МДП (металл - диэлектрик - полупроводник). В последних в качестве диэлектрика используют окисел кремния (МОП-транзистор) или слоистые структуры, например SiO>2> - Al>2>O>3> (МАОП-транзистор), SiO>2> - Si>3>N>4> (МНОП-транзистор) и др. К П. т. с изолированным затвором относят также П. т. с т. н. плавающим затвором и П. т. с накоплением заряда в изолированном затворе (их применяют как элементы электронной памяти). В П. т. в качестве полупроводника используют в основном Si и GaAs, в качестве металлов, образующих переход, - Al, Mo, Au.П. т. созданы в 50-70-е гг.20 в. на основе работ американских учёных У. Шокли, С. Мида, Д. Канга, М. Аталлы и др.
В П. т.1-й группы (рис., а и б) управляющим электродом (затвором) служит полупроводниковый или металлический электрод, образующий с полупроводником канальной области р-n-переход или переход металл - полупроводник. На затвор подаётся напряжение, уменьшающее ток, который протекает от истока к стоку: при увеличении этого напряжения область пространственного заряда перехода (обеднённая носителями заряда) распространяется в канальную область и уменьшает проводящее сечение канала. При некотором значении напряжения затвора, т. н. напряжении отсечки Uoт, ток в приборе прекращается.
В П. т. с изолированным затвором (рис., б) управляющий металлический электрод отделен от канальной области тонким слоем диэлектрика (0,05-0,20 мкм). Канал может быть либо образован технологическим способом (встроенный канал), либо создан напряжением, подаваемым на затвор в рабочем режиме (индуцированный канал). В зависимости от этого прибор имеет передаточную характеристику соответственно вида I или II (см. рис., в).
П. т. широко применяют в электронной аппаратуре для усиления электрических сигналов по мощности и напряжению. П. т. - твердотельные аналоги электронных ламп, они характеризуются аналогичной системой параметров - крутизной характеристики (0,1-400 ма/в), напряжением отсечки (0,5-20 в), входным сопротивлением по постоянному току (1011-1016 ом) и т.д.
П. т. с управляющим р-n-переходом обладают наиболее низким среди полупроводниковых приборов уровнем шумов (являющихся в основном тепловыми шумами) в широком диапазоне частот - от инфранизких до СВЧ (коэффициент шума лучших П. т. < 0,1 дб на частоте 10 гц и ~ 2 дб на частоте 400 Мгц). Мощность рассеяния П. т. такого типа может достигать нескольких десятков вт. Их основной недостаток - относительно высокая проходная ёмкость, требующая нейтрализации её при большом усилении. В П. т. с переходом металл - полупроводник достигнуты наиболее высокие рабочие частоты (максимальная частота усиления по мощности лучших П. т. на арсениде галлия > 40 Ггц).П. т. с изолированным затвором обладают высоким входным сопротивлением по постоянному току (до 1016 ом, что на 2-3 порядка выше, чем у др.П. т., и сравнимо с входным сопротивлением лучших электрометрических ламп). В области СВЧ усиление и уровень шумов у этих П. т. такие же, как и у биполярных транзисторов (предельная частота усиления по мощности около 10 Ггц, коэффициент шума на частоте 2 Ггц около 3,5 дб и динамический диапазон > 100 дб), однако они превосходят последние по параметрам избирательности и помехоустойчивости (благодаря строгой квадратичности передаточной характеристики). Относительная простота изготовления (по планарной технологии) и схемные особенности построения позволили использовать их в больших интегральных схемах (БИС) устройств вычислительной техники (например, созданы БИС, содержащие > 10 тыс. МДП-транзисторов в одном кристалле).
Тиристор

Рис.1 Тиристор (схема)

Рис.2 Вольтамперная характеристика тиристора

Рис.3 Тиристор (двухтранзисторная схема)
Тиристор (от греч. thýra - дверь, вход и англ. resistor - резистор), полупроводниковый прибор, выполненный на основе монокристалла полупроводника с четырёхслойной структурой р-n-p-n-типа, обладающий свойствами вентиля электрического и имеющий нелинейную разрывную вольтамперную характеристику (ВАХ). С крайними слоями (областями) монокристалла контактируют силовые электроды (СЭ) - анод и катод, от одного из промежуточных слоев делают вывод электрода управления (УЭ).
К СЭ подсоединяют токоподводы силовой цепи и устройства теплоотвода. В случае, когда к СЭ прикладывается напряжение прямой полярности U>np (>как указано на рис.1), первый (П>1>) и третий (П>3>) электронно-дырочные переходы смещаются в прямом направлении, а второй (П>2>) - в обратном. Через переходы П>1> и П>3> в области, примыкающие к переходу П>2>, инжектируются неосновные носители, которые уменьшают сопротивление перехода П>2>, увеличивают ток через него и уменьшают падение напряжения на нём. При повышении прямого напряжения ток через Т. сначала растет медленно, что соответствует участку ОА на ВАХ (рис.2). В этом режиме Т. можно считать запертым, так как сопротивление перехода П>2> всё ещё очень велико (при этом напряжения на переходах П>1> и П>3> малы, и почти всё приложенное напряжение падает на переходе П>2>). По мере увеличения напряжения на Т. снижается доля напряжения, падающего на П>2>, и быстрее возрастают напряжения на П>1> и П>2>, что вызывает дальнейшее увеличение тока через Т. и усиление инжекции неосновных носителей в область П>3>. При некотором значении напряжения (порядка десятков или сотен в), называется напряжением переключения U>пер> (точка А на ВАХ), процесс приобретает лавинообразный характер, Т. переходит в состояние с высокой проводимостью (включается), и в нём устанавливается ток, определяемый напряжением источника и сопротивлением внешней цепи (точка В на ВАХ).
Процесс скачкообразного
переключения Т. из состояния с низкой
проводимостью в состояние с высокой
проводимостью можно объяснить,
рассматривая Т. как комбинацию двух
транзисторов (T>1>
и Т>2>),
включенных навстречу друг другу (рис.3).
Крайние области монокристалла являются
эмиттерами (р-слой
называется анодным эмиттером, n-слой
- катодным), а средние - коллектором
одного и одновременно базой др.
транзистора. Ток i,
протекающий во внешней цепи Т., является
током первого эмиттера i>э1>и
током второго эмиттера i>э2>.
Вместе с тем этот ток складывается из
двух коллекторных токов i>к1>
и i>к2>,
равных соответственно a>1>i>э1>
и a>2>i>э2>,
где "a>1>
и a>2>
- коэффициенты передачи эмиттерного
тока транзисторов T>1>
и Т>2>;
кроме того, в его состав входит ток
коллекторного перехода i>кo>
(так называемый обратный ток). Таким
образом i
=a>1>i>э1>
+ a>2>i>э2>
+ i>кo>.
С учётом i>э1>
= i>э2>
= i
имеем >
>.
При малых токах a>1>
и a>2>
значительно меньше 1 (и их сумма также
меньше 1). С увеличением тока a>1>
и a>2>
растут, что ведёт к возрастанию i.
Когда он
достигает значения, называется током
включения I>вк>,
сумма a>1>+a>2>
становится приблизительно равной 1, и
ток скачком возрастает до величины,
ограничиваемой сопротивлением нагрузки
(точка В на рис.2).
Всякий Т. характеризуется предельно
допустимым значением прямого тока I>пред
(>точка Г на
рис.2), при котором на
приборе будет небольшое остаточное
напряжение U>ocт>.
Если же уменьшать ток через Т., то при
некотором его значении, называется
удерживающим током I>yд
(>точка Б на рис.2),
Т. запирается - переходит в состояние с
низкой проводимостью, соответствующее
участку ОА на ВАХ. При напряжении обратной
полярности кривая зависимости тока от
напряжения выглядит так же, как
соответствующая часть ВАХ полупроводникового
диода.
Описанный способ включения Т. (повышением напряжения между его СЭ) применяют в Т., называется вентилями-переключателями (реже неуправляемыми Т., или динисторами). Однако преимущественное распространение получили Т., включаемые подачей в цепь УЭ импульса тока определённой величины и длительности при положительной разности потенциалов между анодом и катодом (обычно их называют управляемыми вентилями или Т.). Особую группу составляют фототиристоры, перевод которых в состояние с высокой проводимостью осуществляется световым воздействием. Выключение Т. производят либо снижением тока через Т. до значения I>yд>, либо изменением полярности напряжения на его СЭ.
Рис.4 Управляемый тиристор (в разрезе)
Рис.5 (а, Тиристоры (общий вид)

Рис.5 (в, Тиристоры (общий вид)
В соответствии с назначением различают Т. с односторонней проводимостью, с двухсторонней проводимостью (симметричные), быстродействующие, высокочастотные, импульсные, двухоперационные и специальные.
Полупроводниковый элемент Т. изготовляют из кремниевых монокристаллических дисков (пластин), вводя в Si добавки В, Al и Р. При этом в основном используют диффузионную и сплавную технологию. Конструктивно Т. выполняют (рис.4) в герметичном корпусе; для обеспечения механической прочности и устранения тепловых напряжений, возникающих из-за различия коэффициентов расширения Si и Cu (материал электродов), между кристаллом и электродами устанавливают термокомпенсирующие вольфрамовые или молибденовые диски. Различают Т. штыревой конструкции - в металлических и металлокерамических корпусах, прижимные (с отводом тепла с одной стороны Т.) и таблеточные (с двухсторонним отводом тепла). Основные конструкции Т. - таблеточная и штыревая. Т. на токи до 500 а изготовляют с воздушным охлаждением, на токи свыше 500 а - обычно с водяным.
Современные Т. изготовляют на токи от 1 ма до 10 ка напряжения от нескольких в до нескольких кв; скорость нарастания в них прямого тока достигает 109 а/сек, напряжения - 109 в/сек, время включения составляет величины от нескольких десятых долей до нескольких десятков мксек, время выключения - от нескольких единиц до нескольких сотен мксек; кпд достигает 99%.
Т. нашли применение в качестве вентилей в преобразователях электрической энергии (см. Преобразовательная техника, Тиристорный электропривод), исполнительных и усилительных элементов в системах автоматического управления, ключей и элементов памяти в различных электронных устройствах и т.п., где они совместно с др. полупроводниковыми приборами к середине 70-х гг.20 в. в основном вытеснили электронные (электровакуумные) и ионные (газоразрядные и ртутные) вентили.