Статический режим транзисторных усилительных каскадов
Активный компонент усилителя (транзистор, операционный усилитель, электронная лампа) для выполнения той или иной функции должен иметь вполне определённые координаты статического режима: напряжения на электродах, токи через выводы. Здесь мы будем анализировать работу активных компонентов только в линейном режиме. Координаты статического режима будут задаваться с помощью резисторов, стабилитронов, диодов, источников ЭДС или тока, подключаемых к выводам активных компонентов; эти элементы будем называть цепями смещения.
Параметры элементов цепей смещения должны быть определены на основе расчёта, который выполняется, как правило, на основе решения системы уравнений, составленной на основе первого и второго правил Кирхгофа.
Так, для схемы, приведённой на рисунке 1, справедлива следующая система уравнений:

где U>Б> – потенциал базы транзистора; I>K>, I>Э> – токи коллектора и эмиттера транзистора соответственно; U>КБ>, U>БЭ> – разность потенциалов между соответствующими электродами.

Рис. 1. Схема установления статического режима биполярного транзистора
Второе уравнение системы (1) можно упростить, если выполняется условие: I>Б> << U>Б >/R>Б2>, которое, по сути, означает, что ток базы пренебрежимо мал по сравнению с током делителя R>Б1>, R>Б2>; поэтому первым слагаемым в правой части второго уравнения системы (1) можно пренебречь.
Для современных кремниевых транзисторов малой и средней мощности можно считать, что в активном режиме U>БЭ> 0,60,7 В, а остальные параметры – любой ток или напряжение, сопротивления резисторов – могут быть неизвестными. На практике чаще всего встречаются три основных ситуации.
1. Полностью отсутствует или имеется минимальная исходная информация о координатах статического режима транзистора. Требуется осуществить параметрический синтез схемы – рассчитать параметры цепи смещения. Поскольку в этом случае система уравнений (1) содержит только неизвестные величины, допустимо множество её решений. В этом случае необходимо задаться некоторыми параметрами элементов цепи смещения и, руководствуясь инженерными соображениями, выбрать разумные координаты статического режима транзистора.
Во-первых, определяют положение рабочей точки (РТ) на входной и выходной характеристиках транзистора (рис. 2). Необходимо, чтобы РТ (рис. 2а) лежала ниже кривой I =f(P>К.МАКС >) – так называемой кривой равной мощности; таким образом гарантируется отсутствие превышения предельных эксплуатационных параметров транзистора. Для этого необходимо провести нагрузочную прямую, пересекающую оси координат в точках Е>П> и Е>П>/R>К> так, чтобы она полностью лежала ниже кривой равной мощности, и на ней выбрать положение РТ. По сути, нагрузочная прямая показывает возможные координаты рабочей точки при выбранном резисторе R>К> и напряжении Е>П> при изменении сопротивления промежутка коллектор-эмиттер транзистора от нуля до бесконечности, то есть от режима насыщения до режима отсечки.
Во-вторых, для маломощных транзисторов рекомендуется устанавливать типовые значения параметров токов и напряжений, входящих в систему (1.1): I>К> 1 мА; напряжение питания Е>П> – из стандартного ряда – 3; 4,5; 5; 6,3; 9; 15 [B] и т.д. Напряжение коллектор-эмиттер можно выбирать из условия:
U>КЭ> (E>П> – I>Э> R>Э> ) /2.

Рис. 2. Выходные а) и входная б) характеристики биполярного транзистора
В этом случае можно обеспечить максимально возможную неискажённую амплитуду сигнала на выходе усилителя в схеме с общим эмиттером или с общей базой. Если предполагается, что амплитуда сигнала на выходе усилителя будет мала (несколько десятков – сотен милливольт), статическое напряжение коллектор-эмиттер должно выбираться из условия обеспечения активного режима работы транзистора (переход коллектор-база смещён в обратном направлении).
2. Существует некоторая исходная информация: часть координат статического режима задана, определены номиналы некоторых резисторов. Естественно, расчёт ведётся с учётом заданных параметров, а остальные неизвестные в системе (1) выбираются из тех же соображений, что и в первом случае. При этом, возможно, придётся использовать несколько итераций для получения рациональных значений неизвестных величин.
3. Номиналы цепей смещения заданы, необходимо определить координаты статического режима. В этом случае находят в справочнике необходимую информацию о параметрах транзистора и проводят анализ.
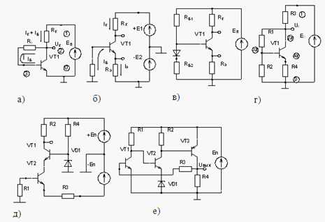
На практике в различной РЭА применяется довольно большое количество схем установления статического режима. Всем им присущи определённые достоинства и некоторые недостатки. Наиболее распространённые схемы задания статического режима биполярных транзисторов приведены на рисунке 3, полевых транзисторов – на рисунке 4.
В качестве примера проведём расчёт статического режима схем рисунка 3. Используя приведённую методику, читатель может самостоятельно, в качестве упражнения, рассчитать параметры элементов остальных схем при некоторых заданных условиях, а затем проверить результат расчёта в процессе моделирования.
При осуществлении параметрического синтеза схемы очень часто возникает необходимость поиска компромисса при выполнении иногда противоречивых условий. С одной стороны, цепи смещения потребляют ток, не совершающий полезной работы, что снижает КПД устройства, зачастую и входное сопротивление схемы. С другой – уменьшение токов в цепях смещения, как правило, увеличивает температурную нестабильность схемы из-за того, что температурно-зависимые напряжения и токи транзистора оказываются соизмеримы с токами и напряжениями цепей смещения.
Так, для схемы рисунка 3а уравнение для задания статического режима выглядит следующим образом:
,
(2)
где – коэффициент усиления тока базы транзистора VT1.
Такая схема задания статического режима (рис. 3а) подкупает простотой, но наиболее существенный её недостаток – зависимость режима от транзистора. Наличие отрицательной обратной связи с коллектора на базу через резистор R>Б> несколько уменьшает нестабильность режима, в том числе и от изменения температуры. Действительно, если по какой-либо причине ток коллектора начинает увеличиваться, растёт падение напряжения на резисторе R>К>, снижается потенциал коллектора, уменьшается ток через резистор R>Б>, то есть ток базы, что приводит в уменьшению тока коллектора; таким образом осуществляется в некоторой степени стабилизация режима по постоянному току. Провести анализ стабильности режима схемы по постоянному току при воздействии температуры – достаточно сложная и громоздкая процедура. Температурные зависимости , напряжения U>БЭ>, обратного тока коллектора I>КБ.0> влияют на стабильность режима достаточно сложным образом, но, как правило, с ростом температуры ток коллектора возрастает. Все эти явления легко исследовать в процессе моделирования. (В конце раздела будут приведены контрольные вопросы, касающиеся температурной стабильности статического режима, правильность ответа на которые легко проверить, опираясь на результаты моделирования.)

Рис. 3. Способы задания статического режима
Гораздо лучшими характеристиками стабильности статического режима обладает схема рисунка 3г. Расчёт статического режима такой схемы удобно проводить в предположении, что коэффициент усиления тока базы >>1, то есть ток делителя I>Д>, протекающий через резисторы R1 и R2, много больше тока базы транзистора. Задавшись Е>П>> >= 9 В, U>Э> = 1 В, I>К> = 1 мА, U>К> = 4,5 В, U>БЭ> = 0,7 В, I>К> I>Э>, =65, из системы уравнений (2) определим недостающие номиналы элементов:

Выбрав сопротивление резистора R>2>=6,5 кОм, находим, что R>1>10 кОм, R>K> =3,2 кОм (при токе делителя I>Д> 0,26 мА).
Интересную возможность предоставляет программа схемотехнического моделирования для сопоставления характеристик двух и более схем. Если создать входной файл одновременно для нескольких схем, подключив их к одному источнику питания, и глобальными узлами сделать шины питания и общую шину, легко на одном графике увидеть результаты моделирования той и другой схемы.
Для иллюстрации результатов моделирования в качестве транзистора использован КТ316В (модель в Spice-библиотеке имеет имя Q2T316B).
Для
расчёта статического режима можно
использовать директиву "Bias
Point
Detail".
Тогда результаты в виде таблицы будут
помещены в выходной файл Examine
Output
меню Analysis
и координаты статического режима –
токами в ветвях или напряжения в узлах
можно увидеть на графике схемы при
нажатии пиктограммы
или
в графическом редакторе Schematics
(см. разд. 10). Можно также задать вариацию
напряжения источника питания Е>П>
в пределах
10 % и увидеть результаты при использовании
постграфического процессора Probe.
Температурные исследования схем можно
провести с помощью вложенных циклов по
директиве "DC
Sweep",
но лучше, для большей наглядности,
провести моделирование дважды – для
вариации напряжения питания и для
вариации температуры.
Результаты моделирования схем рисунков 3а и г приведены на рисунках 4 и 5. Стабильность схем при вариации напряжения питания примерно одинакова.

Рис. 4. Зависимость изменения тока коллектора и потенциала коллектора при изменении напряжения питания
кирхгоф ток коллектор напряжение стабильность
При изменении температуры окружающей среды стабильность схемы г выше, так как в ней действует ещё один контур отрицательной обратной связи через резистор R>Э>, а влияние температурного изменения тока I>КБ.0 >ослаблено за> >счёт наличия резистора R2 [3]. Взяв транзистор с другим значением , можно убедиться, что и в этом случае статический режим схемы рисунка 3г изменяется незначительно, в отличие от схемы а. В этом читателю предлагается убедиться самостоятельно.
Достаточно просто произвести оценочный расчёт схемы одиночного каскада при двухполярном источнике питания (рис. 3б). Если пренебречь влиянием тока базы транзистора, то ток коллектора и ток эмиттера можно считать равными. Ток эмиттера задаётся с помощью резистора R>Э> и источника питания Е2:

,
а выбор резистора R>Б> можно рекомендовать из условия:
,
если нет других ограничений.
Потенциал коллектора в этом случае определится как:
(4)

Рис. 5. Зависимость координат статического режима от температуры
Как и в предыдущих случаях, потенциал коллектора выбирается так, чтобы напряжение между базой и коллектором составляло примерно половину напряжения питания источника Е1.
Для
схемы рисунка 3в в первом приближении
можно считать, что падение напряжения
на диоде VD1
а ток базы пренебрежимо мал. Тогда
коллекторный ток определяется током
эмиттера:
,
(5)
а сопротивление резисторов делителя должно быть таким, чтобы ток делителя был соизмерим с током коллектора (для повышения КПД схемы необходимо ток делителя выбирать как можно меньше, если это не противоречит некоторым другим ограничениям). Потенциал коллектора определяется аналогично предыдущему случаю (4).
Для каскодной схемы включения (рис. 3д) при двухполярном питании задача определения координат статического режима решается подобно варианту рисунка 3б, поскольку ток коллектора транзистора VT2 является током эмиттера транзистора VT1:

где
–
коэффициент передачи тока эмиттера
i-го
транзистора.
Потенциал базы транзистора VT1 определяется напряжением стабилизации U>СТ> стабилитрона VD1, а сопротивление резистора R4 выбирается из условия:
,
где I>С. МИН> – минимальный ток стабилизации стабилитрона.
Оценочный расчёт статического режима многокаскадной схемы с непосредственными связями (рис. 3е) проводится следующим образом. Вначале задаются напряжением U>вых> (если оно не задано). Далее, пренебрегая влиянием токов баз, определяют потенциал коллектора транзистора VT1:

Определяют ток коллектора транзистора VT1:

и
по известному токовому соотношению –
ток базы транзистора VT1
(для такого способа задания статического
режима необходимо знать
транзистора VT1).
Сопротивление резистора R3
выбирается из условия:
.
Поскольку
разность потенциалов на резисторе R2
фиксирована напряжением база-эмиттер
транзистора VT3,
ток коллектора транзистора VT2
определяется следующим образом:

Приведённые соотношения для каждой схемы рисунка позволяют быстро и с достаточной степенью точности определить либо координаты статического режима (при заданных параметрах цепей смещения), либо параметры элементов цепей смещения при известных узловых потенциалах и токах ветвей. Убедиться в этом читатель сможет, проведя моделирование приведённых схем. Навык, полученный при расчёте типовых схем задания статического режима, позволит осуществлять анализ и параметрический синтез и других, более сложных схем, так как самое важное при этом – правильно определить направления токов в ветвях и знак разности потенциалов между узлами.
Анализ статического режима схем на полевых транзисторах более громоздок, чем на биполярных. Есть существенные отличия в расчёте статического режима для схем на полевых транзисторах с управляющим p-n переходом и на полевых транзисторах с изолированным затвором. На рисунке 6 приведены обобщённые схемы задания статического режима полевого транзистора с управляющим p-n переходом а, полевого транзистора изолированным затвором в и сток-затворная характеристика полевого транзистора с управляющим p-n переходом б.
Сток-затворная характеристика полевого транзистора с управляющим p-n переходом достаточно хорошо аппроксимируется квадратичной зависимостью вида:
(6)
где I>C>>.НАЧ> – начальный ток стока при U>ЗИ> = 0;
U>ЗИ> – текущее значение напряжения затвор-исток;
U>ОТС> – напряжение отсечки тока стока.
Расчёт координат статического режима проводится при условии, что ток затвора равен нулю, поэтому напряжение на затворе тоже равно нулю при любом сопротивлении резистора R>З> (тем не менее, резистор R>З> необходим, это так называемое сопротивление утечки). Поэтому напряжение затвор-исток можно определить как:
U>ЗИ> = I>C>> >R>И>. (7)
Получаем уравнение, связывающее координаты статического режима с параметрами элементов схемы:
.
(8)
Определение потенциала стока при известном токе стока не должно вызывать у читателя затруднений. Следует помнить, что семейство выходных характеристик полевого транзистора выглядит аналогично биполярному, однако остаточное напряжение полевого транзистора малой мощности существенно выше, чем у биполярного. Это сужает диапазон его активной работы, и при одинаковом с биполярным транзистором напряжении питания максимальная неискажённая амплитуда выходного напряжения будет меньше у усилителя на полевом транзисторе.
Полевой транзистор с изолированным затвором и каналом обеднённого типа имеет сток-затворную характеристику, аналогичную приведённой на рисунке 1.6б, с каналом обогащённого типа – близкую к линейной и размещённую в первом квадранте системы координат (I>С> – U>ЗИ>). Поэтому для первого случая резистор R1 (рис. 6в) не нужен, а для второго случая по известному напряжению затвора рассчитывается делитель R1-R2, причём резисторы делителя могут иметь сопротивление в несколько сотен килоом, так как ток затвора практически отсутствует.

Рис. 6. Способы задания статического режима полевых транзисторов а), в) и сток-затворная характеристика полевого транзистора с управляющим p-n переходом и каналом n-типа б)
Следует отметить, что параметры полевых транзисторов имеют весьма большой разброс значений (до 100 % и даже более), поэтому на практике сопротивления резисторов, задающих режим, часто подбирают в процессе настройки схемы. При проведении анализа с помощью программы моделирования рекомендуется сначала ознакомиться с параметрами модели полевого транзистора, входящей в соответствующую библиотеку, и только затем проводить расчёт схемы.
Можно рекомендовать следующий порядок изучения и исследования способов задания статического режима.
1. Выбрать соответствующую схему и, руководствуясь инженерными соображениями, с помощью известных аналитических выражений рассчитать параметры элементов схемы. Транзистор выбрать из Spice-библиотеки программы. Результаты расчётов занести в таблицу.
2. Составить чертёж исследуемой схемы с помощью графического редактора Schematics, обращая внимание на следующее. Принятое направление тока в математических моделях программы PSpice – от "+" к "-". Ток, втекающий в транзистор, имеет положительный знак, вытекающий – отрицательный. Ток через диод протекает в направлении от анода к катоду. Заметим, что, если в процесс составления описания схемы резистор будет подключён первым выводом к более отрицательному потенциалу, ток через него также будет иметь отрицательный знак. Так как при ответе на некоторые вопросы необходимо определить направления протекающих токов, приведённое замечание существенно, хотя на сам процесс моделирования схемы не сказывается.
3. Провести моделирование схемы, определив узловые потенциалы и токи ветвей. Результаты можно получить как в выходном файле, так и на графике постпроцессора Probe. Если результаты будут отличаться более чем на 10 %, проверьте правильность расчётов. Если расчёты верны, объясните получившиеся расхождения и по директивам задания на моделирования Parametric подберите требуемые номиналы резисторов для обеспечения рациональных координат статического режима.
Наиболее часто встречающиеся ошибки – неправильно выбранные абсолютные значения сопротивлений при расчёте их отношения, а также ошибки в порядках величин.
4. Проведите моделирование по директиве "DC Sweep" при изменении температуры. Сопоставьте результаты моделирования различных схем, оценивая относительную температурную стабильность напряжения или тока, указывая в меню "Add Trace" графического постпроцессора Probe выражение dy(x)/y(x).
5. Оцените изменение температурной стабильности для схем рисунков 1 и 3г при одинаковых токах коллекторов и напряжениях U>К>, изменяя абсолютные значения сопротивлений резисторов R1 и R2 в цепи базы так, чтобы потенциал коллектора и ток коллек-тора оставались неизменными. Объясните получившийся результат и сделайте вывод.
6. По окончании моделирования ответьте на вопросы для самопроверки.
Библиографический список
Активные RC-фильтры на операционных усилителях / пер. с англ. ; под ред. Г.Н. Алексакова. – М. : Энергия, 1974. – 64 с. : ил.
Алексенко, А.Г. Применение прецизионных аналоговых микросхем / А.Г. Алексенко, Е.А. Коломбет, Г.И. Стародуб. – М. : Радио и связь, 1985. – 256 c.
Аналоговые и цифровые интегральные микросхемы : справ. пособие / Н.А. Барканов [и др.] ; под ред С.В. Якубовского. – 2-е изд., перераб. и доп. – М. : Радио и связь, 1984. – 432 с. : ил. – (Проектирование РЭА на интегральных микросхемах).
Анисимов, В.И. Операционные усилители с непосредственной связью каскадов / В.И. Анисимов, М.В. Капитонов, Ю.М. Соколов, Н.Н. Прокопенко. – Л. : Энергия, 1979. – 168 с. : ил.
Источники вторичного электропитания / под ред. Ю.И. Конева. – М. : Радио и связь, 1983. – 280 с., ил. (Проектирование РЭА на интегральных микросхемах).