Цифровой кухонный таймер
федеральное агентство по образованию
государственное образовательное учреждение высшего профессионального образования
«тюменский государственный нефтегазовый университет»
ИНСТИТУТ НЕФТИ И ГАЗА
Кафедра Кибернетических систем
Контрольная работа
тема: Цифровой кухонный таймер
Тюмень 2008
1. Принципиальное описание цифрового кухонного таймера
Человек проводит на кухне большое количество времени. Большая часть его уходит на приготовление пищи. А в этом процессе очень важно следить за временем варки, жарки и т.д. Также часто подводит человеческий фактор. Хозяйка может отвлечься, забыть, что у нее включена духовка или плита. В решение этой проблемы может помочь кухонный таймер. Один из его видов приведен здесь.
Основное достоинство предлагаемого кухонного таймера - удобство пользования. Пока сетевая вилка вставлена в розетку 220 В, прибор готов к работе, достаточно нажать на кнопку. На индикаторах в любой момент можно увидеть, сколько времени осталось до окончания выдержки. По ее истечении прозвучит звуковой сигнал плавно нарастающей громкости, после чего таймер автоматически выключится, ожидая новой команды. Сетевая вилка может оставаться включенной в розетку постоянно, так как в пассивном состоянии (до начала выдержки и после окончания звукового сигнала) почти все узлы таймера обесточены. От сети в это время потребляется только ток холостого хода трансформатора питания.
Входным сигналом для начала работы является подача напряжения через нажатие кнопок установки времени таймера.
Цифровой кухонный таймер включен в сеть переменного напряжения 220В. Постоянное напряжение снимаемое с трансформатора 12-18В. Потребляемая мощность 3 Вт.
Информация таймера выводится на электронные индикаторы. Хранение информации в таймере не предусмотрено. Каждый раз надо вводить временной интервал заново.
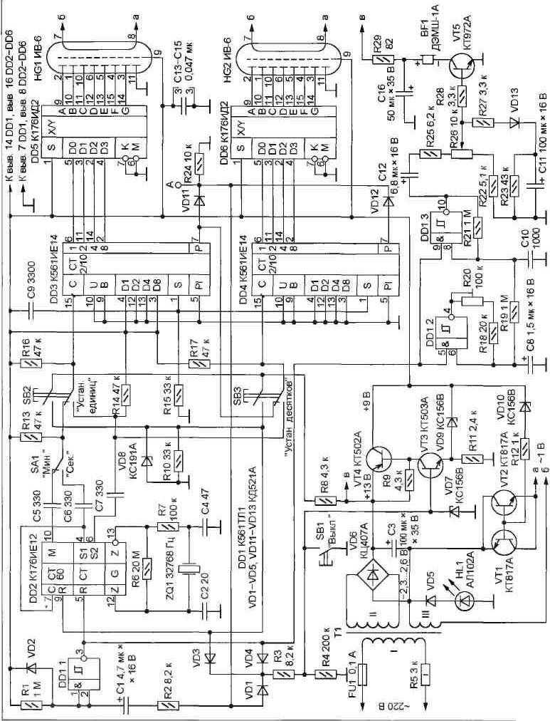
Тактовый генератор собран по типовой схеме на микросхеме К176ИЕ12 (DD2) с кварцевым резонатором ZQ1 частотой 32768 Гц. Его импульсы (с периодом 1 с или 1 мин в зависимости от положения переключателя SA1) поступают на узел отсчета времени - счетчики DD3 и DD4 К561ИЕ14. Они включены таким образом, что работают «на вычитание», поэтому установка выдержки и отсчет времени идут в сторону уменьшения. Элементы DD5, DD6, HG1, HG2 предназначены для дешифрации и индикации остатка времени.
К выходам переноса счетчиков DD3 и DD4 подключен элемент совпадения из диодов VD11, VD12 и резистора R24. Низкий логический уровень на ее выходе служит сигналом окончания выдержки. Дифференцирующая цепь R1C1 и пороговый элемент - триггер Шмиттa DD1.1 -формируют импульс, в течение которого включен звуковой сигнал.
Элемент DD1.3 - генератор сигнала звуковой частоты, транзистор VT5 - его усилитель. Частота звука промоду-лирована импульсами треугольной формы, поступающими через резистор R19 с генератора на элементе DD1.2-Это придает сигналу более заметный, вибрирующий характер. Подстроечным резистором R20 частоту «вибрато» можно изменить.
Благодаря цепи R23R27VD13C11 в момент срабатывания таймера сигнал звучит с пониженной громкостью, которая по мере зарядки конденсатора С11 плавно нарастает. Переменным резистором R26 устанавливают максимальную громкость сигнала.
Основой узла питания таймера служит трансформатор Т1. Напряжение с его обмотки II, выпрямленное диодным мостом VD6, поступает на стабилизатор (транзисторы VT3, VT4). Падение напряжения на светодиоде HL1 и диоде VD5, через которые в прямом направлении протекает ток нагрузки выпрямителя, увеличивает на 2,3...2,6 В разность потенциалов между катодами и анодами индикаторов HG1 и HG2, что приводит к заметному росту яркости формируемых цифр.
Переменное напряжение накала индикаторов поступает от обмотки III трансформатора Т1. Когда таймер находится в пассивном состоянии, электронный ключ на транзисторах VT1 и VT2 разрывает цепь накала. Падение переменного напряжения на открытом во время выдержки ключе не превышает 0,15...0,2 В. Поэтому при номинальном для индикаторов ИВ-6 напряжении накала 1 В напряжение на обмотке III трансформатора Т1 должно быть равно 1,2 В.
Когда таймер включен в сеть, но находится в пассивном режиме, из всех его узлов работает только выпрямитель на диодном мосте VD6. Образцового напряжения на базе транзистора VT3 нет, поэтому транзисторы VT3 и VT4 закрыты и напряжение в цепи +9 В отсутствует. Ключ VT1VT2 разомкнут, так как для открывания транзисторов необходимо, чтобы напряжение в цепи +9 В превысило напряжение стабилизации стабилитрона VD10.
При нажатии любой из кнопок SB2 «Устан. единиц» или SB3 «Устан. десятков» напряжение с конденсатора СЗ фильтра выпрямителя через резистор R8 поступает на стабилитрон VD8, ограничивающий его на уровне приблизительно 9 В. По цепи VD3R3 напряжение подается на базу транзистора VT3, открывает его и приводит стабилизатор в действие. Напряжение +9 В поступает на все узлы таймера, а ключ VT1VT2 включает накал индикаторов.
В дальнейшем (после отпускания кнопок SB2, SB3) напряжение в цепи формирования образцового напряжения стабилизатора присутствует благодаря диодам VD1 и VD4. Их аноды соединены с такими точками таймера, что в течение всего времени выдержки и звучания сигнала напряжение хотя бы в одной из них имеет высокий логический уровень. По окончании выдержки и сигнала уровни в обоих точках становятся низкими, образцовое напряжение на базе транзистора VT3 снижается почти до нуля и таймер переходит в пассивное состояние. Во время выдержки можно принудительно привести его в это состояние, нажав на кнопку SB1 «Выкл.».
В момент включения напряжения +9 В цепь C9R15 формирует короткий импульс, записывающий в счетчик единиц DD3 код цифры 9 (он задан соответствующим подключением входов D1-D8), а в счетчик десятков DD4 - код нуля. Эти цифры появляются на индикаторах, и если нажатую кнопку немедленно отпустить, таймер отработает выдержку в 9 минут или секунд (в зависимости от положения переключателя SA1). Но если кнопку SB2 или SB3 удерживать нажатой, импульсы частотой 2 Гц поступают на тактовый вход соответствующего счетчика (DD3 или DD4), уменьшая на 1 его содержимое с каждым импульсом.
Чтобы на выводе 10 микросхемы DD2 импульс появился ровно через 60 с после окончания установки времени (отпускания кнопок), работа счетчика секунд микросхемы DD2 заблокирована высоким логическим уровнем, поступающим на ее вывод 9 со стабилитрона VD8, пока хоть одна из кнопок нажата.
После отпускания кнопок тактовый вход счетчика DD3 через переключатель SA1 оказывается соединенным с выходом минутных или секундных импульсов микросхемы DD2, а тактовый вход счетчика DD4 - с выходом переноса счетчика DD3. Идет отсчет времени выдержки. По его истечении содержимое обеих счетчиков станет нулевым, на их выходах переноса (выводах 7) одновременно появится низкий уровень, диоды VD11, VD12 будут закрыты и начнется зарядка конденсатора С1 по цепи R1R2R24. Высокий уровень на выходе элемента DD1.1 разрешит работу генератора звукового сигнала. Примерно через 5 с конденсатор С1 зарядится до уровня переключения элемента DD1.1, высокий уровень на выходе которого сменится низким, что прекратит звуковой сигнал и переведет таймер в пассивное состояние. Сигнал с выхода элемента DD1.1 поступает и на вывод 5 микросхемы DD2, запрещая ее работу. Иначе в «секундном» интервале выдержек счетчики DD3, DD4 могут изменить состояние во время звучания сигнала, что приведет к сбою.
Печатная плата таймера, изготовлена из одностороннефольгированного стеклотекстолита. Выводы и корпус движкового переключателя ПД-9 (SA1) припаивают непосредственно к контактным площадкам. Постоянные резисторы - МЛТ, С2-33 или импортные указанной на схеме мощности. Подстроечный резистор R20 - СПЗ-16, СПЗ-38а или СПЗ-38в, вместо него можно установить предварительно подобранный постоянный резистор. Переменный резистор R26 - СП4-1 или СПЗ-ба. Его крепят на П-образном кронштейне из листовой латуни или стали толщиной 0,5...0,8 мм. Если необходимости в регулировке громкости нет, переменный резистор R26 тоже можно заменить подобранным постоянным.
Все оксидные конденсаторы - К50-6, К50-16, К53-35 или К53-1а, остальные - керамические КМ, КД или импортные. Диоды КД521А можно заменить на КД522 с любым буквенным индексом. Два-три аналогичных диода, соединенных последовательно, заменят светодиод HL1.
Транзисторы VT1, VT2 - КТ817 с любым буквенным индексом и коэффициентом п21Э не менее 80. Транзисторы VT3, VT4 должны иметь п21Э не менее 60 (здесь подойдут и транзисторы серий КТ315, КТ361). Составной транзистор КТ972А можно заменить обычным КТ503 с любым буквенным индексом (п21Э - не менее 100), причем в цепь его эмиттера необходимо включить в прямом направлении диод серии КД521 или КД522.
Трансформатор питания Т1 - ТП-321. Используя довольно большой зазор между его вторичной (II согласно схеме таймера) обмоткой и магнитопроводом, на том же каркасе дополнительно наматывают обмотку III - 38 витков провода ПЭЛШО 0,25...0,31 мм. Если в качестве HG1, HG2 применены не ИВ-6, а другие семиэлементные люминесцентные индикаторы (ИВ-3, ИВ-За, ИВ-22), число витков обмотки III нужно изменить таким образом, чтобы получить необходимое напряжение накала. Вместо указанного выше трансформатора можно использовать другие, подходящие по габаритной мощности (не менее 3 Вт) со вторичными обмотками на 12...18 В (II) и 1,2 В (III) или позволяющие намотать такие обмотки. Трансформатор желательно выбирать из числа имеющих отдельную изолированную секцию каркаса для вторичных обмоток. Это обеспечит необходимую электробезопасность таймера.
Резистор R5 уменьшает ток холостого хода постоянно включенного в сеть трансформатора, снижает его нагрев и повышает надежность [1]. Указанные на схеме рис. 1 номинал и мощность резистора оптимальны для трансформатора ТП-321, ток холостого хода которого не превышает 5.. .7 мА. С трансформатором, ток холостого хода которого более 10 мА, можно использовать резистор МЛТ-2 номиналом 1,2...1,5 кОм, но лучше - реактивное балластное сопротивление, что уменьшит выделение тепла. Для этого хорошо подходят обмотки реле РСМ, РЭС6, РЭС22 на рабочее напряжение 24 В. Якорь реле необходимо зафиксировать в притянутом
Первыми рекомендуется монтировать трансформатор Т1, диодный мост VD6, конденсатор СЗ и детали стабилизатора напряжения. Для проверки к выходу стабилизатора временно подключают эквивалент нагрузки - резистор МЛТ-1 сопротивлением 470...560 Ом, а между базой транзистора VT3 и положительным выводом конденсатора СЗ - резистор МЛТ-0,25 номиналом 15... 18 кОм. Выходное напряжение стабилизатора должно находиться в пределах 9...9,5 В. При необходимости его можно немного изменить, устанавливая другие экземпляры стабилитронов VD7 и VD9.
До первого включения таймера в сеть неплохо закрепить на его плате у трансформатора Т1 со стороны печатных проводников пластину из изоляционного материала размерами 47x35 мм (например, прижав ее винтами крепления трансформатора). Пластина должна закрыть все проводники и выводы элементов, связанные с сетью 220 В. Резистор R5 и плавкую вставку FU1 тоже желательно хорошо изолировать. Это позволит проверять и налаживать таймер, не опасаясь поражения электрическим током.
Проверив работу стабилизатора, можно удалить временно установленные резисторы и продолжить монтаж. Лучше начать с проволочных перемычек, потому что некоторые из них в дальнейшем окажутся под микросхемами. Одна из перемычек, выделенная на рис. 2 жирной линией, служит не только соединительным проводом, но и элементом крепления индикаторов ИВ-6. Ее размеры, выбраны с учетом высоты трансформатора ТП-321 и диаметра баллонов индикаторов. Эту перемычку лучше смонтировать после микросхемы DD1, но до установки индикаторов. Их располагают параллельно плате таким образом, чтобы верхнюю часть баллонов можно было прикрепить к перемычке с помощью ниток и клея.
Установив все детали и визуально проверив правильность монтажа, убедитесь в отсутствии замыканий в цепях питания, «прозвонив» их омметром. Правильно собранный таймер начинает работать сразу после включения в сеть и нажатия одной из кнопок SB2 или SB3 - светятся цифры на индикаторах, идет обратный отсчет времени. В противном случае придется проверить напряжение питания микросхем (9 В) и переменное напряжение накала индикаторов (0,95...1,05 В). Если при включенном таймере отсутствуют импульсы на выходах микросхемы DD2 либо частота их следования отличается от номинальной, наиболее частая причина - неисправность кварцевого резонатора.
Таймер пригоден не только для подачи звукового сигнала, но и для включения на заданное время какой-либо нагрузки, например, нагревателя или вентилятора. Конечно, для этого потребуется электронный ключ или реле соответствующей мощности. Выходом управляющего ключом сигнала послужит точка А (см. рис. 1). К сожалению, нагрузочная способность этого выхода невелика. Более мощный сигнал - напряжение 9 В непосредственно с выхода стабилизатора. Но учтите, его продолжительность больше заданной выдержки на время звучания звукового сигнала.
Обратите внимание, что на печатной плате (см. рис. 2) входы неиспользуемого элемента микросхемы DD1 соединены с точкой А. Поэтому на выходе упомянутого элемента (выводе 11 DD1) во время отсчета выдержки - лог. 0, во время звукового сигнала - лог. 1, а в пассивном состоянии таймера он находится в высокоимпедансном состоянии.
Устанавливают выдержку следующим образом. При нажатии на любую из кнопок SB2 или SB3 таймер включается (если, конечно, сетевая вилка вставлена в розетку) и на его индикаторах высвечивается число 09. При удержании нажатой, например, кнопки SB2 цифра в разряде единиц дважды в секунду уменьшается на 1 (9, 8, 7,..., 1, 0, 9,...). При нажатой кнопке «Устан. десятков» с той же частотой сменяются цифры в разряде десятков (9, 0, 18, 9, 0...).
Таким образом, можно задать любую выдержку в интервале 0-99 минут или секунд. Единицу отсчета выбирают с помощью переключателя SA1. Автоматический отсчет выдержки идет с момента отпускания кнопок.
Запоминание выбранного значения выдержки не предусмотрено. Поэтому ее каждый раз задают заново. Очередность нажатия кнопок установки в большинстве случаев безразлична. Однако во избежание сбоев не рекомендуется нажимать кнопку SB3 «Устан».
2. Функциональное описание работы цифрового кухонного таймера
Трансформатор преобразует напряжение в 14.5В для питания таймера.
Диодный мост выпрямляет напряжение, преобразуя его из переменного в постоянное. Это напряжение питает всю схему.
На тактовый генератор подается напряжение при замыкании кнопки включения и он начинает производить сигналы определенной частоты.
Счетчики на которых заранее выставлено время , начинают считать сигналы тактового генератора. Установленное время идет на уменьшение.
Дешифраторы преобразуют сигналы счетчиков и отправляют их на индикаторы.
Когда счетчик прекратит отсчет импульсов, он подает сигнал на блок включения звука. Пока сигнал поступает звучит звуковой сигнал. Блок включения звука разрешает работу генератору звуковой частоты.
Генератор звуковой частоты вырабатывает сигнал.
Усилитель этот сигнал пропускает и отправляет его на звуковой излучатель.
3. Описание работы тактового генератора
Микросхема К176ИЕ12 (DD2), разработанная для использования в электронных часах, имеет очень широкие функциональные возможности. В ее состав входят генератор, рассчитанный на работу с внешним кварцевым резонатором на частоту 32 768 Гц (выводы 12 и 13), и два делителя частоты с коэффициентами деления 2^15= 32768 и 60 (выводы 4, 7, 10). Следовательно, на выходах микросхемы формируются секундные и минутные импульсы. Микросхема позволяет реализовывать и некоторые другие функции, связанные с ее применением в электронных часах. В исходное состояние микросхему устанавливают подачей напряжения высокого уровня на входы R (выводы 5, 9).
Эпюры напряжений на некоторых выводах микросхемы К176ИЕ12 представлены на рис. 1.

Рис. 1
Особенность микросхемы К176ИЕ12 в том, что первый спад на выходе минутных импульсов М появляется спустя 59 с после подачи напряжения низкого уровня на вход сброса R. Это следует учитывать при эксплуатации устройств, собранных на микросхеме.
Рассмотрим работу реле времени (контакты выключателя питания SA5 замкнуты). Выбор нужной выдержки времени осуществляют переключателями SA1 ("Минуты" - "Секунды"), SA2 ("х1" - "х10"), SA3, SA4 ("Единицы", "Десятки"). После этого замыкают контакты выключателя SA6 "Пуск". При этом на выводах 10, 4, 11 микросхемы DD2 появляются импульсы с частотами соответственно 1/60, 1 и 1024 Гц. В зависимости от положения переключателя SA1 на выводы 2, 8 логического элемента DD3.2 поступают минутные или секундные импульсы. На выводе 1 этого же элемента - напряжение высокого уровня, поданное с выхода логического элемента DD3.3 (поскольку на его входах - выводах 11, 12, 13 - напряжение низкого уровня). Следовательно, импульсы поступают на вход СР микросхемы DD4, и если контакты переключателя SA2 находятся в показанном на схеме положении - то и на аналогичный вход микросхемы DD5 (рис. 2).

Рис. 2
Логический элемент DD2.1 инвертирует секундные импульсы, поступающие на нормально замкнутый контакт переключателя SA1. Это сделано для того, чтобы на выводы 2, 8 логического элемента DD3.2 поступали или секундные, или минутные импульсы, у которых период относительно исходного состояния входа R определяется спадом импульса (или, что то же самое, срезом импульса). На вход СР микросхемы DD4 импульсы поступают в противофазе благодаря применению логического элемента DD3.2, т.е. секундный или минутный интервал определяется положительным перепадом напряжения на входе СР, переключающим триггеры микросхемы.
Через некоторое время, определяемое положением подвижных контактов переключателей SA3 и SA4, на этих контактах появятся одновременно напряжения высокого уровня. Напряжение низкого уровня, появившееся на выходе логического элемента DD3.3, запретит дальнейшее поступление импульсов на входы микросхем DD4, DD5 и откроет транзистор VT2. На вывод 5 логического элемента DD3.1 поступит напряжение высокого уровня. На базу транзистора VT1 начнут поступать импульсы с интервалом 1 с, модулированные частотой 1024 Гц (роль модулятора, или суммирующего устройства, выполняет логический элемент DD3.1). В излучателе НА1 будет слышен прерывистый звуковой сигнал, свидетельствующий об окончании выдержки времени.
Микросхему К176ЛА7 (DD2) можно заменить на К561ЛА7, К176ЛА9 (DD3) - на К561ЛА9, К176ИЕ8 (DD4-DD6) - на К561ИЕ8. Транзисторы VT1, VT2 - любые из серий КТ203, КТ361, КТ501, КТ502. Кварцевый резонатор Z1 - малогабаритный на частоту 32768 Гц, предназначенный для использования в электронных часах. Конденсаторы Cl, C2 - типов КЛС, КМ, КТ, К10-7в. К10-23. Резисторы - МЛТ-0,25. Звуковой излучатель - микрофонный капсюль ДЭМШ-1А или телефонный капсюль любого типа с сопротивлением катушки постоянному току не менее 65 Ом (например, ТА-4, ТК-47, ТК-67). Переключатели SA1, SA2, SA5, SA6 - типа П1Т; SA3, SA4 - МПН-1. Такое реле времени, свободно умещающееся в кармане, удобно использовать в качестве таймера или будильника. Несложная приставка к реле времени позволяет с его помощью управлять нагрузкой. Переключателем SA1 выбирают режим коммутации нагрузки. В положении 1 управление нагрузкой не осуществляется, и цепи узла управления нагрузкой (оптроны Ul, U2) отключены от коллектора транзистора VT1; это сделано для того, чтобы не расходовать напрасно энергию батареи GB1 на питание узла управления, если нагрузка отключена, а реле времени используется только в качестве будильника. По истечении заданного времени в положении 2 переключателя SA1 реле времени включает нагрузку, а в положении 3 - выключает нагрузку (в течение заданного времени она включена).
4. Перечень элементов к электрической схеме
|
№ |
Обозначение на принципиальной схеме |
Условное обозначение микросхемы |
Кол-во |
Примечание |
|
1 |
DD2 |
K176ИЕ12 |
1 |
Тактовый генератор |
|
2 |
DD3, DD4 |
К561ИЕ14 |
2 |
Счетчики импульсов |
|
3 |
DD5,DD6 |
К176ИД2 |
2 |
Дешифратор |
|
4. |
BF1 |
ДЭМШ-1А |
1 |
Звуковой излучатель |
|
5. |
DА2 |
К554СА3А |
1 |
Компаратор |
|
6 |
VD1,VD2,VD3,VD4,VD5,VD11,VD12,VD13 |
КД521А |
8 |
Диоды |
|
7 |
VD6 |
КЦ407А |
1 |
Диоды |
|
8 |
VD7, VD9, VD10, |
КС156B |
3 |
Стабилитрон |
|
9 |
VD8 |
КС191А |
1 |
Стабилитрон |
|
10 |
HG1,HG2 |
ИВ-6 |
2 |
Индикатор |
|
11 |
T1 |
ТП-321 |
1 |
Трансформатор |
|
12 |
VT1,VT2 |
КТ817A |
2 |
Транзистор |
|
13 |
VT3,VT4 |
КТ502A |
2 |
Транзистор |
|
14 |
VT5 |
КТ972A |
1 |
Транзистор |
5. Назначение элементов схемы
Назначение каждого из элементов рассматриваемого ключа описано в таблице 5.1.
Таблица 5.1 - Назначение элементов схемы
|
Обозначение элемента |
Назначение элемента |
|
Т1 |
Преобразует напряжение 220 вольт в 14,5 вольт |
|
VD6 |
Выпрямляет переменное напряжение |
|
VT3, VT4 |
Стабилизирует напряжение |
|
DD2. |
Генератор тактовый |
|
DD3, DD4. |
Счетчики импульсов тактового генератора |
|
DD5, DD6. |
Дешифраторы |
|
HG1, HG2. |
Индикаторы времени |
|
DD1.3 |
Генератор звуковой частоты |
|
VT5 |
Усилитель генератора звуковой частоты |
|
DD1.2, R 19. |
Придает звуковому сигналу вибрирующий характер |
|
C11,R23, VD13,R27 |
Собран узел плавного повышения громкости |
|
DD1.1 |
Формирует импульс в течение которого включен звуковой сигнал |
|
SB1 |
Кнопка включения |
|
SB2, SB3 |
Кнопки установки временного интервала |
|
VT1,VT2. |
Транзисторный ключ |
|
VD 10 |
Открывает транзисторный ключ |
Заключение
В данной контрольной работе изучено и подробно описано устройство, и принцип действия. В цифровом кухонном таймере, определены функции каждого элемента системы и установлены их взаимосвязи. Среди достоинств рассматриваемой схемы можно выделить функциональность, некритичность к выбору элементов, удобство и высокую экономическую эффективность использования.
Литература
Андреев В. Уменьшение нагрева трансформаторов маломощных блоков питания. - Радио, 2003, № 6, с. 24.
Лукьянов Д. Необычные «профессии» микросхем для часов. - Радио, 1988, № 12, с. 31.
Гусев В.Г., Гусев Ю.М. Электроника и микропроцессорная техника. - М.; Высшая школа.,2005.
Цифровые и аналоговые интегральные микросхемы: Справочник - М.: Радио любитель, 2000.
Лачин В.И., Савёлов Н.С. Электроника. - Л.; «Феникс», 2002.
Калабеков Б.А. Цифровые устройства и микропроцессорные системы. – М.; Горячая линия - ТЕЛЕКОМ, 2002.
Браммер Ю.А. Пащук И.Н. Импульсные и цифровые устройства.- М.; ВШ, 2002.
Приложение
цифровой реле таймер микросхема
Принципиальная схема таймера
































