Проектирование широкополосного усилительного устройства (работа 1)
КУРСОВОЙ ПРОЕКТ
"ПРОЕКТИРОВАНИЕ ШИРОКОПОЛОСНОГО УСИЛИТЕЛЬНОГО УСТРОЙСТВА"
Екатеринбург 2008
Введение
Широкополосные усилители предназначены для усиления электрических сигналов, спектры которых простираются от нуля или нескольких герц до многих мегагерц. Они используются в современной импульсной радиосвязи, многоканальной электрической связи, телевидения, измерительной технике и т.д.
Широкополосные усилители применяются как для усиления гармонических сигналов с широкой полосой частот, так и для усиления импульсных сигналов с крутым фронтом и диапазоном длительностей импульсов.
Однако методы исследования, расчета и проектирования широкополосных усилителей гармонических сигналов и импульсных сигналов различны. Расчет широкополосных усилителей гармонических сигналов производится на основе спектральных, а импульсных усилителей на основе временных представлений.
Доработка ТЗ
Согласно ТЗ рассчитываем коэффициент усиления:

Регулировка СП-40 дБ.
Выбор структурной схемы
Рис. 1. Структурная схема широкополосного усилительного устройства
Фазовращательный каскад представляет собой усилительный каскад в схеме включения с общим эмиттером и с общим коллектором c единичным коэффициентом усиления.
Усилитель напряжения представляет собой усилительный каскад в схеме включения с общим эмиттером, он обеспечивает основное усиление входного сигнала по напряжению.
Выходное устройство представляет собой два параллельно включенных усилительных каскада в схеме включения с общим коллектором (эмиттерный повторитель), на входе одного из каскадов стоит инвертор. Повторитель служит для небольшого усиления сигнала по току с выхода усилителя напряжения, а также для согласования усилителя с нагрузкой.
Расчетная часть
Расчет элементов схемы производился с помощью математического пакета Mathcad 2000 Professional.
В нашем случае, при
выходном напряжении U>вых
эфф>=8 В и сопротивлении
нагрузки R>н
>= 106
Ом мощность рассеяния транзистора VT
должна быть больше
.
Для данной схемы выбираем транзистор
КТ325А (используется для
усиления сигналов высокой частоты,
F>т>=800
МГц, Р>доп>=225
мВт).
Электрические параметры КТ325А:
Граничная частота коэффициента передачи тока в схеме с ОЭ:
;Статический коэффициент передачи тока в схеме с ОЭ:
;Ёмкость коллекторного перехода при Uкб=5 В, не более:
;
Предельные эксплуатационные данные:
Постоянное напряжение коллектор-эмиттер:
;Постоянная рассеиваемая мощность коллектора:
мВт;Температура p-n перехода:
.Максимальная температура окружающей среды:
.

Рис. 2. Физическая малосигнальная высокочастотная эквивалентная схема биполярного транзистора (схема Джиаколетто)
широкополосный усилитель импульсный гармонический
– входное
сопротивление транзистора при коротком
замыкании на выходе для переменной
составляющей тока;
– коэффициент передачи по току
при коротком замыкании на выходе для
переменной составляющей тока;
– выходная проводимость
транзистора при разомкнутом входе для
переменной составляющей тока (холостой
ход входной цепи);
– коэффициент обратной связи
по напряжению при разомкнутом входе
для переменной составляющей тока.
Вычисление параметров схемы Джиаколетто:
•
=
– барьерная емкость коллекторного
перехода;
•
=
– выходное сопротивление транзистора;
•
=
– сопротивление коллекторного перехода;
•
– сопротивление эмиттерного
перехода эмиттерному току;
•
=
– сопротивление эмиттерного перехода
базовому току;
•
=
– распределенное сопротивление базы;
>ОС> – постоянная времени обратной связи транзистора;
ориентировочное значение r>Б> можно определить по формуле:
r>Б > Н>12Б >/ Н>22Б>;
•
=
– диффузионная емкость эмиттерного
перехода;
•
=
– собственная постоянная времени
транзистора;
•

– крутизна транзистора;
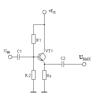
Фазовращательный каскад представляет собой усилительный каскад с схеме включения как с общим коллектором так и с общим эмиттером, он обеспечивает расщепление фазы с единичным коэффициентом усиления.
Фазовращательный каскад представляет собой два каскада в схеме включения с общим эмиттером и в схеме включения с общим коллектором:
Смысл данной схемы заключается что на выходе мы получаем два одинаковых сигнала, которые по фазе различаются на 180є.

Рис. 3. Схема расщепления фазы с единичным коэффициентом усиления
Для схемы включения с общим эмиттером коэффициент усиления равен:
,
R>0>
= R>i>
||R>к>||R>н=
>
Для схемы включения с общим коллектором коэффициент усиления равен:
,

Найдем значение R>0>:
→

Подберем значения
возьмем их равными

Произведем расчет граничных частот усилительного каскада, а также определим номиналы сопротивлений и емкостей, входящих в каскад:
• Граничная частота усилительного каскада в области нижних частот:




,
используем номинал 4,7 нФ
• Граничная частота входной цепи каскада в области нижних частот:





,
используем номинал 8.2 мкФ
Граничная частота выходной цепи усилительного каскада в области верхних частот:



постоянная времени усилительного
каскада в области верхних частот;
=


Постоянная времени входной цепи в области верхних частот:




=


Произведем расчет сопротивлений резисторов R1 и R2:
,
I>Д>= (10 – 20) I>Б0> = 1,95 мА,
,
используем номинал 6,8
кОм
,
используем номинал 330
Ом.
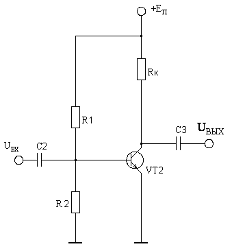
Усилитель напряжения представляет собой усилительный каскад с ООС по напряжению параллельного вида, он обеспечивает основное усиление входного сигнала по напряжению.
Расчет каскада ОЭ с ООС по напряжению параллельного вида:
Для нашего случая, чтобы удовлетворить ТЗ, выбираем Еп = 24 В.
Чтобы удовлетворить
параметрам транзистора должно выполняться
следующее условие:
выбираем
Rk=2,7
кОм;
Тогда
;

Рис. 3. Схема усилительного каскада с ООС по напряжению параллельного вида


Произведем расчет граничных частот усилительного каскада, а также определим номиналы сопротивлений и емкостей, входящих в каскад:
Граничная частота усилительного каскада в области нижних частот:




,
используем номинал 4,7 нФ
Граничная частота входной цепи каскада в области нижних частот:





,
используем номинал 8,2 мкФ
Граничная частота выходной цепи усилительного каскада в области верхних частот:



постоянная времени усилительного
каскада в области верхних частот;
=


Постоянная времени входной цепи в области верхних частот:




=


Произведем расчет сопротивлений резисторов R1 и R2:
•
,
I>Д>= (10 – 20) I>Б0> = 1,95 мА,
,
используем номинал 6,8
кОм
•
,
используем номинал 330
Ом.
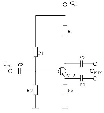
Для согласования с нагрузкой на выход широкополосного усилителя необходимо поставить усилитель, который не должен вносить изменения в амплитуду сигнала, должен обладать высоким входным и низким выходным сопротивлением. Всем этим требованиям удовлетворяет усилительный каскад на биполярном транзисторе, включённом по схеме с общим коллектором (эмиттерный повторитель).

Рис. 4. Эмиттерный повторитель
Произведем расчет граничных частот усилительного каскада, а также определим номиналы сопротивлений и емкостей, входящих в каскад:
Граничная частота выходной цепи усилительного каскада в области нижних частот





,
используем номинал 4,7 нФ
Граничная частота входной цепи каскада в области нижних частот:










,
используем номинал 0,56 мкФ
Постоянная времени входной цепи в области верхних частот:



Постоянная времени выходной цепи в области верхних частот:




•


Коэффициент усиления каскада по напряжению:
,
;
Произведем расчет сопротивлений резисторов R1 и R2:


≈
используем номинал 5,6
кОм (все номинальные
значения сопротивлений из ряда Е12).


используем номинал 12,0
кОм.
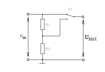
В усилителе заданием предусмотрена ступенчатая регулировка усиления Dp = 40 dB.

Рис. 5. Схема регулировки усиления
Задавшись величиной одного из резисторов делителя, можно определить величину другого, в соответствии с формулой:

Пусть R2 = 1 кОм,


,
используем номинал 100.0
кОм.
Заключение
В данном курсовом проекте был произведен расчет электрической принципиальной схемы широкополосного усилительного устройства. После расчета элементов схемы было произведено моделирование устройства в программном пакете «Electronics Workbench V5.12».
На основании результатов моделирования (амплитудно-частотная характеристика устройства) можно сделать вывод, что данная электрическая схема полностью удовлетворяет требованиям ТЗ: Ku = 80, f>Н> = 20 Гц, f>В> = 4 МГц.
Список источников
Джонсон Д., Джонсон Дж., Мур Г. Справочник по активным фильтрам: Пер. с англ. М.Н. Микшиса. М.: Энергоатомиздат, 1982. 220 с.
Павлов В.Н., Ногин В.Н. Схемотехника аналоговых электронных устройств. М.: Радио и связь, 1997. 320 с.
Калмыков А.А., Матюнина А.В. Оформление учебных студенческих работ: Методические указания. Свердловск: УПИ, 1984. 36 с.
Томас Р.К. Справочник. Коммутационные устройства. М.: Радиосвязь, 1989, 144 с.
