Расчет элементов однокаскадного усилителя
Федеральное агентство по образованию РФ
Уфимский государственный авиационный технический университет
Кумертауский филиал
Кафедра ПА
Курсовая работа
По дисциплине "Электроника"
Выполнил: студент группы АТПП-304
Игнатьев И.А.
Проверил: преподаватель
Зимин Н.В.
Кумертау 2010 г.
Содержание
Введение
1. Основные понятия
1.1 Усилитель
1.2 Усилители на биполярных транзисторах
1.3 h-параметры биполярных транзисторов
1.4 Параметры транзистора П14
2. Расчёт параметров и описание принципиальной схемы устройства
2.1 Выбор рабочей точки
2.2 Определение коэффициентов усиления транзистора П 14
2.3 Рассчитаем входное и выходное сопротивления транзистора П 14
2.4 Расчёт элементов усилителя
2.5 Расчет емкостей конденсаторов
Заключение
Список используемой литературы
Введение
В данном курсовой работе произведен анализ различных схем термостабилизации. В процессе проектирования произвели аналитический расчёт усилителя и вариантов его исполнения.
В работе произведен расчет элементов однокаскадного усилителя по схеме с общей базой и рассчитать коэффициенты усиления по току, напряжению и мощности, входного и выходного сопротивления.
В результате расчета был разработан усилитель низкой частоты с заданными требованиями и номиналами элементов, который можно использовать для практического применения.
Полученные данные могут использоваться при создании реальных усилительных устройств.
1. Основные понятия
1.1 Усилитель
При решении многих инженерных задач, например при измерении электрических и неэлектрических величин, приеме радио сигналов, контроле и автоматизации технологических процессов, возникает необходимость в усилении электрических сигналов. Для этой цели служат усилители.
Усилитель - устройство, осуществляющее увеличение энергии управляющего сигнала за счет энергии вспомогательного источника. Входной сигнал является как бы шаблоном, в соответствии с которым регулируется поступление энергии от источника к потребителю.
В современных усилителях, широко применяемых в промышленной электронике, обычно используют биполярные и полевые транзисторы, а в последнее время - интегральные микросхемы. Усилители на микросхемах обладают высокой надежностью и экономичностью, большим быстродействием, имеют чрезвычайно малые массу и размеры, высокую чувствительность. Они позволяют усиливать очень слабые электрические сигналы.
Упрощенно усилитель (усилительный каскад) можно представить в виде блок-схемы (рис.1.):

Данный усилитель содержит нелинейный управляемый элемент, как правило биполярный или полевой транзистор, потребитель и источник электрической энергии. Усилительный каскад имеет входную цепь, к которой подводится входное напряжение (усиливаемый сигнал), и выходную цепь для получения выходного напряжения (у си ленный сигнал). Усиленный сигнал имеет значительно большую мощность по сравнению с входным сигналом. Увеличение мощности сигнала происходит за счет источника электрической энергии. Процесс усиления осуществляется посредством изменения сопротивления нелинейного управляемого элемента, а следовательно, и тока в выходной цепи, под воздействием входного напряжения или тока. Выходное напряжение снимается с управляемого или потребителя. Таким образом, усиление основано на преобразовании электрической энергии источника постоянной ЭДС в энергию выходного сигнала за счет изменения сопротивления управляемого элемента по закону задаваемому входным сигналом.
Основными параметрами усилительного каскада являются коэффициент усиления по напряжению Ku=U>вых>/U>вх>, коэффициент усиления по току К>I>=I>вых>/I>вх> и коэффициент усиления по мощности

Обычно в усилительных каскадах все три коэффициента усиления значительно больше единицы. Однако в некоторых усилительных каскадах один из двух коэффициентов усиления может быть меньше единицы, т.е. К>U><1 или К>I> <1. Но в любом случае коэффициент усиления по мощности больше единицы.
В зависимости от того, какой параметр входного сигнала (напряжение, ток или мощность) требуется увеличить с помощью усилительного каскада, различают усилительные каскады напряжения, тока и мощности. Усилительный каскад напряжения имеет коэффициент усиления, как правило, равный нескольким десяткам. В инженерной практике очень часто необходимо получить значительно больший коэффициент усиления по напряжению, достигающий нескольких тысяч и даже миллионов. Для решения такой задачи используют многокаскадные усилители, в которых каждый последующий каскад подключен к выходу предыдущего.

В зависимости от вида подлежащих усилению сигналов усилители делятся:
1. Усилители гармонических сигналов
(звуковые сигналы вида U (t) =U>O>+∑Ui*cos (ωt+φ);
2. Усилители импульсных сигналов.
3. Усилители постоянного и переменного тока.
4. Усилители низкой и высокой частоты (20Гц - 20КГц).
5. Усилители высокой частоты.
6. Узкополосные и широкополосные усилители.
7. Избирательные усилители.
8. Апериодические усилители.
Способы соединения (связи) каскадов зависят от многокаскадного усилителя. Так, в усилителях постоянного тока вход последующего каскада подсоединяют к выходу предыдущего каскада непосредственно или с помощью резисторов. Такие усилители называют усилителями с непосредственной или резистивной связью.
усилитель конденсатор однокаскадный термостабилизация
В усилителях переменного напряжения (УВЧ, УНЧ и ТИПУ) для связи каскадов чаще всего используют конденсаторы и резисторы. Такие усилители называют усилителями с резистивно-емкостными связями.
В избирательных усилителях, в усилителях мощности для связи каскадов между собой и для связи усилительного каскада с нагрузочным устройством иногда используют трансформаторы. Такие усилители называют усилителями с трансформаторной связью.
Конденсаторы и трансформаторы в усилителях переменного напряжения служат для отделения переменной составляющей напряжения (выходного) от постоянной составляющей напряжения на нелинейном управляемом элементе, возникающей от постоянной составляющей тока, создаваемой источником постоянной ЭДС.
По способу включения усилительного элемента различают три основных типа усилительных каскадов как на биполярных, так и на полевых транзисторах.
Одним из наиболее распространенных усилительных каскадов на биполярных транзисторах является каскад с общим эмиттером (каскад ОЭ).
Схема усилительного каскада транзистора n-p-n типа с ОЭ представлена на рис.2.

Uвх, которое необходимо усилить, подается от источника колебаний на участок База-Эмиттер. На Базу также подано положительное смещение от источника Е1, которое является прямым напряжением эмиттерного перехода.
В цепи базы протекает ток, следовательно, входное сопротивление транзистора является небольшим.
Чтобы не происходила потеря части входного переменного напряжения, внутреннее сопротивление источника Е1 шунтируется конденсатором. Он на низкой частоте должен иметь сопротивление во много раз меньшее входного сопротивления транзистора.
Цепь коллектора питается от источника Е2. Напряжение источника современных усилительных каскадов на биполярных транзисторах составляет обычно 10 - 30 В.
Для получения усиленного выходного напряжения в нее включают сопротивление нагрузки.
Работа усилительного каскада происходит следующим образом. Представим коллекторную цепь в виде эквивалентной цепи (рис.3.).

Напряжение источника Е2 делится между Rн и внутренним сопротивлением транзистора го, которое он оказывает постоянному ток коллектора.
Внутреннее сопротивление транзистора примерно равно сопротивлению коллекторного перехода для постоянного тока:

Если во входную цепь включить источник колебаний, то при изменении его
напряжения изменяется ток эмиттера. Это вызывает изменение r>ко>, что приводит к перераспределению напряжения источника Е2 между R>o> и r>ко>. При этом переменное напряжение на нагрузке может быть получено в десятки раз больше, чем входное.
Изменение тока коллектора примерно равно изменению тока эмиттера и во много раз больше изменения тока базы, поэтому в рассматриваемой схеме получают значительное усиление тока и очень большое усиление мощности.
1.2 Усилители на биполярных транзисторах
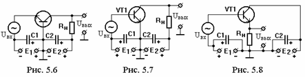
В усилителях на биполярных транзисторах используется три схемы подключения транзистора: с общей базой (рис.4;
7), с общим эмиттером (рис.5;
8), с общим коллектором (рис.6;

Рис.4 Рис.5 Рис.6

Рис.7 Рис.8 Рис.9
На рисунках 4-6 показаны схемы включения транзисторов с питанием входных и выходных цепей от отдельных источников питания, а на рисунках 7 - 8 - с питанием входных и выходных цепей транзистора от одного источника постоянного напряжения.
Усилители в схеме включения транзистора с общей базой характеризуются усилением по напряжению, отсутствием усиления по току, малым входным сопротивлением и большим выходным сопротивлением.
Усилители в схеме включения транзистора с общим коллектором характеризуются усилением по току, отсутствием усиления по напряжению, большим входным сопротивлением и малым выходным сопротивлением.
Наибольшее распространение получила схема включения с общим эмиттером. В схеме включения транзистора с общим эмиттером усилитель обеспечивает усиление по напряжению, по току, по мощности. Такой усилитель имеет средние значения входного и выходного сопротивления по сравнению со схемами включения с общей базой и общим коллектором.
Сравнительные характеристики усилителей приведены в таблице:
|
Параметр |
Схема ОЭ |
Схема ОБ |
Схема ОК |
|
коэффициент усиления по току |
Десятки-сотни |
Немного меньше единицы |
Десятки-сотни |
|
коэффициент усиления по напряжению |
Десятки-сотни |
Десятки-сотни |
Немного меньше единицы |
|
коэффициент усиления по мощности |
Сотни - десятки тысяч |
Десятки-сотни |
Десятки-сотни |
|
Входное сопротивление |
Сотни ом - единицы килоом |
Единицы-десятки ом |
Десятки - сотни килоом |
|
Выходное сопротивление |
Единицы - десятки килоом |
Сотни _илом - единицы мегаом |
Сотни ом - единицы килоом |
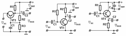
Параметры транзистора в значительной степени зависят от температуры. Изменение температуры окружающей среды приводит к изменению рабочего режима транзистора в простой схеме усилителя при включении транзистора с общим эмиттером. Такая простая схема усилителя используется очень редко. Для стабилизации режима работы транзистора при изменении температуры используют схемы коллекторной (рис.11,12) и эмиттерной (рис.13, 14) стабилизации режима работы транзистора.

Рис.10 Рис.11.

Рис.13 Рис.14
Коллекторная температурная стабилизация режима работы транзистора по схеме рисунка 5.12 используется редко, так как кроме температурной стабилизации происходит уменьшение коэффициента усиления за счет отрицательной обратной связи по переменному току. Устранить отрицательную обратную связь по переменному току позволяет конденсатор С1 в схеме, приведенной на рисунке 5.13. Такая стабилизация используется, например, в антенных усилителях для телевизионного приема.
Как в промышленных, так и в радиолюбительских конструкциях широко применяется эмиттерная температурная стабилизация режима работы транзистора. На рисунках 5.14 и 5.15 приведены схемы однокаскадных усилителей на биполярных транзисторах n-p-n и p-n-p типов с эмиттерной температурной стабилизацией режима работы транзистора.
Проследим цепи, по которым протекают постоянные токи в усилителе по схеме рисунка 5.14. Постоянный ток делителя напряжения протекает по цепи: плюс источника питания, резисторы R1, R2, минус источника питания. Постоянный ток базы транзистора VT1 протекает по цепи: плюс источника питания, резистор R1, переход база-эмиттер транзистора VT1, резистор Rэ, минус источника питания. Постоянный ток коллектора транзистора VT1 протекает по цепи: плюс источника питания, резистор RК, выводы коллектор-эмиттер транзистора, резистор Rэ, минус источника питания. Биполярный транзистор в составе усилителя работает в режиме, когда переход база-эмиттер смещен в прямом направлении, а переход база-коллектор - в обратном. Поэтому постоянное напряжение на резисторе R2 будет равно сумме напряжения на переходе база-эмиттер транзистора VT1 и напряжения на резисторе Rэ: UR2=Uбэ+Urэ. Отсюда следует, что постоянное напряжение на переходе база-эмиттер будет равно Uбэ= UR2 - Urэ.
Пусть температура окружающей среды увеличивается. В результате этого увеличиваются постоянные токи базы, коллектора и эмиттера, т.е. изменяется рабочая точка транзистора. Ток делителя напряжения на резисторах R1, R2 выбирают значительно больше тока базы транзистора. Поэтому напряжение на резисторе R2 при изменении температуры остается практически неизменным (сопротивление резистора от температуры не зависит), а напряжение на резисторе Rэ с увеличением температуры увеличивается за счет увеличения тока эмиттера при неизменном сопротивлении резистора в цепи эмиттера. В результате этого напряжение база-эмиттер уменьшится, что приведет к уменьшению тока базы, а, следовательно, и силы тока коллектора. Таким образом, рабочая точка транзистора будет стремиться к исходному состоянию. Наличие резистора в цепи эмиттера приводит к появлению отрицательной обратной связи как по постоянному, так и по переменному токам. Для устранения отрицательной обратной связи по переменному току параллельно резистору Rэ подключают конденсатор. Емкость конденсатора Сэ выбирают так, чтобы его сопротивление переменному току на самой низкой частоте усиливаемого сигнала было значительно (примерно в десять раз) меньше сопротивления резистора в цепи эмиттера.
В усилителях низкой частоты на биполярных транзисторах применяются разделительные конденсаторы большой емкости. Это, как правило, электролитические конденсаторы, при подключении которых в электрическую цепь необходимо соблюдать полярность. Если источник усиливаемого сигнала не имеет постоянной составляющей и к выходу усилителя подключается нагрузка, не имеющая постоянного напряжения на своих зажимах, то полярность конденсаторов при использовании транзисторов n-р-n типа должна быть такой, как показано на рисунке 5.14, а для транзистора р-n-р типа - на рисунке 5.15 (изменяется полярность включения источника питания и полярность подключения конденсаторов). Емкость разделительного конденсатора (конденсатор на выходе усилительного каскада) выбирают такой, чтобы его сопротивление было много меньше входного сопротивления следующего усилительного каскада, или много меньше сопротивления нагрузки на самой низкой частоте усиливаемого сигнала.
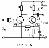
В последнее время широко применяются двухкаскадные усилители с непосредственной связью между транзисторами (рис.15). Такие усилители применяются в качестве входных усилителей низкой частоты, в качестве антенных усилителей телевизионного сигнала и др. В этих усилителях обеспечивается температурная стабилизация режима обоих транзисторов. Рассмотрим цепи, по которым протекают постоянные токи. Постоянный ток базы транзистора VT1 протекает по следующим цепям: плюс источника питания, резистор R1, переход база-эмиттер транзистора VT2, резистор R2, переход база-эмиттер транзистора VT1, общий провод, минус источника питания; плюс источника питания, резистор Rк, выводы коллектор-эмиттер транзистора VT2, резистор R2, переход база-эмиттер транзистора VT1, общий провод, минус источника питания. Постоянный ток базы транзистора VT2 протекает по цепи: плюс источника питания, резистор R1, переход база-эмиттер транзистора VT2, резистор Rэ, общий провод, минус источника питания. Постоянный ток коллектора транзистора VT1 протекает по цепи: плюс источника питания, резистор R1, выводы коллектор-эмиттер транзистора VT1, общий провод, минус источника питания. Постоянный ток коллектора транзистора VT2 протекает по цепи: плюс источника питания, резистор Rк, выводы коллектор-эмиттер транзистора VT2, резистор Rэ, общий провод, минус источника питания.

Рис.15
При увеличении температуры увеличивается ток базы первого транзистора. Это приведет к увеличению тока коллектора этого транзистора и уменьшению напряжения между коллектором первого транзистора и общим проводом. В результате уменьшится ток базы второго транзистора, что приведет к уменьшению тока коллектора второго транзистора. Напряжение на резисторе Rэ уменьшится, и ток базы первого транзистора будет стремиться к своему первоначальному значению.
Входные цепи чувствительного усилителя низкой частоты обязательно выполняются экранированным проводом, причем экран соединяется с корпусом усилителя в одной точке. От выбора этой точки зависит уровень мешающих напряжений.
1.3 h-параметры биполярных транзисторов
Для расчета и анализа устройств с биполярными транзисторами используют h-параметры транзистора, включенного по схеме с общим эмиттером. Электрическое состояние транзистора, включенного по схеме с общим эмиттером, характеризуется 4-мя величинами: I>б>, U>бэ>, I>к>, U>кэ>. Две из них можно считать независимыми, а две другие можно выразить через них:

Усилительный каскад с общей базой (ОБ) - одна из трёх типовых схем построения электронных усилителей на основе биполярного транзистора. Характеризуется отсутствием усиления по току (коэффициент передачи близок к единице, но меньше единицы), высоким коэффициентом усиления по напряжению и умеренным (по сравнению со схемой с общим эмиттером) коэффициентом усиления по мощности. Входной сигнал подаётся на эмиттер, а выходной снимается с коллектора. При этом входное сопротивление очень мало, а выходное - велико. Фазы входного и выходного сигнала совпадают.
Особенностью схемы с общей базой является минимальная среди трёх типовых схем усилителей "паразитная" обратная связь с выхода на вход через конструктивные элементы транзистора. Поэтому схема с общей базой наиболее часто используется для построения высокочастотных усилителей, особенно вблизи верхней границы рабочего диапазона частот транзистора.
Схема включения с общей базой
Коэффициент усиления по току: Iвых/Iвх=Iк/Iэ=α [α<1]
Входное сопротивление Rвх=Uвх/Iвх=Uбэ/Iэ.
Входное сопротивление для схемы с общей базой мало и не превышает 100 Ом для маломощных транзисторов, так как входная цепь транзистора при этом представляет собой открытый эмиттерный переход транзистора.
Недостатки схемы с общей базой:
малое усиление по току, так как α < 1
Малое входное сопротивление
Два разных источника напряжения для питания.
Достоинства:
Хорошие температурные и частотные свойства.
Высокое допустимое напряжение.
Биполярный транзистор - трёхэлектродный полупроводниковый прибор, один из типов транзистора. Электроды подключены к трём последовательно расположенным слоям полупроводника с чередующимся типом примесной проводимости. По этому способу чередования различают npn и pnp транзисторы (n (negative) - электронный тип примесной проводимости, p (positive) - дырочный). В биполярном транзисторе, в отличие от других разновидностей, основными носителями являются и электроны, и дырки (от слова "би" - "два"). Схематическое устройство транзистора показано на втором рисунке.
Электрод, подключённый к центральному слою, называют базой, электроды, подключённые к внешним слоям, называют коллектором и эмиттером. На простейшей схеме различия между коллектором и эмиттером не видны. В действительности же коллектор отличается от эмиттера, главное отличие коллектора - бо́льшая площадь p - n-перехода. Кроме того, для работы транзистора абсолютно необходима малая толщина базы.
1.4 Параметры транзистора П14
П13, П13А, П13Б, П14, П14А, П14Б, П15, П15А
Германиевые плоскостные транзисторы типа П13, П13А, П14, П15 предназначены для усиления электрических сигналов промежуточной частоты. Транзистор П13Б предназначен для работы в схемах с низким уровнем шумов в схемах ОБ.
Выпускаются в цельнометаллических герметизированных сварных патронах со стеклянными изоляторами. Вес 2г.
Проводимость p-n-p.

Электрические параметры
Наибольшая частота усиления по току
П13, П13А - 465 кГц
П13Б, П14, П14А, П14Б - 1 МГц
П15, П15А - 2 МГц (1,6 МГц) *
Напряжение коллектора - 5 В
Номинальный ток эмиттера
П13, П13Б, П14 - 1 мА
П13А - 0,5 мА
Нулевой ток коллектора
П13А - 15 мкА
П14 - 5 мкА
Обратный ток коллектора
П13 не более - 15 мкА
П13Б - 10 мкА
П15 - 5 мкА (< 15 мкА) **
Обратный ток эмиттера при Uэ = - 5В не более 15 мкА (не более 30 мкА) **
Входное сопротивление при КЗ на выходе, f = 1000 Гц 40 Ом (< 32 Ом) **
Входное сопротивление при Iк = 1 мА, f = 270 Гц
П13А - 5 кОм
П14, П15 - 3 кОм
Выходное сопротивление - 50 кОм
Сопротивление базы на частоте 465 кГц (П14, П15) - 150 Ом
Крутизна характеристики
П13А - 30 мА/В
П14, П15 - 25 мА/В
Коэффициент усиления по току в схеме с общей базой, f = 1 кГц
П13 - 0,92
П13А - 0,97
П13Б, П14 - 0,95
П15 - 0,965 (0,95) *
Коэффициент усиления по току в схеме с общим эмиттером, Iк = 1 мА, f = 270 Гц
П13 > 12 (12…45) **
П13А > 32 (20…60) **
П13Б, П14, П14А, П15 > 20
П14Б > 30 (30…60) **
П15А > 50 (50…100) **
Коэффициент обратной связи по напряжению, f = 1 кГц
П13, П14, П15 5х10-3
П13А, П13Б 6х10-4
П14А 7х10-3
Емкость коллектора на частоте 465 кГц 50 пФ
Емкость коллектора при Uкб = 0,1 В
П13 - 100 пФ
П14 - 80 пФ
П15 - 20 пФ
Коэффициент шумов в схеме ОЭ при Uк = - 1,5В, Iэ = 0,5мА, f = 1 кГц
П13, П13А, П15, П14 - 33 дБ
П13Б, П14Б - 12 дБ
Выходная проводимость на входе при холостом ходе на частоте 1000 Гц
П13, П14, П15 - 3,3 мксим
П13А - 2,2 мксим
П13Б - 2,0 мксим
П14А, П14Б, П15А - 2,5 мксим
Тепловое сопротивление корпуса 0,5°С/мВт (0,2°С/мВт) **
* ранние выпуски транзисторов
**последние выпуски транзисторов
Предельные эксплуатационные данные
Напряжение коллектор-база при Тк < 50°С
П13, П13А, П13Б, П14, П15, П15А - 15 В
П14А, П14Б - 20 В
Импульсное напряжение коллектор-база при Тк < 50°С 30 В
Ток коллектора в режиме усиления
П13, П13А, П14, П15 - 20 мА, П13Б - 10 мА
Импульсный ток коллектора - 50 мА (150 мА) *
Ток эмиттера в режиме усиления - 10 мА (20 мА) *
Ток эмиттера в режиме переключения - 50 мА
Рассеиваемая мощность при Тк < 50°С - 150 мВт
Температура окружающей среды
П13, П13А, П13Б, П14А, П14Б, П15А - 60 … +85°С
П14, П15 - 50 … +60°С
Температура перехода - 60 … +100°С
Относительная влажность воздуха при - +40°С до 98%
Наибольшее ускорение при вибрации - 12 g
Наибольшее ускорение при одиночном ударе - 120 п
* по некоторым источникам





Зависимость крутизны характеристики, внутреннего сопротивления, входного сопротивления и емкости коллектора транзистора П13А от тока коллектора в схеме с общим эмиттером



Зависимость крутизны характеристики, внутреннего сопротивления и входного сопротивления от частоты.

2. Расчёт параметров и описание принципиальной схемы устройства
Необходимо составить и рассчитать схему однокаскадного усилителя с эммиторной термостабилизацией. Определить коэффициенты усиления по току, напряжению и мощности, входное и выходное сопротивление, элементы термостабилизации.
Тип транзистора - П 14;
Схема включения - с общей базой;

2.1 Выбор рабочей точки
Построим нагрузочную прямую на семействе выходных характеристик транзистора, изображенную на рисунке 3.1 Для построения нагрузочной прямой требуется всего лишь провести прямую через две точки, а именно: через точку с координатой (E>ИП>; 0) и точку с координатой (0; I>К >>max>).

Выходная вольт-амперная характеристика

После построения нагрузочной прямой выбираем рабочую точку. На семействе входных характеристик отметим данную рабочую точку.
Рабочая точка имеет следующие координаты:

2.2 Определение коэффициентов усиления транзистора П 14
2.2.1 Определение коэффициента
усиления
по току.
Из параметра
найдем коэффициент усиления
по току:


2.2.2 Определение коэффициента
усиления
по напряжению.
Из параметра
найдем коэффициент усиления
по напряжению:


2.2.3 Определение коэффициента
усиления
по мощности.


2.3 Рассчитаем входное и выходное сопротивления транзистора П 14
Рассчитаем входное сопротивление транзистора:

Рассчитаем входное сопротивление транзистора:

2.4 Расчёт элементов усилителя
2.4.1 Расчёт резистора R>Э>
Падение напряжения на резисторе R>Э> рекомендуется выбирать в пределах порядка (0,05…0,1) U>П>. Отсюда выбираем, что падение напряжения на резисторе R>Э> выбираем равным 0,075U>П>. Подставляя численные данные, получим:

Ток I>Э0> определим по следующей формуле:

где I>К0> - начальный ток коллектора, А,
I>б0> - постоянный ток базы, А.
Подставляя численные данные в формулу, получим:

Для определения резистора R>Э>, Ом, воспользуемся следующей фор-мулой:

где U>R>>э> - падение напряжения на резисторе R>Э>, В;
Подставляя численные данные в формулу (3.3.1.2), получим:

2.4.2 Расчёт резистора R>К>
Так как каскад работает в режиме класса “А”, рабочую точку выбираем примерно по середине нагрузочной прямой (данная тока уже определена в п. п.3.1), и тогда U>П> = 2U>К0>. Для определения резистора R>К>, Ом, воспользуемся следующей формулой:

где U>П> - источник питания (напряжения), В;
Подставляя численные данные в формулу, получим:

2.4.3 Расчет сопротивление резисторов R1 и R2.
Для расчета сопротивления резистора R1 воспользуемся следующей формулой:
,
Где
- ток делителя;

Подставляя численные данные в формулу, получим:

Для расчета сопротивления резистора R1 воспользуемся следующей формулой:

Подставляя численные данные в формулу, получим:

2.5 Расчет емкостей конденсаторов
Рассчитаем емкость фильтрующего конденсатора Сф по следующей формуле:
,
где
,
.
Подставляя численные данные в формулу, получим:

Рассчитаем емкость разделяющих конденсатора СР1 и СР2. по следующей формуле:
;
;
Подставляя численные данные в формулу, получим:


Рассчитаем емкость блокирующего конденсатора Сбл по следующей формуле:

Подставляя численные данные в формулу, получим:

Заключение
Данный курсовой проект представляет собой расчёт однокаскадного усилителя низкой частоты на транзисторе П 14.
В ходе курсового работы были рассчитаны элементы усилителя и коэффициенты усиления по току, напряжению и мощности однокаскадного усилителя низкой частоты на n-p-n транзисторе П 14.
Список используемой литературы
1. Агаханян Т.М. Основы транзисторной электроники Издательство: М., "Энергия", 1974 256 страниц
2. Войшвилло Г.В. Усилительные устройства Издание 2-е, перераб. и доп. 1983 г.264 с.
3. Жеребцов И.П. Основы электроники. - 4-е изд., перераб. и доп. - Л.: Энергоатомиздат. Ленингр. отд-ние, 1985. - 352 с.
4. Степаненко И.П. Основы теории транзисторов и транзисторных схем. - М.: Энергия, 1977.