Трифазний асинхронний двигун типу 4А112М4У3 з коротко замкнутим ротором
Міністерство освіти і науки України
Державний вищий навчальний заклад
Донецький національний технічний університет
Кафедра Електромеханіки і теоретичних основ електротехніки
Курсовий проект
Тема: Трифазний асинхронний двигун типу 4А112М4У3 з коротко замкнутим ротором
Донецьк – 2010
Об'єктом розрахунку і конструювання є трифазний асинхронний двигун типу 4А112М4У3 з коротко замкнутим ротором. Вихідними даними до розрахунку є: номінальна потужність Рн=5.5 кВт, номінальна напруга Uн=220/380 В, номінальний коефіцієнт потужності cosн=0.85, синхронна частота обертання n1=1500 об/хв, частота напруги мережі f=50 Гц, номінальний коефіцієнт корисної дії н=0.855. Мета роботи: сконструювати і розрахувати асинхронний двигун 4А112М4У3 з короткозамкненим ротором по заданих вихідних характеристиках, установленим відповідно до вимог державних і галузевих стандартів. Як базова модель приймається асинхронний двигун серії 4А з короткозамкненим ротором. Конструктивне виконання по способу монтажу IM1001. Виконання по ступені захисту - IP44, категорія кліматичного виконання - У3, ізоляція класу нагрівостійкості В, режим роботи – тривалий. Для даного двигуна застосовується сталь марки 2013 відповідно до ДСТ 21427.3-83. Осереддя статора і ротора зібрано із штампованих листів електротехнічної сталі товщиною 0.5•10-3 м. Обмотка короткозамкненого ротора і закорачивающі кільця виконуються алюмінієвими, обмотка статора – мідна. При проектуванні були обрані головні розміри (висота осі обертання h=112 мм, зовнішній діаметр статора Dа=0.191 м, внутрішній діаметр статора D=0.126 м, розрахункова довжина повітряного зазору L=0.125 м), електромагнітні навантаження (А=26*103 А/м, В=0.855 Тл).
Перелік скорочень і умовних позначень
р – число пар полюсів;
D – внутрішній діаметр статора;
Da – зовнішній діаметр статора;
Р' – розрахункова потужність;
m – число фаз;
n1 – синхронна частота обертання;
f – частота живлення;
Z1,2 – число пазів статора, ротора;
ω – синхронна кутова швидкість;
δ – повітряний зазор;
- полюсний розподіл;
lд – розрахункова довжина повітряного зазору;
t1,2 – значення зубцевого розподілу;
I1н – струм статора при номінальному навантаженні;
А – значення лінійного навантаження;
Вδ – індукція в повітряному зазорі;
j1 – щільність струму в обмотці статора;
qэф – перетин ефективного провідника;
hа – висота ярма статора;
Кз – коефіцієнт заповнення;
D2 – зовнішній діаметр ротора;
qc – площа поперечного переріза стрижня;
j2 – щільність струму в стрижнях ротора;
qкл – площа поперечного переріза замикаючих кілець;
Fz1,2 – магнітні напруги зубцевих зон статора , ротора;
Kz – коефіцієнт насичення зубцевих зон;
Lа – довжина середньої магнітної лінії статора;
K – коефіцієнт насичення магнітного ланцюга;
R1 – активний опір фази обмотки статора;
Кr – коефіцієнт збільшення активного опору фази обмотки статора від дії ефекту витиснення струму;
а – число рівнобіжних галузей обмотки;
lср – середня довжина витка обмотки;
Rкл – опір короткозамикаючого кільця;
Х1 – індуктивний опір обмотки статора;
Х2 - індуктивний опір обмотки короткозамкнутого ротора;
Рэ1,2 – електричні втрати в обмотці статора, ротора;
Рст – загальні втрати в сталі статора;
η – коефіцієнт корисної дії;
Іо – струм холостого ходу двигуна;
Qв –витрата повітря необхідна для охолодження двигуна;
Вступ
Асинхронні двигуни одержали найбільше широке застосування в сучасних електричних установках і є самим розповсюдженим видом безколлекторних електричних двигунів перемінного струму. Пояснюється це простотою конструкції, надійністю в роботі і задовільних робочих характеристиках. Області застосування асинхронних двигунів, що складають основу сучасного електропривода, досить широкі – від привода пристрою автоматики і побутових електроприладів до привода великого гірського устаткування. Відповідно до цього потужність асинхронних двигунів, що випускаються електромашинобудівною промисловістю, складає діапазон від часток ватів до тисячі кіловатів при напрузі живильної мережі від десятків вольтів до 10 кіловольтів. Найбільше застосування мають трифазні асинхронні двигуни серії 4А, розраховані на роботу від мережі промислової частоти. Серія 4А була спроектована в 1969 – 1971 р. і через кілька років була впроваджена у виробництво. В основу побудови серії покладені висоти осі обертання ротора (для машин з горизонтальною віссю обертання) до настановної поверхні. Серія 4А охоплює діапазон потужностей від 0.06 до 400 квт і виконана на 17 стандартних висотах осі обертання, причому шкала потужностей містить 33 ступіні. Основними виконаннями є закрите, що обдувається (4А), і захищене (4АН). Застосування ізоляції класу нагрівостійкості F і нових сортів електротехнічної сталі дало можливість підвищити електромагнітні навантаження. Це дозволило збільшити потужність двигунів при тих же висотах осі обертання, що й у колишніх серіях, поліпшити їхні техніко-економічні показники. Двигуни виконуються на наступні номінальні напруги:
220/380 В – при потужностях від 0.06 до 0.37 кВт, 220/380 і 380/660 В – при потужностях від 0.55 до 110 кВт, 380/660 В – при потужностях більш 132 кВт. Спроектований двигун може бути застосований для привода механізмів з незмінною частотою обертання: привода вентиляторів, насосів, транспортерів і обробних верстатів або інших пристроїв, не потребуючі регулювання частоти обертання приводного двигуна.
1. Вибір головних розмірів
Геометричні розміри проектируємої машини вибираємо за літературою такі ж як і у двигуна 4А112М4У3.
Число пар полюсів:

Висота осі обертання:

Зовнішній діаметр статора:
/2, стор.164, рис.6-7/
Внутрішній діаметр статора:

/2,
стор.165, табл.6-7/
Полюсний розподіл:

Розрахункова потужність:

де Ке – відношення ЭДС обмотки статора до номінальної напруги, Ке=0.968 /2, стор. 164, рис.6-8/ cosφ=0,85 η =85.5 /1, стор.28,
табл.2-1/ Електромагнітне навантаження та індукція в повітряному зазорі по /2, стор. 166, рис.6-11/:
лінійне навантаження:
А=26∙103 А/м
індукція в повітряному зазорі:
В=0.855 Тл
Обмотувальний коефіцієнт для одношарової обмотки (попередньо):
Коб1=0.95
Розрахункова довжина повітряного зазору:
де
-
кутова швидкість вала:

Відношення між діаметром D і
довжиною повітрянного зазору
:

Зрівнявши отримане значення
відношення між діаметром D і довжиною
повітрянного зазору
з рекомендованим значенням ,яке
визначається з графіків /2, стор. 168,
рис.6-14/ можемо зробити висновки що
знаходиться в рекомендованому проміжку.
Розмір повітряного зазору:


Рисунок 1.1 – Основні геометричні розміри двигуна
2. Розрахунок обмоток статора
Вид обмотки: однослойна концентрична рис. 2.1

Рисунок 2.1 – Розгортка одношарової концентричної обмотки статора
Число пазів статора:
/2, стор. 166, рис.6-11/:

Вибираємо
шт.
Число пазів статора на полюс і фазу:
де m – число фаз статорної обмотки. Обмотка одношарова.
Зубцевий розподіл статора:
Число ефективних провідників у пазу (попередньо, а=1):
де I1н – струм в обмотці статора:
Приймаємо а=1, число ефективних провідників у пазу:
Тоді остаточне значення:
- число витків обмотки статора:

- число витків обмотки однієї фази:

число витків паралельної вітки фази:

число витків однієї фази статора:

значення лінійного навантаження:

магнітний потік:

де
/2, стор. 69, рис.3-11/:
/2, стор. 71, табл.3-13/:
Значення А и В знаходиться в припустимих межах / 2, стор. 166, рис.6-11 /
Індукція в повітряному зазорі:

Відхилення від табличного значення не перевищує 1%
Щільність струму в обмотці статора (попередньо):

де
/ 2., стор. 173, рис. 6-16 /
Перетин ефективного провідника (попередньо):

Приймаємо число елементарних провідників n=1, тоді перетин:

Тоді обмотувальний провід / 2, стор. 470, П-28 / приймаємо ПЭТМ:



Щільність струму в обмотці статора (остаточно):

3. Розрахунок розмірів зубцевої зони статора
Тип паза статора, рис.3.1, приймаємо з літератури /1, стор. 182, рис.6-1/

Рисунок 3.1 – Форма та розміри паза статора
По вибраному значенню індукції оприділяється попередньо висота ярма статора:

де
коефіцієнт заповнення сталлю магнітопровода
/
2, стор. 176, табл. 6-11/

Ширина зубца статора:

Розміри паза в штампі:
Глубина паза

Ширина пазу


Де, bш=3.5∙10-3 м
hш=0.5∙10-3 м / 2, стор. 179, табл. 6.12/:
Розміри паза у світлі з урахуванням припусків на зборку:



де припуски по ширині паза b і по висоті h приймаємо 0,1мм / 2, стор. 177/.
Площа поперечного переріза паза для розміщення провідників:

де Sпр – площа поперечного переріза прокладок
Sиз – площа поперечного
переріза корпусної ізоляції

де bиз – однобічна товщина ізоляції, bиз=0,25∙10-3/2, стор. 61, табл. 3.8/
Коефіцієнт заповнення паза:

Кз знаходиться в припустимих межах 0.70-0.75 при ручній укладці обмоток по /2, стор. 66, табл. 3-12/
4. Розрахунок коротко замкнутого ротора
Повітряний зазор:
δ=0,3∙10-3м /1, стор.202, табл. 6.1/
Число пазів ротора:
Z2=34 шт. /2, стор.185, табл. 6.15/
Зовнішній діаметр:

Довжина ротора та статора:
L2=L1=0. 125 м
Зубцевий розподіл:

Внутрішній діаметр ротора дорівнює діаметрові вала, тому що сердечник безпосередньо насаджений на вал:

де
=0.23/2,
стор. 191, табл. 6.16/ Струм у стрижні ротора:

де КI – коефіцієнт враховуючого впливу струму намагнічування й опори обмоток, КI=0,88 /2, стор. 183, рис. 6-22/
I – коефіцієнт приведення струмів:

Тип паза ротора, рис.4.1, приймаємо з літератури /1, стор. 183, рис. 6.2/
Площа поперечного перерізу стрижня /1, (6-69)/:

де J2 – щільність струму, приймаємо J2=3∙106 А/м2 /2, стор. 186/
Паз ротора (рис. 4.1). Для двигуна з h<160 мм по /1, стор. 188, рис. 6 27, а/ виконуються грушоподібні напівзакриті пази та лита обмотка на роторі.
Для напівзакритого грушоподібного паза короткозамкненого ротора при висоті осі обертання h=112÷132 мм:
bШ = 1,5 мм = 0,0015 м
hШ = 0,75 мм = 0,00075 м

Рисунок 4.1 – Форма та розміри паза ротора
Припустима ширина зубця /2, (6-77)/:

де ВZ2 – індукція в зубцях, ВZ2=1,8 Тл /2, стор. 174, табл. 6-10/
Розміри паза /3, с. 20/:


де hП2 – повна висота паза, hП2=0,022м /2, рис. 11/

Приймаємо:
b1=5,8∙10-3 м
b2=1,8∙10-3 м
H2=21,66∙10-3 м
Повна висота пазу:

Остаточне значення площі перетину стрижня:

Щільність струму в стрижні:

Струм у замикаючих кільцях:

Щільність струму в замикаючих кільцях:

Короткозамикаючі кільця. Площа поперечного перерізу /2, (6-73)/:

Розміри замикаючих кілець:
bкл=1.1∙ hп =1.1∙22.3∙10-3 =24.5∙10-3 м
акл=9.8∙10-3 м
Розміри замикаючих кілець наведені на рис.4.2

Рисунок 4.2 – Форма та розміри замикаючих кілець короткозамкнутого ротора з литою обмоткою
5. Розрахунок намагничуючого струму
Для визначення намагнічующого струму проводиться розрахунок магнітного кола:

Рисунок 5.1 – Елементарне магнітне коло асинхронної машини з 2р=4 Коефіцієнт повітряного зазору:

де γ знаходиться за формулою:

Коефіцієнт повітряного зазору відносно статора:
Ширина зубця статора:

де bz1’ та bz1” ширина зверху та знизу зубця статора


Ширина зубця ротора:


де bz2’ та bz2” шширина зверху та знизу зубця ротора


Значення магнітної індукції:
- у зубцях статора:

Що задовільняє допустимому середньому значенню яке знаходиться в межах
- у зубцях ротора:

Що задовільняє допустимому
середньому значенню яке знаходиться в
межах
- у ярмі статора:
де
-
розрахункова висота ярма статора

Що задовільняє допустимому
середньому значенню яке знаходиться в
межах
- у ярмі ротора:
де
-
розрахункова висота ярма ротора

Що задовільняє допустимому
середньому значенню яке знаходиться в
межах
Магнітна напруга повітряного зазору:

Магнітна напруга зубцевих зон:
статора:
де HZ1=1680A/м при ВZ1=1.832 Тл для сталі 2013 по кривій намагничування для зубців АД/2, стор. 461, П-17/ hz1=h+e=(14.3+0.5)∙10-3=14.8∙10-3 м
ротора:
де HZ2=1448 A/м при ВZ2=1.782 Тл для сталі 2013 по кривій намагничування для зубців АД/2, стор. 461, П-17/
Коефіцієнт насичення зубцевої зони:

Коефіцієнт насичення лежить у припустимих межах
/2, стор.194/.
Магнітні напруги:
ярма статора:
де Ha=632 A/м /2, стор. 460, П-16/ La
– довжина середньої магнітної лінії ярма статора:

ярма ротора:

де HJ=222 A/м /2, стор. 460, табл. П-16/ LJ – довжина середньої магнітної лінії ярма ротора:

Сумарна магнітна напруга

Коефіцієнт
насичення магнітного ланцюга:

Намагнічуючий струм:

Відносне значення:

являється
критерієм правильності вибору розмірів
і обмотки двигуна.
Так як
знаходиться в рекомендованому проміжку
можна
зробити висновки що
вибір розмірів та обмотки зроблений
вірно і остаточно прийняти для подальших
розрахунків отримані значення.
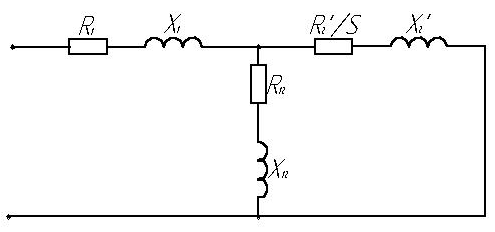
6. Параметри робочого режиму
Параметри робочого режиму знаходимо для еквівалентної заступної схеми однієї фази двигуна з нерухомим приведеним ротором, яка приведена на рис.6.1

Рисунок 6.1 – Т-образна заступна схема асинхронного двигуна
асинхронний двигун трифазний ротор
Активний опір фази обмотки статора:

де Кr – коефіцієнт збільшення активного опору фази обмотки від дії ефекту витиснення струму, Кr=1
- питомий опір матеріалу
обмотки при розрахунковій температурі,
Vрасч.=1150С, для міді
=10-6/41
Ом∙м
L1 – довжина провідника фази обмотки:

де Lср1 – середня довжина витка обмотки:
Lп1 – довжина стрижня статора, Lп1=0, 125 м Lл1 – довжина лобової частини секції

де
/2, стор.197, табл. 6-19/
b – довжина вильоту прямолінійної частини котушок з паза від торця сердечника до початку відгину лобової частини, приймаємо b=0,01м bкт – середня ширина котушки, визначається по дузі окружності минаючої по серединах висоти пазів:

де 1
- відносне укорочення кроку 1=0.809
при
ціле число.
Довжина вильоту лобової частини котушки:

де Квыл=0,4 /2, стор.197, табл. 6-19/
Відносне значення:

Що задовільняє допустимому
середньому значенню яке знаходиться в
межах
Активний опір фази короткозамкнутого ротора:


де rc - опір стрижня:

де c – питомий опір матеріалу стрижня й алюмінієвих короткозамикаючих кілець при t0=1150С, 115=10-6/20,5 Ом∙м
Опір замикаючих кілець:

де Dкл.ср – діаметр середньої лінії замикаючого кільця:

Приводимо R2 до числа витків обмотки статора:

Відносне значення:

Що задовільняє допустимому
середньому значенню яке знаходиться в
межах
Індуктивний опір фази обмотки статора:


де λп1- коефіцієнт магнітної провідності пазового розсіювання статора /2, стор. 200, табл. 6.22 /:

К
=1та

- по /2, стор. 200, табл. 6-22/ λл1 - коефіцієнт магнітної провідності лобового розсіювання статора:
λд1 - коефіцієнт магнітної провідності диференціального розсіювання статора:


Відносне значення:

Що задовільняє допустимому
середньому значенню яке знаходиться в
межах
Індуктивний опір фази обмотки ротора:


де λп2- коефіцієнт магнітної провідності пазового розсіювання ротора:

λл2 - коефіцієнт магнітної провідності лобового розсіювання ротора

λд2 - коефіцієнт магнітної провідності диференціального розсіювання ротора


Приведемо x2 до числа витків статора:

Відносне значення:

Що задовільняє допустимому
середньому значенню яке знаходиться в
межах
Активний опір, для врахування втрат в сталі:

Відносне значення:

Індуктивний опір взаємної індукції:

Відносне значення:


Що задовільняє допустимому
середньому значенню яке знаходиться в
межах
7. Втрати та ККД
Електричні втрати в обмотках статора:

Електричні втрати в обмотках ротора:

Основні втрати в сталі:


де Р1,0/50 – питомі втрати в сталі, Р1,0/5,0=2,5 Вт/кг , β=1.5 /2, стор.206, табл. 6-24/ mА – маса стали ярма:

с – питома маса стали, з=7,8·103 кг/м3 /2, стор. 266/ mz - маса зубців статора:

Поверхневі втрати в роторі і статорі:


де рПОВ2 і рПОВ1– втрати приходяться на 1м2 поверхні голівок зубців ротора і статора:




де к01 та к02 – коефіцієнт для неопрацьованих поверхонь голівок зубців, к01=к02=1,5
Амплітуда пульсації індукції в повітряному зазорі над крайками зубців ротора і статора:


де О1=0,42 /1, стор. 207, рис. 6-41/ О2=0,3 /1, стор. 207, рис. 6-41/
Пульсаційні втрати в зубцях ротора і статора:


де Впул2 – амплітуда пульсації індукції в середньому перетині зубців ротора
Впул1 – амплітуда пульсації індукції в середньому перетині зубців статора:


m2 – маса сталі зубців ротора:

Сума додаткових втрат у сталі:

Повні втрати в сталі:

Механічні втрати:


Додаткові втрати при номінальному режимі:

Повні втрати в двигуні:


Струм холостого ходу двигуна:

де Iхх,а – активна складового струму

де РЭ1хх – електричні втрати в статорі при холостому ході:

Коефіцієнт потужності при холостому ході:

Коефіцієнт корисної дії двигуна:

Отриманий коефіцієнт корисної
дії двигуна перевищує табличне значення
,яке дорівнює
,
на 1.9% .
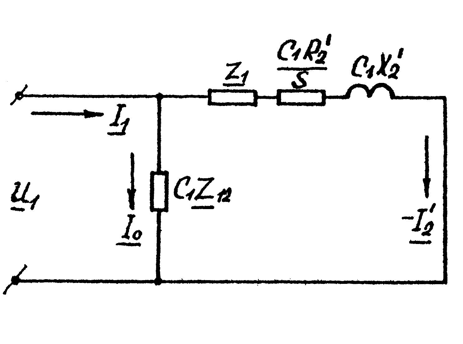
8. Розрахунок робочих характеристик
Для розрахунку робочих характеристик використовується уточнена Г образна заступна схема. Розрахунок наведений у табл. 8.2. Докладний розрахунок наведений для ковзання S=Sн=0,033, яке визначено методом інтерполяції за допомогою MatLab Робочі характеристики спроектованого двигуна наведені на Рисунку 8.2.

Рисунок 8.1 – Уточнена Г-образна заступна схема асинхронної машини
Параметри заступної схеми /2, (6-179), (6-180)/:


Відносні значення параметрів /2, c. 205/:



|γ| не перевищує 1, тому реактивною складовою коефіцієнта можна знехтувати /2, c. 210/, тоді приблизно за /2, (6-218)/:

Активна складового струму синхронного холостого ходу:

Враховуючи значення |γ|, яке не перевищує 1, можна використати приблизний метод за [1, (6-223)]:
;

;

Втрати не змінні при зміні ковзання:

Приймемо попередньо:
По формулам /2, табл. 6-26/ розрахуємо робочі
характеристики за допомогою MatLab та
знайдемо Sн:






Активна складова струму:
Реактивна складова струму:

Повний струм:
Приведений струм ротора:

Електричні втрати в статорі:
Електричні втрати в роторі:

Додаткові втрати:
Сумарні втрати:

Номінальна потужність:

Коефіцієнт корисної дії:


Таблиця 8.1 – Вхідні данні для розрахунку робочих характеристик
|
Параметр |
Значення |
Од. вимір. |
Параметр |
Значення |
Од. вимір. |
Параметр |
Значення |
Од. вимір. |
|
P2н |
5500 |
Вт |
I0a |
0,22 |
А |
a' |
1,053 |
Ом |
|
U1н |
220 |
В |
I0p=Iμ |
3,314 |
А |
a |
0,91 |
Ом |
|
I1н |
11,47 |
А |
r1 |
0,89 |
Ом |
b' |
0 |
Ом |
|
2p |
4 |
|
r2' |
0,697 |
Ом |
b |
4,194 |
Ом |
|
Pст+Pмех |
196,07 |
Вт |
c1 |
1,026 |
Ом |
|
||
|
Pдоб.н. |
32,164 |
Вт |
|
Таблиця 8.2 – Данні розрахунку робочих характеристик
|
Розрахункова величина |
Од. вимір. |
Ковзання |
||||||||
|
0,005 |
0,01 |
0,015 |
0,02 |
0,025 |
0,03 |
0,033 |
0,035 |
0,04 |
||
|
a' r2'/s |
Ом |
109,04 |
54,52 |
36,35 |
27,26 |
21,81 |
20,97 |
21,12 |
15,58 |
13,63 |
|
b 'r2'/s |
Ом |
0,00 |
0,00 |
0,00 |
0,00 |
0,00 |
0,00 |
0,00 |
0,00 |
0,00 |
|
R |
Ом |
147,6 |
74,2 |
49,8 |
37,6 |
30,2 |
25,4 |
23,15 |
21,9 |
19,2 |
|
X |
Ом |
4,192 |
4,192 |
4,192 |
4,192 |
4,192 |
4,192 |
4,192 |
4,192 |
4,192 |
|
Z |
Ом |
147,6 |
74,4 |
50,0 |
37,8 |
30,5 |
25,7 |
23,53 |
22,3 |
19,7 |
|
I2'' |
А |
1,49 |
2,958 |
4,402 |
5,818 |
7,204 |
8,559 |
9,354 |
9,881 |
11,168 |
|
cosφ2' |
- |
0,999 |
0,998 |
0,997 |
0,994 |
0,991 |
0,987 |
0,984 |
0,982 |
0,977 |
|
sinφ2' |
- |
0,0284 |
0,0564 |
0,0839 |
0,111 |
0,127 |
0,163 |
0,178 |
0,188 |
0,213 |
|
I1a |
А |
1,709 |
3,174 |
4,606 |
6,002 |
7,356 |
8,665 |
9,424 |
9,925 |
11,133 |
|
I1р |
А |
3,356 |
3,481 |
3,683 |
3,959 |
4,303 |
4,71 |
4,982 |
5,175 |
5,691 |
|
I1 |
А |
4,71 |
5,898 |
7,19 |
8,52 |
9,862 |
10,162 |
10,66 |
12,503 |
12,897 |
|
I2' |
А |
1,528 |
3,036 |
4,515 |
5,968 |
7,39 |
8,78 |
9,598 |
10,136 |
11,456 |
|
P1 |
Вт |
1128,2 |
2094,5 |
3040,1 |
3961,3 |
4855,1 |
5718,8 |
6432,75 |
6750,1 |
7347,5 |
|
PЕ1 |
Вт |
37,9 |
59,2 |
92,9 |
138 |
193,9 |
259,7 |
351,27 |
384,5 |
417,4 |
|
PЕ2 |
Вт |
4,9 |
19,3 |
42,6 |
74,5 |
114,2 |
161,2 |
219,07 |
244,8 |
274,4 |
|
Pдоб |
Вт |
5,6 |
10,5 |
15,2 |
19,8 |
24,3 |
26,2 |
32,164 |
33,8 |
36,7 |
|
∑P |
Вт |
244,5 |
285 |
346,8 |
428,4 |
528,5 |
645,5 |
798,57 |
858,1 |
924,6 |
|
P2 |
Вт |
883,8 |
1809,5 |
2693,3 |
3533 |
4326,6 |
5073,2 |
5634.18 |
5772 |
6422,9 |
|
η |
- |
0,783 |
0,864 |
0,886 |
0,892 |
0,89 |
0,883 |
0,876 |
0,874 |
0,872 |
|
cosφ |
- |
0,454 |
0,674 |
0,781 |
0,835 |
0,863 |
0,879 |
0,884 |
0,887 |
0,89 |
Для наочності побудова характеристик виконана в умовних одиницях
9. Розрахунок пускових характеристик
Скористаємося заступною схемою для розрахунку пускових характеристик, яка представлена на рисунку 9.1. Розрахунок характеристик наведений у табл. 9.2. проводиться аналогічно з п. 8 за допомогою MatLab. Докладний розрахунок наведений для ковзання S=1. Пускові характеристики спроектованого двигуна наведені на рисунку 9.2.

Рисунок 9.1 – Заступна схема для розрахунку пускових характеристик
Параметри з урахуванням витиснення струму для литої алюмінієвої обмотки (расч=1150С) /1, (6-235)/:
де hc – висота стрижня в пазу ротору:

=0,25
/2, с. 216, рис. 6-46/
Глибина проникнення струму в стрижень /2, (6-236)/:

Коефіцієнти, враховуючі вплив ефекту витиснення струму на опори стрижнів, аналітично за /2, (6-230)/, чи практично за /2, (6-242)/ згідно до /2, рис. 6-48, в/та /2, рис. 6-46, 6-47/:

де:



Коефіцієнт загального збільшення опору фази ротора під впливом ефекту витиснення струму /2, (6-247)/:


Приведений активний опір ротора з урахуванням дії ефекту витиснення струму /2, (6-249)/:

Індуктивний опір обмотки ротора /1, табл. 6-23, рис. 6-40, а/:


Коефіцієнт зміни індуктивного опору фази обмотки ротора від дії ефекту витиснення струму /2, (6-251)/:

Струм ротора приблизно без урахування впливу насичення, приймаючи с1п=1 по /2, (6-269)/:

Урахування впливу насичення
на параметри. Приймаємо для S=1 коефіцієнти
насичення kнас=1,35 /2, с. 219/, приймаємо

Середня МРС обмотки, віднесена
до одного паза обмотки статора
/2, (6 252)/:

Реактивна індукція потоку розсіювання в повітряному зазорі:


Коефіцієнт характеризуючий відношення потоку розсіювання при насиченні до потоку розсіювання ненасиченої машини:
/2, с. 219, рис. 6-50/
Коефіцієнт магнітної провідності пазового розсіювання обмотки статора з урахуванням впливу насичення /2, (6 255)/:

/2, (6 258)/
/2, (6 261)/
Коефіцієнт магнітної провідності диференціального розсіювання обмотки статора з урахуванням впливу насичення /2, (6 263)/:
Індуктивний опір фази обмотки статора з урахуванням впливу насичення /2, (6 264)/:

де:


Коефіцієнт магнітної провідності пазового розсіювання ротора з урахуванням впливу насичення і витиснення струму /2, (6 260)/:

Провідність пазового розсіювання ротора /2, (6 262)/:

Коефіцієнт магнітної провідності диференціального розсіювання ротора з урахуванням впливу насичення /2, (6 263)/:

Приведений індуктивний опір фази обмотки ротора з урахуванням впливу витиснення і насичення струму /2, (6 265)/:


Опір взаємної індукції обмотки в пусковому режимі /2, (6 265)/:


Розрахунок струмів і моментів /2, (6 268)/:

по /2, (6 269)/


Отримане значення струму І1 складає 96,1% прийнятого при розрахунку впливу насичення на параметри, що припустимо. Похибка при інших значеннях ковзання також не перевищує припустимі 10-15%. /1, c. 223/
Відносні значення:


Отримані значення відносних величин лежать в межах ,що свідчить про допустиму величину пускових характеристик.


Кратність пускового моменту і пускового струму спроектованого двигуна задовольняють вимогам ГОСТ 19523-74.
Таблиця 9.1 – Вхідні дані розрахунку пускових характеристик
|
Параметр |
Значення |
Одиниця вимірювання |
Примітка |
|
P2н |
5500 |
Вт |
|
|
U1н |
220 |
В |
|
|
I'2н |
10,24 |
А |
|
|
I1н |
11,47 |
А |
|
|
x12п |
96,47 |
- |
|
|
x1 |
1,667 |
Ом |
|
|
x'2 |
2,359 |
Ом |
|
|
sn |
0,033 |
- |
|
|
r1 |
0,89 |
Ом |
|
|
r'2 |
0,697 |
Ом |
|
|
b1 |
1,80 |
10-3 м |
|
|
b2 |
5,80 |
10-3 м |
|
|
h1 |
21,66 |
10-3 м |
Висота стрижня в пазу ротора |
|
h1 |
17,00 |
10-3 м |
Висота по центрах кіл пазів ротора |
|
hc |
21,55 |
10-3 м |
|
|
h'ш |
- |
10-3 м |
|
|
hш=hш2 |
0,75 |
10-3 м |
Розміри ротору [1, рис. 6-48, в] |
|
bш=bш2 |
1,50 |
10-3 м |
|
|
b |
6,10 |
10-3 м |
|
|
rc |
62,99 |
10-6 Ом |
|
|
r2 |
97,947 |
10-6 Ом |
|
|
λп2 |
1,725 |
- |
|
|
λл2 |
1,958 |
- |
|
|
λд2 |
2,257 |
- |
|
|
λп1 |
1,469 |
- |
|
|
λл1 |
0,462 |
- |
|
|
λд1 |
2,57 |
- |
|
|
Z1 |
36 |
- |
|
|
Z2 |
34 |
- |
|
|
Kнас |
1,3 |
- |
|
|
uп1 |
25 |
- |
|
|
a |
1 |
- |
|
|
kу |
1 |
- |
|
|
kобм |
0,96 |
- |
|
|
δ |
0,3 |
10-3 м |
|
|
t1 |
11,00 |
10-3 м |
|
|
t2 |
11,60 |
10-3 м |
|
|
bш1 |
3 |
10-3 м |
Статор [1, рис. 6-51, в] |
|
hш1 |
0,5 |
10-3 м |
|
|
h' |
1,5 |
10-3 м |
|
|
kμ |
1,35 |
- |
|
|
x12 |
64,718 |
Ом |
Таблиця 9.2 – Пускові характеристики
|
Розрахункова величина |
Одиниці вимір. |
Ковзання |
||||||||||
|
1 |
0,8 |
0,7 |
0,6 |
0,5 |
0,4 |
0,3 |
0,2 |
0,15 |
0,1 |
0,033 |
||
|
ξ |
- |
1,37 |
1,21 |
1,13 |
1,04 |
0,95 |
0,85 |
0,74 |
0,66 |
0,52 |
0,43 |
0,22 |
|
φ |
- |
0,250 |
0,150 |
0,120 |
0,100 |
0,073 |
0,047 |
0,026 |
0,017 |
0,007 |
0,003 |
0,0002 |
|
hr |
мм |
17,24 |
18,4 |
18,9 |
19,3 |
19,7 |
20,2 |
20,7 |
20,8 |
21,1 |
21,1 |
21,2 |
|
br |
мм |
3,0 |
2,7 |
2,6 |
2,5 |
2,4 |
2,3 |
2,2 |
2,1 |
2,1 |
2,1 |
2,0 |
|
qc |
мм2 |
96,8 |
||||||||||
|
qr |
мм2 |
47,62 |
48,0 |
49,3 |
50,2 |
51,3 |
52,5 |
53,4 |
53,8 |
54,2 |
54,4 |
54,5 |
|
kr |
- |
2,03 |
2,02 |
2,01 |
2,00 |
1,99 |
1,98 |
1,97 |
1,96 |
1,96 |
1,96 |
1,96 |
|
KR |
- |
1,66 |
1,65 |
1,64 |
1,63 |
1,62 |
1,61 |
1,60 |
1,59 |
1,59 |
1,59 |
1,59 |
|
r'2ξ |
Ом |
1,66 |
1,538 |
1,532 |
1,528 |
1,522 |
1,517 |
1,513 |
1,511 |
1,509 |
1,509 |
1,508 |
|
kд |
- |
0,93 |
0,95 |
0,96 |
0,97 |
0,98 |
0,99 |
0,99 |
1,00 |
1,00 |
1,00 |
1,00 |
|
λп2ξ |
- |
1,66 |
1,67 |
1,68 |
1,69 |
1,70 |
1,71 |
1,72 |
1,72 |
1,72 |
1,73 |
1,73 |
|
Kx |
- |
0,99 |
0,991 |
0,992 |
0,993 |
0,994 |
0,995 |
0,996 |
0,997 |
0,997 |
0,997 |
0,997 |
|
x'2ξ |
Ом |
2,335 |
2,339 |
2,343 |
2,346 |
2,349 |
2,351 |
2,353 |
2,355 |
2,356 |
2,356 |
2,356 |
|
I'2 |
А |
48,93 |
47,7 |
47,4 |
46,8 |
46,1 |
44,9 |
43,0 |
41,0 |
35,4 |
29,2 |
10,4 |
|
kнас |
- |
1,35 |
1,35 |
1,35 |
1,30 |
1,30 |
1,30 |
1,25 |
1,20 |
1,15 |
1,10 |
1,10 |
|
kнас∙I1 |
А |
66,05 |
64,8 |
63,9 |
60,9 |
59,9 |
58,4 |
53,7 |
49,2 |
40,7 |
32,1 |
11,5 |
|
Fп.ср |
А |
2330,8 |
2317 |
2297 |
2277 |
2239 |
2181 |
2098 |
1921 |
1588 |
1252 |
447 |
|
CN |
- |
0,928 |
0,928 |
0,928 |
0,928 |
0,928 |
0,928 |
0,928 |
0,928 |
0,928 |
0,928 |
0,928 |
|
Bфδ |
Тл |
5,23 |
5,13 |
5,09 |
5,01 |
4,94 |
4,80 |
4,60 |
3,37 |
3,03 |
2,39 |
0,85 |
|
χδ |
- |
0,48 |
0,50 |
0,51 |
0,52 |
0,53 |
0,54 |
0,55 |
0,57 |
0,60 |
0,70 |
0,97 |
|
c1 |
мм |
4,16 |
4,02 |
3,92 |
3,84 |
3,76 |
3,68 |
3,60 |
3,44 |
3,20 |
2,40 |
0,24 |
|
∆λп1нас |
- |
0,21 |
0,21 |
0,21 |
0,21 |
0,21 |
0,21 |
0,20 |
0,20 |
0,19 |
0,16 |
0,02 |
|
λп1нас |
- |
1,296 |
1,296 |
1,296 |
1,296 |
1,296 |
1,296 |
1,30 |
1,30 |
1,31 |
1,34 |
1,38 |
|
λд1нас |
- |
1,234 |
1,237 |
1,23 |
1,27 |
1,34 |
1,38 |
1,44 |
1,50 |
1,57 |
1,65 |
1,74 |
|
x1нас |
- |
1,108 |
1,11 |
1,11 |
1,125 |
1,14 |
1,155 |
1,175 |
1,229 |
1,304 |
1,455 |
1,880 |
|
c2 |
мм |
5,252 |
5,24 |
5,24 |
5,05 |
4,92 |
4,80 |
4,67 |
4,42 |
4,04 |
3,78 |
0,38 |
|
∆λп2нас |
- |
0,40 |
0,40 |
0,40 |
0,40 |
0,40 |
0,40 |
0,40 |
0,39 |
0,39 |
0,36 |
0,10 |
|
λп2ξнас |
- |
1,327 |
1,264 |
1,277 |
1,291 |
1,303 |
1,314 |
1,323 |
1,330 |
1,339 |
1,368 |
1,626 |
|
λд2нас |
- |
1,083 |
1,086 |
1,086 |
1,09 |
1,093 |
1,096 |
1,099 |
1,15 |
1,24 |
2,02 |
2,79 |
|
x'2ξнас |
Ом |
1,735 |
1,751 |
1,755 |
1,766 |
1,777 |
1,788 |
1,798 |
1,808 |
1,815 |
1,991 |
2,268 |
|
c1пнас |
- |
1,0115 |
1,0115 |
1,0115 |
1,012 |
1,012 |
1,012 |
1,013 |
1,013 |
1,013 |
1,016 |
1,022 |
|
aп |
- |
2,063 |
2,183 |
2,278 |
2,457 |
2,628 |
2,884 |
3,316 |
3,650 |
4,660 |
6,419 |
21,514 |
|
bп |
- |
2,863 |
3,013 |
3,016 |
3,043 |
3,069 |
3,095 |
3,121 |
3,169 |
3,241 |
3,481 |
4,201 |
|
I'2 |
А |
48,93 |
47,3 |
46,4 |
44,9 |
43,0 |
40,4 |
36,5 |
32,7 |
28,8 |
21,1 |
10,0 |
|
I1 |
А |
63,48 |
62,0 |
61,2 |
60,6 |
58,7 |
56,2 |
52,2 |
48,4 |
39,4 |
30,7 |
10,66 |
|
Iп* |
- |
5,53 |
5,40 |
5,34 |
5,28 |
5,12 |
4,9 |
4,55 |
4,22 |
3,44 |
2,68 |
0,93 |
|
M* |
- |
2,03 |
2,09 |
2,13 |
2,2 |
2,3 |
2,37 |
2,53 |
2,63 |
2,66 |
2,41 |
1,03 |
|
I1/I1нас |
% |
99,14 |
97,81 |
97,24 |
99,65 |
98,09 |
96,14 |
97,18 |
98,32 |
96,78 |
95,68 |
93,02 |
Рисунок 9.2 – Пускові характеристики спроектованого двигуна
10. Тепловий розрахунок
Перевищення температури внутрішньої поверхні осереддя статора над температурою повітря усередині двигуна:


Де К – коефіцієнт враховуючу
передачу частини енергії безпосередньо
в навколишнє середовище, К=0,20 /2, стор.
237, табл. 6-30/
- електричні втрати в обмотках статора
в пазовій частині:

- коефіцієнт збільшення втрат
для обмоток класу нагрівостійкості
- коефіцієнт тепловіддачі з
поверхні,

Перепад температури в ізоляції пазової частини обмоток статора:


де Пп1 – розрахунковий периметр поперечного переріза паза статора
- коефіцієнт теплопровідності
внутрішньої ізоляції котушки всипної
обмотки з емальованих провідників,
- середня еквівалентна
теплопровідність пазової ізоляції,

Перепад температури по товщині ізоляції лобової частини:

де
- електричні втрати в обмотках статора
в лобовій частині котушок:


Перевищення температури зовнішньої поверхні лобових частин над температурою повітря усередині машини:
Середнє перевищення температури обмотки статора над температурою повітря усередині машини:


Перевищення температури повітря усередині машини над температурою навколишнього середовища:

де
- сума утрат відводяться в повітря
усередині двигуна


Sкор – еквівалентна поверхня охолодження корпуса:
- умовний периметр поперечного
переріза ребер станини, Пр=0.2 м2 /2, стор.
239, мал. 6-63/
- коефіцієнт підігріву повітря,

Середнє перевищення температури обмотки статора над температурою навколишнього середовища:

У такий спосіб перевищення температури, що допускається, відповідає прийнятому класові нагрівостійкості B.
11. Вентиляційний розрахунок
Необхідний для охолодження витрата повітря:

Де Км – коефіцієнт враховуюча зміна умов охолодження по довжині поверхні корпуса, що віддається зовнішнім вентилятором

де м=1,8 /2,стор.240/
Витрата повітря забезпечуваний зовнішнім вентилятором:


Виконання умови
забезпечує нормальну роботу машини.
12.
Маса активних матеріалів і показники
їхнього використання
Розрахуємо попередні значення маси, необхідні для оцінки економічної ефективності спроектованого варіанта двигуна.
Маса ізольованих проводів обмотки статора круглого поперечного переріза:


Маса алюмінієвого короткозамкнутого ротора з литою кліткою:


де Nл – число лопаток вентилятора, Nл=34

- розміри лопаток



Маса стали сердечників статора і ротора:


Маса ізоляції статора з трапецеїдальними напівзакритими пазами:


Для попередньої оцінки маси конструкційних матеріалів використовуємо з достатнім наближенням наступні залежності.
Двигун зі ступенем захисту IP44 для h=0,112м із чавунною станиною і щитами:

Маса двигуна:

Питома матеріалоємність машини:

Висновки
В результаті
виконання курсового проекту було
розроблено асинхронний двигун на основі
довідникових параметрів серійного
двигуна 4А112М4У3.
Аналізуючи побудовані характеристик
можна відмітити, що спроектована
працездатна машина. Розрахована величина
повітряного зазору
мм
тому двигун не має радіальних вентиляційних
каналів. Двигун має всипну одношарову
обмотку з круглого проводу ПЕТВ. В
двигунах серії 4А застосовуються
трапецієподібні пази. Коефіцієнт
заповнення пазу
лежить
в допустимому інтервалі
для ручної укладки обмоток. Усі відносні
значення параметрів робочого режиму
лежать в допустимому інтервалі, що
свідчить про правильність проведених
розрахунків. Метою проектування
асинхронного двигуна є отримання
підвищеного пускового моменту, при
зменшенні пускового струму. Мною було
отримано відносне значення пускового
струму
у.о. та відносне значення пускового
моменту
у.о. Застосована ізоляція класу В, якій
відповідає допустима температура 120оС.
Середнє перевищення температури обмотки
статора над температурою навколишнього
середовища
,
що допустимо класом ізоляції. Витрати
повітря, що забезпечується зовнішнім
вентилятором набагато більше необхідної
для охолодження витрати повітря. Маса
двигуна – 42.28 кг. Питома матеріалоємність
машини
.
Список використаних джерел
1. Асинхронные двигатели серии 4А: Справочник/А.Э. Кравчик, М.М. Шлаф, В. И. Афонин, Е. А. Соболенская. — М.: Энергоиздат, 1982.-504 с.
2. И.П Копилов. Проектирование электрических машин. – М.: Энергия, 1980. –496с.
3. Методические указания к курсовому проекту по электрическим машинам “Расчет и консруирование асинхронного двигателя” (длястудентов энергетических специальностей)/Сост.:М.З.Дудник, К.П.Донченко.-Донецк: ДПИ, 1992.-52с.
4. Электрические машины: В 2-х ч. Ч.1: Учеб. для электротехн. спец. вузов.-2-е изд. перераб. и доп. /Д.Э.Брускин, А.Е. Зорохохович, В.С. Хвостов.-М.: Высш.шк., 1987.-319 с.: ил.