Исследование фильтра Чебышева
`Реферат
Пояснительная записка составлена на 31 листе, содержит 10 рисунков, 2 таблицы, 3 схемы, одно приложение и список использованных источников информации, содержащий 15 наименований.
В настоящем курсовом проекте спроектирован полосовой фильтр Чебышева, входящий в состав установки для измерений нелинейных искажений методом полос шума в полосе №5.
В работе проанализировано техническое задание, выбрана схема реализации фильтра, произведен расчет параметров элементов схемы, решены вопросы конструктивно-технического выполнения фильтра, разработан печатный модуль этого блока.
Оглавление
Введение
1 Эскизное проектирование
Анализ структурной схемы устройства, в состав которого входит фильтр
Выбор типа аппроксимации частотной характеристики
Выбор схемы реализации звеньев фильтра
Анализ исходных данных фильтра
Выбор типа ОУ
Ориентировочный выбор типа ОУ
Расчет параметров ИНУН
Определение порядка фильтра
Разработка базовой расчетной схемы фильтра
Определение числа звеньев
Выбор структурной схемы фильтра
Составление базовой расчетной схемы фильтра
2. Расчет режимов и определение параметров элементов схемы фильтра
Определение нормированных значений параметров элементов схемы фильтра
Выбор значения масштабных коэффициентов для первого звена ФНЧ и ФВЧ
Выбор значения масштабных коэффициентов для других звеньев ФНЧ и ФВЧ
Определение денормированных значений параметров элементов схемы ФНЧ и ФВЧ
3 Разработка дополнительных вопросов проектирования
3.1 Составление полной расчетной схемы фильтра
3.2 Разработка электрической принципиальной схемы
3.3 Выбор типов и стандартных номиналов сопротивлений резисторов и емкостей конденсаторов схемы
3.4 Выбор и технические характеристики ОУ
3.5 Разработка схемы соединений элементов печатного модуля фильтра
3.6 Описание конструкции фильтра
Заключение
Список использованных источников
Приложения
Введение
С тех пор, как в 1926 г. впервые были измерены нелинейные искажения, предложено свыше 20 различных методов измерения. Все эти методы можно разбить на 5 основных групп: одного тона, двух тонов, с дискретным спектром, со сплошным спектром, с рабочим сигналом. Каждая из этих групп имеет еще свои разновидности, отличающиеся по способу регистрации и по выделению продуктов нелинейных искажений.
Вообще, методы измерения нелинейных искажений в трактах звукопередачи отличаются большим разнообразием. Широкое распространение получил метод гармоник как наиболее простой при экспериментах и удобный для расчетов. Менее распространены другие методы: разностного тона, модулированного тона, взаимной модуляции (интермодуляции).
Для перечисленных методов существуют свои области применения. При этом каждый из них использует специальные сигналы, обеспечивающие наибольшую эффективность обнаружения продуктов искажений.
Заметность нелинейных искажений реального сигнала связана с тем, насколько часто, если рассматривать процесс во времени, или с какой вероятностью, если применить к нему статистическую меру, его мгновенные значения попадают в область существенной нелинейности тракта звукопередачи. Многим, наверное, приходилось наблюдать, как при уменьшении уровня сигнала в перегруженном канале исчезает хриплость звучания. Она тем меньше, чем реже выбросы сигнала попадают в область перегрузки.
В данной работе подробно рассматривается полосовой фильтр Чебышева, входящий в состав установки для измерений нелинейных искажений методом полос шума.
Фильтры с характеристикой Чебышева обладают сравнительно более высоким отношением затраты/эффективность.
Эскизное проектирование устройства
Разработка структурной схемы
Принцип действия измерительной установки заключается в оценке нелинейных искажений, возникающих на выходе исследуемого канала звукопередачи в результате воздействия на систему шумовой полосы.
Измерительный сигнал в виде полосы нормального белого шума формируется с помощью полосового фильтра (ПФ) из широкой полосы белого шума, создаваемой шумовым генератором. В результате нелинейности испытуемого устройства спектр шума на его выходе обогащается продуктами нелинейных искажений, большая часть которых лежит вне полосы частот входного сигнала. Эти продукты выделяются с помощью заграждающего фильтра (ЗФ) и их действующее значение измеряется с помощью вольтметра шумового сигнала. Измеренная величина делится на действующее значение сигнала на входе ЗФ (при этом учитывается коэффициент передачи ЗФ в полосе пропускания).
Результат
деления, выраженный в процентах,
принимается за меру нелинейности
испытуемого устройства -
(
.
Измерения проводятся в пяти полосах, перекрывающих весь звуковой диапазон (Рисунок 2).
Средние частоты ПФ и ЗФ: 31,5Гц, 125Гц, 500Гц, 2кГц, 8кГц.
Эти фильтры образуются сочетанием фильтров низких частот (ФНЧ) и фильтров высоких частот (ФВЧ). Делается это для того, чтобы одни и те же фильтры можно было использовать для организации соседних полос. Последовательное соединение ФНЧ и ФВЧ позволяет получить ПФ, а параллельное – ЗФ.

Рисунок 1 – Структурная схема установки для измерения нелинейных искажений методом полос шума.

Рисунок 2 – Распределение частот по полосам.
На
рисунке 3 представлены АЧХ ФНЧ и ФВЧ,
образующих ПФ и ЗФ. С помощью этих
характеристик можно определить частоты
среза
фильтров ФЧ и ФНЧ для организации ПФ и
ЗФ.
Полоса
пропускания полосового фильтра будет
простираться от частоты
=
до частоты
=
.

Рисунок 3 – Распределение частот среза в «четверке» фильтров.
Выбор типа аппроксимации частотной характеристики
При одинаковом количестве схемных элементов использование полинома Чебышева формирует максимально возможную крутизну спада частотной характеристики в переходной области по сравнению с фильтрами Баттерворта и др. Поэтому остановимся на фильтрах Чебышева, получивших исключительно широкое применение при синтезе активных фильтров.
Коэффициент передачи фильтра Чебышева имеет вид:
=
-10log (1+
(Ω)),
Где
-
дополнительный коэффициент, характеризующий
степень постоянства модуля относительно
коэффициента передачи в полосе пропускания
фильтра;
(Ω)
- нормированный полином Чебышева степени
n.
Полином
(Ω)
обеспечивает равноволновое приближение
к полосе пропускания и монотонное
уменьшение
при удалении от частоты среза
.
Выбор схемы реализации звеньев фильтра
Распространенным видом реализации активных фильтров являются схемы, выполненные на основе интегральных операционных усилителей (ОУ) в сочетании с резисторами и конденсаторами в качестве пассивных элементов.
Использование таких положительных свойств ОУ, как наличие двух входов, позволяющих сочетать различные типы обратных связей, большой коэффициент усиления, большое входное и малое выходное сопротивления, обеспечивают возможность получения активного элемента фильтра в форме источника напряжения, управляемого напряжением (ИНУН). Активные фильтры высокого порядка на базе ИНУН легко настраиваются позвенно, и при последующем каскадном соединении звеньев желаемый вид суммарной частотной характеристики обеспечивается без какой-либо дополнительной настройки.

Рисунок 4 – Схема реализации отдельных звеньев фильтра.
Для реализации фильтров используем схему Саллена и Ки, предложенную ещё в 1955 году. На рисунке представлена схема ячейки третьего порядка с нормированными значениями номиналов пассивных элементов. ОУ охвачен 100%-ной отрицательной обратной связью (ООС), т.е. имеет коэффициент передачи, равный единице. Такую ячейку можно представить как последовательное соединение звеньев первого и второго порядков. Исключение элементов, расположенных слева от пунктирной линии, позволяет перейти от структуры ячейки третьего порядка к структуре ячейки второго порядка.
Анализ исходных данных фильтра
Ознакомимся с исходными данными для разработки фильтра:
неравномерность характеристики фильтра в полосе пропускания:
= 1Дб;
величина
модуля относительного коэффициента
передачи на частоте
:
= - 60 дБ;
граничная частота между переходной областью и полосой задерживания:
= 2;
центральная частота полосового фильтра и граничные частоты ФНЧ и ФВЧ:
= 8000 Гц;
=
= 4,651162кГц;
=
параметры ОУ:
=
;
= 05,МОм;
= 200 Ом.
Выбор типа ОУ
Ориентировочный выбор типа ОУ
Выбираем операционный усилитель типа КР140УД26А (см. Таблицу 1) – широкополосный, прецизионный ОУ, с низким уровнем шумов. Этот типономинал серии КР140 имеет хорошие точностные параметры и высокое быстродействие, помещен в дешевый пластмассовый DIP-корпус.
Электрические параметры ОУ КР140УД26А Таблица 1
|
|
|
|
|
|
|
|
|
|
|
|
|
|
мА |
МОм |
мВ |
МкВ/ºС |
нА |
нА/ºС |
тыс. |
В |
мА |
В |
В/мкс |
МГц |
|
4,7 |
0,5 |
0,03 |
0,3 |
35 |
0,2 |
1000 |
12 |
4 |
15 |
11 |
20 |
1.5.2 Расчет параметров ИНУН
Входное сопротивление ОУ, охваченного 100%-ной отрицательной обратной связью –
=
(1+
)
= 0,5•
•
(1+
)
= 0,5•
Ом.
Выходное сопротивление ОУ, охваченного 100%-ной отрицательной обратной связью –
=
=
= 2•
Ом.
Определение порядка фильтра
Произведем расчет порядка фильтров ФВЧ и ФНЧ:
рассчитаем дополнительный коэффициент:
= (
коэффициент передачи фильтра в полосе затухания:
=
=
=
;
значение полинома:
=
=
=
=
= 3862,165017.
Разработка базовой расчетной схемы фильтра
1.7.1 Определение числа звеньев
Степень полинома (порядок фильтра):
n
≥
≥
≥
≥
≥ 6,800291933;
выберем n = 7.
Количество звеньев, необходимое для реализации ФНЧ и ФВЧ:
=
;
=
;
для
фильтра 7 порядка: N
=
=
= 3.
1.7.2 Выбор структурной схемы фильтра
Структурная схема полосового фильтра, по которой в дальнейшем будут соединяться фильтры, приведена на рисунке 5. базовая расчетная схема фильтра представляет собой последовательно соединённые ячейки второго порядка (Рисунок 6). Расположение фильтра верхних частот на входе полосового фильтра обеспечивает подавление помех в виде наводок и фона, что позволит получить низкий пороговый уровень измерений нелинейных искажений с помощью измерительной установки.

Рисунок
5
Структурная схема полосового фильтра.
Составление базовой расчетной схемы фильтра
Структурная схема полосового фильтра, по которой в дальнейшем будут соединяться фильтры, приведена на рисунке 1. Базовая расчетная схема фильтра представляет собой последовательно соединённые ячейки второго порядка. Расположение фильтра верхних частот на входе полосового фильтра обеспечивает подавление помех в виде наводок и фона, что позволит получить низкий пороговый уровень измерений нелинейных искажений с помощью измерительной установки.

Рисунок
6
Базовая расчетная схема полосового
фильтра.
Расчет параметров и определение режимов схемы устройства
Определение нормированных параметров элементов схемы ФНЧ и ФВЧ
Элементы схемы ФНЧ в нормированном масштабе величин имеют следующие значения (согласно данным таблицы, приведенной в приложении):
= 1 Ом;
= 1 Ом;
= 1 Ом;
= 1 Ом;
= 1 Ом;
= 1 Ом;
= 1 Ом;
= 10,29 Ф;
= 5,382 Ф;
= 0,4012 Ф;
= 7,941 Ф;
= 0,1993 Ф;
= 22,25 Ф;
= 0,04584 Ф;
Элементы схемы ФНЧ в нормированном масштабе величин имеют следующие значения (согласно данным таблицы, приведенной в приложении, и расчетам):
= 1 Ф;
= 1Ф;
= 1 Ф;
= 1 Ф;
= 1 Ф;
= 1 Ф;
= 1 Ф;
=
Ом;
=
Ом;
=
Ом;
=
Ом;
=
Ом;
=
Ом;
=
Ом;
Выбор значения масштабного коэффициента для первых звеньев ФВЧ и ФНЧ
При выборе величины масштабного коэффициента первого звена ФНЧ руководствуются следующими критериями:
*получение входного сопротивления фильтра более 20 кОм:
≥ 40000 – для
звена второго порядка;
≥ 60000 – для звена третьего порядка.
получение
значений сопротивлений резисторов
менее 1Мом, что обеспечит приемлемые
шумовые свойства схемы:
≤
.
К10-43, у которых
наибольшее номинальное значение емкости
равно 44,2 НФ, можно принять
≤ 44,2
Ф, тогда
≥
.
Выбираем
величину масштабного коэффициента
первого звена ФНЧ исходя из условий:
≥ 40000;
≤
;
≥
≥
≥ ,694108•
.
Принимаем
= 274•
.
Здесь желательно было бы выбрать величину масштабного коэффициента несколько большего значения, но не нарушая требований №2. Это будет соответствовать меньшему денормированному значению емкости, чем 44,2 НФ, а значит, конденсатор будет меньших размеров.
При выборе величины масштабного коэффициента первого звена ФВЧ обычно руководствуются следующими критериями:
Получение входного сопротивления фильтра более 20кОм:
≥ 20•
•
(
+
)
– для звена второго порядка;
≥ 20•
•
(
+
)
– для звена третьего порядка;
≤
1•
)
– для звена второго порядка;
≤
1•
)
– для звена третьего порядка;
При использовании конденсаторов типа К10-43:
≤ 44,2•
Ф; поэтому
≥
≥ 22,624434 •

Выбираем величину масштабного коэффициента первого звена ФВЧ исходя из условий:
≥ 20•
• (
+
)
≥ 9155,362165•
.
≤
1•
)
≤ 157204,4384•
.
3
≥
≥ 22,624434 •

Принимаем
= 9155,362165•
= 9,155362165•
.
Выбор значения масштабного коэффициента для других звеньев ФНЧ и ФВЧ
Выбираем величину масштабного коэффициента 2 и 3 звеньев ФНЧ, исходя из условий №2 и №3 предыдущего подраздела:
≤
;
≤
.


Принимаем
=210*
;
=590*
.
Выбираем величину масштабного коэффициента 2 и 3 звеньев ФВЧ, исходя из условий №2 и №3 предыдущего подраздела:
≤
1*
*
*
)
≤ 1*
*2*3,14*4,651162*
*0,1993
≤
≤ 5821,412964*
;
≤
1*
*
*
)≤1*
*2*3,14*4,651162*
*0,04584
≤
≤ 1338,954191.
≥
≥ 22,624434 *

≥
≥ 22,624434 *
.
Принимаем
=2100*
;
=
511*
.
Деноминирование значений элементов схемы ФНЧ и ФВЧ
фильтр частота печатный модуль
Деноминированные значения параметров элементов схемы ФНЧ имеют следующие значения:
Расчетные значения сопротивлений резисторов:
=
1*
=
1*
=
1*
=
1*
=
1*
=
1*
=
1*
Расчетные значения емкостей конденсаторов:
=
=
0,434*
;
=
=
0,227*
;
=
=
0,017*
;
=
=
437,6*
;
=
=
10,982*
;
=
=
436,415*
;
=
=
0,899*
.
Деноминированные значения параметров элементов схемы ФВЧ имеют следующие значения:
Расчетные значения емкостей конденсаторов:
=
0,109*
;
=
0,109*
;
=
0,109*
;
=
*
;
=
*
;
=
1,956*
;
=
1,956*
.
Расчетные значения сопротивлений резисторов:
=
=
30,45
;
=
=
58,23
;
=
=
781,22
;
=
=
9,05*
;
=
=
360,73*
;
=
=
786,26
;
=
=
381,64*
.
3. Разработка дополнительных вопросов проектирования
3.1 Составление полной расчетной схемы фильтра
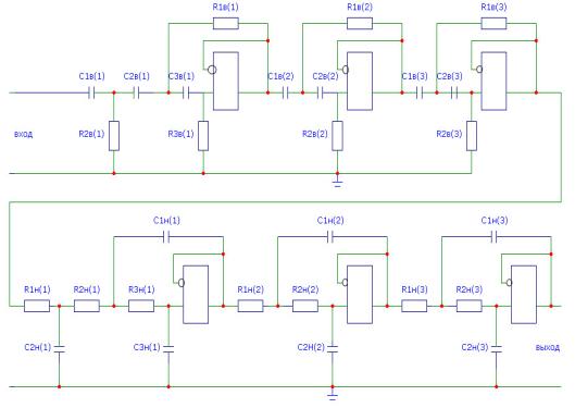
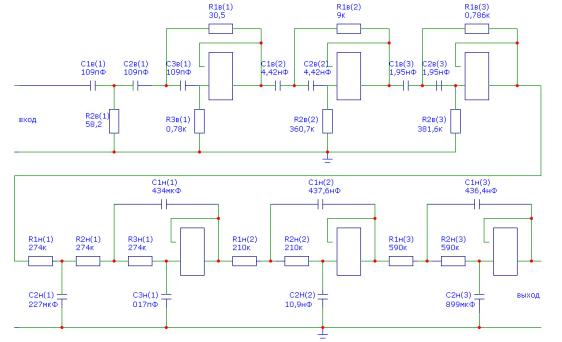
Полная расчетная схема составляется в соответствии с результатами расчетов элементов схем ФВЧ и ФНЧ. При этом учитывается, что для создания полосового фильтра (ПФ), фильтры высоких и низких частот следует соединять последовательно. Как показала инженерная практика, для получения хорошего диапазона фильтра, целесообразно первым поместить ФВЧ для подавления низкочастотных составляющих сигнала и помех на выходе ФНЧ.
На рисунке 7 представлена полная расчетная схема полосового фильтра с указанием значений параметров элементов схемы, полученных в результате расчетов. На основании этой схемы после включения в неё дополнительных элементов будет разработан чертёж электрической принципиальной схемы фильтра.

Рисунок
7
Полная расчетная схема полосового
фильтра.
Разработка электрической принципиальной схемы
Разработка электрической принципиальной схемы является наиболее важным моментом работы. Принципиальная электрическая схема блока полосового фильтра определяет полный состав его элементов и связи между ними и даёт детальное представление о работе фильтров. На схеме изображаются все электрические элементы, связи между ними, а также элементы, которыми заканчиваются входные и выходные цепи. Основанием для составления электрической принципиальной схемы служит полная расчетная схема полосового фильтра (рисунок 7).
Выбор типов и стандартных номиналов сопротивлений резисторов и емкостей конденсаторов схемы
При достаточно точном подборе величин сопротивлений и емкостей пассивных элементов фильтра по расчетным данным (1%) настройка звеньев не требуется, поэтому стандартные номиналы выбраны из ряда Е96, соответствующие допустимым отклонениям ± 1%. Для обеспечения температурной стабильности устройства используются прецизионные резисторы с низким ТКС и конденсаторы с ТКЕ-МПО.
В
качестве постоянных резисторов выбраны
резисторы типа С2-29В-0,25 – металлодиэлектрические
прецизионные изолированные, для навесного
монтажа. Диапазон ТКС ±(5..300)
1/ºС. Уровень шумов 0,5; 1; 5 мкВ/В. Ряд Е192.
Предназначены для работы в высокоточных
электрических цепях постоянного,
переменного и импульсного токов.
Помимо основных элементов, приведенных в основной схеме фильтра, дополнительно введены подстроечные резисторы сопротивлением 10 кОм, предусматривающие компенсацию напряжения смещения в соответствии с типовой схемой включения операционного усилителя КР140УД26А. Выбраны подстроечные резисторы типа СП4-3 – объемные композиционные однооборотные без упора оси. Номинальная мощность 0,125 Вт. Допустимое отклонение сопротивления ± 20%. Предназначены для работы в цепях постоянного, импульсного и переменного токов с предельным напряжением до 150 В. Резисторы имеют линейную функциональную характеристику «А» и предназначены для печатного монтажа.
Конденсаторы типа К10-43 – керамические изолированные. Номинальное напряжение 50 В. Допустимое отклонение емкости = 1% ТКЕ – МПО. Предназначены для работы в цепях постоянного и переменного токов и в импульсных режимах.
Конденсаторы фильтра емкостью 0,1 мкФ и антигенерационные конденсаторы емкостью 0,1 мкФ К73-17 – металлизированные пленочные с органическим диэлектриком. Номинальное напряжение 250 В. Допустимое отклонение емкости ± 5%. Предназначены для работы в качестве встроенных элементов внутреннего монтажа аппаратуры.
Выбор и технические характеристики ОУ
Прецизионный малошумящий ОУ повышенного быстродействия.
Технические параметры позиции КР 140 УД26А Таблица 2
|
Количество каналов |
1 |
|
Напряжение питания, В |
±12 |
|
Частота, МГц |
20 |
|
Напряжение смещения, мВ |
30 |
|
Температурный диапазон, C |
-10…+70 |
|
Тип корпуса |
DIP8 |
|
Сопротивление нагрузки |
не менее 2кОм |
|
Входное синфазное напряжение |
не более ± 10 В |


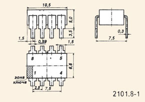
Рисунок 8 – Корпус КР 140 УД26.

Рисунок 9 – Наглядное изображение КР 140 УД26.
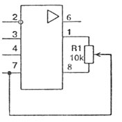
При балансировке схемы с помощью потенциометра (рисунок 10), номиналом R1 = 10кОм ± 20%, температурный коэффициент напряжения смещения не изменяется.

Рисунок 10 – Схема внешней балансировки КР 140 УД26.
Разработка схемы соединений элементов печатного модуля фильтра
Под печатной платой понимают соединение из изоляционного основания и структурных металлических слоев, которое служит для электромонтажа элементов и узлов, а также в большинстве случаев – для их механического закрепления.
Выбор конструкции печатной платы является важным фактором, определяющим механические характеристики при использовании устройства в целом.
По субтрактивной технологии рисунок печатных плат получается травлением медной фольги по защитному изображению в фоторезисте или по металлорезисту, осажденному на поверхность гальванически сформированных проводников в рельефе фоторезиста на фольгированных диэлектриках. В данной работе наглядный чертеж выполняется при помощи графического редактора P-CAD в соответствии с полной расчетной схемой фильтра (рисунок 10).
3.6 Описание конструкции фильтра
Полосовой фильтр, работающий в составе установки для измерения нелинейных искажений, оформляется в виде самостоятельного блока и конструктивно располагается в едином корпусе с источником питания и другими функциональными блоками измерительной установки.
Электрическая принципиальная схема фильтра, перечень элементов и схема расположения элементов на двухсторонней печатной плате из фольгированного стеклотекстолита приведены в приложениях. Чертежи выполнены с помощью систем автоматизированного проектирования ACCEL EDA 15.0.
Крепление печатного модуля к шасси осуществляется винтами, для чего в плате предусмотрены отверстия.
Связь с источником питания и другими частями установки осуществляется через разъем Х1, вынесенный за пределы печатного модуля и установленный на шасси устройства. Печатный узел и разъем соединены проводниками методом пайки.
Заключение
Полосовой фильтр, работающий в составе установки для измерения нелинейных искажений, оформляется в виде самостоятельного блока и конструктивно располагается в едином корпусе с источником питания и другими функциональными блоками измерительной установки.
Разработанный фильтр является одним из наиболее важных функциональных элементов установки для измерения нелинейных искажений методом полос шума и в её составе может применяться для испытаний (при контроле) звуковой технологической аппаратуры на киностудиях, кинокопировальных фабриках, в кинотеатрах, а также при разработке звуковой аппаратуры, исследованиях и выпуске её заводами-изготовителями.
Список использованных источников:
Бесчетнова Л.В., Кузьмин Ю.И., Малинин С.И. Схемотехника аналоговых электронных устройств: Письменные лекции. – СПб.: СЗТУ, 2001
Граф Р.Ф., Шиитс В.И. Энциклопедия электронных схем. Том 7.Часть 1. - М.: ДМК, 2000. - 299с.
Журавлев В.М., Поляков С.Б., Храмов А.Я. Усилительные устройства. Проектирование усилителей звукового диапазона частот. Часть 3. Оформление технической документации к курсовому проекту и разработка дополнительных вопросов проектирования усилителей. Методические указания по курсовому проектированию для студентов заочного отделения специальности 0615 «Звукотехника», ЛИКИ, 1986. – 55с.
Маклюков М.И. Инженерный синтез активных RC-фильтров низких частот. – М.: Энергия, 1971. – 184с.
Малахов В.П. Схемотехника аналоговых устройств. - Одесса: АстроПринт, 2000. – 212с.
Павлов В.Н., Ногин В.Н. Схематехника аналоговых электронных устройств. - М.: Горячая линия – Телеком, 2001. – 322с.
Разевиг В.Д. Проектирование печатных плат в P-CAD 2001. – М.: СОЛОН-Р, 2001. – 560с.
Сапаров В.Е., Максимов Н.А. Системы стандартов в электросвязи и радиоэлектронике: Учебное пособие для вузов. – М.: Радио и Связь, 1985. – 248с.
Сырицо А. Журнал Радио. №4. – М.: 1999.
Тарабрин Б.В. Справочник Интегральные микросхемы. - М.: Радио и связь, 1983. - 536с.
Тихонова Л.С. Схемотехника аналоговых электронных устройств. Алгоритм проектирования активных фильтров Чебышева. - СПб.: Изд. СПбГУКиТ, 2003. – 44с.
Тихонова Л.С., Бородаевская Н.В. Аппаратно-программное обеспечение мультимедийных ПК. Системы автоматизированного проектирования Micro-Cap 6.0 и ACCEL EDA 15.0; функциональные возможности и применение для схемотехнического моделирования и разработки печатных плат: Учебное пособие. – СПб.: Изд. СПбГУКиТ, 2003.
Хоровиц П., Хилл У. Искусство схемотехники (том 1,2). – М.: Мир, 1998.
Шитов А. В., Белкин Б. Г. Статистические характеристики сигналов, представляющих натуральные звучания, и их применение при исследовании электроакустических систем. - Труды НИКФИ, вып. 56, 1976.
Шкритек П. Справочное пособие по звуковой схемотехнике. Методы расчета, способы измерений, разработка схем, цифровая обработка звуковых сигналов. - М.: Мир, 1991. - 446с.
Приложения
Если в устройстве отсутствует прямая пропорциональность между мгновенными значениями входного и выходного сигналов, то возникающие искажения называются нелинейными. Нелинейные искажения возникают из-за нелинейности амплитудных характеристик электронных ламп, транзисторов, диодов, катушек индуктивности с ферромагнитными сердечниками, элементов устройств. Нелинейные искажения характеризуются гармоническими и случайными (статистическими) комбинационными составляющими, появляющимися в спектре выходного сигнала. Различают частотно-независимые и частотно-зависимые нелинейные искажения. Если характеристика передачи звена одинакова на всех частотах, то искажение называют частотно-независимыми. При различии характеристики передач на различных частотах искажения называют частотно-зависимыми.











