Розрахунок цифрового лінійного тракту
МІНІСТЕРСТВО ОСВІТИ І НАУКИ УКРАЇНИ
ПОЛТАВСЬКИЙ НАЦІОНАЛЬНИЙ УНІВЕРСИТЕТ
імені ЮРІЯ КОНДРАТЮКА
Факультет інформаційних та телекомунікаційних технологій і систем
Кафедра комп’ютерної інженерії
КУРСОВИЙ ПРОЕКТ
з навчальної дисципліни
"СИСТЕМИ ПЕРЕДАЧІ В ЕЛЕКТРОЗВ’ЯЗКУ"
НА ТЕМУ
РОЗРАХУНОК ЦИФРОВОГО ЛІНІЙНОГО ТРАКТУ
Виконав студент 301-ТТ навчальної групи
Кімачук Володимир Якович
Полтава 2011
ІНДИВІДУАЛЬНЕ ЗАВДАННЯ НА КУРСОВИЙ ПРОЕКТ
з навчальної дисципліни
"СИСТЕМИ ПЕРЕДАЧІ В ЕЛЕКТРОЗВ’ЯЗКУ"
НА ТЕМУ: "РОЗРАХУНОК ЦИФРОВОГО ЛІНІЙНОГО ТРАКТУ"
|
Студенту |
301-ТТ |
навчальної групи |
Кімачуку Володимиру Яковичу |
|
1. Спроектувати цифровий лінійний тракт цифрової системи передачі з метою реконструкції існуючої мережі зв’язку. |
|||
|
2. Вихідні дані згідно варіанту № 7. Згідно з варіантом завдання передбачається організація зв’язку між чотирма кінцевими пунктами (КП) А, В, С, D (рис.1) з заданими відстанями між |
Рис.1. Організація зв’язку між КП. |
||
|
ними: L1 (А-В) = |
180 |
Схема організації |
|
|
L2 (В-С) = |
186 |
зв’язку: |
1-кабельна (ОК) |
|
LЗ (С-D) = |
110 |
Коефіцієнт шуму d>y>= |
3 дБ |
|
Додаткова АСП |
К-300 |
Розміщення додаткової АСП |
В-D |
В
ид сигналів і кількість каналів для їх передачі
|
ТЛФ |
НШПД |
СШПД |
ЗМ |
ФТГ |
|
115 |
5 |
2 |
4 (І кл.) |
1 |
3. Перелік питань, які підлягають розробці.
3.1 Вибір траси та укладання спрощеної схеми організації зв’язку.
3.2 Розрахунок еквівалентної кількості основних цифрових каналів.
3.3 Обґрунтування вибору цифрової системи передачі і типу кабелю.
3.4 Укладання схеми організації зв’язку.
3.5 Розміщення регенераційних пунктів на магістралі.
3.6 Розрахунок завадостійкості цифрового лінійного тракту.
4. Перелік обов’язкового графічного матеріалу.
4.1 Схема організації зв’язку.
|
Завдання видав: |
доцент кафедри |
|
|
(посада) |
||
|
к. т. н., доцент |
І.І. Слюсар |
|
|
(науковий ступень, вчене звання) |
(підпис) |
(ініціали, прізвище) |
|
Дата видачі завдання |
25.02.11 р. |
|
|
Дата здачі курсового проекту на перевірку |
25.03.11 р. |
|
|
Завдання отримав: |
В.Я. Кімачук |
|
|
(підпис) |
(ініціали, прізвище) |
Реферат
Даний курсовий проект складається з двадцяти шести сторінок формату А4. Він складається із переліку умовних скорочень, вступу, шести розділів, висновків та списку використаних джерел (їх кількість становить 13). В склад курсового проекту входить: 4 рисунки, 8 таблиць та 10 формул.
Перелік ключових слів: аналогова система передачі (АСП), апаратура цифрового мовлення (АЦМ), аналого-цифрове обладнання (АЦО), вторинна група (ВГ), внутрішньо-зонова первинна мережа (ВЗПМ), кінцевий пункт (КП), магістральна первинна мережа (МГПМ), регенераційний пункт, що не обслуговується (НРП), низькошвидкісна передача даних (НШПД), однокабельна схема організації зв’язку (ОК), регенераційний пункт, що обслуговується (ОРП), основний цифровий канал (ОЦК), первинна група (ПГ), регенераційна ділянка (РД), третинна група (ТГ), четвертинна група (ЧГ), цифровий лінійний тракт (ЦЛТ), цифрова система передачі (ЦСП).
Курсовий проект спирається на використання сучасних методів проектування, що застосовуються відповідними спеціалізованими установами, та максимально наближений до питань реального проектування ЦСП.
Зміст
Перелік скорочень, умовних позначень
Вступ
1. Вибір траси та укладання спрощеної схеми організації зв’язку
2. Розрахунок еквівалентної кількості основних цифрових каналів
3. Обгрунтування вибору цифрової системи передачі і типу кабелю
4. Укладання схеми організації зв’язку
5. Розміщення регенераційних пунктів на магістралі
5.1 Загальні рекомендації щодо розміщення регенераційних пунктів на магістралі
5.2 Визначення максимальної довжини регенераційної ділянки
5.3 Розрахунок кількості регенераційних дільниць і складання плану розміщення НРП на магістралі
6. Розрахунок завадостійкості цифрового лінійного тракту
6.1 Визначення допустимих значень імовірності помилки та захищеності
6.2 Визначення очікуваних значень імовірності помилки та захищеності
6.3 Розрахунок очікуваної імовірності помилки для кожної секції
Висновок
Список використаних джерел
Перелік скорочень, умовних позначень
|
АСП |
Аналогова система передачі |
|
АЦМ |
Апаратура цифрового мовлення |
|
АЦО |
Аналого-цифрове обладнання |
|
ВГ |
Вторинна група |
|
ВЗПМ |
Внутрішньо-зонова первинна мережа |
|
МПМ |
Міська первинна мережа |
|
ДК |
2-кабельна (схема організації зв’язку) |
|
КП |
Кінцевий пункт |
|
МГПМ |
Магістральна первинна мережа |
|
НРП |
Регенераційний пункт, що не обслуговується |
|
НШПД ОК |
Низькошвидкісна передача даних Однокабельна (схема організації зв’язку) |
|
ОРП |
Регенераційний пункт, що обслуговується |
|
ОЦК |
Основний цифровий канал |
|
ПВ |
Пункт виділення |
|
ПГ |
Первинна група |
|
ПтГ |
П’ятирична група |
|
РД |
Регенераційна ділянка |
|
СПМ |
Сільська первинна мережа |
|
СШПД ТГ |
Середньошвидкісна передача даних Третична група |
|
ТЛФ ЧГ |
Телефонний сигнал Четверична група |
|
ЦЛТ |
Цифровий лінійний тракт |
|
ЦСП |
Цифрова система передачі |
|
|
Кінцева апаратура передачі газетних смуг |
|
|
Кінцевий пункт (КП) |
|
|
Пункт транзиту |
|
|
Регенераційний пункт, що обслуговується (ОРП) |
|
|
Регенераційний пункт, не обслуговується (НРП) |
|
|
Канал для передачі телефонних сигналів |
|
|
Канал для передачі нетелефонної інформації (вказується біля стрілки): Т - тональна телеграфія (низькошвидкісна передача даних - НСПД); Ф - фототелеграфія; Д - середньошвидкісна передача даних (СШПД) |
|
|
Апаратура цифрового мовлення |
|
|
Обладнання цифрового лінійного тракту (апаратура ІКМ-120) |
|
|
Аналогово-цифрове обладнання (АЦО) для перетворення аналогових сигналів ВГ в цифрові для передачі їх по ЦЛТ |
|
|
Аналогово-цифрове обладнання (АЦО) для перетворення аналогових сигналів ТГ в цифрові для передачі їх по ЦЛТ |
|
ПГ
|
Обладнання індивідуального первинного (ПГ) перетворення |
|
ВГ
|
Обладнання групового вторинного (ВГ) перетворення. |
|
ТГ
|
Обладнання групового третинного (ТГ) перетворення. |
|
ЧГ
|
Обладнання групового четвертинного (ЧГ) перетворення. |
Вступ
На мережах зв’язку відбувається перехід від аналогових до цифрових систем передачі, що забезпечують передачу всіх видів первинних сигналів в цифровому вигляді. При цьому широко використовуються волоконно-оптичні, радіорелейні та супутникові системи передачі, нові технології виробництва й експлуатації засобів зв’язку під час розповсюдженого використання елементів цифрової техніки та ЕОМ.
В питаннях цифровізації мережі зв’язку Україна істотно відстає від розвинених країн. Для усунення відставання на території України вводяться в експлуатацію електронні АТС. Будуються потужні єднальні лінії на основі волоконно-оптичного кабеля, здійснюється реконструкція мереж, які експлуатуються, шляхом заміни аналогової апаратури на цифрову, налагоджується та поширюється виробництво апаратури сучасних цифрових систем передачі.
1. Вибір траси та укладання спрощеної схеми організації зв’язку
Згідно індивідуального завдання на курсовий проект відстань між пунктом транзиту та кінцевими пунктами (КП) відповідає значенням, які наведені на рис.1.1.

Рис.1.1 Спрощена схема організації зв'язку
Траса прокладається таким чином, щоб при мінімальних витратах на лінійні споруди та експлуатацію ЦЛТ всі необхідні пункти були забезпечені електрозв’язком. Під час порівняння варіантів траси враховується низка чинників: необхідна кількість каналів між різноманітними пунктами; довжина траси, склад ґрунту, стан доріг, кількість пересічень річок і залізниць, рельєф місцевості, наявність і відсутність струму електрифікованих залізниць, енергопостачання проміжних пунктів та багато іншого.
2. Розрахунок еквівалентної кількості основних цифрових каналів
Як відомо, для розрахунку еквівалентної кількості основних цифрових каналів (ОЦК) при переході від аналогових каналів до цифрових необхідно враховувати наступні співвідношення:
1 ТЛФ - 1 ОЦК.
8 низько-швидкісних каналів передачі даних (НШПД) - 1 ОЦК.
1 середньо-швидкісний канал передачі даних (СШПД) - 1 ОЦК.
1 канал ЗМ (І кл.) - 4 ОЦК.
1 канал фототелеграфу (ФТГ) - 1 ОЦК.
Для передачі газетних смуг (апаратура "Газета-2") - 90 ОЦК.
Для передачі каналів АСП К-300 - 360 ОЦК.
При цьому, під час проведення розрахунків кількість ОЦК необхідно збільшити на 15% для забезпечення розвитку мережі зв’язку. Очікувана еквівалентна кількість ОЦК наведена у табл.2.1 Надалі розраховується кількість ОЦК в перерізі КП (табл.2.2).
Таблиця 2.1
Еквівалентна кількість ОЦК.
|
Зв’язок між пунктами |
Кількість еквівалентних ОЦК для передачі сигналів |
Загальна кількість ОЦК |
З урахуванням резерву +15% |
|||||
|
ТЛФ |
НШПД |
СШПД |
ЗМ |
ФТГ |
АСП К-300 |
|||
|
А-B |
115 |
1 |
2 |
16 |
1 |
- |
135 |
156 |
|
А-C |
115 |
1 |
2 |
16 |
1 |
- |
135 |
156 |
|
A-D |
115 |
1 |
2 |
16 |
1 |
- |
135 |
156 |
|
B-C |
115 |
1 |
2 |
16 |
1 |
- |
135 |
156 |
|
B-D |
115 |
1 |
2 |
16 |
1 |
360 |
495 |
570 |
|
C-D |
115 |
1 |
2 |
16 |
1 |
- |
135 |
156 |
Таблиця 2.2
Еквівалентна кількість ОЦК в перерізі КП.
|
КП |
Кількість ОЦК |
15% запасу |
Сумарна кількість ОЦК |
|
A |
135+135+135=405 |
405*0,15=60,75 |
405+61=466 |
|
В |
135+135+495=765 |
765*0,15=114,75 |
765+115=880 |
|
С |
135+135+135=405 |
405*0,15=60,75 |
405+61=466 |
|
D |
135+135+495=765 |
765*0,15=114,75 |
765+115=880 |
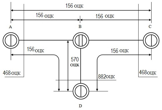
Після проведених розрахунків еквівалентної кількості ОЦК, отримані значення кількості ОЦК в перерізах ліній між КП вказані на спрощеній схемі організації зв’язку з урахуванням еквівалентної кількості ОЦК (рис.2.1).

Рис.2.1 Спрощена схема організації зв'язку з урахуванням еквівалентної кількості ОЦК
3. Обгрунтування вибору цифрової системи передачі і типу кабелю
Виходячи з розрахованої кількості ОЦК для КП А, В, С і D прийнято рішення про вибір ЦСП ІКМ-480х2 і тип кабелю: МКТ-4. Технічні характеристики ЦСП ІКМ-480х2 і кабелю МКТ-4 наведено відповідно у таблицях 3.1 і 3.2.
Таблиця 3.1
Технічні характеристики ЦСП ІКМ-480х2.
|
Апаратура ЦСП |
Параметри |
|||||||
|
Кількість КТЧ |
Тип кабелю |
Номінальна довжина регенераційної ділянки, км |
Хвильовий опір, Ом |
Максимальна відстань ОРП-ОРП, км |
Максимальна кількість НРП, Мах к-сть НРП, що забезпечується дистанційним живленням |
Максимальна довжина ЦЛТ, км |
Тактова частота лінійного сигналу, кГц |
|
|
ІКМ-1920 |
960 |
МКТ-4 |
3,0 (+0,15-0,7) |
75 |
200 |
66 |
2500 |
51840 |
|
Підсилююча спроможність НРП, дБ |
Межа регулювання АРП, дБ |
Лінійний код |
Амплітуда імпульсу на вих. НРП, В |
Тривалість імпульсу лінійного сигналу, мкс. |
Область застосування |
Схема організації зв’язку |
Фактичний коефіцієнт помилок на 1 км |
|
|
86 |
25 |
4В3Т |
1,0 |
9,65 |
МгПМ |
ОК |
4*10-12 |
Примітка: згідно завдання на курсовий проект обрана схема організації зв’язку однокабельна (ОК).
цифровий лінійний тракт канал
МКТ-4 - це коаксіальний кабель, діаметр внутрішнього провідника 1,2 мм, а зовнішнього - 4,6 мм. Виходячи з цього для даного типу кабелю (коаксіальна пара типу 1,2/4,6) К>α >=5,34.
Кабель МКТ-4 застосовується для 300-канальної системи високочастотного зв'язку (К-300) в діапазоні 60.1300 кГц. Система живлення-дистанційна. Пункти, що не обслуговують, встановлюються через 3 км, а що обслуговуються-через 120 км. Система зв'язку - чотирипровідна, односмугова. Енергетичний потенціал апаратури К-300 до 44 дБ. Застосовуються також цифрові системи ІКМ-480х2. Відомі конструкції малогабаритних коаксіальних кабелів, що мають одну, чотири, шість, вісім, дванадцять пар.
Таблиця 3.2
Основні характеристики кабелю МКТ-4.
|
Тип кабелю |
Параметри |
|||||
|
К>α> |
α>α>*10-3 |
R, Ом |
α>0>, дБ/км |
α>1/2>, дБ/км |
α>1>, дБ/км |
|
|
КМБ-4 |
5,34 |
2,0 |
75 |
0,065 |
5,265 |
0,0186 |
4. Укладання схеми організації зв’язку
Схема організації зв’язку показує, яка апаратура ЦСП використовується для організації необхідного числа каналів і групових трактів, в яких групах або системах організовуються канали (тракти) для передачі сигналів різноманітного вигляду. Також схема містить інформацію про те, на яких КП організовується введення, виділення та транзит каналів, а також, яка при цьому використовується апаратура.
За умовою завдання курсового проекту необхідно зобразити схему організації зв’язку між двома кінцевими пунктами, де розміщено додаткове АСП. На рис.4.1 представлена схема організації зв’язку між двома кінцевими пунктами В та D. В КП В за допомогою чотирьох комплектів апаратури первинної групи (АЦО-30) формуються чотири первинні цифрові потоки, швидкість передачі яких 2048 кбіт/с. Оскільки для даного варіанту необхідно передати велику кількість телефонних сигналів (115 ТЛФ), а одному ТЛФ відповідає один ОЦК, то всі чотири комплекти апаратури ПГ будуть використовуватись для передачі 115 ТЛФ (по 30 ТЛФ перші три ПГ та остання ПГ 25 ТЛФ). Ці чотири комплекти апаратури ПГ об’єднуються в апаратуру ВГ, що формуються вторинний цифровий потік, швидкість передачі якого 8448 кбіт/с.
Оскільки не вистачило каналів для передачі інших видів сигналів, потрібно використовувати нові комплекти апаратури ПГ. В першому комплекті апаратури ПГ 16 ОЦК використовується для передачі чотирьох сигналів ЗМ 1 класу, 1 ОЦК - одного факсимільного сигналу (Ф), 2 ОЦК - двох СШПД (Д), 1 ОЦК - п’ятьох НШПД (Т). Інші комплекти апаратури ПГ використовуватися не будуть. Як і попередні комплекти апаратури ПГ, вони теж об’єднуються в апаратуру ВГ, а апаратура ВГ в свою чергу об’єднується в апаратуру ТГ.
На ділянці ВD розміщено додаткове АСП К-300, тому виникає необхідність спільної роботи ЦСП з АСП. Для передачі групових сигналів АСП К-300 за цифровими трактами використовується апаратура АЦО-ТГ, що забезпечує передачу сигналів третинним цифровим трактом.
Комплекти апаратури ТГ об’єднуються в ЦСП ІКМ-480х2, та передають сигнали на зустрічний пункт D.

Рис.4.1 Схема організації зв’язку між двома кінцевими пунктами В та D
5. Розміщення регенераційних пунктів на магістралі
5.1 Загальні рекомендації щодо розміщення регенераційних пунктів на магістралі
На магістралях ЦСП використовуються регенераційні пункти, що не обслуговуються (НРП), та пункти, що обслуговуються (ОРП). Пункти, що обслуговуються, розташовують тільки в населених пунктах. На кожному ОРП міститься по два комплекти обладнання лінійного тракту ЦСП. Відстань між сусідніми ОРП не повинна перевищувати довжини секції дистанційного живлення та є паспортною (довідковою) величиною. Між сусідніми ОРП розміщують НРП. Допустима кількість НРП між сусідніми ОРП також є паспортною (довідковою) величиною. Під час розміщення НРП на магістралі доцільно враховувати наступні рекомендації:
довжина
регенераційної ділянки (РД)
не повинна перевищувати максимально
допустиме значення;
доцільно забезпечити рівномірне розташування НРП на кожній з ділянок ОРП-ОРП;
необхідно використати можливо меншу кількість НРП на кожній з ділянок ОРП-ОРП;
за результатами розрахунку, при появі необхідності використати укорочені РД, а їхнє корегування можна забезпечити застосуванням штучних ліній (ШЛ), що встановлюються тільки на станційних регенераційних пунктах (КП, ОРП);
укорочені ділянки доцільно встановлювати біля пунктів, де розміщене комутаційне обладнання, яке створює в процесі роботи потужні завади.
5.2 Визначення максимальної довжини регенераційної ділянки
Максимально допустиму довжину РД можна визначити, використовуючи співвідношення:
,
(5.2.1)
де
- максимально перекриваюче загасання
(дБ) РД на розрахунковій частоті (тобто
підсилювальна спроможність НРП) беремо
з таблиці 3.1,
- коефіцієнт загасання кабелю на
розрахунковій частоті (вона дорівнює
напівтактовій частоти:
при максимальній температурі ґрунту.
Коефіцієнт загасання
кабелю
визначається співвідношенням:
,
(5.2.2)
Значення
- втрати в діелектрику,
- втрати в екрані,
- втрати на частоті, для різних типів
кабелю різні. Для кабелю МКТ-4 ці значення
складають відповідно: 0,065; 5,265; 0,0186.
Для ЦСП ІКМ-480х2 і
коаксіального кабелю МКТ-4 використовуючи
таблицю 3.1 знаходимо значення
=51,840
МГц.
=0,5
51,840
=25,920 МГц
Отже, коефіцієнт
загасання кабелю
буде
рівний:
дБ.
Максимально допустима довжина РД:
=86/27,35=3,14
км.
5.3 Розрахунок кількості регенераційних дільниць і складання плану розміщення НРП на магістралі
Для визначення кількості РД на кожній з секцій ЦЛТ (ділянок ОРП-ОРП) спочатку визначається число:
,
(5.3.1)
де
- обернені квадратні дужки означають
ціле число, l>орп>
- довжина ділянки ОРП-ОРП; l>ном>
- номінальна довжина РД. Для ЦСП ІКМ-1920
=3км.
Далі проводиться аналіз різниці:
(5.3.2)
Якщо Δ=0, то довжина кожної РД приймається рівною цьому значенню l>РД>, укорочених ділянок не буде, а кількість РД буде рівною N>РД>=M. Кількість НРП буде завжди на 1 менше ніж кількість РД.
Якщо Δ≥0,5, то ділянка ОРП-ОРП складатиметься з М ділянок довжиною l>РД> і однієї укороченої ділянки, довжина якої визначатиметься як l>УК>=Δ. l>РД>. Кількість РД складатиме N>РД>=M+1. В цьому випадку, ОРП регенератора корегує загасання на укороченій ділянці. При цьому укорочену ділянку розташовують біля ОРП або біля КП.
Якщо Δ<0,5 то матимемо М-1 ділянок довжиною l>РД> і 2 укорочених ділянки, довжина кожної з яких складатиме l>УК>=0,5. (1+Δ). l>РД.> Загальна кількість РД також буде М+1. Використання 2-х укорочених ділянок забезпечує можливість корекції загасання РД за допомогою АРП регенератора та підвищення захищеності регенераторів кожної з укорочених ділянок. Ці ділянки доцільно розташовувати близько місця розташування КП або ОРП.
На практиці визначається можливість розміщення НРП у відповідності з розрахунками на трасі. Найчастіше, через особливості траси потрібно корегувати первинне розміщення НРП. Звичайно, корегування призводить до збільшення кількості РД. На трасі будуть РД як номінальної довжини, так й укорочені. Однак, і це корегування може бути проміжним. Справа в тому, що якщо результати наступних розрахунків доведуть, що захищеність від завад сигналів ЦЛТ виявиться недостатньою, то для її підвищення може бути доцільним зменшення довжини РД і наступний перерозподіл розміщення НРП.
Таким чином, процес розміщення НРП складається з кількох етапів і передбачає виконання наступних операцій.
Вибір довжини
РД, що не перевищує максимальне допустиме
значення
.
Звичайно вибирають
.
Перевірка реального розміщення НРП на трасі.
Розрахунок
допустимих і очікуваних значень
захищеності (
,
)
і імовірності помилок (
).
Порівняння очікуваних захищеності та імовірності помилок з допустимими значеннями.
Якщо очікувані
значення захищеності та імовірності
помилки не задовольняють допустимим
значенням, то довжина кожної з РД
зменшується на величину в межах
.
В технічних даних апаратури ЦСП, як
правило, вказуються допустимі межі
відхилення довжини РД від номінального
значення. В деяких випадках, під час
великого завантаження основного кабелю
може виявитися доцільним введення
додаткового кабелю, що дозволяє знизити
завантаження основного кабелю та
підвищити завадозахищенність сигналу
ЦЛТ. При цьому може з’явитися можливість
збільшити довжину РД.
Для ділянки А-В
(L>АВ>=180
км): М=
=60,∆=180/3-60=0,
N>РД
>=М=60, N>НРП>=59.
Для ділянки В-С
(L>BС>=186
км): М=
=62,∆=186/3-62=0,
N>РД>=М=62,
N>НРП>=61.
Для ділянки В-D
(L>BD>=110
км): М=
=36,∆=110/3-36=0,666,
∆≥0,5, l>УК>=Δ.
l>РД>=0,666*3=2
км,
N>РД>=М+1=36+1=37, N>НРП>=36.
Усі результати розрахунків кількості НРП наведені у таблиці 5.3.1, а також на рисунку 5.3.1 представлена схема (план) розміщення регенераційних пунктів на кожній з дільниць (секцій) магістралі (між суміжними КП).
Таблиця 5.3.1
Розрахунок кількості НРП.
|
Напрямок |
L, км |
l>ном>, км |
Кількість укорочених ділянок |
l>УК>, км |
N>РД> |
N>НРП> |
|
А-В |
180 |
3 |
- |
- |
60 |
59 |
|
В-С |
186 |
3 |
- |
- |
62 |
61 |
|
В-D |
110 |
3 |
1 |
2 |
37 |
36 |
Примітка: до кількості РД входить кількість укорочених ділянок.

Рис.5.3.1 Схема розміщення регенераційних пунктів між КП на магістралі
6. Розрахунок завадостійкості цифрового лінійного тракту
6.1 Визначення допустимих значень імовірності помилки та захищеності
Завадостійкість
ЦЛТ визначає імовірність передачі
інформації по ЦЛТ. Кількісно імовірність
передачі інформації оцінюється
імовірністю помилки (
).
Величина імовірності помилки (
)
є функцією співвідношення сигнал/завада
за потужністю (або напругою). Розрізняють
три види значень імовірності помилки
та відповідній їй захищеності: допустима,
очікувана та фактична. Згідно завдання
на курсовий проект, розрахунку підлягають
лише очікувані значення імовірності,
а допустимі нормуються у відповідності
із нормами МСЕ:
,
(6.1.1)
де

Згідно з варіантом
завдання для розрахунку
обираємо значення
=4,0·10-12
(для магістральної первинної мережі).
Згідно з (6.1.1) визначаємо
для РД і секцій ЦЛТ в цілому:
4,0·10-12
*180 км =7,2·10-10;
4,0·10-12
*186 км =7,44·10-10;
4,0·10-12
*110 км =4,4·10-10;
4,0·10-12
*3 км =1,2·10-11.
Враховуючи, що в ЦСП ІКМ-480х2 використовується троїчний код 4В3Т, величина допустимої захищеності визначається за виразом:
,
(6.1.2),
де
.
Відповідні величині
і
наведені в таблиці 6.1.1.
Таблиця 6.1.1
Розраховані значення
і

|
Дільниця |
|
|
|
А-В |
9,14266750357 |
21,62545281296 |
|
В-С |
9,12842706445 |
21,61772174814 |
|
В-D |
9,35654732351 |
21,74014036334 |
|
l>РД> |
10,92081875395 |
22,5068743777 |
6.2 Визначення очікуваних значень імовірності помилки та захищеності
Як відомо, в процесі перетворень сигналів в аналого-цифровому обладнанні можливо збільшення (розмноження) помилок, та як наслідок, й збільшення їх імовірності.
Сумарна очікувана захищеність визначається за формулою:
,
(6.2.1)
де
- захищеність від завад, створюваних n
джерелами, і вплив яких враховується
аналітично,
- захищеність від завади і-го
джерела,
- зменшення захищеності через еквівалентний
вплив: міжсимвольних спотворень, фазових
тремтінь (часових зсувів) строб-імпульсів,
нестабільності порога вирішального
пристрою регенератора й інше (для ЦСП
ІКМ-480х2
=10
дБ).
Сумарна очікувана захищеність залежить від виду завад, переважних в кабелі. Для ЦСП, що працюють по коаксіальному кабелю, переважними є власні шуми, а для ЦСП, що працюють по симетричному кабелю, переважними є завади лінійних переходів.
У зв’язку з тим,
що обраний коаксіальний кабель (МКТ-4)
і схема ОК, то необхідно розрахувати
очікувану захищеність від власних шумів
(
).
На її величину впливає структура побудови
вхідних каскадів регенератора (від його
входу до входу вирішального пристрою).
Для високошвидкісної ЦСП ІКМ-480х2
захищеність від власних шумів описується
виразом:
,
(6.2.2)
де
- рівень потужності лінійного сигналу
на виході регенератора (дБм), А
- амплітуда імпульсу лінійного сигналу
на виході регенератора (В), R
- хвильовий опір кабелю (Ом),
- постійний коефіцієнт, що залежить від
виду коду лінійного сигналу,
- загасання РД (дБ),
- коефіцієнт шуму вхідного підсилювача
(дБ),
- тактова частота (МГц),
- розрахунковий коефіцієнт, величина
якого для різних значень
наведені в таблиці 6.2.1.
Таблиця 6.2.1
Залежність
розрахункового коефіцієнта
від

|
|
20 |
30 |
40 |
50 |
60 |
70 |
80 |
90 |
100 |
110 |
120 |
|
|
0,94 |
0,92 |
0,90 |
0,88 |
0,82 |
0,77 |
0,72 |
0,67 |
0,63 |
0,59 |
0,55 |
Для ЦСП ІКМ-480х2 і
коаксіального кабелю МКТ-4 використовуючи
таблиці 3.1 та 3.2 знаходимо значення А
=1В, R=75
Ом,
=4,
=3
дБ,
=51,840
МГц.
Отже, рівень потужності лінійного сигналу на виході регенератора буде:
=
=11,25
дБм
Значення загасання ділянки регенерації (РД) визначається:
=
l>РД (>6.2.3)
=
l>РД >=
27,35
3=82,05
дБ
=0,7
Таким чином, захищеність від власних шумів дорівнює:
=11,25-10lg
(4) - 82,05-3-10lg (51,840) +20lg (82,05) - 10lg (0,7) +98,2=41,057
дБ.
Отже, сумарна очікувана захищеність визначається за формулою (6.2.1) і буде рівна:
=31,057
дБ.
6.3 Розрахунок очікуваної імовірності помилки для кожної секції
Оскільки для ЦСП ІКМ-480х2 використовується троїчний код 4В3Т, для розрахунку очікуваної імовірності помилки для кожної секції використовується формула:
Р>ПОМ
оч>=10
(6.3.1)
Для кожної секції (РД) одержимо:
Р>ПОМ
оч>=10
= 10
=

Pпом. оч. сек=Pпом. оч. рд*Nрд
Pпом.
оч. А-В=
*60=6·10-15
Pпом.
оч. В-С=
*62=6,2·10-15
Pпом.
оч. В-D=
*37=3,7·10-15
Результати зведемо у таблицю 6.3.1.
Таблиця 6.3.1
Зведена таблиця Р>ПОМ> >РД >і Р>ПОМ СЕК>
|
Секція (ділянка) ЦЛТ |
ЦСП ІКМ |
L>ЦЛТ>, км |
l, км |
Кількість РД |
Р>ПОМ> >РД> |
Р>ПОМ СЕК> |
||
|
доп |
оч |
доп |
оч |
|||||
|
А-В |
480х2 |
180 |
3 |
60 |
1,2·10-11 |
|
7,2·10-10 |
6·10-15 |
|
В-С |
480х2 |
186 |
3 |
62 |
1,2·10-11 |
|
7,44·10-10 |
66,2·10-15 |
|
В-D |
480х2 |
110 |
3 |
37 |
1,2·10-11 |
|
4,4·10-10 |
33,7·10-15 |
Висновок
Даний курсовий проект мав на меті розрахунок ЦСП на базі ІКМ-1920. В процесі роботи було проведено розрахунки еквівалентної кількості каналів ОЦК, побудовано структурну схему системи передачі на основі апаратури ІКМ-1920, визначено максимальну довжину регенераційної ділянки, величину коефіцієнта загасання кабелю КМБ-4 на відповідній частоті, кількість НРП та ОРП, допустимі значення імовірностей помилки та захищеності для кожної ділянки та РД та очікувані значення імовірності помилки та захищеності для кожної ділянки та РД. В цілому можна сказати, що дані канали нормальної якості.
Проаналізувавши дані таблиці можна сказати, що очікувана імовірність помилки регенераційних ділянок та секцій ЦЛТ менше ніж допустима, а отже знаходиться в нормі. Також те, що захищеність очікувана (40,7213 дБ) перебільшує чотири допустимих захищеності для АВ, ВС, BD, РД. Це говорить про гарну якість каналів та високу захищеність від завад.
Список використаних джерел
Голубев А.Н., Иванов Ю.П., Левин Л.С. и др. Аппаратура ИКМ-30/ Под ред. Ю.П. Иванова и Л.С. Левина. - М.: Радио и связь, 1983. - 184 с.
Голубев А.Н., Иванов Ю.П., Левин Л.С. и др. Аппаратура ИКМ-120/ Под ред.Л.С. Левина. - М.: Радио и связь, 1989. - 256 с.
Берганов И.Р., Гордиенко В.Н., Крухмалев В.В. Проектирование и техническая эксплуатация систем передачи. - М: Радио и связь, 1989. - 282c.
Зингеренко А.Н., Баева Н.Н., Тверецкой М.С. Системы многоканальной связи. - М.: Связь, 1980. - 439 с.
Кириллов В.И. Цифровые линейные тракты многоканальных систем передачи. - Минск.: МРТИ, 1994. - 130 с.
Методические указания к курсовому проектированию по дисциплине "Цифровые системы передачи"/ Сост.: Гапонов А.П., Картушин Ю.П., Стороженко В.В. - Х.: ХТУРЭ, 1997. - 32 с.
Цым А.Ю., Камалягин В.И. Междугородные симметричные кабели для цифровых систем передачи. - М.: Радио и связь, 1984. - 159 с.
Цифровая связь. Справочник/ Под ред.В.К. Стеклова. - К.: Техника, 1992. - 230 с.
ДСТУ-3008-95. Державний стандарт України - Документація. Звіти у сфері науки і техніки. - К.: Державний комітет України по стандартизації, метрології та сертифікації, 1996 р.
Бакланов И.Г. Технологии измерений первичной сети. Ч.1. - М.: Эко-Трендз, 2002. - 140 с.
Системи передавання цифрові. Норми на параметри основного цифрового каналу і цифрових трактів первинної мережі зв’язку України. КНД 45-074-97. - К.: Державний комітет зв’язку України, 1997. - 70 с.
Системи передавання аналогові та цифрові. Норми на електричні параметри каналів тональної частоти магістральної та внутрішньо-зонових первинних мереж зв’язку України. КНД 45-078-97. - К.: Державний комітет зв’язку України, 1997. - 72 с.
Иванов В.И., Гордиенко В.Н., Попов Г.Н. Цифровые и аналоговые системы передачи. - М.: Горячая линия. Телеком, 2003. - 229 с.

















,
в дБ