Проектирование перестраиваемого генератора синусоидального напряжения с устройством индикации частоты и источником питания
Уфимский государственный авиационный технический университет
Кафедра Информационно-измерительной техники
ПОЯСНИТЕЛЬНАЯ ЗАПИСКА
к расчетно-графической работе по курсу Электроника и ИИТ
Проектирование перестраиваемого генератора синусоидального напряжения с устройством индикации частоты и источником питания
Группа ЭСиС-405сб
Студент Родионов Е. Б.
Консультантка Кипелова Е.Ю.
Приняла Кипелова Е. Ю.
Уфа 2008 г.
Содержание
Техническое задание
Введение
Проектирование генератора синусоидального напряжения
Выбор типа схемы генератора
Проектирование генератора
Проектирование частотомера
Проектирование блока питания
Заключение
Библиографический список
Техническое задание
Разработать перестраиваемый генератор синусоидального напряжения, с источником питания и устройством индикации частоты выходного сигнала.
|
Параметры |
Значение |
|
Нижняя граница диапазона частот усилителя, Гц |
1000 |
|
Верхняя граница диапазона частот усилителя, Гц |
10000 |
|
Нестабильность частоты выходного напряжения, не более Гц |
10-6 |
|
Максимальное выходное напряжение, В |
15 |
|
Нестабильность амплитуды выходного напряжения в полосе рабочих частот на х.х. не более, % |
2 |
|
Приведенный дрейф нуля, не более, мкВ/град |
0,5 |
|
Минимальное сопротивление нагрузки, Ом |
1500 |
|
Дополнительная погрешность амплитуды выходного напряжения при подключении R>Н >>min>, не более, % |
1,5 |
|
Рабочий диапазон температур, 0С |
10-50 |
|
Погрешность дискретности встроенного цифрового частотомера, Гц |
1 |
|
Время индикации частоты, с |
5 |
|
Тип ячейки индикации |
Жидкокристаллическая |
|
Элементная база частотомера |
КМОП |
Напряжение питания 220 В, частота 50 Гц.
Введение
Существует множество подходов к построению аналоговых электронных устройств, с требуемыми в техническом задании характеристиками. Их можно реализовать при помощи: различных структурных схем, последовательностях расчёта, а также при других параметрах элементов в идентичных схемах. При проектировании электронного аналогового устройства наиболее часто приходится оценивать такие показатели, как степень сложности устройства, его стоимость, унификацию компонентов схемы и их количество.
Поэтому наша задача в данном проекте смоделировать устройство, которое отвечало бы требованиям технического задания, и было бы качественным, надёжным и экономически выгодным.
Проектирование генератора синусоидального напряжения
Выбор типа схемы генератора
Генераторы синусоидального напряжения используются в измерительной технике для исследования и настройки измерительной аппаратуры.
Задающие генераторы с самовозбуждением по виду частотно-зависимой цепи обратной связи могут быть представлены тремя основными группами: LC-генераторами, RC-генераторами и кварцевыми генераторами.
Наиболее стабильными из данных групп генераторов являются кварцевые генераторы, в которых энергия электрического поля преобразуется в энергию механических колебаний. Температурный коэффициент изменения его резонансной частоты очень мал. Практически достижимые значения нестабильности частоты кварцевого генератора F/F лежат в пределах от 10-6 до 10-10, т.е. для построения нашего генератора целесообразно выбрать именно эту группу генераторов.
Проектирование генератора
Генератор с кварцевым резонатором предназначен для получения по настоящему стабильных колебаний на высокой частоте. В нем используется кусочек кварца (искусственного – двуокись углерода), вырезанный и отшлифованный таким образом, что он имеет определенную частоту колебаний (32768 Гц).
Высокая добротность Q(10000) и хорошая стабильность делают естественным его применение как задающего элемента в генераторах и фильтрах с улучшенными параметрами. В данном проекте, генератор выполнен на основе микросхемы К561ЛА7.
Так как данная частота (32768 Гц) превышает диапазон необходимых частот (30-500 Гц) после кварцевого генератора необходимо поставить перестраиваемый делитель частоты, так называемый счётчик с предварительной установкой.
Счётчик с предварительной установкой представляет собой устройство, которое формирует выходной сигнал тогда, когда число входных импульсов равно предварительно выбранному числу М. Выходной сигнал может быть использован как сигнал запуска определённой операции. При этом останавливается процесс счета, для того чтобы счётчик не изменял своего состояния или опять устанавливался в начальное состояние. Разрешая после сброса дальнейшую работу, получаем счётчик по модулю m, цикл счёта которого определяется заранее выбранным числом.
Большинство синхронных счётчиков имеют дополнительные входы с помощью которых реализуется параллельная работа. При этом можно легко осуществить описанную функцию предварительной установки. Введём в счётчик число Р=Z>МАКС>-М, установив для этого на входе разрешения L=1, и подадим тактовый импульс Ф. Для двоичного сигнала число Z>МАКС>-М вычислить особенно легко: оно равно обратному двоичному коду числа М. После прохождения М тактовых сигналов будет достигнуто состояние Z>МАКС.> Об этом можно узнать без дополнительного дешифратора, так как на выходе переноса СЕ появляется 1, которая может служить признаком начала выполнения желаемой операции.
Если управляемая схема не синхронизирована с тактовым сигналом Ф, нежно преобразовать СЕ в переменную С>ф>=СЕ∙Ф и осуществлять управление так, чтобы избежать ошибочного запуска из-за неустановившегося переходного состояния.
Если счётчик должен продолжать работу в циклическом режиме, то достаточно соединить L-вход с 1. Тогда счётчик устанавливается М+1-м тактовым импульсом в исходное состояние.
В качестве такого счётчика будем использовать микросхему 564ИЕ15 с делением частоты на N=M*(1000P1+100P2+10P3+P4)+P5; M – модуль уст. вх. Ка, Кб, Кс. Р1, Р2, Р3, Р4 – умножители уст. вх. J1-J4; J13-J16; J9-J12; J5-J8; P5 – остаток уст. вх. J2-J4.
Согласно техническому заданию необходимо спроектировать генератор синусоидального напряжения в диапазоне частот: (30-500) Гц, следовательно после кварцевого генератора необходимо поставить сглаживающий перестраиваемый на частоты R-C фильтр.
Данная схема представляет собой активный фильтр, выполненный на операционном усилителе К140УД26А с коэффициентом усиления К=1.
По техническому заданию необходимо усиливать сигналы имеющие частоту от 30 до 500 Гц. Примем частоту срезы равной F>СР>=1000 Гц и произведем расчёт фильтра.
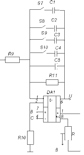
Выберем резисторы R>11> и R>9>. Так как ОУ (К140Уд26А) не может работать на нагрузку менее 2 кОм, то резисторы возьмём равными R>11> = R>9>=10 кОм.
Произведем расчёт :

Произведем расчёт :

Коэффициенты усиления усилителя на низших частотах и f>ср>=100 Гц:


Коэффициент частотных искажений:
.
Рассчитаем относительную мультипликативную погрешность, определяемую неточностью используемых резисторов:

Рассчитаем погрешность вызванную напряжением смещения и входными токами ОУ, так называемую приведенную аддитивную погрешность:

Резистор R>10> вводится в ОУ с целью уменьшения погрешности от входных токов операционного усилителя. Полная коррекция погрешностей от этих токов достигается при равенстве сопротивления резистора R>10> сопротивлению параллельно включенных резисторов R>11> и R>9>:
(Ом).

Рис.1 RC-фильтр
Рассчитаем относительную мультипликативную погрешность, определяемую неточностью используемых резисторов:

Рассчитаем погрешность вызванную напряжением смещения и входными токами ОУ, так называемую приведенную аддитивную погрешность:

Резистор R>10> вводится в ОУ с целью уменьшения погрешности от входных токов операционного усилителя. Полная коррекция погрешностей от этих токов достигается при равенстве сопротивления резистора R>10> сопротивлению параллельно включенных резисторов R>11> и R>9>:
(Ом).
Определившись с резисторами находим
ёмкость конденсатора С>5>. Из формулы
для данного фильтра:
.
Получаем искомое значение емкости, по
ряду Е192 выбираем конденсатор С>5>=160
нФ.
Перестройка фильтра на другие частоты среза обеспечивается включение шунтирующих конденсаторов. Схема состоит из пяти пределов измерения. На пределе измерения 1 подключается емкость С>5>, на пределе измерения 2 подключается С>4>, емкость которого примерно в а раз меньше С>5>. Аналогично рассчитываются остальные емкости.
Частота среза данного фильтра определяется выражением f>СР>=1/(2R>11>C>5>).
Расчёт производим по следующей формуле:
.
Получаем:
1) f>СР4>= 200 Гц., С>4> = 800 нФ.
2) f>СР3>= 300 Гц., С>3> = 533 нФ.
3) f>СР2>= 400 Гц., С>2> = 400 нФ.
4) f>СР1>= 550 Гц., С>1> = 290 нФ.
Для обеспечения требуемого в ТЗ выходного напряжения данного генератора необходимо поставить усилитель.
Для уменьшения нелинейных искажений сигнала и уменьшения коэффициента частотных искажений усилитель целесообразно охватить глубокой ОС. Поэтому коэффициент усиления по напряжению небольшой.
Так как ОУ обеспечивает получение требуемой амплитуды напряжения (10 В), и не позволяет получить нужное значение тока (0,01 А), то на выходе целесообразно установить усилитель мощности. Его можно выполнить на основе эмиттерных или истоковых повторителей.
мА,
мА.
Для получения в нагрузке тока 10 мА
коэффициент усиления по току у выходного
каскада должен быть равен
.
Выбор оконечных транзисторов VT2 и VT4.
Их следует выбирать так, чтобы они удовлетворяли следующим неравенствам:
,
E=15 В, для плеча
В;
,
ток коллектора
А;
,
следовательно,
Вт;
,
следовательно,
Вт;
Вт.

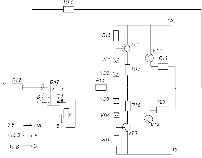
Рис. 2 Принципиальная схема усилителя
По полученным данным в качестве VT2 и VT4 необходимо использовать транзисторы средней мощности: VT2 – KT970A (n-p-n), VT4 – KT971A (p-n-p): h>21Э1>= h>21Э2>=150, r=2 Ом.
Токи транзисторов VT1 и VT3 в 20-50 раз меньше токов VT2 и VT4. Частотные искажения транзисторов VT1 и VT3 можно пренебречь ввиду их малости. Эти транзисторы обычно бывают малой мощности. VT1 –KT817A, VT3 – KT816A, h>21Э3>= 3 h>21Э2>=4, r=0.2 Ом.
Коэффициент усиления по напряжению
возьмём – K>U>=3.
Отсюда
,
R12=0.4 кОм, тогда R>13>
= 1.2 кОм. Найдём КОС:
.
Резистор R>14> защищает ОУ от короткого замыкания на выходе: R>14>=0.78 кОм.
Резисторы R>19> и R>20> введены для защиты выходного каскада от короткого замыкания выходных зажимов. Их следует выбирать из следующих условий: при R>H>=0 VT2, VT4: I>к2>< I>к1max>, VT1, VT3: I>к2>< I>к2max>, где I>к2max>=2 А; I>к2max>=0,8 А; U>пит>=15 В.


R>19>=7.5
Ом, R>20> = 18.75 Ом.
Резисторы R>17> и R>18> необходимы для того, чтобы создать путь для протекания обратных токов базы транзисторов VT2 и VT4 в тот полупериод, в который соответствующий транзистор заперт. Их выбираем из условия U>Бэпор>>I>КБО>>max>*R; U>Бэпор> – пороговое напряжение, при котором отпирается эммитерный переход транзистора. I>КБО>>max> – максимальный обратный ток коллекторного перехода при наибольшей температуре резистора. R= R>17> = R>18>.
Характеристика КТ973А: U>Бэпор>>0,6
В, I>КБО>>max>
= 40 мА, тогда
Ом.
Из [E192] R>18>=R>17>=R=13
Ом.
Резисторы R>15> и R>16>
и количество диодов VD в
каждом плече выбирается по следующему
принципу. На базы транзисторов VT1
и VT3 подаём небольшое
постоянное U>СМ>
(должно открывать транзисторы VT1
и VT3 и устранять нелинейные
искажения. Они исчезают при 15-20 мА).
Следует I>покоя>
транзисторов VT1 и VT3
зададим 0,2-1 мА. Пусть I>Ко>=0,3
мА.
мА.
По выходной характеристике транзисторов
КТ819А находим, что при I>БО>=0,1
мА U>БЭ>=2,68 В.
Ток транзистора VT1 создает на сопротивлении в эмиттерной цепи падение напряжения UI>Ко>∙R>6>=0.3∙13=3.9 В. Напряжение смещения на транзисторах
Ток транзистора VT1 создает на сопротивлении в эмиттерной цепи падение напряжения UI>Ко>R>6>=0.3∙13=3,9 В. Напряжение смещения на транзисторах VT1 и VT3 U>см>=U>БЭ>+U=6,58 В.
В качестве диодов VD1 и VD2 используются маломощные диоды КД209А. Ток цепи, обеспечивающий напряжение смещения, обычно выбирается в 5-10 раз больше тока базы I>БО>. Эти цифры определяют приближенное значение тока через резисторы R>15> и R>16> (10 мА). Ориентируясь на это значение тока, выбираем данный тип диода по справочнику. U>СМ>=nU>d>, где n – количество последовательно включенных диодов, U>d> – падение напряжения на диоде. При этом следует использовать диоды из того же материала, из которого выполнены транзисторы, ток чтобы p-n переходы транзисторы были по возможности идентичными. I>Д>=10 мкА, падение напряжения равно 4 В. Отсюда следует, что в каждое плечо вводим по 2 диода.
Значения резисторов R15 и R16 находятся из следующего уравнения:
кОм.
Оценим погрешность
при
включении R>Н>>min>.
Для этого представим генератор в виде:

;U=I∙R>ВЫХ>;
Ом.

%.
Значение погрешности равно 0,00024%, что меньше заданного в ТЗ 2%.
Проектирование частотомера
Необходимо разработать частотомер, измеряющий частоту выходного напряжения генератора в диапазоне от 30 Гц до 500 Гц с погрешностью 10 Гц и временем индикации 1 с, построенного на элементах имеющих ТТЛ структуру. В качестве частотомера будет использоваться электронно-счётный частотомер, работа которого основана на подсчёте числа импульсов измеряемого сигнала в течение заданного интервала.
Описание принципа работы и компонентов электронно-счётного частотомера.
Исходя из предложенной структурной схемы данный частотомер разбит на следующие блоки:
Мультивибратор.
Формирователь.
Генератор с кварцевым резонатором.
Формирователь времени измерения.
Логического элемента И.
Преобразователи фронта и среза в импульс.
СД элемент.
Светодиодный индикатор.
Т-RS-триггер.
Мультивибратор собран на микросхеме К1006ВИ1 (DD1), служит для генерации задающих прямоугольных импульсов. Для повышения точности, корректировки работы мультивибратора и генератора в схему включен формирователь времени измерения. Он позволяет получить чёткие задающие импульсы с длительностью логической единицы 1 с и длительностью логического нуля 1 с. Формирователь времени измерения реализован на 5-ти счётчиках делителях на 8 530ИЕ14 (DD10, DD11, DD12, DD13, DD14).
Генератор с кварцевым резонатором предназначен для получения по настоящему стабильных колебаний на высокой частоте. В нем используется кусочек кварца (искусственного – двуокись углерода), вырезанный и отшлифованный таким образом, что он имеет определенную частоту колебаний (32768 Гц).
Высокая добротность Q(10000) и хорошая стабильность делают естественным его применение как задающего элемента в генераторах и фильтрах с улучшенными параметрами. В данном частотомере, генератор выполнен на основе микросхемы 530ЛА3.
T-RS-триггер – 530ТМ2. Триггеры широко используются во многих узлах электронной аппаратуры в виде самостоятельных изделий и в качестве базовых элементов для построения других более сложных устройств (счётчиков, регистров, запоминающих устройств).
Они представляют собой простейшие последовательные устройства, общим свойством которых является способность длительно оставаться в одном из двух возможных состояний, который распознаются по значению их входных сигналов. В простейшем случае триггер представляет собой симметричную структуру из двух логических элементов ИЛИ-НЕ или И-НЕ, охваченных перекрестной положительной обратной связью.
Формирователь служит для преобразования входных сигналов, имеющих синусоидальную форму, в прямоугольные импульсы, которые затем считываются счётчиком-дешифратором элементом 133ПП4, в течении первой 1 с происходит подсчёт количества импульсов, а в течении следующей 1 с – вывод на индикаторы АЛС333Б (HG1 – HG4) результата подсчёта.
Формирователь основан на операционном усилителе К140УД26А (DA1), в обратную связь которого установлены диод и стабилитрон. Диод служит для отсечения отрицательной составляющей входного сигнала, а стабилитрон ограничивает положительную составляющую. Таким образом, на выходе операционного усилителя сигнал представляет собой практически прямоугольные импульсы.
В техническом задании указана погрешность дискретности равная 10 Гц, поэтому к микросхеме СД нужно подключить 4 индикатора (HG1 – HG4).
После вывода результата измерения при помощи преобразователя фронта (среза) в импульс происходит сброс счётчиков и триггера. Он представляет собой либо R-C цепочку, либо структуру из 3-х инверторов 530ЛН1 и элемента И(ИЛИ)-НЕ, на которой происходит кратковременная генерация логической "1", которая, поступая на вход "reset", сбрасывает либо счётчик, либо триггер.
Элемент "И" совместно с T-RS- триггером обеспечивает прохождение сигнала с выхода формирователя на вход СДИ элемента в течение заданного времени счёта, он реализован в схеме двумя элементами 2И-НЕ – микросхема 530ЛА3. (DD9.2, DD9.3).
Расчёт мультивибратора.
Длительность стадии зарядки T>1> и разрядки T>2> конденсатора можно оценить с помощью уравнений:
T>1>=0,7(R>1>+R>2>)∙C>1>;
T>2>=0,7R>2>∙C>1>,
Где T>1>=1 с – время индикации частоты, T>2>=1,1 с – время счёта.
Зададим С>1>=10 мкФ, тогда
Ом,
кОм
[E192].
Таким образом, R>1>=14,3 кОм. Частота генерируемых сигналов в данном случае равна:
с-1.
Поскольку операционные усилители не могут работать без нагрузки, то выбираем R>3>=50,5 кОм и R>4>=50,5 кОм.
Расчёт RC-цепи
Зададим резистор R>5>=50,5 кОм.
Вычислим значение конденсатора С>2> из условий:
=R>5>∙C>2>,
где
,
=10-4.
нФ.
Проектирование блока питания
Источник питания должен обеспечить питание частотомера и генератора, а именно:
Операционному усилителю К140УД26А с напряжением питания U>пит>= 15 В, мультивибратору К1006ВИ1 с напряжением питания U>пит>= +9 В, микросхеме 530ИЕ14 напряжением питания U>пит>= +5 В, микросхеме 530ЛА3 с напряжением питания +5 В, микросхеме 133ПП4, индикатору АЛС333Б с напряжением питания +9 В, микросхеме 530ЛЕ1 с напряжением питания U>пит>= +5 В, микросхеме 530ЛН1 с напряжением питания U>пит>= +5 В, микросхеме 530ТМ2 с напряжением питания U>пит>= +5 В.
Суммарный потребляемый ток данных микросхем, нагрузки усилителя равен
I>пот>= I>пот.ген>+ I>пот.част>+ I>нагр>=8∙10-3+190∙10-3+10∙10-3=0,208 А.
Исходя из этого, выбираем трансформатор Т>1>ТП–112-9 с током номинальной нагрузки 0,35 А, имеющий 2 вторичные обмотки с номинальным напряжением U>ном>=17 В.
Для выпрямленного напряжение на вторичных обмотках трансформатора используем 2 диодных моста VD1, VD2 серии КЦ419А с I>пр. >>max>=1,5 А.
Для стабилизации напряжения будем использовать:
для напряжения питания U>пит1>= +15 В – микросхему DA1 K142EH8,
для напряжения питания U>пит2>= -15 В – микросхему DA2 K142EH11,
для напряжения питания U>пит3>= +9 В – стабилитрон СТ1 KС191С с I>ст1>=10 мА,
для напряжения питания U>пит4>= +5 В – стабилитрон СТ3 KС156А с I>ст3>=10 мА.
Определим номиналы сопротивлений R>1>, R>2>:
Ом.
Ом.
Конденсаторы С>1>, С>2>, С>3>, С>4> возьмём по 100 мкФ.
Для защиты от перегрузок включаем плавкий предохранитель.

Заключение
генератор кварцевый резонатор частотомер
В данной курсовой работе разработан перестраиваемый генератор синусоидального напряжения с источником питания и устройством индикации частоты выходного сигнала. Все параметры данного генератора соответствуют изложенным в техническом задании.
Данное устройство качественно, надежно и экономично.
Библиографический список
1. Гусев В Г., Гусев Ю. М., Электроника. -2 изд., перераб., допол., М.: Высшая школа, 1991.
2. Гутников Интегральная электроника в измерительных устройствах, М
3. В. Л. Шило "Популярные цифровые микросхемы" М. 1989 г.
4. Хоровиц, Хилл. Искусство схемотехники.-М.: "Мир", 1983, 1985, 1992.
5. Пратт. Практическая электроника.
6. Титце, Шенк. Полупроводниковая схемотехника.-М.: "Мир", 1983.
7. Достал. Операционные усилители
8. Гусев В. Г., Мулик А. В. Проектирование электронных аналоговых измерительных устройств.
9. Иванов и др. Оптоэлектронные приборы.
10. Н. Н. Васерин "Применение полупроводниковых индикаторов" М. 1991 г.
11. Ю. И. Степанов "Справочник по ЕСКД" К. 1975 г.
12. А Уильямс "Применение интегральных схем" М. 1987 г.
13. С. А. Бирюков "Цифровые устройства на интегральных микросхемах" М. 1991 г.
14. Барсуков Ф. И. Генераторы и селективные усилители низкой частоты. -М.: Энергия, 1964 г.
15. Виноградов Ю. В. Основы электронной и полупроводниковой техники. -2 изд. допол., М.: Энергия, 1972 г.
16. Войшвилло Г. В. Усилительные устройства. -2 изд. перераб., допол.,- М.: Радио и связь, 1983 г.
17. Горюнова Н. Н. Транзисторы: справочник. -2 изд., перераб. –М.: Энергоатомиздат, 1986г.
18. Славский Г. Н. Активные RC и RLC фильтры и избирательные усилители. –М.: Связь, 1966 г.