Пространственно-временной коммутатор 7x7
Федеральное агентство по образованию Российской Федерации
Уфимский государственный авиационный технический университет
Кафедра АСУ
КУРСОВАЯ РАБОТА
по коммутации
на тему: Пространственно-временной коммутатор 7x7
ОГЛАВЛЕНИЕ
коммутатор преобразователь дешифратор
1. Задание
2. Введение
3. Разработка функциональной схемы
4. Назначение основных элементов коммутатора и принцип их работы
4.1 Последовательно-параллельный и параллельно-последовательный преобразователи, стробирующие регистры
4.2 Дешифратор
4.3 Речевое и адресное запоминающие устройства
4.4 Счетчик
4.5 Мультиплексоры
5. Расчет блокировок коммутационного поля в режиме индивидуального искания
6. Заключение
1.Задание
Разработать пространственно-временной коммутатор потоков DS1 (30 каналов) и рассчитать блокировки построенного на его основе коммутационного поля в режиме индивидуального искания.
Исходные данные: общее число входов коммутационного поля N=4;
число входов одного коммутатора n=2;
число коммутаторов в среднем звене m=4;
интенсивность нагрузки Y =0,8 Эрл.
Структура коммутационного поля, соответствующая исходным данным, представлена на рис. 1.1.

Рис. 1.1. Структура коммутационного поля.
2.Введение
Вторая половина ХХ века ознаменовалась переходом от так называемого индустриального способа общественного производства к информационному, в котором главенствующую роль начинает играть информация как основной критерий развития. Как следствие, повышаются требования к качеству систем коммутации и способам передачи, для повышения качества сигнала. Изобретение компьютеров тем более усилило процесс эволюции, так как резко возросшие объемы предаваемой информации, вводили проблему с ее обработкой, и введение дополнительного аналогового оборудования уже не могло решить эту проблему. Необходимо было создавать качественно новые системы связи.
Данную проблему удалось решить к началу 1980-х годов, когда началось чувствоваться влияние сетей ISDN, концепции Интеллектуальной сети, идеи Информационной магистрали. Одной из наиболее существенных технологий среди перечисленных выше являются цифровые АТС с программным управлением. Эпоху цифровой реализации телекоммуникационной сети предопределило наличие двух очень важных устройств: кодеков и модемов. Именно они, наряду с цифровизацией многоканальной электросвязи – систем передачи с ИКМ, обусловили появление цифровых систем коммутации.
Переход на цифровую передачу и коммутацию немедленно привел к резкому возрастанию числа обсуживаемых абонентов и улучшению качества речи, к уменьшению массогабаритных параметров, а как следствие экономия сырья на изготовление микросхем; значительно возросла надежность оборудования, ввиду использования автоматизированного процесса изготовления и настройки. Также были введены вспомогательные и дополнительные виды обслуживания абонентов (например, услуги Интеллектуальной сети).
Особенности цифровых коммутационных устройств с импульсно-кодовой модуляцией (ИКМ) сигналов: процессы на входах, выходах и внутри устройств согласованы по частоте и времени (синхронные устройства).
3.Разработка функциональной схемы
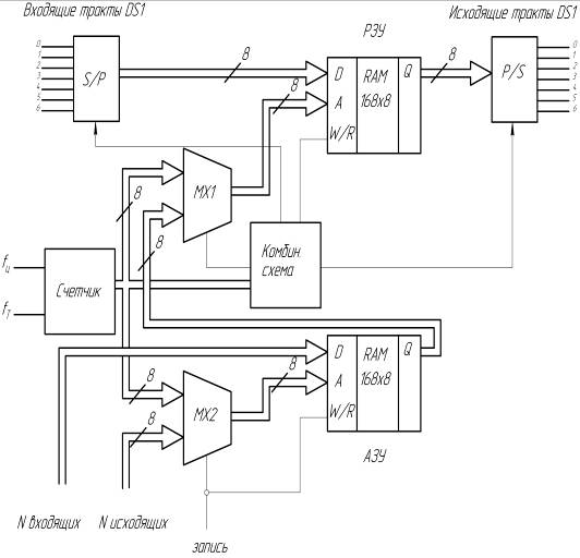
Структурная схема пространственно - временного коммутатора 7x7 представлена на рис. 3.1.

Рис. 3.2. Структурная схема пространственно - временного коммутатора 7x7:
S/P - последовательно-параллельный преобразователь;
P/S - параллельно-последовательный преобразователь;
РЗУ - речевое запоминающее устройство;
АЗУ - адресное запоминающее устройство;
СЧ - счетчик;
МX1 - мультиплексор адреса РЗУ;
МX2 - мультиплексор адреса АЗУ.
Данный коммутатор осуществляет пространственно-временную коммутацию входящих трактов ИКМ в исходящие.
Последовательно-параллельный преобразователь S/P осуществляет преобразование входящих ИКМ-трактов, представленных в последовательной форме, в параллельную.
РЗУ предназначено для записи и хранения в определенных ячейках, по адресам счетчика, кодовых комбинаций и считывания их в нужный момент времени.
АЗУ используется для записи и хранения информации о том, какой входящий и исходящий канал необходимо скоммутировать, и в последующем обеспечивает считывание в нужный момент времени номера входящего канала на адресные входы РЗУ при помощи счетчика.
Счетчик в свою очередь выдает адреса на РЗУ для записи по ним входящих каналов, а на АЗУ для считывания по ним номеров входящих каналов.
Дешифратор, получая адреса со счетчика, выдает логическую 1 на соответствующих выводах, что необходимо для разрешения параллельной загрузки информации на регистры S/P, и P/S при преобразовании кода в последовательную форму в исходящем тракте.
Мультиплексор MХ1 РЗУ осуществляет переключение сигналов со счетчика и сигналов, приходящих с АЗУ на выход, осуществляя тем самым запись и считывание по приходящим адресам.
Принцип работы мультиплексора МХ2 АЗУ аналогичен.
Параллельно-последовательный преобразователь P/S преобразует параллельную кодовую комбинацию с выхода РЗУ в последовательную форму для последующей коммутации с заданным исходящим каналом.
Пример коммутации 3-го входящего канала в 8-й исходящий представлен на временных диаграммах (Приложение В).
Установим основные требования к элементам функциональной схемы коммутатора:
Разрядность шины счетчика
,
где скобки
означают округленное до целого в большую
сторону значение. Для коммутатора 7Ч7
входящих/исходящих трактов ИКМ-24 получим

Так как при считывании с РЗУ под
действием адресной информации, приходящей
с выхода АЗУ (через мультиплексор
адреса), содержимое каждой ячейки речевой
памяти может быть извлечено в какой-либо
канальный интервал исходящего тракта,
то, очевидно, должны адресоваться все
ячейки РЗУ. Поскольку таких ячеек в РЗУ
,
то для их считывания необходима адресная
шина шириной не менее
разрядов.
С другой стороны, при емкости
коммутатора nЧm цифровых трактов,
количество канальных интервалов на его
выходе равно mK (содержание речевой
памяти может считаться в mK временных
интервалах, позиции которых определят
моменты считывания адресных слов из
АЗУ). Следовательно, емкость АЗУ должна
быть равна
-разрядных
ячеек. Для данного коммутатора
.
Очевидно, что для исключения потери информации содержимого входящих цифровых трактов, за время цикла (Тц) необходимо успеть осуществить запись nK восьмиразрядных слов в РЗУ и считать их оттуда. Т.е. на запись и считывание одного канального слова в РЗУ квадратного коммутатора должно отводиться время не более
,
что определяет требование по быстродействию речевого ОЗУ при заданном числе входных каналов или, наоборот, требования к количеству входящих канальных интервалов или цифровых трактов при заданном быстродействии ОЗУ
.
Все вышеперечисленные требования отражены на рис. 3.1.
4.Назначение основных элементов коммутатора и принцип их работы
4.1 Последовательно-параллельный и параллельно-последовательный преобразователи, стробирующие регистры
В последовательно-параллельном преобразователе используются 15 регистров К155ИР13. Первые восемь из них работают в режимах параллельной загрузки и сдвига вправо (режим определяется сигналами, приходящими с дешифратора), данные с входящих ИКМ трактов поступают на параллельные входы D0-D7 8 регистров, а снимаются с выходов Q7. Затем данные поступают на входы последовательного ввода данных остальных 7 регистров (второй ряд) и сдвигаются вправо, что необходимо для синхронного вывода данных с последовательно-параллельного преобразователя, причем каждый из 7 этих регистров осуществляет задержку на разное число тактов, так регистр обрабатывающий младший разряд кода сдвигает принятый импульс на 7 тактов, регистр обрабатывающий следующий разряд – соответственно на 6 тактов и т.д.
Элементная база и принцип действия параллельно-последовательного преобразователя аналогичны. Так как коммутатор 7х7, то в 8-ом канальном интервале полезных данных не содержится, и в параллельно-последовательном преобразователе достаточно использовать 13 регистров: 7 в режиме параллельной загрузки и сдвига, 6 только в режиме сдвига вправо.
Так основным критерием коммутационных устройств с ИКМ-модуляцией является согласование всех входов и выходов по частоте и времени (синхронные устройства), то для надлежащей работы схемы необходимо применять стробирующие регистры задержки на 1 такт.

Рис. 4.3. Микросхема К155ИР13.
Микросхема К155ИР13 – универсальный, восьмиразрядный, синхронный регистр сдвига (рис. 4.1). Каждая операция продолжается в регистре не более 20 нс. Синхронную работу регистру обеспечивают специальные входы выбора режима S0 и S1 (таблица 4.1). Таблица 4.2 содержит сочетания уровней на этих входах, позволяющие переводить регистр в тот или иной режим. Кроме однотипных параллельных входов D0-D7, имеются также дополнительные D-входы: DR – вход последовательного ввода данных при сдвиге информации вправо, DL – вход последовательного ввода данных при сдвиге информации влево.
При параллельной загрузке слово,
подготовленное на входах D0-D7, появится
на выходах Q0-Q7 после прихода последующего
перепада тактового импульса на входе
С. Низким уровнем на входе
все выходные сигналы устанавливаются
на низкий уровень. Регистр потребляет
ток 116 мА, тактовая частота его может
превышать 25 МГц.
Таблица 4.1
Назначение выводов микросхемы К155ИР13
|
Выводы |
Назначение |
Обозначение |
|
3,5,7,9,15,17,19,21 |
Информационные входы |
D0 - D7 |
|
11 |
Вход синхронизации |
C |
|
2 |
Сдвиг вправо |
DR |
|
22 |
Сдвиг влево |
DL |
|
1,23 |
Выбор режима |
S0 ,S1 |
|
13 |
Вход сброса |
R |
|
4,6,8,10,14,16,18,20 |
Информационные выходы |
Q0–Q7 |
|
24 |
Питание |
Ucc |
|
12 |
Общий |
0 |
Таблица 4.2
Состояния регистра К155ИР13
|
Режим работы |
Вход |
Выход |
||||||||
|
С |
|
S1 |
S0 |
DR |
DL |
Dn |
Q0 |
Q1–Q6 |
Q7 |
|
|
Сброс |
х |
Н |
х |
х |
х |
х |
х |
Н |
Н – Н |
Н |
|
Хранение |
|
В |
н |
н |
х |
х |
х |
q0 |
q1– q6 |
q7 |
|
Сдвиг влево |
|
В |
в |
н |
х |
н |
х |
q1 |
q2 –q7 |
Н |
|
|
В |
в |
н |
х |
в |
х |
q1 |
q2 –q7 |
В |
|
|
Сдвиг вправо |
|
В |
н |
в |
н |
х |
х |
Н |
q0 –q5 |
q6 |
|
|
В |
н |
в |
в |
х |
х |
В |
q0 –q5 |
q6 |
|
|
Параллельная загрузка |
|
В |
в |
в |
в |
х |
dn |
d0 |
d1-d6 |
d7 |
4.2 Дешифратор
Дешифратор К155ИД10
(рис. 4.2) преобразует
трехразрядный двоичный код, поступающий
на входы DI1, DI2
и DI4. Дешифратор К155ИД10
формирует сигналы параллельной загрузки,
которые поступают на вход S0
первого ряда регистров К155ИР13. На входы
DI1 подается сигнал частотой
,
на DI2 –
,
на DI4 –
со счетчика; на вход E
подается уровень логического нуля.
Таблица истинности микросхемы К155ИД10
приведена в таблице Время задержки
распространения сигнала от адресного
входа до выхода 50 нс. Ток потребления
микросхемы 70 мА. Таблица 4.3
отражает все возможные состояния
дешифратора.

Рис. 4.4. Микросхема К155ИД10.
Таблица 4.3
Состояния дешифратора К155ИД10
|
Входы |
Выходы DO |
||||||||||
|
E |
DI4 |
DI2 |
DI1 |
0 |
1 |
2 |
3 |
4 |
5 |
6 |
7 |
|
0 |
0 |
0 |
0 |
1 |
0 |
0 |
0 |
0 |
0 |
0 |
0 |
|
0 |
0 |
0 |
1 |
0 |
1 |
0 |
0 |
0 |
0 |
0 |
0 |
|
0 |
0 |
1 |
0 |
0 |
0 |
1 |
0 |
0 |
0 |
0 |
0 |
|
0 |
0 |
1 |
1 |
0 |
0 |
0 |
1 |
0 |
0 |
0 |
0 |
|
0 |
1 |
0 |
0 |
0 |
0 |
0 |
0 |
1 |
0 |
0 |
0 |
|
0 |
1 |
0 |
1 |
0 |
0 |
0 |
0 |
0 |
1 |
0 |
0 |
|
0 |
1 |
1 |
0 |
0 |
0 |
0 |
0 |
0 |
0 |
1 |
0 |
|
0 |
1 |
1 |
1 |
0 |
0 |
0 |
0 |
0 |
0 |
0 |
1 |
|
1 |
X |
X |
X |
0 |
0 |
0 |
0 |
0 |
0 |
0 |
0 |
4.3 Речевое и адресное запоминающие устройства
Для унификации элементов в качестве РЗУ и АЗУ используем БИС статического оперативного запоминающего устройства.
Тип микросхемы выбираем по критериям быстродействия и емкости. Быстродействие запоминающего устройства определяется временем выборки адреса:

где Тц =125 мкс - длительность
цикла;
– количество каналов, которое должно
быть коммутировано (в принципе, для
работы данного коммутатора достаточно
каналов, однако, чтобы не нарушать
типовую структуру коммутатора, с восьмой
тракт будем записывать только нули или
единицы).

Емкость запоминающего устройства определяется числом входящих ИКМ трактов и разрядностью передаваемых сигналов. Как уже отмечалось, для реализации варианта пространственно-временного коммутатора 7х7 достаточна емкость 168 слов по 8 бит каждое, однако для расчета принимаем емкость запоминающих устройств в коммутаторе 8х8 (т. к. в данном проекте не производим преобразование частоты, и имеем в параллельном коде 8 битные каналы, из которых 1 бит не несет полезной информации) равную 192 слова по 8 бит.
РЗУ работает с управлением по записи, причем учитывается сквозная нумерация, приведенная в приложении А, номера входящих сдвигаем на 8 позиций (рассматриваем 18 входящий – подразумеваем 10).
РЗУ и АЗУ построены на основе микросхемы КМ185РУ7. Параметры микросхемы, назначение выводов и таблица истинности микросхемы КМ185РУ7 приведены в таблицах 4.4–4.6.

Рис. 4.5. Микросхема КМ185РУ7.
Таблица 4.4
Параметры микросхемы КМ185РУ7
|
Информационная емкость |
1024 бит |
|
Организация |
256 слов4 разряда |
|
Напряжение питания |
5
В
|
|
Потребляемая мощность |
не более 710 мВт |
|
Диапазон температур |
-10…+700С |
|
Совместимость по входу и выходу |
с ТТЛ - схемами |
|
Входное напряжение низкого уровня высокого уровня |
не более 0,8 В не менее 2,1 В |
|
Входное напряжение низкого уровня высокого уровня |
не более 0,45 В не менее 2,4 В |
|
Входной ток низкого уровня высокого уровня |
не более 0,3 мА не менее 0,04 мА |
|
Выходной ток низкого уровня высокого уровня |
не более 8 мА не менее 5,2 мА |
|
Время выборки адреса tА(А) |
не более 45 нс |
|
Время выбора tСS |
не более 30 нс |
|
Время выборки считывания tА(RD) |
не более 40 нс |
|
Время выборки сигнала разрешения по выходу tА(СЕО) |
не более 30 нс |
|
Время установления сигнала записи относительно адреса tSU(А-WR) |
не менее 10 нс |
|
Время установления сигнала записи относительно входных данных tSU(DI-WR) |
не менее 5 нс |
|
Длительность сигнала записи tW(WR) |
не менее 30 нс |
|
Время сохранения адреса после сигнала записи tV(WR-A) |
не менее 5 нс |
|
Время сохранения входных данных после сигнала записи tV(WR-DI) |
не менее 5 нс |
|
Время восстановления высокого сопротивления или время восстановления высокого уровня при подключении RL к UCC после сигнала СS tDIS(CS) |
не более 30 нс |
|
Время восстановления высокого сопротивления или время восстановления высокого уровня при подключении RL к UCC после сигнала СЕО tDIS(CEO) |
не более 30 нс |
|
Время восстановления высокого сопротивления после сигнала считывания tDIS(RD) |
не более 35 нс |
|
Время цикла записи tCY(WR) |
не менее 45 нс |
Таблица 4.5
Назначение выводов микросхемы КМ185РУ7
|
Выводы |
Назначение |
Обозначение |
|
1-7, 21 |
Адресные входы |
А1–А7, А0 |
|
9, 11, 13, 15 |
Входы данных |
DI0–DI3 |
|
10, 12, 14, 16 |
Выходы данных |
DO0–DO3 |
|
17, 19 |
Выбор микросхемы |
CS1, CS2 |
|
20 |
Сигнал запись – считывание |
W/R |
|
18 |
Разрешение по выходу |
CEO |
|
22 |
Напряжение питания |
UCC |
|
8 |
Общий |
ОВ |
Таблица 4.6
Таблица истинности микросхемы КМ185РУ7
|
CS1 |
CS2 |
CEO |
WR |
A0 - A7 |
DI0 - DI3 |
DO0 - DO3 |
Режим работы |
|
М |
M |
X |
X |
X |
X |
Roff |
Хранение |
|
В |
Н |
X |
Н |
A |
Н |
Roff |
Запись 0 |
|
В |
Н |
X |
Н |
A |
В |
Roff |
Запись 1 |
|
В |
Н |
Н |
В |
A |
X |
Данные в прямом коде |
Считывание |
|
В |
Н |
В |
В |
A |
X |
Roff |
Запрет выхода |
Примечание: М - любая комбинация уровней, отличная от CS1=В и CS2=Н;
X - безразличный уровень сигнала;
В - высокий уровень сигнала;
Н - низкий уровень сигнала;
A - значение текущего адреса.
На информационные входы АЗУ подаются сигналы номера входящего канала. На адресные входы - с мультиплексора адреса АЗУ.
Сигнал записи WR представляет собой последовательность частоты fт.
Сигнал разрешения по выходу СЕО является отрицанием fт.
На вход CS1 подается уровень логической единицы, CS2-логического нуля.
Информация с выходов, данных DO0–DO7 АЗУ поступает на информационные входы регистра К155ИР13, работающего в режиме параллельной загрузки, в котором происходит стробирование сигналов с частотой fт для увеличения длительности сигналов и синхронизации сигналов относительно тактовой частоты fт. Синхронную работу регистра обеспечивают входы выбора режима S0 и S1, на которые подается уровень логической единицы. На вход синхронизации подается сигнал fт. На входы DR и DL подается уровень логического нуля. На выходе регистра получаем данные с задержкой на 1 такт. Сигнал с выхода стробирующего регистра подаются на мультиплексор адреса РЗУ.
На адресные входы РЗУ подаются сигналы с мультиплексора адреса РЗУ. Так как сигналы с мультиплексора адреса РЗУ приходят с задержкой в 1 такт, то сигналы с параллельно-последовательного преобразователя, приходящие на информационные входы РЗУ, необходимо задержать на 1 такт. Задержка данных осуществляется на регистре К155ИР13, работающего в режиме параллельной загрузки. Информация, поступившая на входы данных регистра с параллельно-последовательного преобразователя, появится на его выходах с приходом фронта синхроимпульса на вход С, поэтому на вход синхронизации подается сигнал fт. Режим параллельной загрузки обеспечивается подачей на входы S0 и S1 уровня логической единицы. На входы DR и DL подается уровень логического нуля. Сигналы с выхода данных регистра подаются на вход данных РЗУ.
Запись информации в ячейки РЗУ происходят по адресу со счетчика постоянно, но считываются не все ячейки, а только те, в которых имеется информация 7-и входящих трактов. Таким образом, ячейки по сквозной нумерации 8, 16 и т.д. не будут считываться.
Сигнал записи WR и сигнал разрешения по выходу CEO подаются аналогично сигналам АЗУ; на вход CS1 подается уровень логической единицы, CS2 -логического нуля.
Информация с выходов данных РЗУ поступает на параллельно-последовательный преобразователь.
4.4 Счетчик
Двоичный счетчик К555ИЕ10 запускается положительным перепадом тактового импульса и имеет синхронную загрузку. Специально для синхронного каскадирования микросхема имеет два входа разрешения: СЕР (параллельный) и СЕТ (вспомогательный), а также выход TC (окончание счета). В применяемом двухкаскадном счетчике сигнал с выхода TC первого счетчика поступает на вход E1 второго счетчика, на вход С обоих счетчиков подается fт. Счетчик считает тактовые импульсы, если на обоих его входах СЕТ и СЕТ напряжение высокого уровня. Вход СЕР последующего счетчика получает разрешение счета в виде напряжения высокого уровня от выхода TC предыдущего счетчика. Счетчик потребляет от источника питания ток 32 мА. Максимальная тактовая частота счета 25 МГц. Время распространения сигнала от входа С до выхода TC составляет 27 нс.

Рис. 4.6. Микросхема К555ИЕ10.
Режимы работы счетчика К555ИЕ10 сведены в таблицу 4.7.
Таблица 4.7
Режимы работы счетчика К555ИЕ10
|
Режим |
Вход |
Выход |
||||||
|
|
C |
СЕР |
СЕТ |
РЕ |
Dn |
Qn |
TC |
|
|
Сброс |
Н |
х |
х |
х |
х |
х |
Н |
Н |
|
Параллельная |
В |
|
х |
х |
н |
н |
Н |
Н |
|
загрузка |
В |
|
х |
х |
н |
в |
В |
В |
|
Счет |
В |
|
в |
в |
в |
х |
Счет |
В |
|
Хранение |
В |
х |
н |
х |
в |
х |
qn |
B |
|
B |
x |
x |
н |
в |
х |
qn |
B |
4.5 Мультиплексоры
Мультиплексоры предназначены для автоматической выборки одного из двух информационных каналов и подключения его к своему выходу.
Мультиплексоры адреса АЗУ и РЗУ построены на основе микросхемы К155КП11. Назначение выводов и таблица истинности микросхемы К155КП11 приведены в таблицах 4.9 и 4.10.

Рис. 4.7. Микросхема К155КП11.
Таблица 4.8
Параметры микросхемы К155КП11
|
Напряжение питания |
5
В
|
|
Выходное напряжение низкого уровня высокого уровня |
|
|
|
|
|
Входной ток низкого уровня |
|
|
высокого уровня |
|
Таблица 4.9
Назначение выводов микросхемы К155КП11
|
Выводы |
Назначение |
Обозначение |
|
2,3,5,6,10,11,13,14 |
Информационные входы |
DI00 - DI30 ,DI01 - DI31 |
|
1 |
Вход выборки адреса |
S |
|
15 |
Вход стробирования |
EO |
|
4,7,9,12 |
Информационные выходы |
DO0 - DO3 |
|
8 |
Общий |
0 |
|
16 |
Напряжение питания |
Ucc |
Таблица 4.10
Таблица истинности микросхемы К155КП11
|
EO |
S |
DIi0 |
DIi1 |
DOi |
|
1 |
X |
X |
X |
Z |
|
0 |
0 |
Данные в прямом коде |
X |
Данные в прямом коде |
|
0 |
1 |
X |
Данные в прямом коде |
Данные в прямом коде |
Мультиплексор адреса АЗУ
На нулевые информационные входы мультиплексора адреса АЗУ подаются сигналы со счетчика, а на единичные – с регистра номера исходящих каналов. На адресный вход S подаются сигналы частотой fт. На стробирующий вход EO сигнал логического 0.
В режиме записи в АЗУ мультиплексор пропускает сигналы с регистра, в режиме считывания из АЗУ - со счетчика.
Мультиплексор адреса РЗУ
На нулевые информационные входы мультиплексора адреса РЗУ подаются сигналы с АЗУ, а на единичные – со счетчика. На адресный вход S подаются сигналы частотой fт co счетчика. На стробирующий вход EO сигнал логического 0. В режиме записи в РЗУ мультиплексор пропускает сигналы со счетчика, в режиме считывания из РЗУ - с выхода АЗУ.
5. Расчет блокировок коммутационного поля в режиме индивидуального искания
Режим индивидуального искания (ИИ) характеризуется соединением конкретного канала с конкретным трактом. Необходимо рассчитать блокировки данного коммутационного поля в режиме ИИ. Для расчета блокировок КП используется метод вероятностных графов или метод Ли. Вероятностный граф отображает структуру КП в графе своих состояний. Вероятностный граф трехзвенного коммутационного поля (режим ИИ) построенного на основе коммутатора 7х7 выглядит следующим образом.

Рис. 5.8. Вероятностный граф коммутационного поля.
Метод вероятностных графов
основан на замене вероятности блокировки
р интенсивностью нагрузки Y:
.
Вероятность блокировки коммутационного поля рассчитывается по формуле:

6. Заключение
В данном курсовом проекте был разработан пространственно - временной коммутатор 7х7 потоков DS1 (24 канала ИКМ по американской иерархии ЦСП) и рассчитана блокировка коммутационного поля, построенного на основе коммутаторов такого типа.
Временные диаграммы работы узлов коммутатора подтверждают его работоспособность и правильность выбора элементов. Расчет блокировок коммутационного поля с помощью метода вероятностных графов показал, что вероятность блокировки очень мала и удовлетворяет требованиям к современным цифровым АТС.
5%
0,4 В
2,4
В